Скачать Типовой проект 904-1-78.87 Альбом 4. Автоматизация и КИПДата актуализации: 01.01.2021
|
| Обозначение: | Типовой проект 904-1-78.87 |
| Обозначение англ: | 904-1-78.87 |
| Статус: | не действует |
| Название рус.: | Альбом 4. Автоматизация и КИП |
| Дата добавления в базу: | 01.09.2013 |
| Дата актуализации: | 01.01.2021 |
| Дата введения: | 11.09.1987 |
| Дата окончания срока действия: | 01.01.1990 |
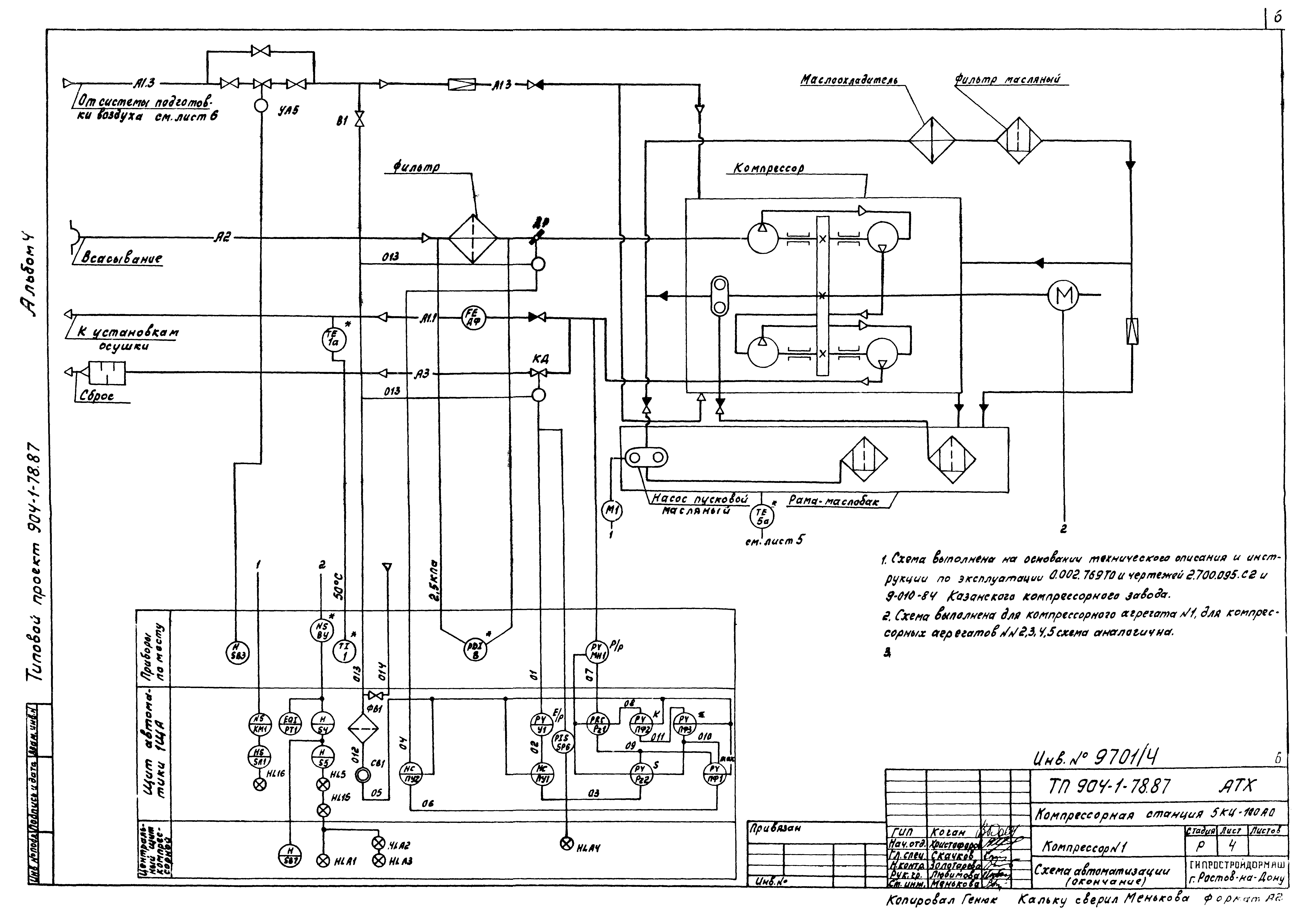
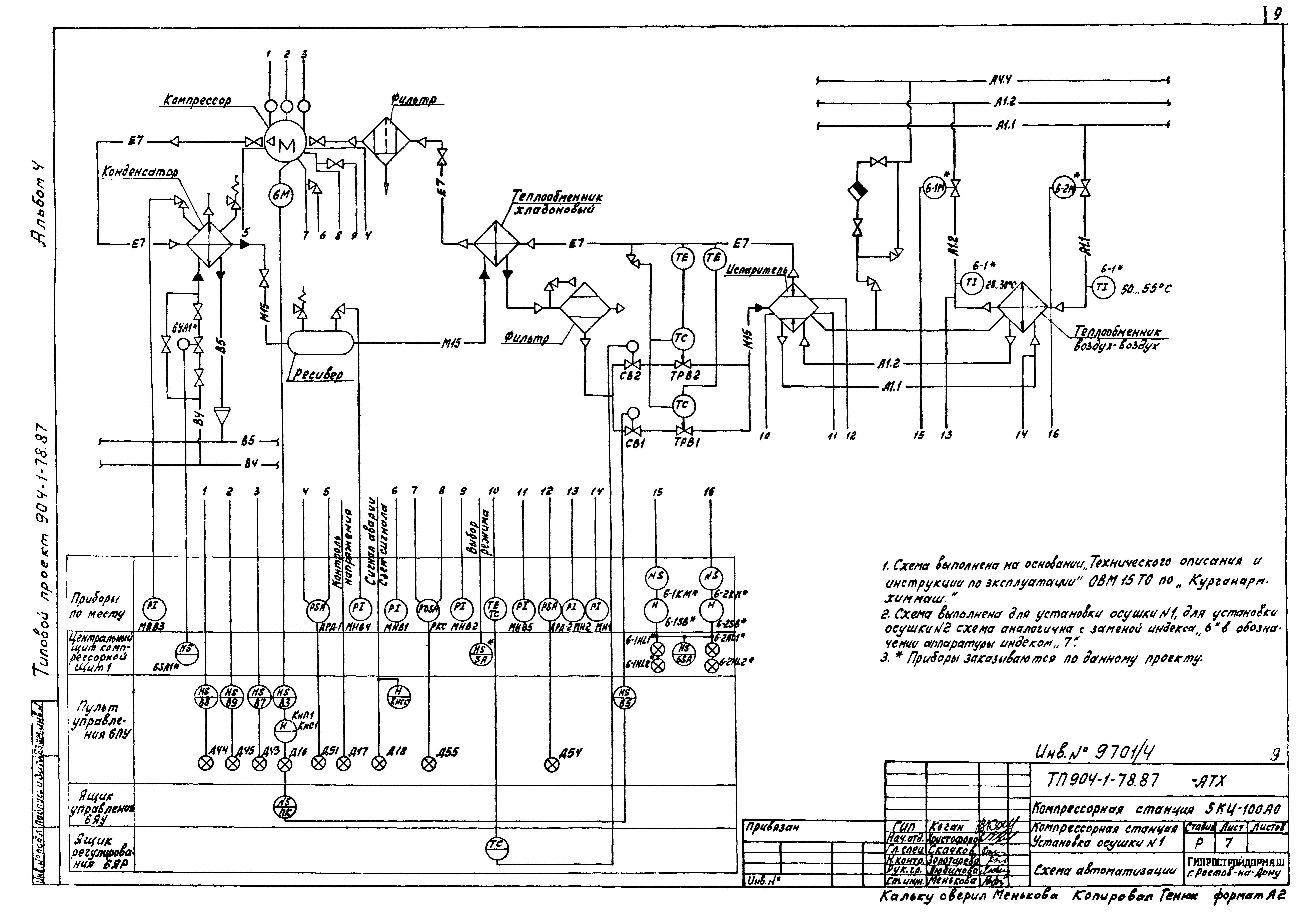
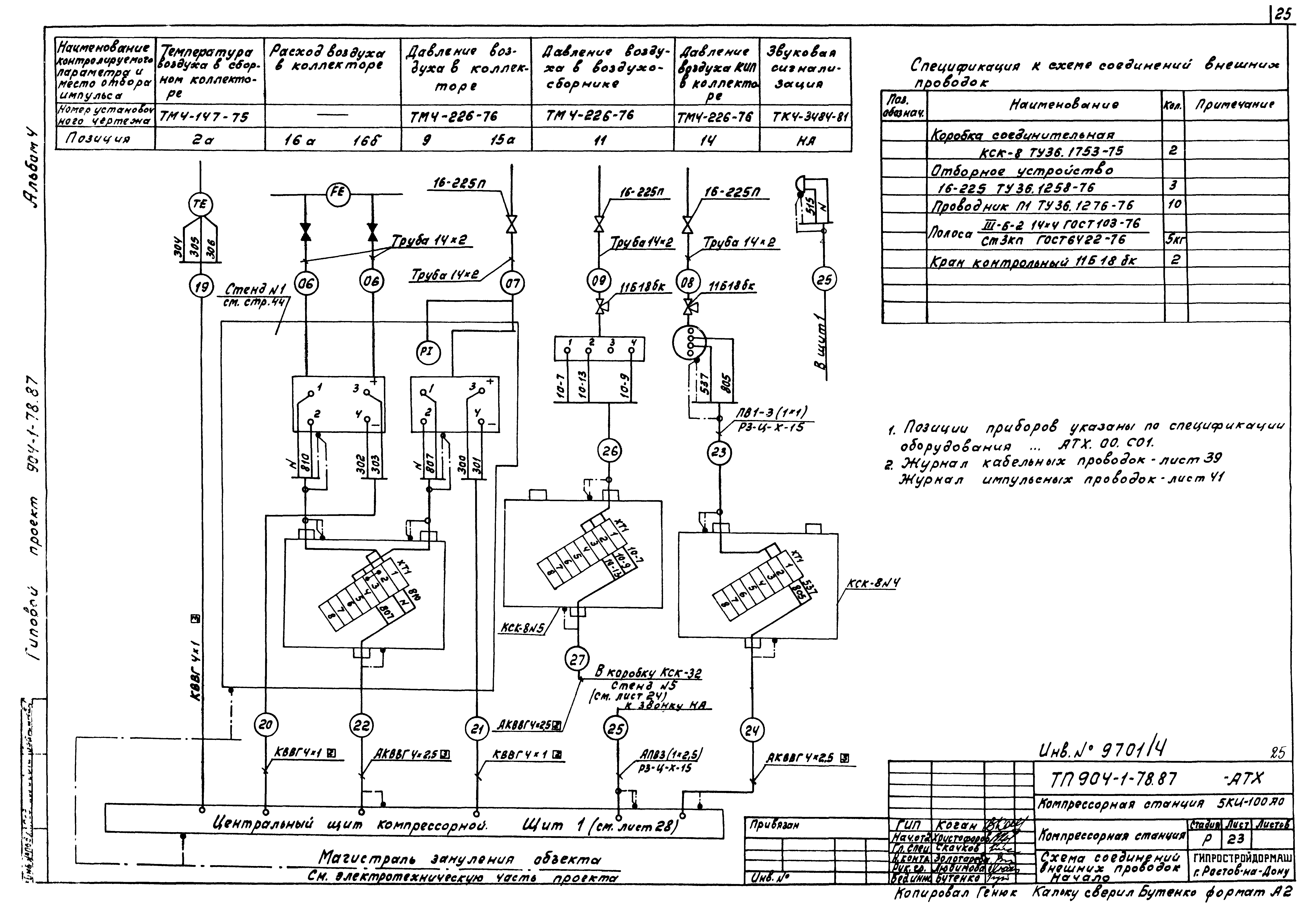
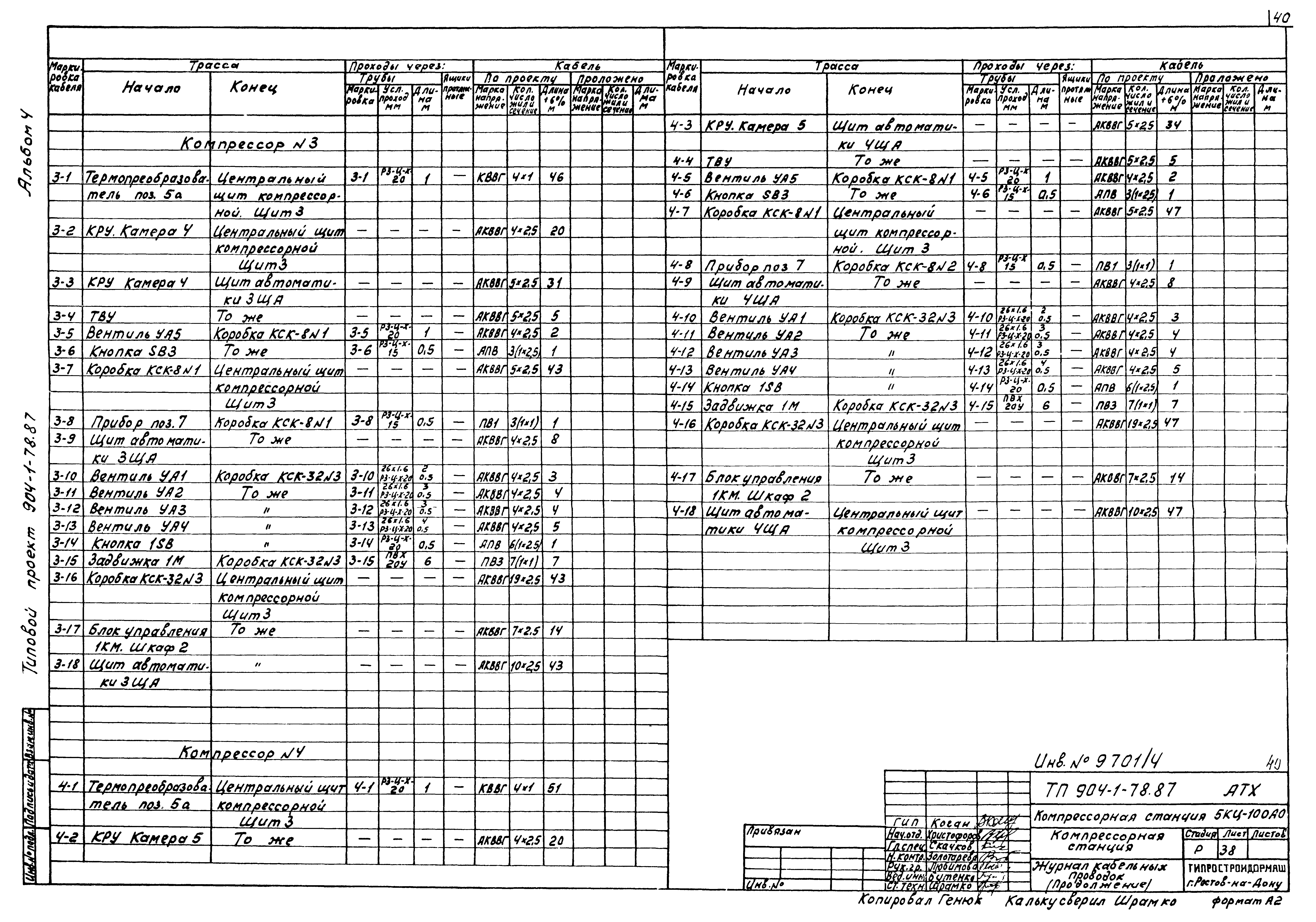
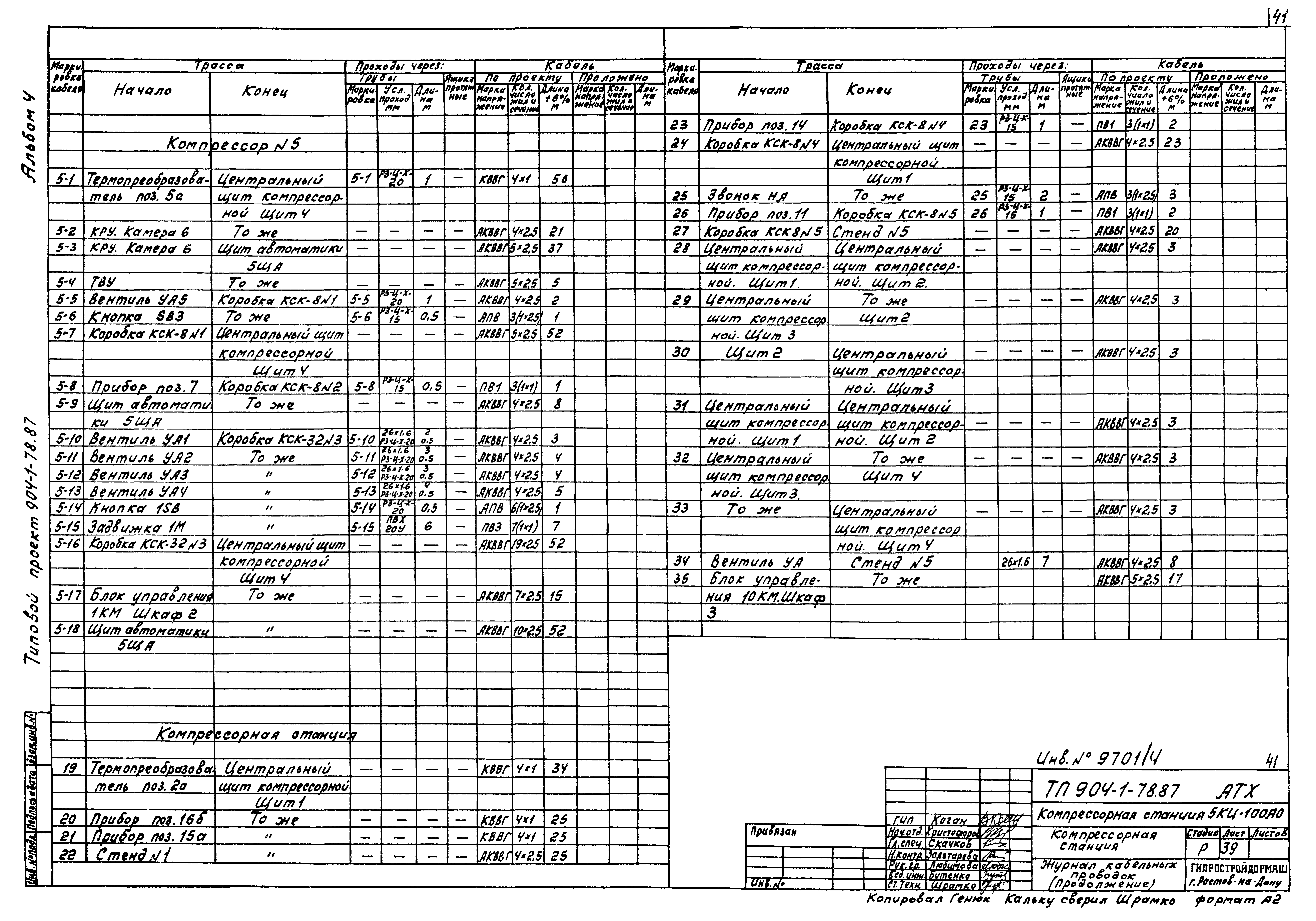
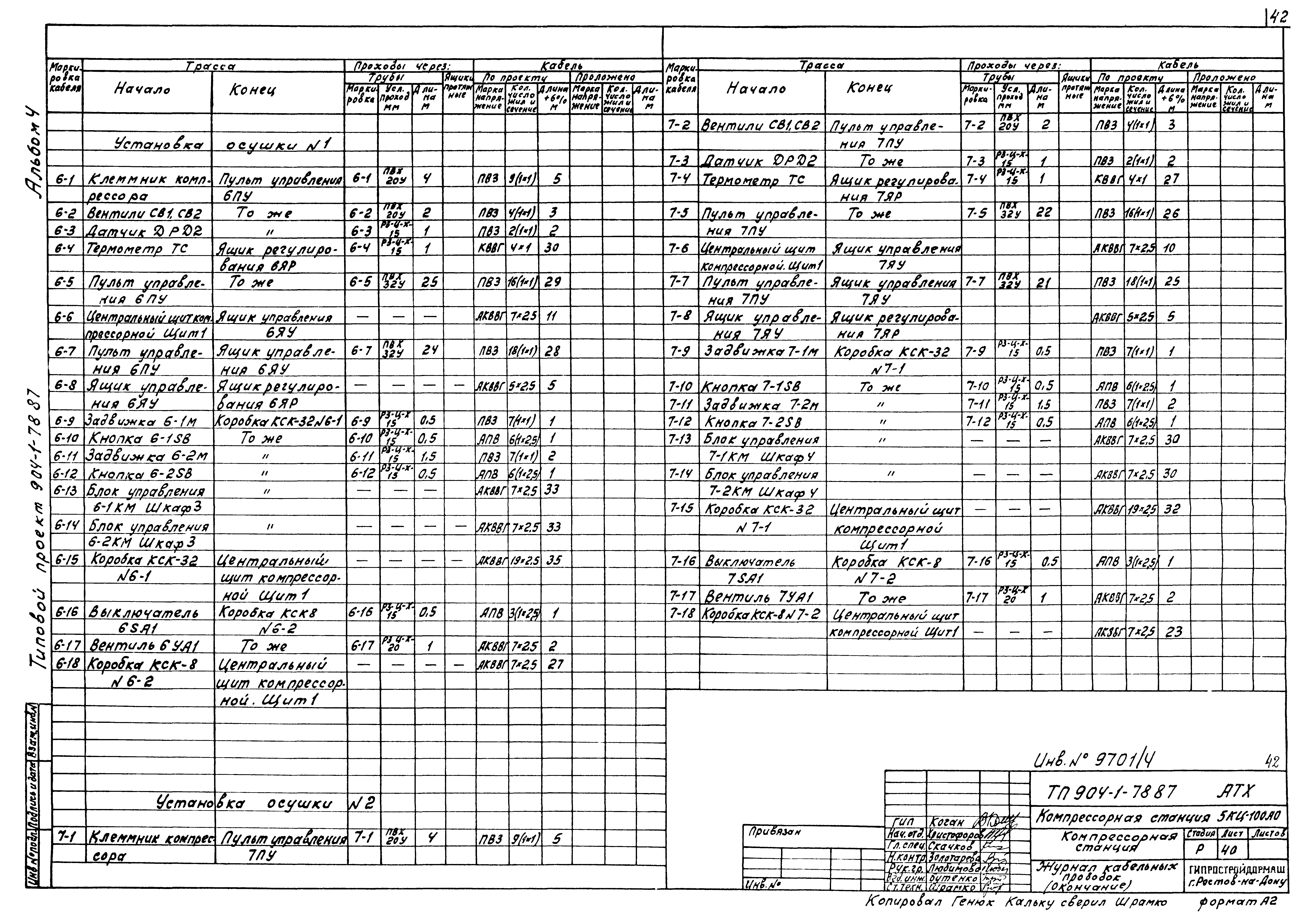
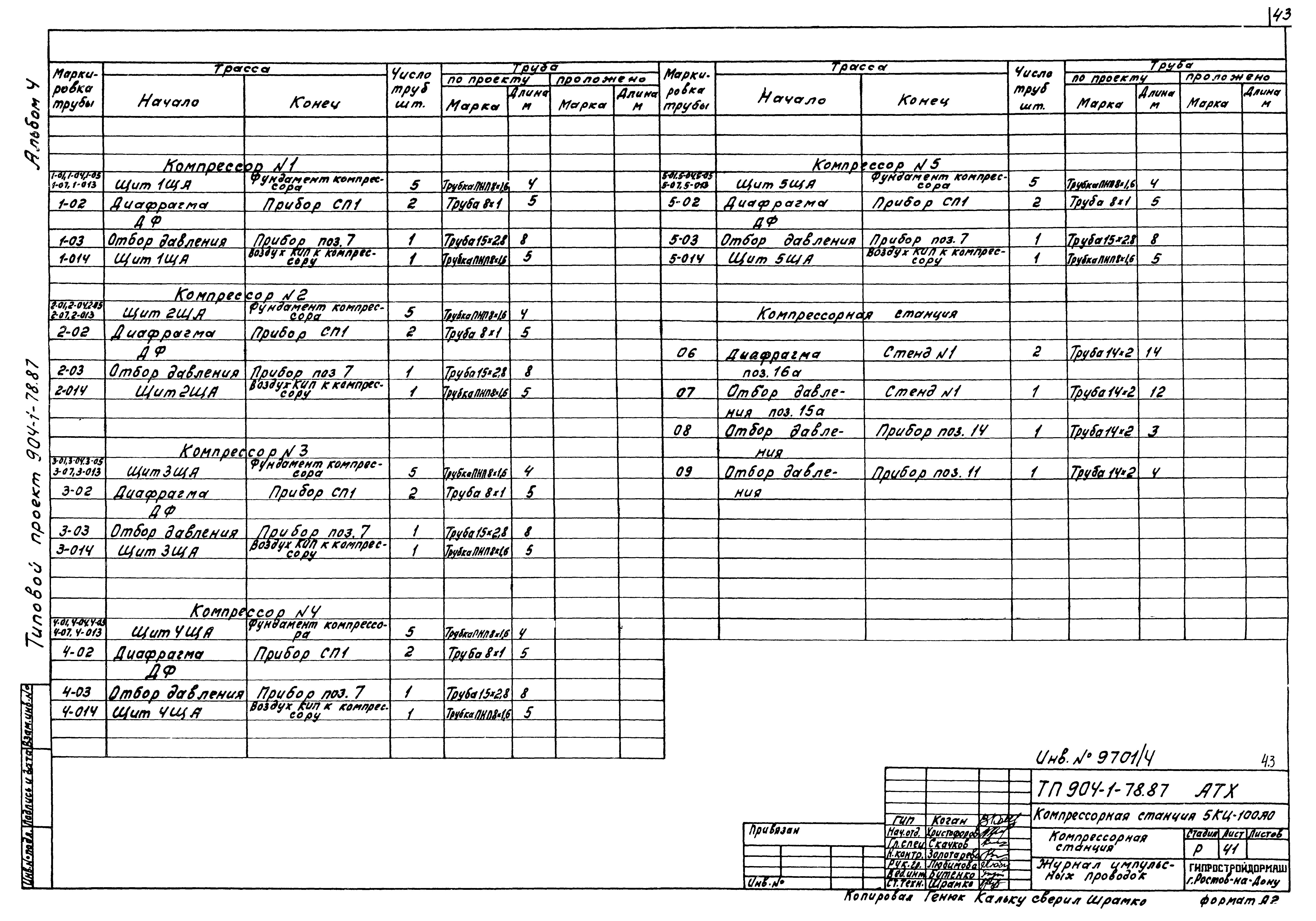
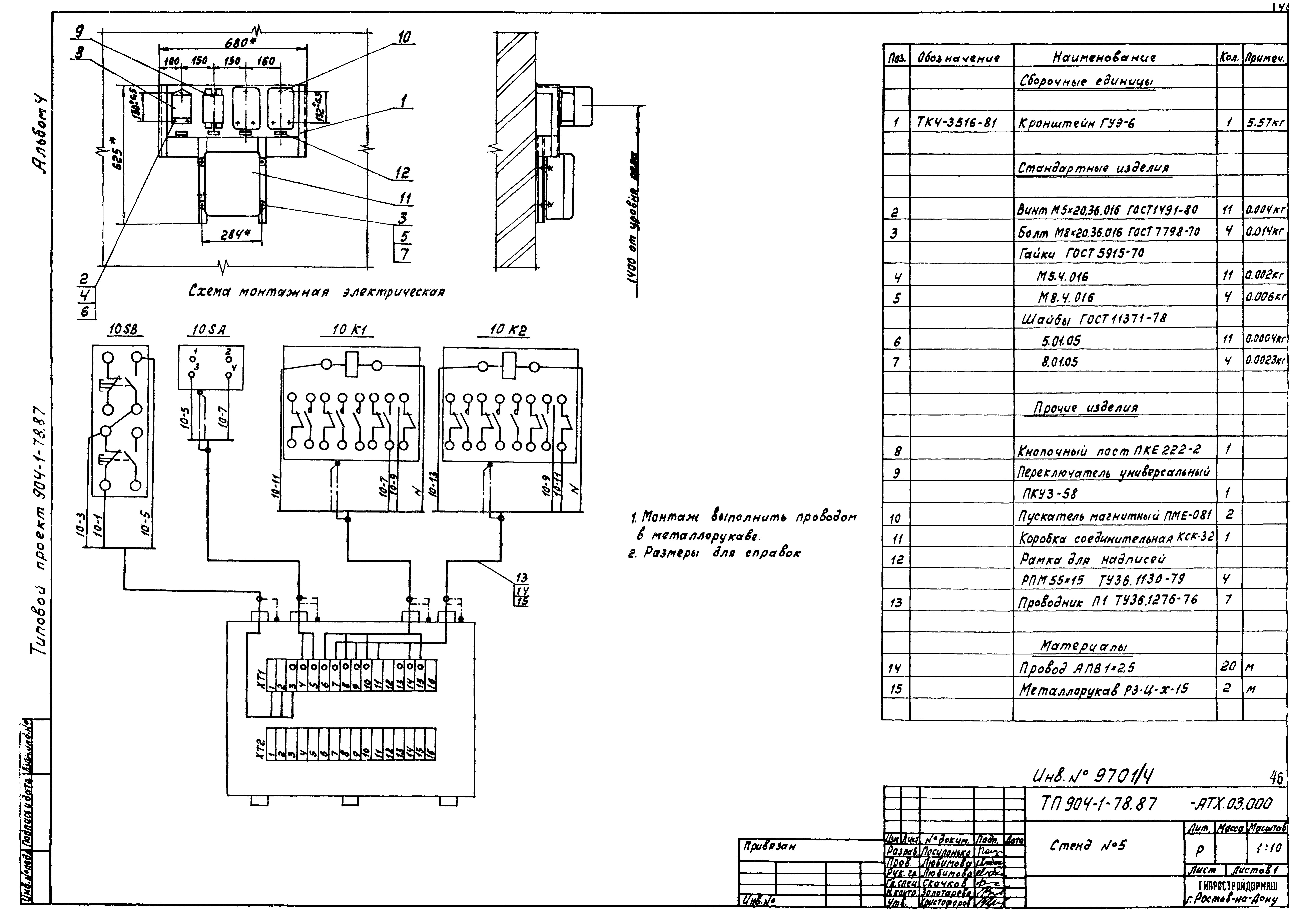
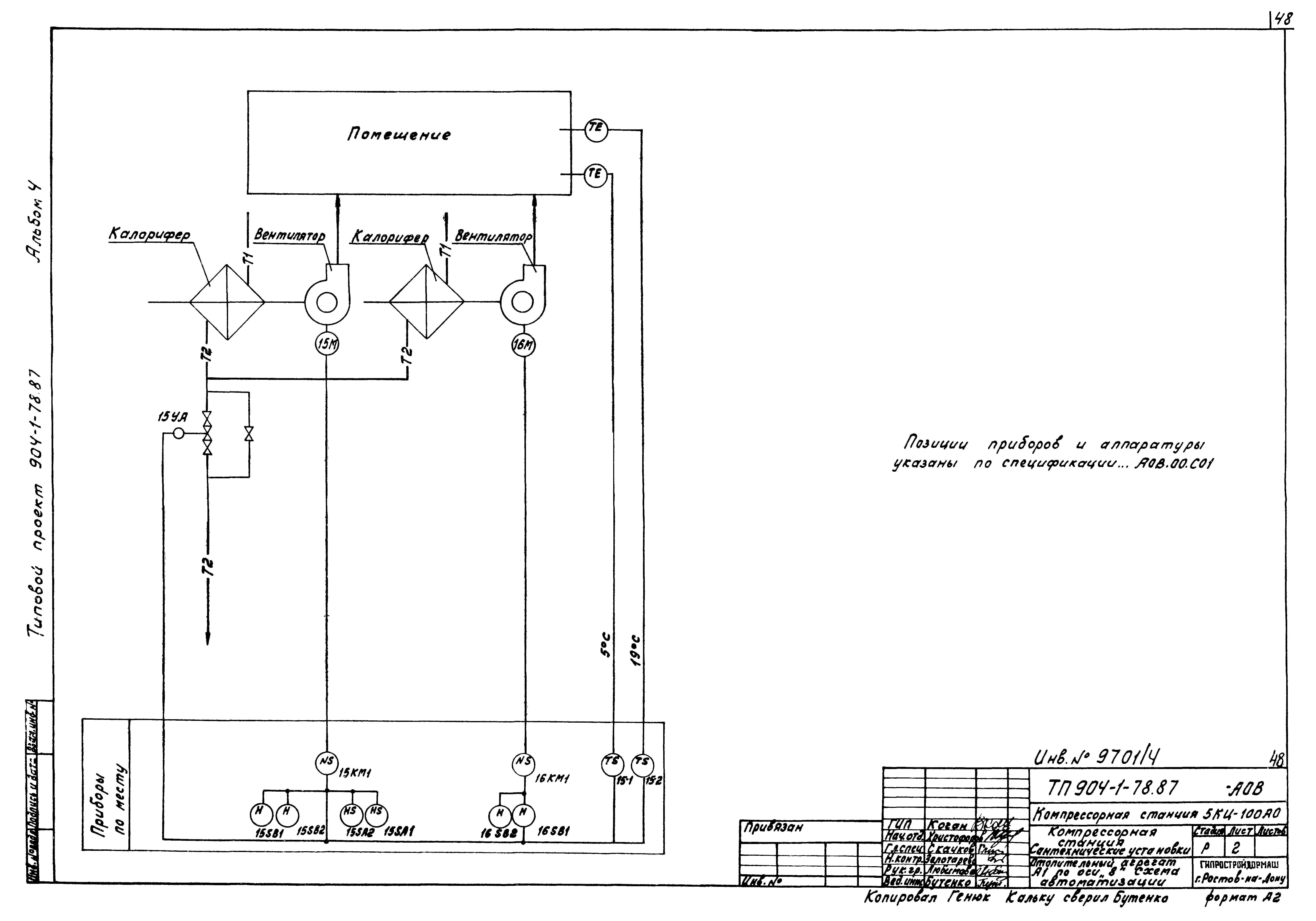
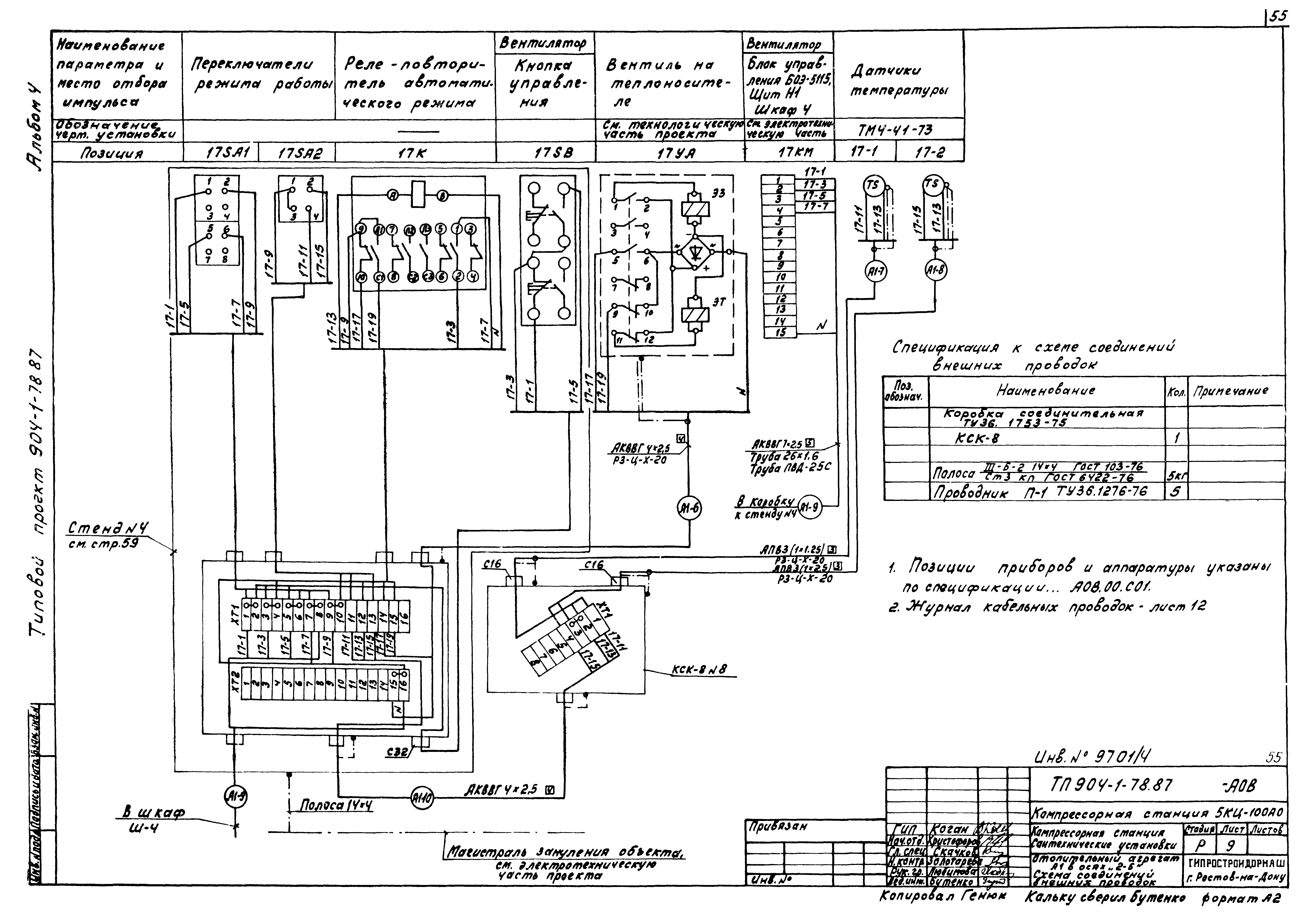
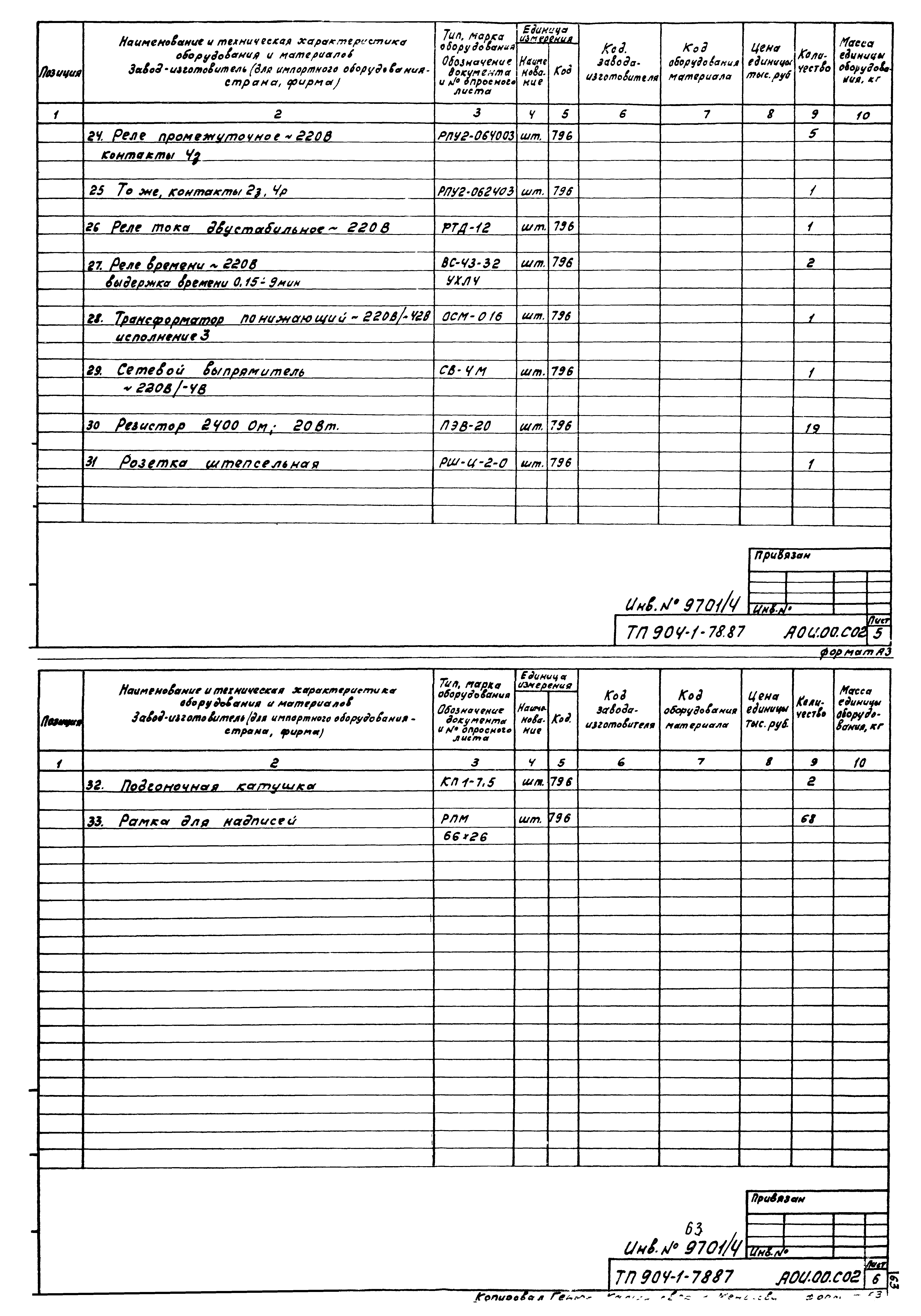
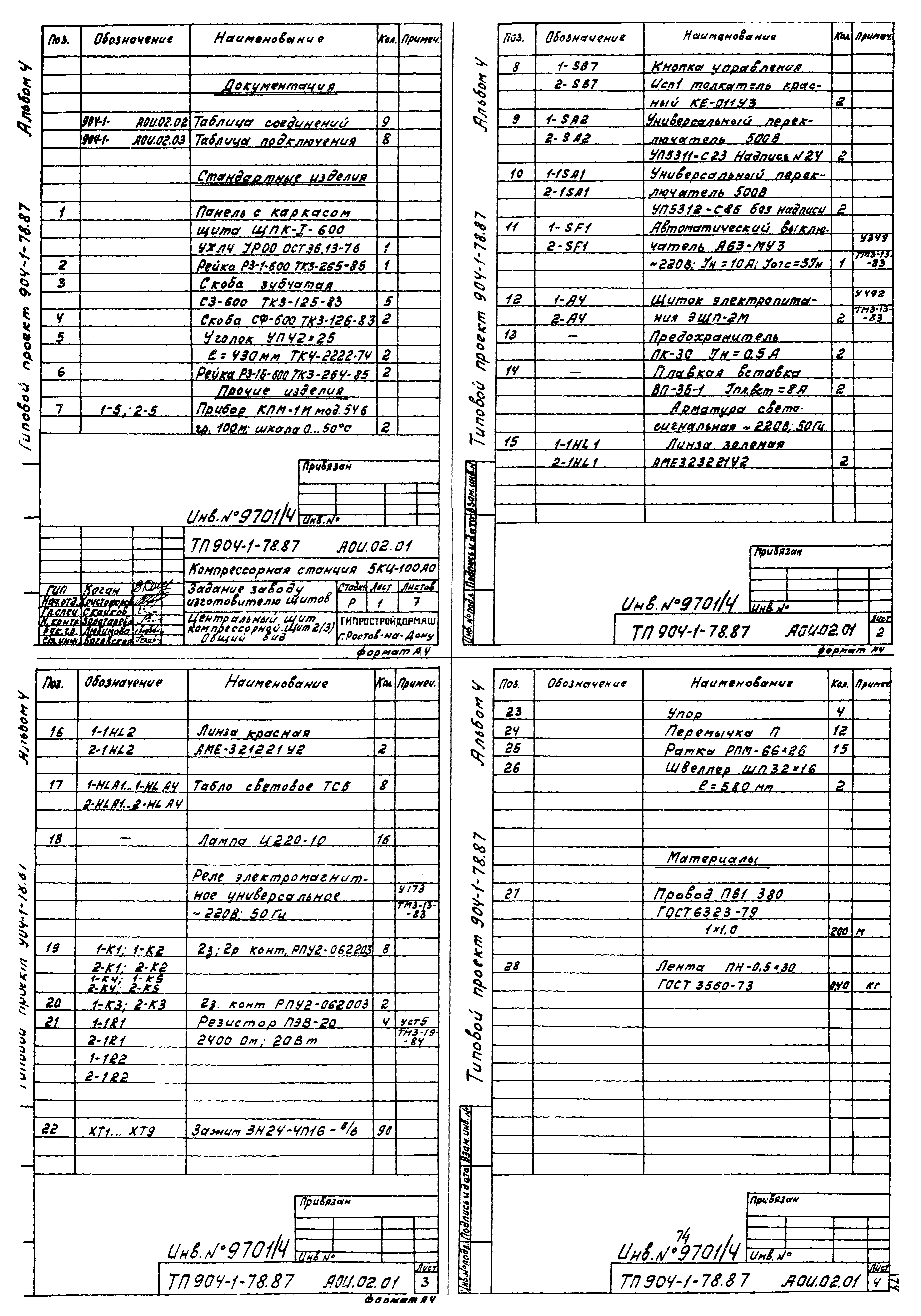
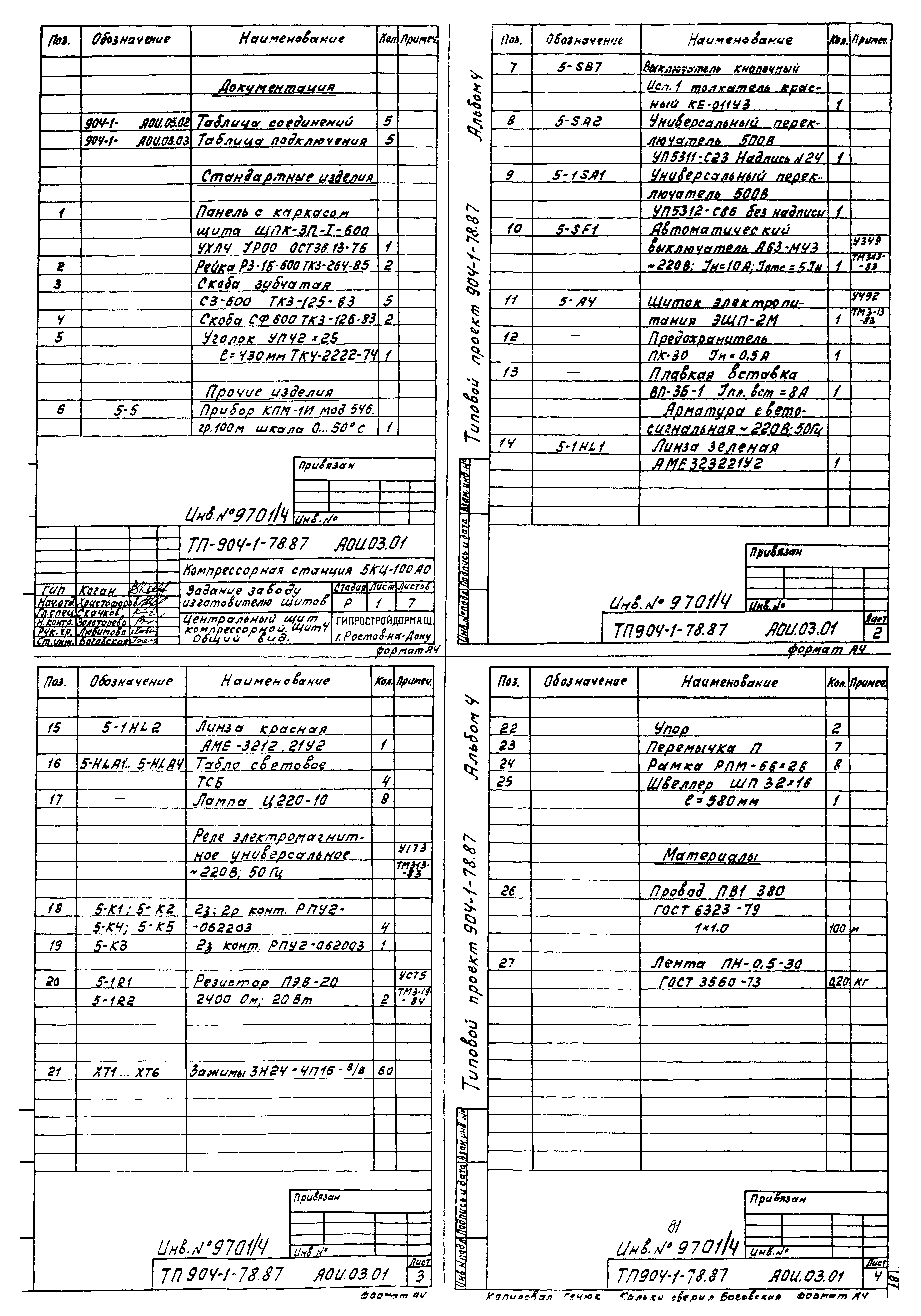
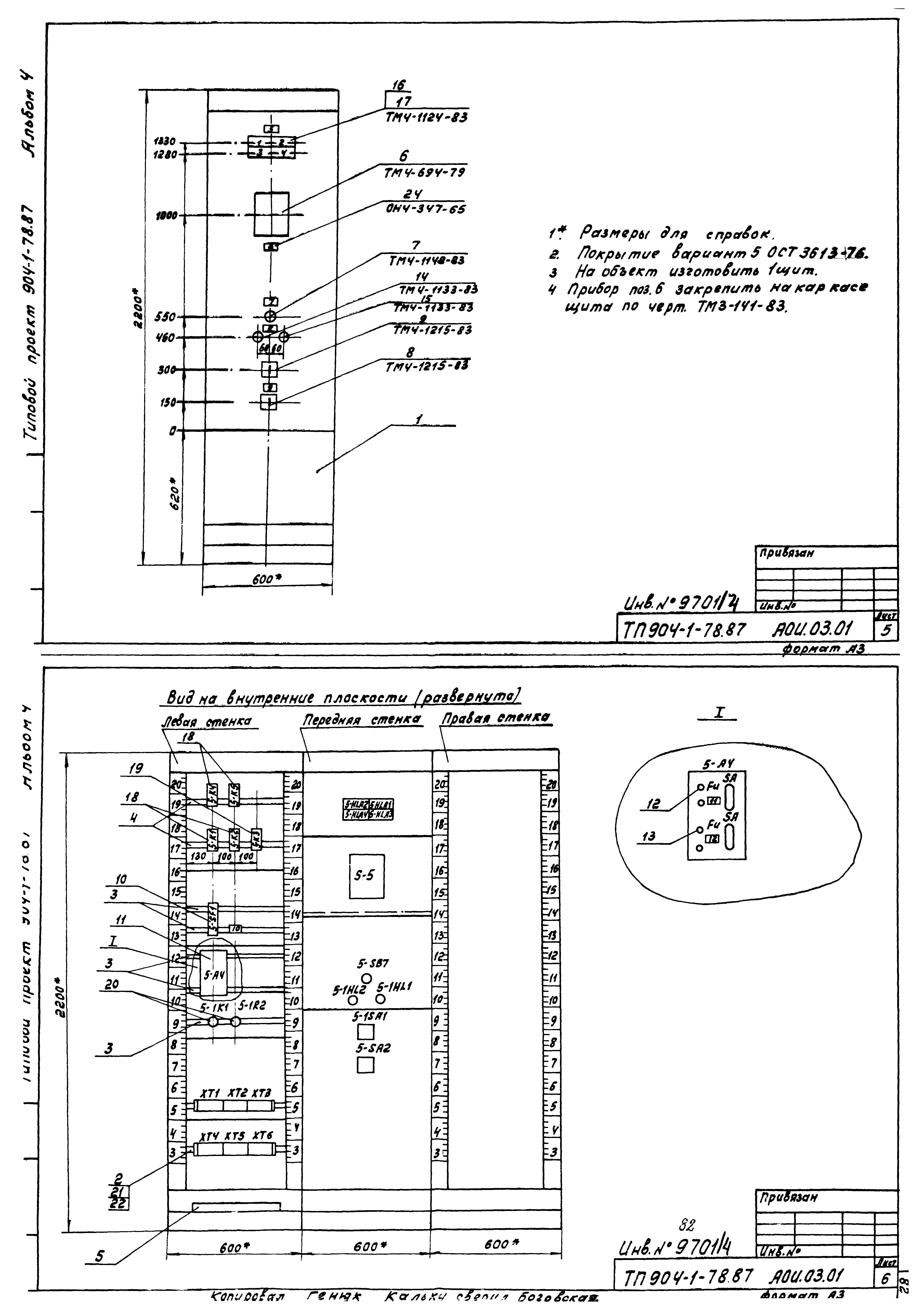
| Оглавление: | ТП 904-1-78.87 Содержание альбома ТП 904-1-78.87-АТХ-1-2 Общие данные ТП 904-1-78.87-АТХ-3-4 Компрессор №1. Схема автоматизации ТП 904-1-78.87-АТХ-5 Компрессор №1. Система водопроводов. Схема автоматизации ТП 904-1-78.87-АТХ-6 Компрессорная станция. Схема автоматизации ТП 904-1-78.87-АТХ-7 Компрессорная станция. Установка осушки №1. Схема автоматизации ТП 904-1-78.87-АТХ-8 Схема электрическая принципиальная измерения ТП 904-1-78.87-АТХ-9 Схема электрическая принципиальная управления вентилями ТП 904-1-78.87-АТХ-10 Схема электрическая принципиальная управления задвижкой на охлаждающей воде ТП 904-1-78.87-АТХ-11 Компрессорная станция. Установка осушки №1,2. Схема электрическая принципиальная управления ТП 904-1-78.87-АТХ-12 Компрессорная станция. Установка осушки №1. Схема электрическая принципиальная управления задвижкой на воздухе ТП 904-1-78.87-АТХ-13 Компрессорная станция. Установка осушки №2. Схема электрическая принципиальная управления задвижкой на воздухе ТП 904-1-78.87-АТХ-14 Схема электрическая принципиальная управления компрессором ВУ-0.6/8, вентилем на сбросе воздуха ТП 904-1-78.87-АТХ-15-16 Схема электрическая принципиальная сигнализации ТП 904-1-78.87-АТХ-17-18 Схема электрическая принципиальная питания ТП 904-1-78.87-АТХ-19-20 Компрессор №1. Схема соединений внешних проводок ТП 904-1-78.87-АТХ-21-22 Компрессорная станция. Компрессор №1. Схема соединений внешних проводок ТП 904-1-78.87-АТХ-23-24 Компрессорная станция. Схема соединений внешних проводок ТП 904-1-78.87-АТХ-25-26 Компрессорная станция. Установка осушки №1. Схема соединений внешних проводок ТП 904-1-78.87-АТХ-27 Схема соединений внешних проводок. Перемычки между щитами ТП 904-1-78.87-АТХ-28-29 Компрессорная станция. Схема подключения внешних проводок ТП 904-1-78.87-АТХ-30 Компрессорная станция. Установка осушки №1. Пульт управления. Схемы подключения ТП 904-1-78.87-АТХ-31 Компрессорная станция. Установка осушки №1. Ящик управления. Ящик регулирования. Схема подключения ТП 904-1-78.87-АТХ-32-33 Компрессорная станция. План расположения средств автоматизации и проводок ТП 904-1-78.87-АТХ-34-25 Компрессор №1. План расположения средств автоматизации и проводок ТП 904-1-78.87-АТХ-36 Установка осушки №1. План расположения средств автоматизации и проводок ТП 904-1-78.87-АТХ-37-40 Журнал кабельных проводок ТП 904-1-78.87-АТХ-41 Журнал импульсных проводок ТП 904-1-78.87-АТХ.01.000 Стенд № 1 ТП 904-1-78.87-АТХ.02.000 Стенд № 2 ТП 904-1-78.87-АТХ.03.000 Стенд № 5 ТП 904-1-78.87-АОВ Компрессорная станция. Сантехнические установки ТП 904-1-78.87-АОВ-1 Общие данные ТП 904-1-78.87-АОВ-2 Отопительный агрегат А1 по оси "8". Схема автоматизации ТП 904-1-78.87-АОВ-3 Отопительный агрегат А1 в осях "2-Б". Схема автоматизации ТП 904-1-78.87-АОВ-4 Отопительный агрегат А1 по оси "8". Схема электрическая принципиальная управления ТП 904-1-78.87-АОВ-5 Отопительный агрегат А1 в осях "2-Б". Схема электрическая принципиальная управления ТП 904-1-78.87-АОВ-6 Вытяжная установка В2. Схема электрическая принципиальная управления ТП 904-1-78.87-АОВ-7-8 Отопительный агрегат А1 по оси "8". Схема соединений внешних проводок ТП 904-1-78.87-АОВ-9 Отопительный агрегат А1 в осях "2-Б". Схема соединений внешних проводок ТП 904-1-78.87-АОВ-10 Вытяжная установка В2. Схема соединений внешних проводок ТП 904-1-78.87-АОВ-11 План расположения средств автоматизации и проводок ТП 904-1-78.87-АОВ-12 Журнал кабельных проводок ТП 904-1-78.87-АОВ.01.000 Стенд №3. Стенд №4 ТП 904-1-78.87-АОИ.00.ДЩ Задание заводу-изготовителю щитов ТП 904-1-78.87-АОИ.00.ДЩ Перечень технической документации ТП 904-1-78.87-АОИ.00.СО2 Компрессорная станция 5КЦ-100АО. Спецификация щитов ТП 904-1-78.87-АОИ.00.01 Центральный щит компрессорной. Общий вид ТП 904-1-78.87-АОИ.01.01 Центральный щит компрессорной. Щит 1. Общий вид ТП 904-1-78.87-АОИ.01.02 Центральный щит компрессорной. Щит 1. Таблица соединений ТП 904-1-78.87-АОИ.01.03 Центральный щит компрессорной. Щит 1. Таблица подключения ТП 904-1-78.87-АОИ.02.01 Центральный щит компрессорной. Щит 2(3). Общий вид ТП 904-1-78.87-АОИ.02.02 Центральный щит компрессорной. Щит 2(3). Таблица соединений ТП 904-1-78.87-АОИ.02.03 Центральный щит компрессорной. Щит 2(3). Таблица подключения ТП 904-1-78.87-АОИ.03.01 Центральный щит компрессорной. Щит 4. Общий вид ТП 904-1-78.87-АОИ.03.02 Центральный щит компрессорной. Щит 4. Таблица соединений ТП 904-1-78.87-АОИ.03.03 Центральный щит компрессорной. Щит 4. Таблица подключения |
| Разработан: | Гипростройдормаш |
| Утверждён: | 11.09.1987 Минстройдормаш (Minstroydormash 518) |






















































































