Скачать Типовой проект 902-2-378.83 Альбом IV. Электротехническая частьДата актуализации: 01.01.2021
|
| Обозначение: | Типовой проект 902-2-378.83 |
| Обозначение англ: | 902-2-378.83 |
| Статус: | действует |
| Название рус.: | Альбом IV. Электротехническая часть |
| Дата добавления в базу: | 01.09.2013 |
| Дата актуализации: | 01.01.2021 |
| Дата введения: | 10.08.1983 |
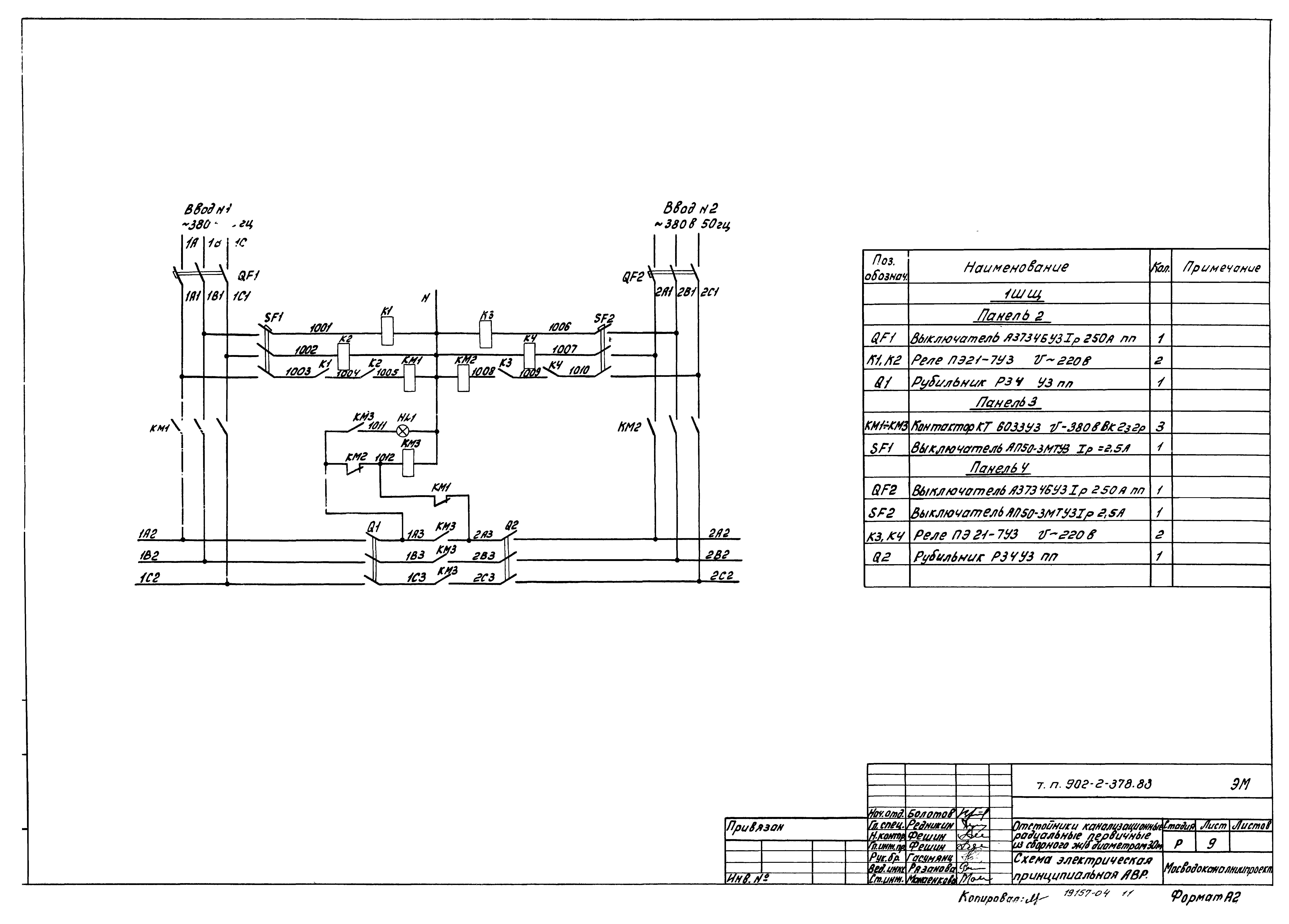
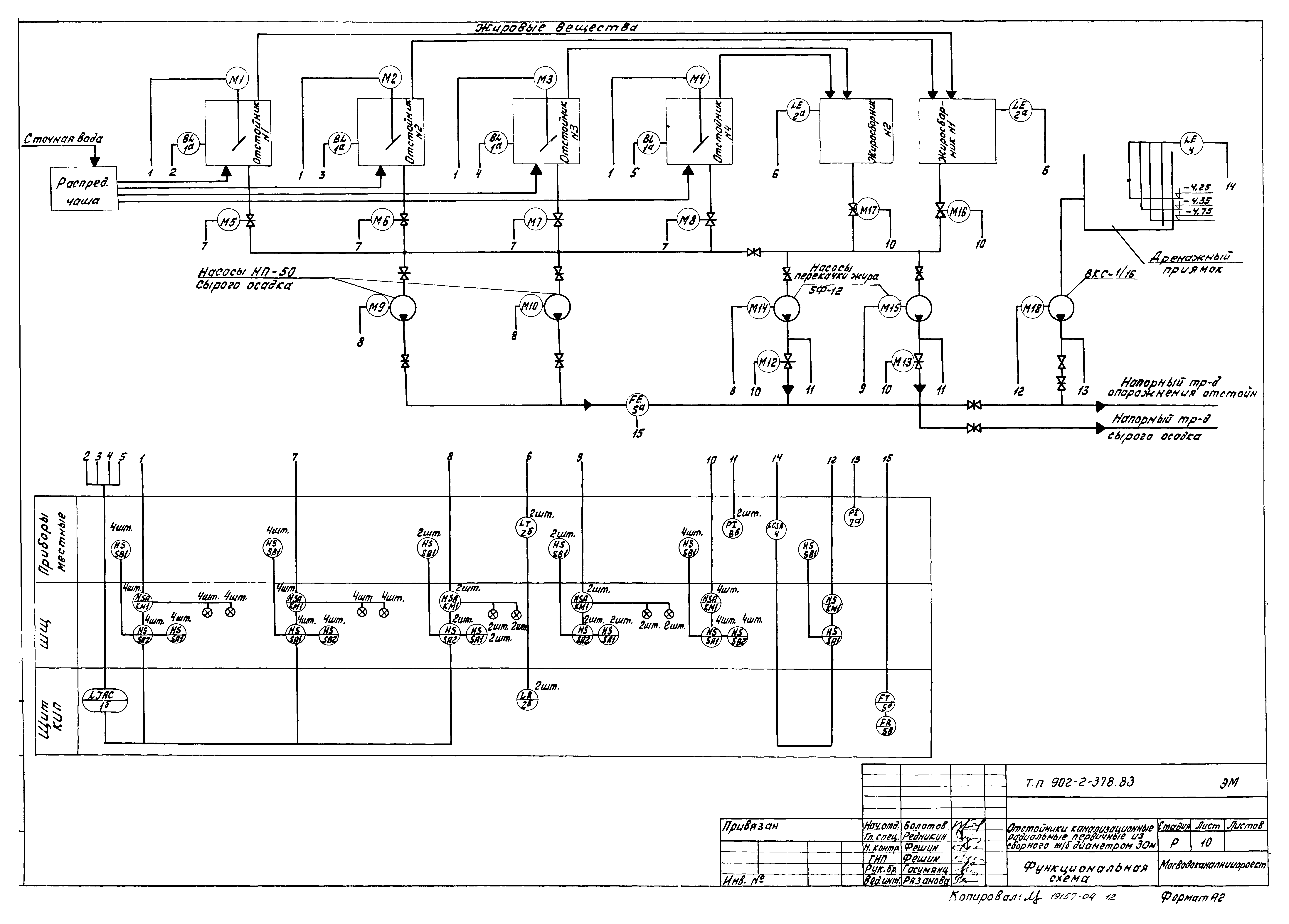
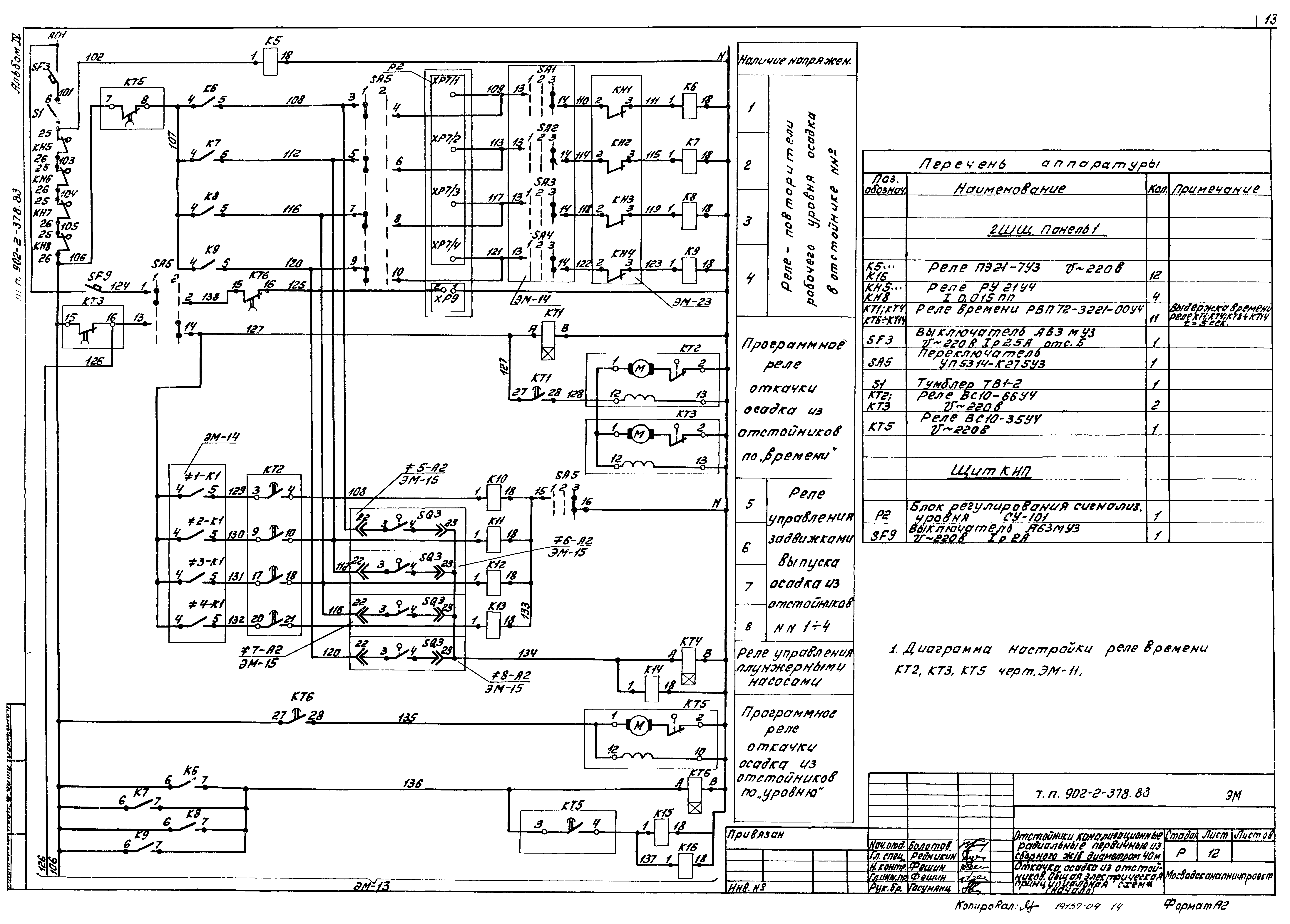
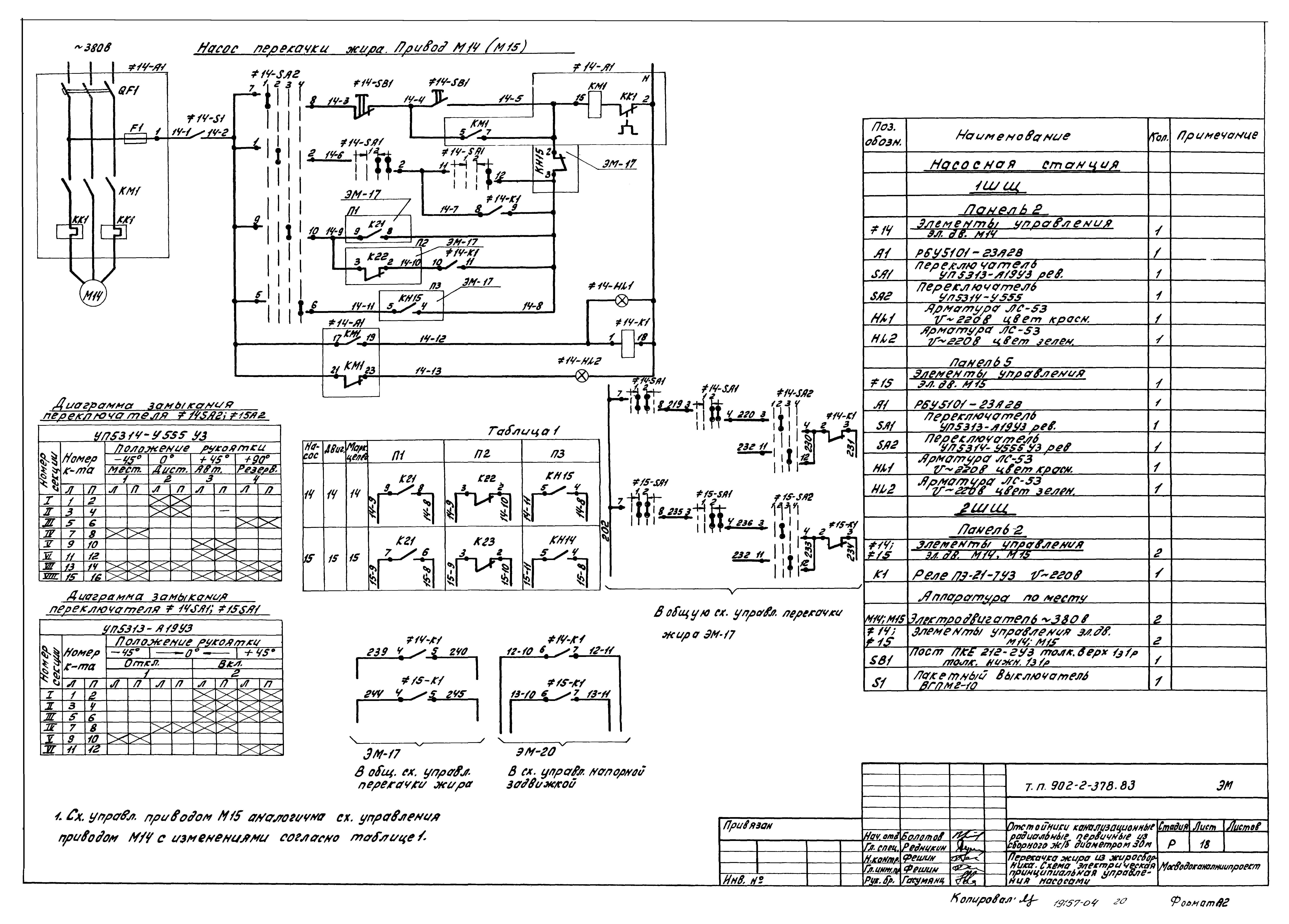
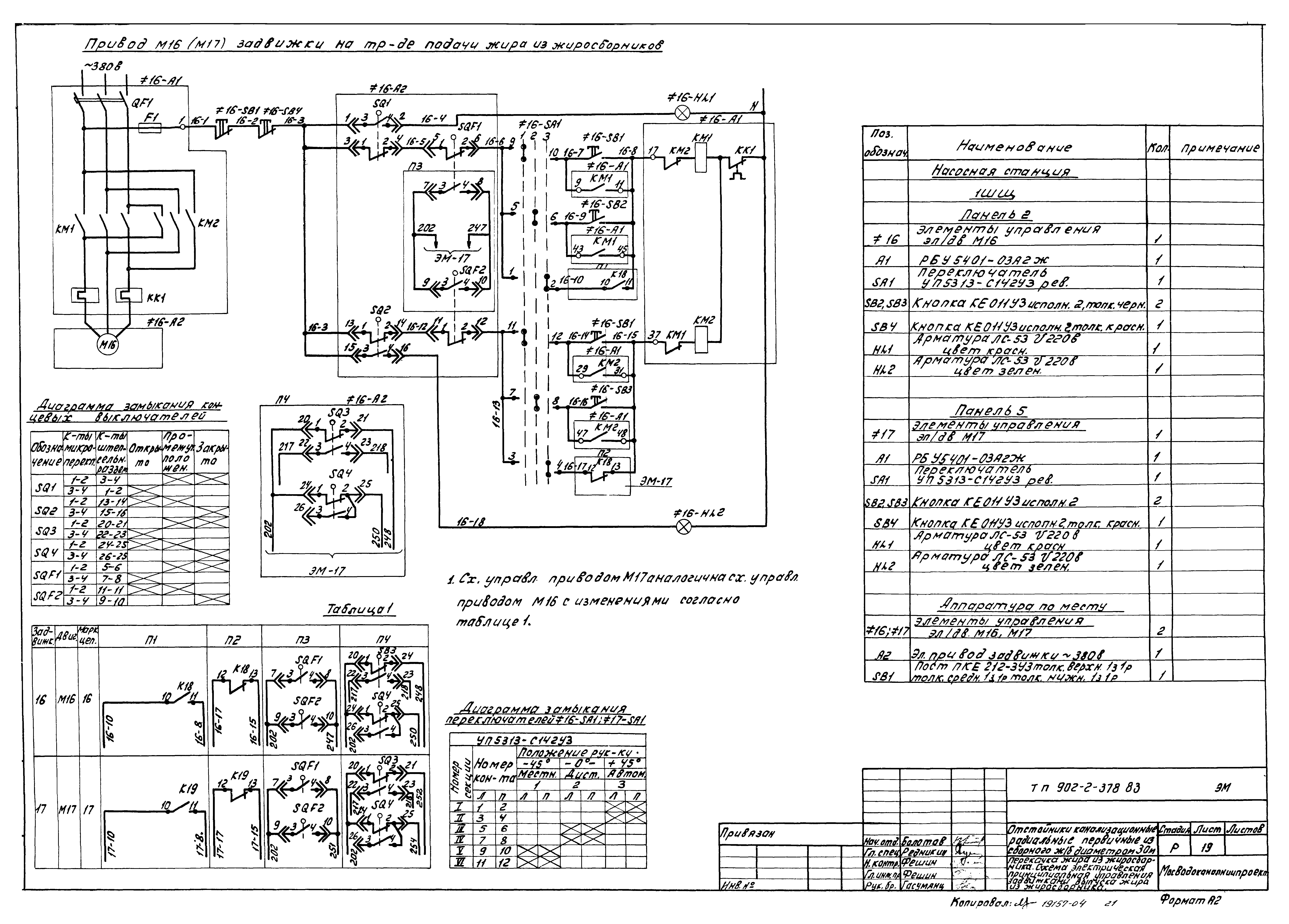
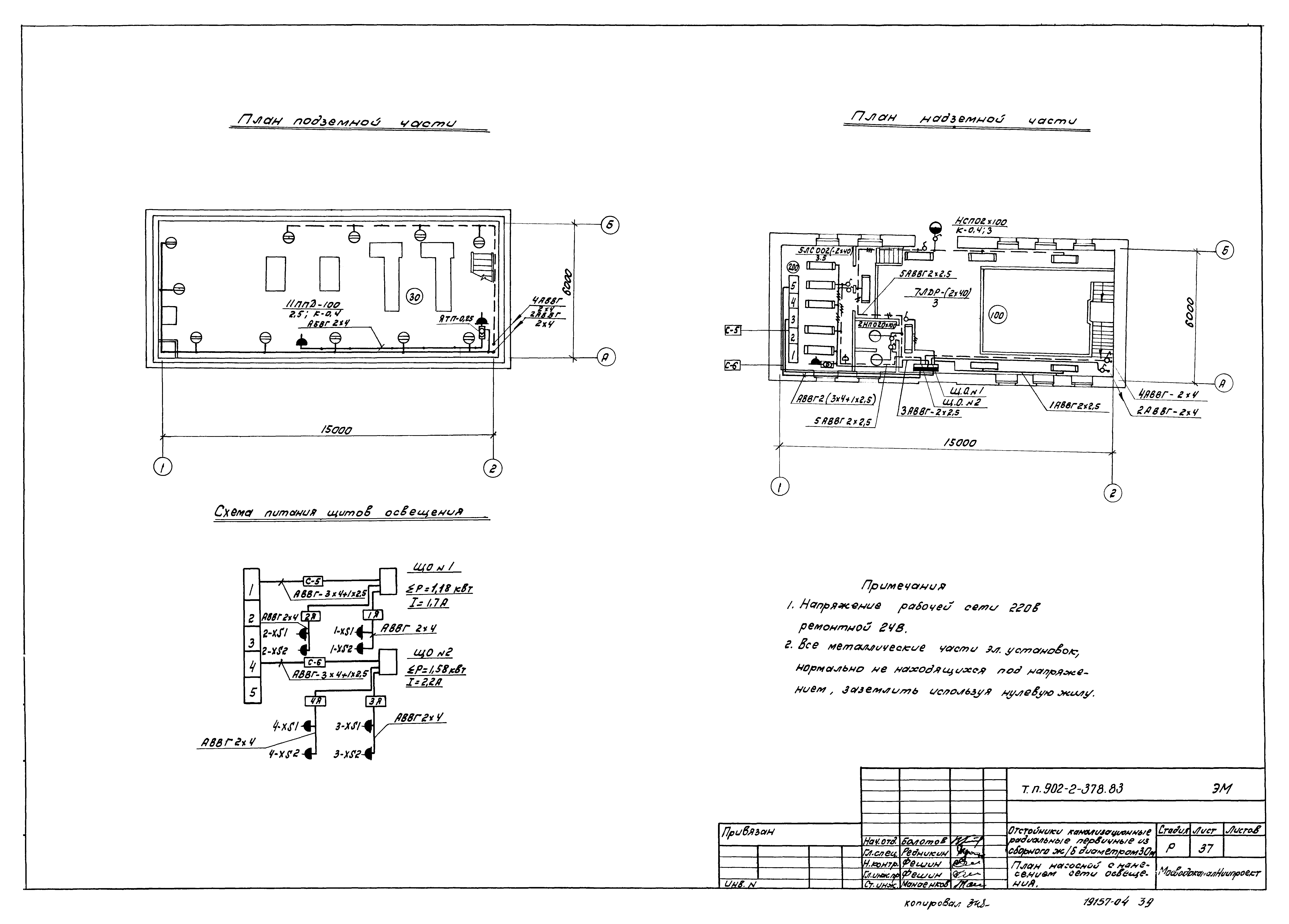
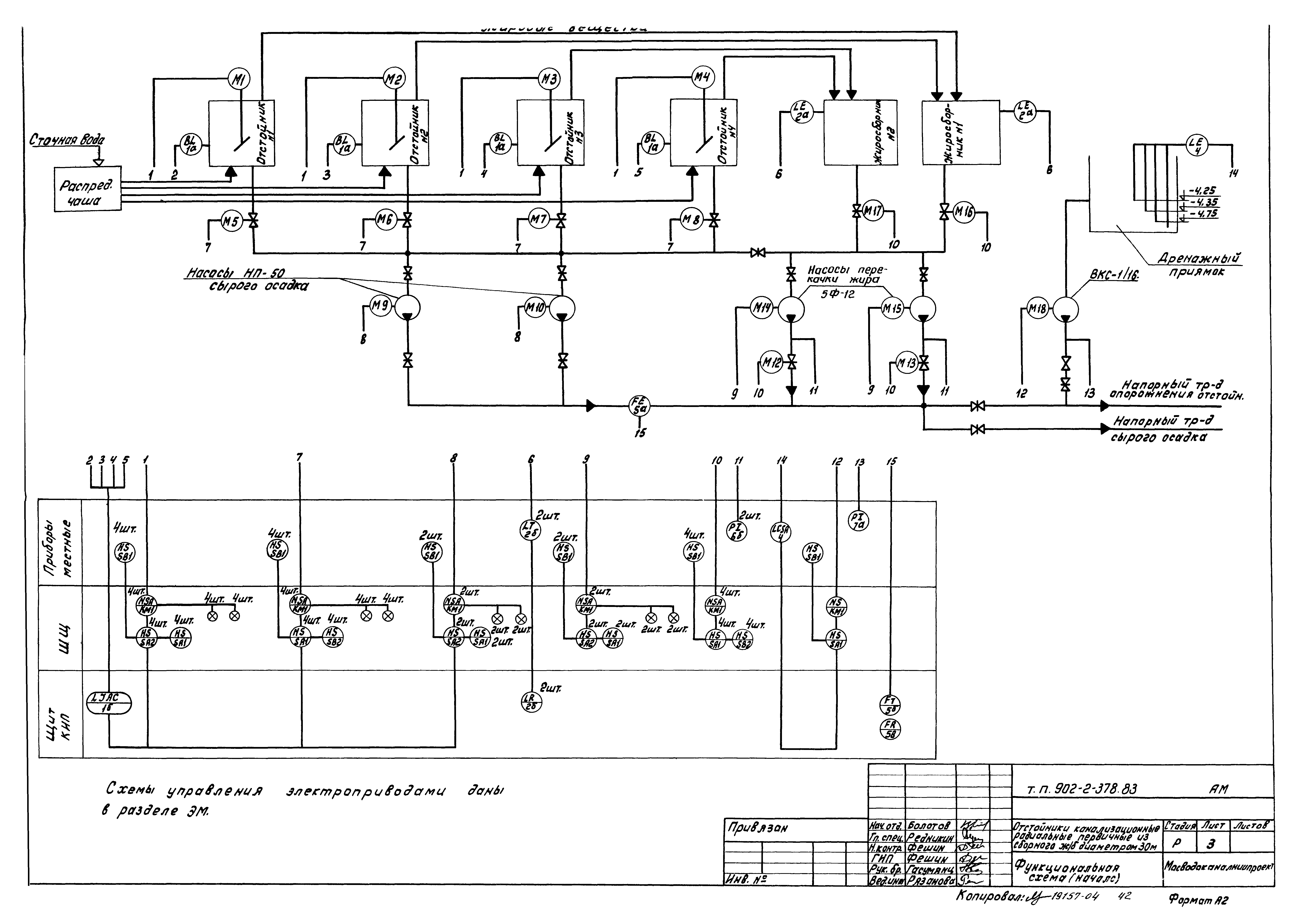
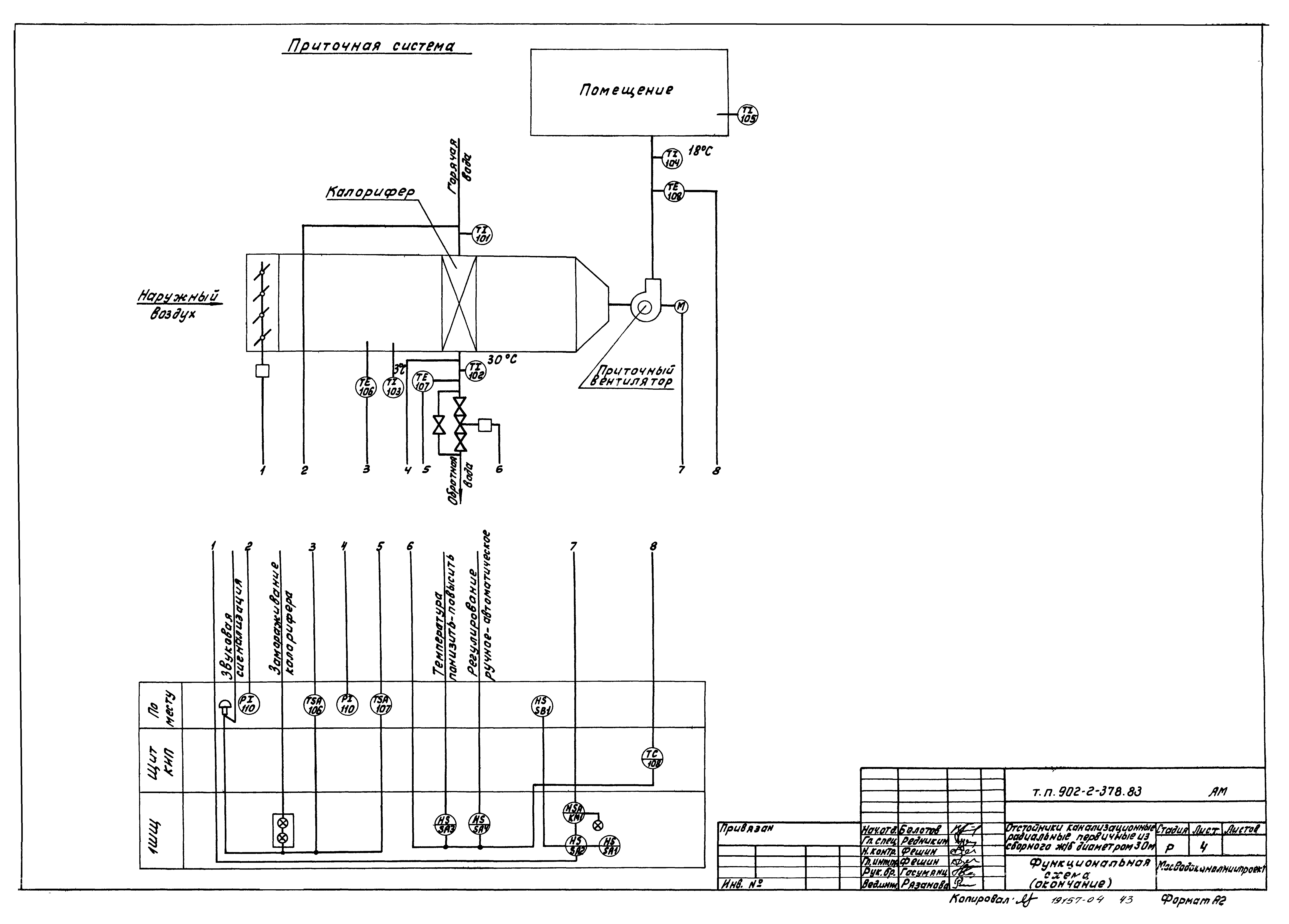
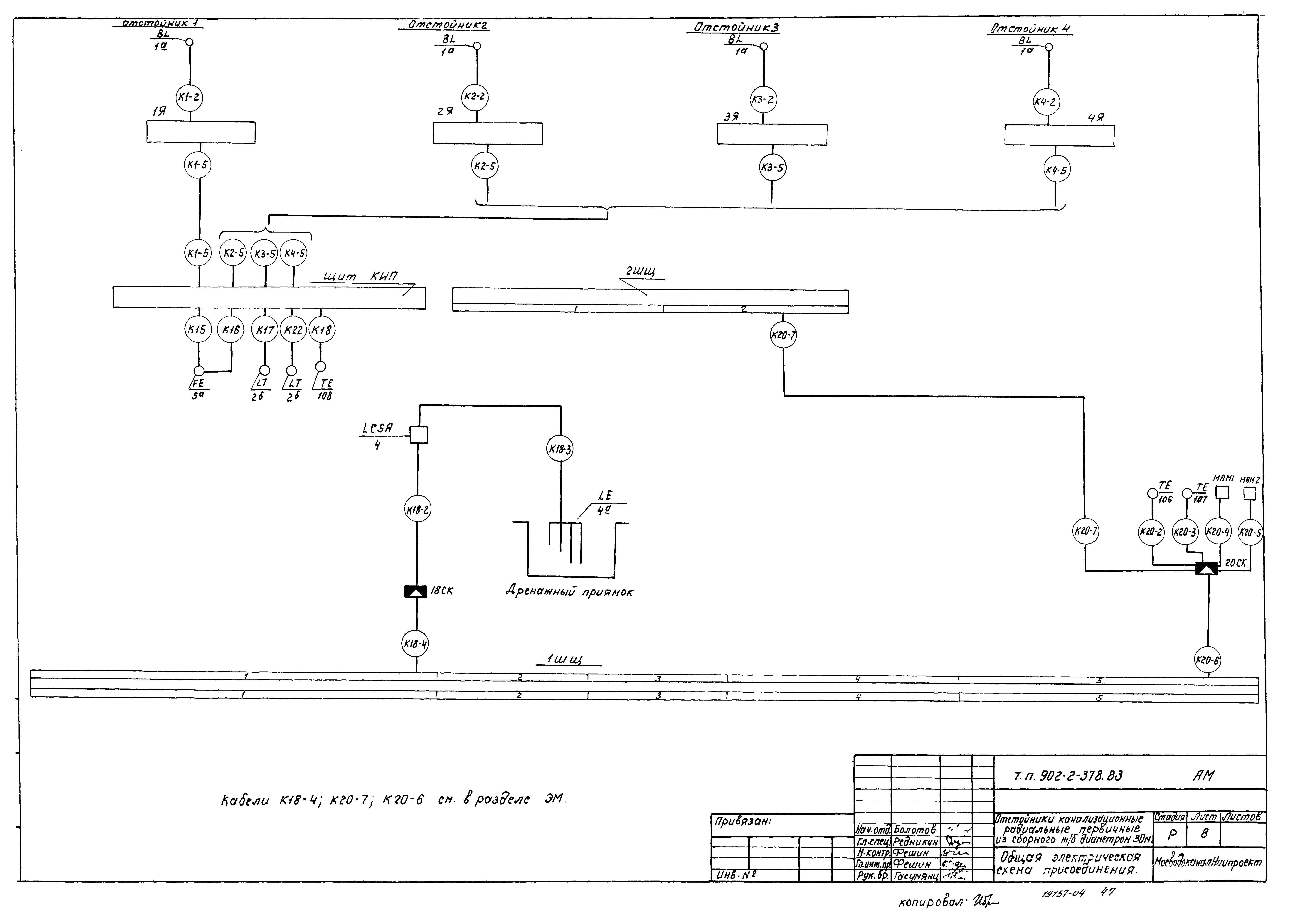
| Оглавление: | ТП 902-2-378.83-ЭМ Чертежи марки ЭМ ТП 902-2-378.83-ЭМ-1 Общие данные (начало) ТП 902-2-378.83-ЭМ-2 Общие данные (продолжение) ТП 902-2-378.83-ЭМ-3 Общие данные (продолжение) ТП 902-2-378.83-ЭМ-4 Общие данные (окончание) ТП 902-2-378.83-ЭМ-5 Ведомость электрооборудования, кабельных изделий и материалов, поставляемых заказчиком. Ведомость объемов электромонтажных работ (начало) ТП 902-2-378.83-ЭМ-6 Ведомость электрооборудования, кабельных изделий и материалов, поставляемых заказчиком. Ведомость объемов электромонтажных работ (окончание) ТП 902-2-378.83-ЭМ-7 Схема электрическая принципиальная распределительной сети 380/220 В (начало) ТП 902-2-378.83-ЭМ-8 Схема электрическая принципиальная распределительной сети 380/220 В (окончание) ТП 902-2-378.83-ЭМ-9 Схема электрическая принципиальная АВР ТП 902-2-378.83-ЭМ-10 Схема функциональная ТП 902-2-378.83-ЭМ-11 Откачка осадка из отстойников. Диаграмма работы механизмов и настройки программных реле времени ТП 902-2-378.83-ЭМ-12 Откачка осадка из отстойников. Общая электрическая принципиальная схема (начало) ТП 902-2-378.83-ЭМ-13 Откачка осадка из отстойников. Общая электрическая принципиальная схема (окончание) ТП 902-2-378.83-ЭМ-14 Откачка осадка из отстойников. Схема электрическая принципиальная управления илоскребами (М1...М4) ТП 902-2-378.83-ЭМ-15 Откачка осадка из отстойников. Схема электрическая принципиальная управления задвижками выпуска осадка из отстойников ТП 902-2-378.83-ЭМ-16 Откачка осадка из отстойников. Схема электрическая принципиальная управления насосами ТП 902-2-378.83-ЭМ-17 Перекачка жира из жиросборников. Общая электрическая принципиальная схема ТП 902-2-378.83-ЭМ-18 Перекачка жира из жиросборников. Схема электрическая принципиальная управления насосами ТП 902-2-378.83-ЭМ-19 Перекачка жира из жиросборников. Схема электрическая принципиальная управления задвижками выпуска жира из жиросборников ТП 902-2-378.83-ЭМ-20 Перекачка жира из жиросборников. Схема электрическая принципиальная управления напорными задвижками насосов перекачки жира ТП 902-2-378.83-ЭМ-21 Схемы электрические принципиальные управления дренажным насосом и вытяжным вентилятором ТП 902-2-378.83-ЭМ-22 Схема электрическая принципиальная аварийной сигнализации (начало) ТП 902-2-378.83-ЭМ-23 Схема электрическая принципиальная аварийной сигнализации (окончание) ТП 902-2-378.83-ЭМ-24 Общая электрическая схема присоединений ТП 902-2-378.83-ЭМ-25 Схема электрических подключений 1ШЩ (начало) ТП 902-2-378.83-ЭМ-26 Схема электрических подключений 1ШЩ (продолжение) ТП 902-2-378.83-ЭМ-27 Схема электрических подключений 1ШЩ (продолжение) ТП 902-2-378.83-ЭМ-28 Схема электрических подключений 1ШЩ (окончание) ТП 902-2-378.83-ЭМ-29 Схема электрических подключений 2ШЩ ТП 902-2-378.83-ЭМ-30 Схема электрических подключений щита КИП и ящиков 1Я...4Я ТП 902-2-378.83-ЭМ-31 Схема электрических подключений аппаратуры, расположенной по месту (начало) ТП 902-2-378.83-ЭМ-32 Схема электрических подключений аппаратуры, расположенной по месту (окончание) ТП 902-2-378.83-ЭМ-33 Кабельный журнал (начало) ТП 902-2-378.83-ЭМ-34 Кабельный журнал (окончание) ТП 902-2-378.83-ЭМ-35 План установки электрооборудование электроаппаратуры и прокладки кабелей (начало) ТП 902-2-378.83-ЭМ-36 План установки электрооборудование электроаппаратуры и прокладки кабелей (окончание) ТП 902-2-378.83-ЭМ-37 План насосной с нанесением сети освещения ТП 902-2-378.83-АМ-1 Общие данные ТП 902-2-378.83-АМ-2 Ведомость электроаппаратуры, кабельных изделий и материалов, поставляемых заказчиком. Ведомость электромонтажных работ ТП 902-2-378.83-АМ-3 Функциональная схема (начало) ТП 902-2-378.83-АМ-4 Функциональная схема (окончание) ТП 902-2-378.83-АМ-5 Приточная система. Схема электрическая принципиальная управления и регулирования (начало) ТП 902-2-378.83-АМ-6 Приточная система. Схема электрическая принципиальная управления и регулирования (окончание) ТП 902-2-378.83-АМ-7 Схема питания. Схема электрическая принципиальная измерения расходов и уровней ТП 902-2-378.83-АМ-8 Общая электрическая схема присоединений ТП 902-2-378.83-АМ-9 Схема электрических подключений (начало) ТП 902-2-378.83-АМ-10 Схема электрических подключений (продолжение) ТП 902-2-378.83-АМ-11 Кабельный журнал. Схема электрических подключений (окончание) ТП 902-2-378.83-АМ-12 План установки электроаппаратуры и прокладки кабелей |
| Разработан: | МосводоканалНИИпроект |
| Утверждён: | 10.08.1983 МосводоканалНИИпроект (192) |



















































