Скачать Типовой проект 902-2-378.83 Альбом V. Задание заводу-изготовителюДата актуализации: 01.01.2021
|
| Обозначение: | Типовой проект 902-2-378.83 |
| Обозначение англ: | 902-2-378.83 |
| Статус: | действует |
| Название рус.: | Альбом V. Задание заводу-изготовителю |
| Дата добавления в базу: | 01.09.2013 |
| Дата актуализации: | 01.01.2021 |
| Дата введения: | 10.08.1983 |
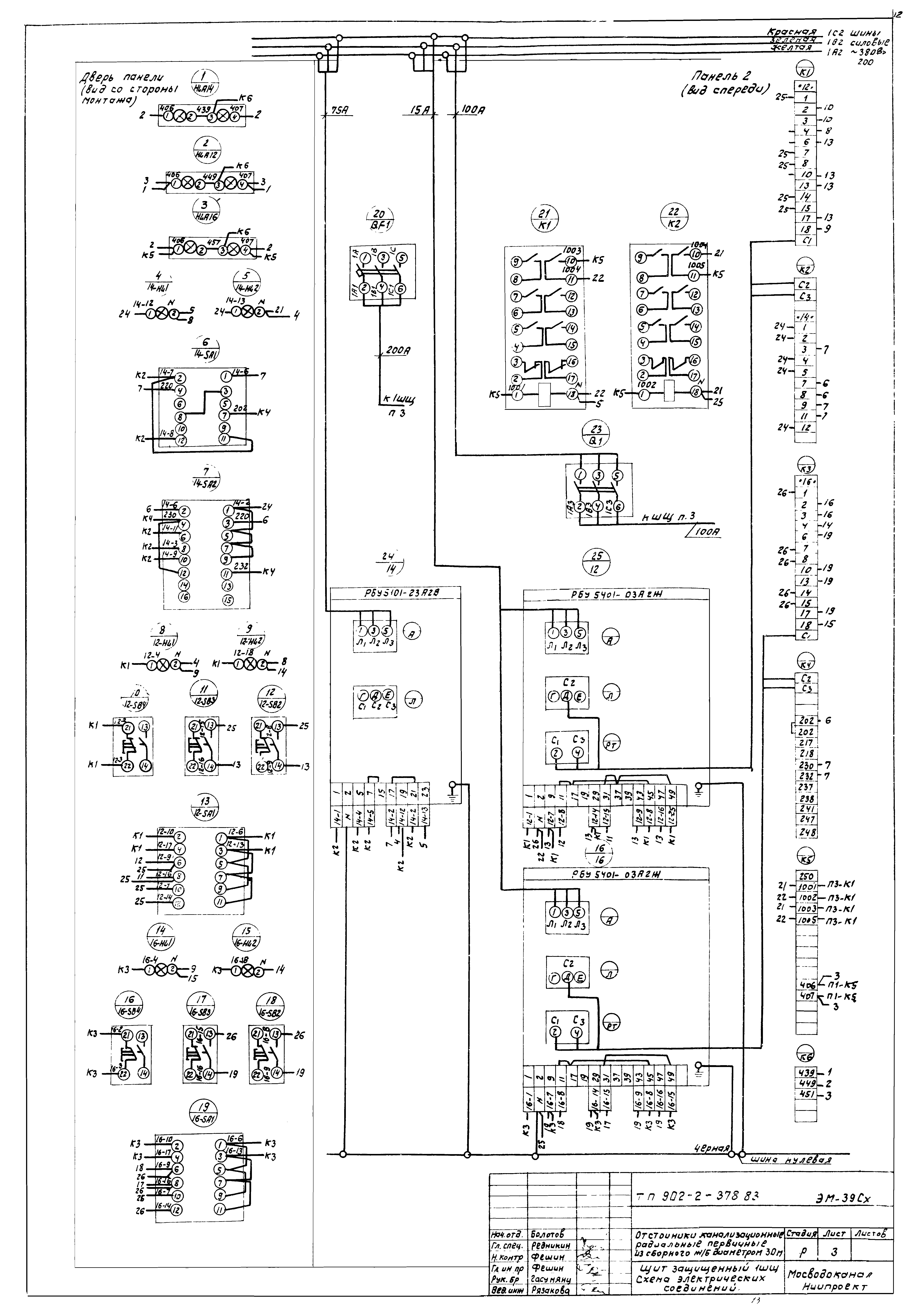
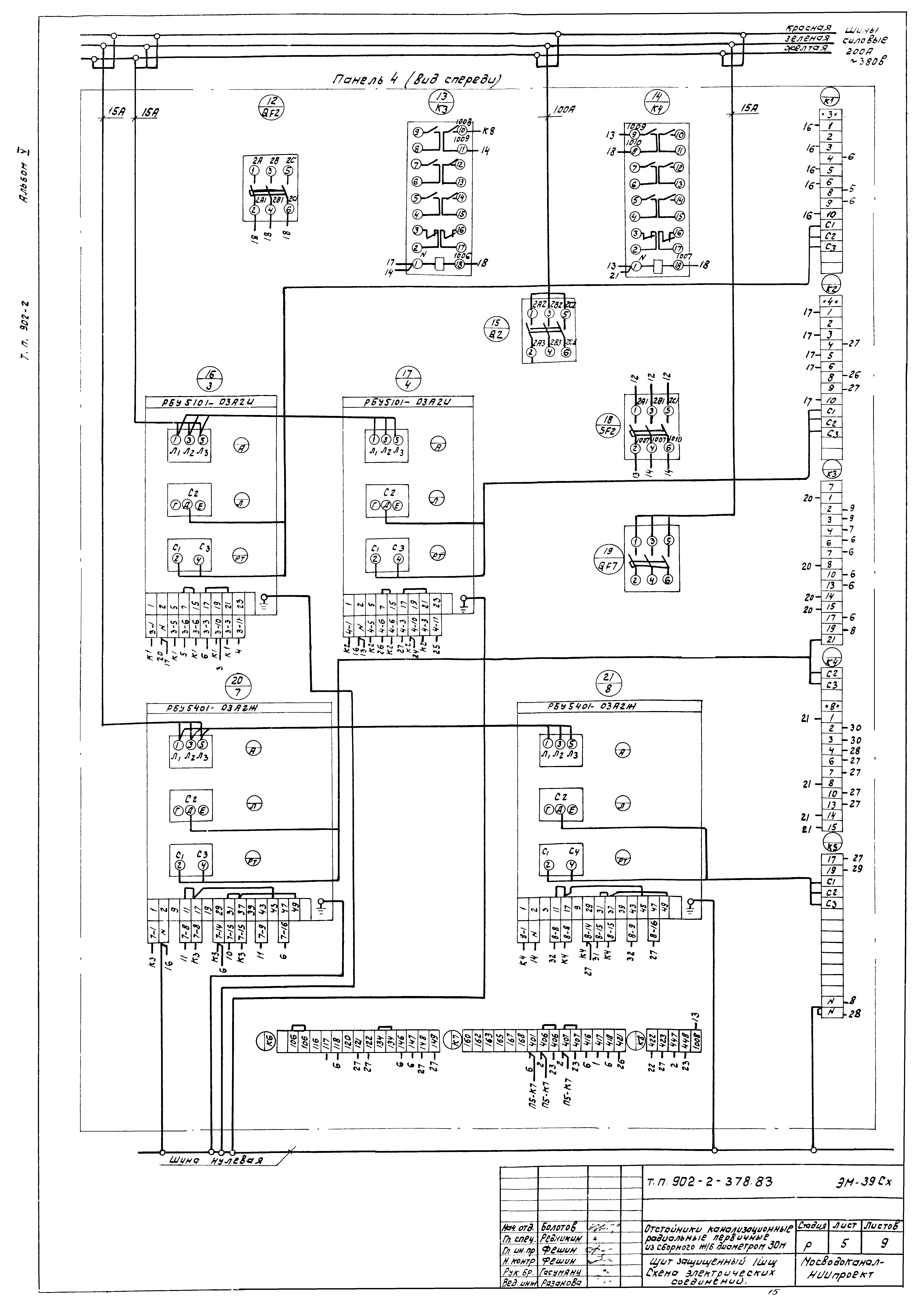
| Оглавление: | ТП 902-2-378.83 Щиты по ОСТ 160.800.485-77 ТП 902-2-378.83-ЭМ-38 Перечень комплектных устройств ТП 902-2-378.83-ЭМ-39 Щит защищенный 1ШЩ. Технические данные аппаратов. Лист 1,2,3 ТП 902-2-378.83-ЭМ-39 Щит защищенный 1ШЩ. Технические данные аппаратов. Лист 4,5,6 ТП 902-2-378.83-ЭМ-39ПН Щит защищенный 1ШЩ. Таблица перечней надписей. Лист 1 ТП 902-2-378.83-ЭМ-39ПН Щит защищенный 1ШЩ. Таблица перечней надписей. Лист 2,3,4,5 ТП 902-2-378.83-ЭМ-39ПН Щит защищенный 1ШЩ. Таблица перечней надписей. Лист 6,7 ТП 902-2-378.83-ЭМ-39ОВ Щит защищенный 1ШЩ. Чертеж общего вида. Лист 2 ТП 902-2-378.83-ЭМ-39ОВ Щит защищенный 1ШЩ. Чертеж общего вида. Лист 1 ТП 902-2-378.83-ЭМ-39ОВ Щит защищенный 1ШЩ. Чертеж общего вида. Лист 3,4 ТП 902-2-378.83-ЭМ-39ОВ Щит защищенный 1ШЩ. Чертеж общего вида. Лист 5,6 ТП 902-2-378.83-ЭМ-39СХ Щит защищенный 1ШЩ. Схема электрических соединений. Лист 1 ТП 902-2-378.83-ЭМ-39СХ Щит защищенный 1ШЩ. Схема электрических соединений. Лист 2 ТП 902-2-378.83-ЭМ-39СХ Щит защищенный 1ШЩ. Схема электрических соединений. Лист 3 ТП 902-2-378.83-ЭМ-39СХ Щит защищенный 1ШЩ. Схема электрических соединений. Лист 4 ТП 902-2-378.83-ЭМ-39СХ Щит защищенный 1ШЩ. Схема электрических соединений. Лист 5 ТП 902-2-378.83-ЭМ-39СХ Щит защищенный 1ШЩ. Схема электрических соединений. Лист 6 ТП 902-2-378.83-ЭМ-39СХ Щит защищенный 1ШЩ. Схема электрических соединений. Лист 7 ТП 902-2-378.83-ЭМ-39СХ Щит защищенный 1ШЩ. Схема электрических соединений. Лист 8 ТП 902-2-378.83-ЭМ-40 Щит защищенный 2ШЩ. Технические данные аппаратов. Лист 1-4 ТП 902-2-378.83-ЭМ-40ПН Щит защищенный 2ШЩ. Таблица перечня надписей. Лист 1-4 ТП 902-2-378.83-ЭМ-40ОВ Щит защищенный 2ШЩ. Чертеж общего вида. Лист 1 ТП 902-2-378.83-ЭМ-40ОВ Щит защищенный 2ШЩ. Чертеж общего вида. Лист 2,3 ТП 902-2-378.83-ЭМ-40СХ Щит защищенный 2ШЩСхема электрических соединений. Лист 1 ТП 902-2-378.83-ЭМ-40СХ Щит защищенный 2ШЩСхема электрических соединений. Лист 3 ТП 902-2-378.83-ЭМ-40СХ Щит защищенный 2ШЩСхема электрических соединений. Лист 2,4 ТП 902-2-378.83-ЭМ-41ТД Ящик 1Я(2Я,3Я,4Я). Технические данные аппаратов. Лист 1,2 ТП 902-2-378.83-ЭМ-41ОВ Ящик 1Я(2Я,3Я,4Я). Чертеж общего вида. Лист 1 ТП 902-2-378.83-ЭМ-41ОВ Ящик 1Я(2Я,3Я,4Я). Чертеж общего вида. Лист 2 ТП 902-2-378.83-ЭМ-41ПН Ящик 1Я(2Я,3Я,4Я). Таблица перечня надписей ТП 902-2-378.83-ЭМ-41СХ Ящик 1Я(2Я,3Я,4Я). Схема электрическая соединений ТП 902-2-378.83-ЭМ-41СХ Ящик 1Я(2Я,3Я,4Я). Схема электрическая соединений. Лист 9 Щиты по ОСТ 36.13-76 ТП 902-2-378.83-АМ-6 Ведомость документов ТП 902-2-378.83-АМ-СО2 Спецификация щитов. Лист 1 ТП 902-2-378.83-АМ-СО2 Спецификация щитов. Лист 2 ТП 902-2-378.83-АМ-8 Щит КИП. Общий вид. Лист 1,2 ТП 902-2-378.83-АМ-8 Щит КИП. Общий вид. Лист 3,4,6 ТП 902-2-378.83-АМ-8 Щит КИП. Общий вид. Лист 5,7,8 ТП 902-2-378.83-АМ-8 Щит КИП. Общий вид. Лист 9-12 ТП 902-2-378.83-АМ-8 Щит КИП. Общий вид. Лист 13,14 |
| Разработан: | МосводоканалНИИпроект |
| Утверждён: | 10.08.1983 МосводоканалНИИпроект (192) |

































