Скачать Нормирование материальных затрат в добыче нефти и газа на месторождениях континентального шельфа. (Сборник методических указаний)

Дата актуализации: 01.01.2021

Нормирование материальных затрат в добыче нефти и газа на месторождениях континентального шельфа. (Сборник методических указаний)

Статус:не действует
Название рус.:Нормирование материальных затрат в добыче нефти и газа на месторождениях континентального шельфа. (Сборник методических указаний)
Дата добавления в базу:01.09.2013
Дата актуализации:01.01.2021
Область применения:В работе рассмотрены методические основы разработки норм расхода и потребности в материально-технических ресурсах в добыче нефти и газа для предприятий по разведке и разработке нефтегазовых ресурсов континентального шельфа.
Оглавление:1 Введение
2 Нормирование расхода насосно-компрессорных труб
3 Обсадные трубы для капитального ремонта скважин
4 Бурильные трубы для капитального ремонта скважин
5 Методика разработки норм расхода тампонажного цемента на капитальный ремонт скважин
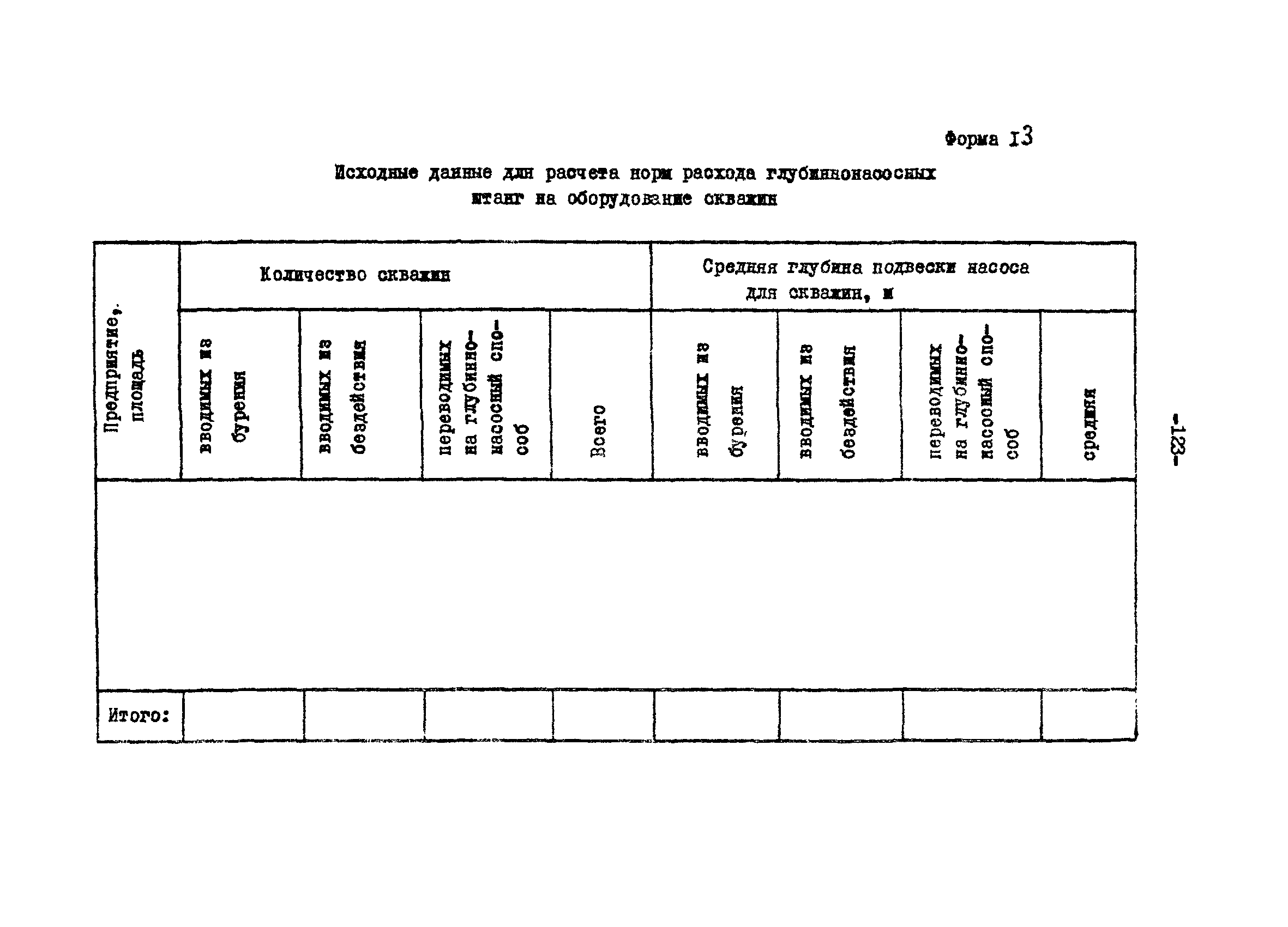
6 Методика разработки норм расхода глубиннонасосных штанг
7 Методика разработки норм расхода расхода глубинных штанговых насосов на оборудование скважин
8 Методика разработки норм расхода клиновых ремней на нужды промыслового оборудования
9 Методика разработки норм расхода буровых рукавов на эксплуатационные нужды промысловов
10 Методика разработки норм расхода стального каната на ремонтные нужды
11 Методика разработки норм расхода нефтепромысловых труб на замену изношенных промысловых трубопроводов
12 Нормирование производственных запасов материальных ресурсов
13 Приложение
14 Список литература
Разработан: ВНИПИморнефтегаз
Утверждён:30.04.1982 Министерство газовой промышленности (Ministry of the Gas Industry )
Нормативные ссылки: