Скачать РД 39-3-884-83 Порядок сбора, реализации, использования и учета вторичного сырья в Министерстве нефтяной промышленностиДата актуализации: 01.01.2021
|
| Обозначение: | РД 39-3-884-83 |
| Обозначение англ: | RD 39-3-884-83 |
| Статус: | не действует |
| Название рус.: | Порядок сбора, реализации, использования и учета вторичного сырья в Министерстве нефтяной промышленности |
| Дата добавления в базу: | 01.09.2013 |
| Дата актуализации: | 01.01.2021 |
| Дата введения: | 01.01.1984 |
| Дата окончания срока действия: | 01.01.1987 |
| Область применения: | Документ устанавливает общие требования к организации сбора, реализации, использованию и учету вторичного сырья в отрасли, образующегося в процессе разведки, строительства скважин, добычи, транспортирования нефти и газа, хранения, выполнения погрузочно-разгрузочных работ, выпуска продукции промышленными предприятиями и выполнения работ по другим видам хозяйственной деятельности. |
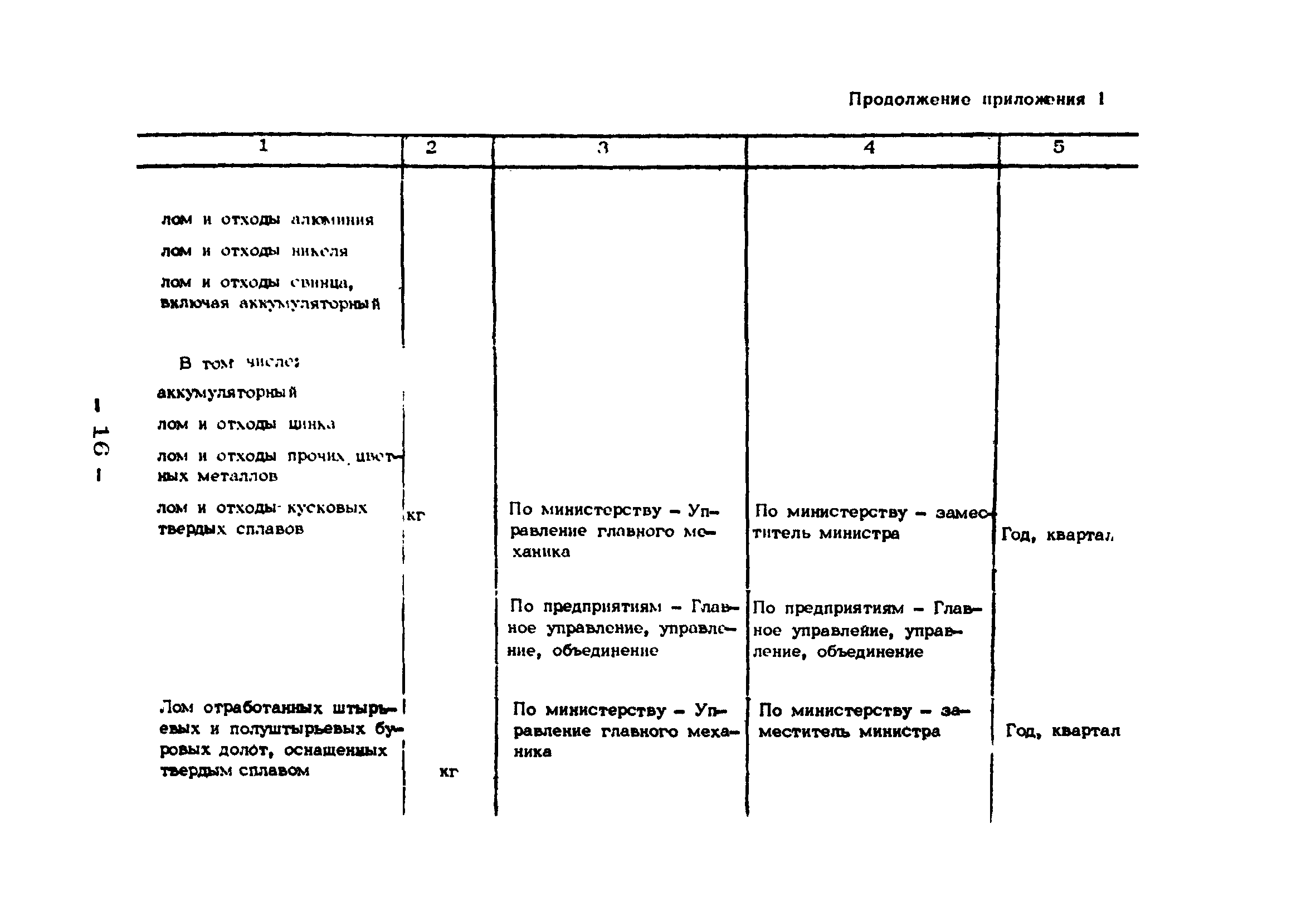
| Оглавление: | 1 Общие положения 2 Выявление ресурсов вторичного сырья 3 Планирование сбора и использования вторичного сырья 4 Сбор и подготовка к реализации и использованию вторичного сырья 5 Реализация вторичного сырья 6 Учет и отчетность о выполнении плана сбора. Использования и реализации вторичного сырья Приложения |
| Разработан: | ВНИИОЭНГ (VNIIOENG ) |
| Утверждён: | 22.04.1983 Министерство нефтяной промышленности СССР (USSR Ministry of the Petroleum Industry ) |




























