Скачать Типовой проект 807-13-5.84 Альбом II. Строительные изделияДата актуализации: 01.01.2021
|
| Обозначение: | Типовой проект 807-13-5.84 |
| Обозначение англ: | 807-13-5.84 |
| Статус: | не определен законодательством |
| Название рус.: | Альбом II. Строительные изделия |
| Дата добавления в базу: | 01.09.2013 |
| Дата актуализации: | 01.01.2021 |
| Дата введения: | 09.04.1984 |
| Дата окончания срока действия: | 30.06.2003 |
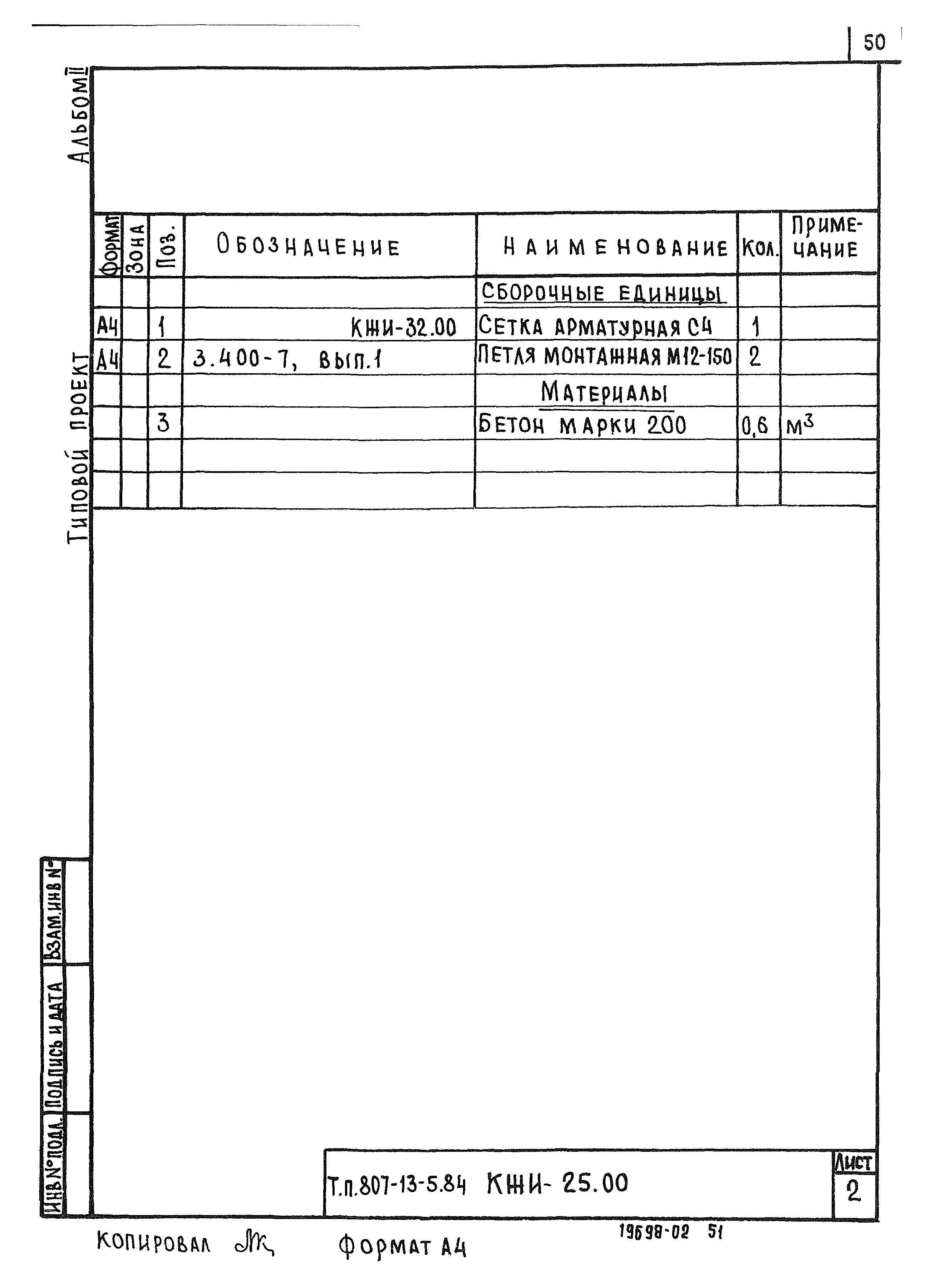
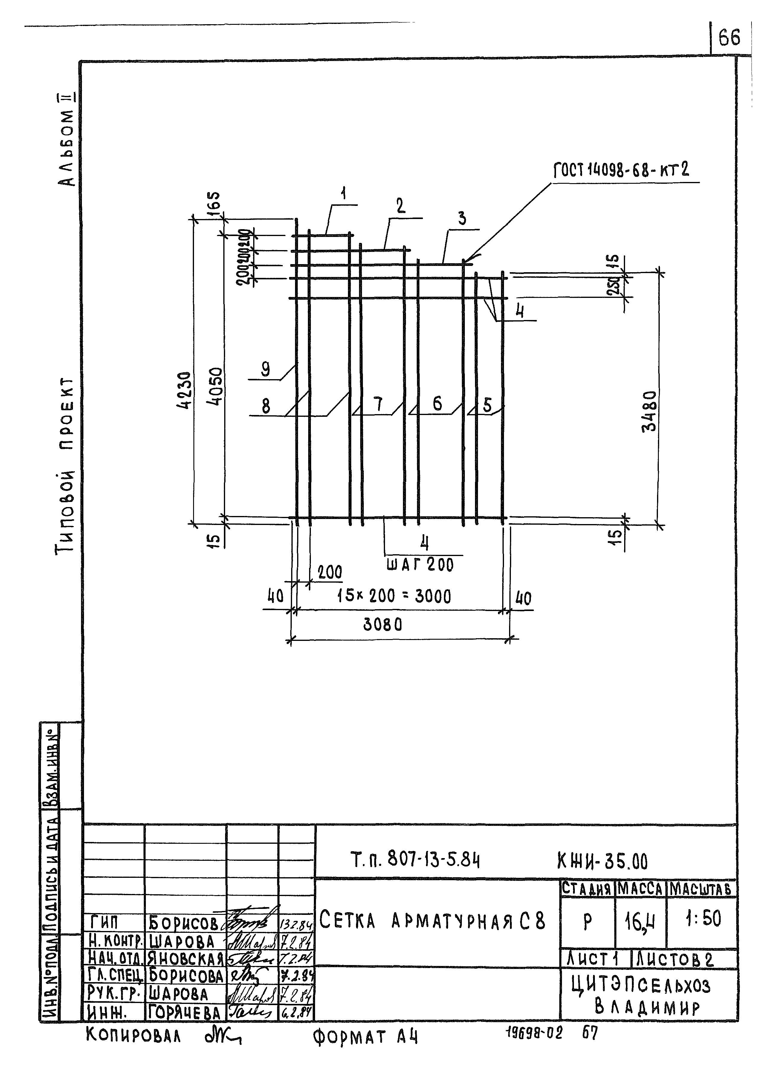
| Оглавление: | ТП 807-13-5.84 Содержание ТП 807-13-5.84 Содержание (продолжение) ТП 807-13-5.84-КЖИ-01.00 СБ Колонна К1. Сборочный чертеж ТП 807-13-5.84-КЖИ-01.00 Колонна К1 ТП 807-13-5.84-КЖИ-02.00 СБ Колонна К2. Сборочный чертеж ТП 807-13-5.84-КЖИ-02.00 Колонна К2 ТП 807-13-5.84-КЖИ-03.00 СБ Колонна К3. Сборочный чертеж ТП 807-13-5.84-КЖИ-03.00 Колонна К3 ТП 807-13-5.84-КЖИ-04.00 СБ Колонна К4. Сборочный чертеж ТП 807-13-5.84-КЖИ-04.00 Колонна К4 ТП 807-13-5.84-КЖИ-05.00 СБ Ферма (ФС1,ФС2). Сборочный чертеж ТП 807-13-5.84-КЖИ-05.00 Ферма (ФС1,ФС2) ТП 807-13-5.84-КЖИ-06.00 СБ Ферма ФС3. Сборочный чертеж ТП 807-13-5.84-КЖИ-06.00 Ферма ФС3 ТП 807-13-5.84-КЖИ-07.00 Плита П1 ТП 807-13-5.84-КЖИ-08.00 Плита П2 ТП 807-13-5.84-КЖИ-09.00 Плита П3 ТП 807-13-5.84-КЖИ-10.00 Плита П4 ТП 807-13-5.84-КЖИ-11.00 СБ Панель ПС4. Сборочный чертеж ТП 807-13-5.84-КЖИ-11.00 Панель ПС4 ТП 807-13-5.84-КЖИ-12.00 СБ Панель ПС5. Сборочный чертеж ТП 807-13-5.84-КЖИ-12.00 Панель ПС5 ТП 807-13-5.84-КЖИ-13.00 СБ Панель ПС6. Сборочный чертеж ТП 807-13-5.84-КЖИ-13.00 Панель ПС6 ТП 807-13-5.84-КЖИ-14.00 СБ Панель ПС9. Сборочный чертеж ТП 807-13-5.84-КЖИ-14.00 Панель ПС9 ТП 807-13-5.84-КЖИ-15.00 СБ Панель ПС10. Сборочный чертеж ТП 807-13-5.84-КЖИ-15.00 Панель ПС10 ТП 807-13-5.84-КЖИ-16.00 СБ Панель ПС14. Сборочный чертеж ТП 807-13-5.84-КЖИ-16.00 Панель ПС14 ТП 807-13-5.84-КЖИ-17.00 СБ Панель ПС15. Сборочный чертеж ТП 807-13-5.84-КЖИ-17.00 Панель ПС15 ТП 807-13-5.84-КЖИ-18.00 СБ Панель ПС16. Сборочный чертеж ТП 807-13-5.84-КЖИ-18.00 Панель ПС16 ТП 807-13-5.84-КЖИ-19.00 СБ Панель ПС17. Сборочный чертеж ТП 807-13-5.84-КЖИ-19.00 Панель ПС17 ТП 807-13-5.84-КЖИ-20.00 СБ Панель ПС18. Сборочный чертеж ТП 807-13-5.84-КЖИ-20.00 Панель ПС18 ТП 807-13-5.84-КЖИ-21.00 СБ Панель ПС19. Сборочный чертеж ТП 807-13-5.84-КЖИ-21.00 Панель ПС19 ТП 807-13-5.84-КЖИ-22.00 СБ Перегородка ПГ6. Сборочный чертеж ТП 807-13-5.84-КЖИ-22.00 Перегородка ПГ6 ТП 807-13-5.84-КЖИ-23.00 СБ Перегородка ПГ7. Сборочный чертеж ТП 807-13-5.84-КЖИ-23.00 Перегородка ПГ7 ТП 807-13-5.84-КЖИ-24.00 СБ Перегородка ПГ8. Сборочный чертеж ТП 807-13-5.84-КЖИ-24.00 Перегородка ПГ8 ТП 807-13-5.84-КЖИ-25.00 СБ Перегородка ПГ9. Сборочный чертеж ТП 807-13-5.84-КЖИ-25.00 Перегородка ПГ9 ТП 807-13-5.84-КЖИ-26.00 СБ Перегородка (ПГ10,ПГ11). Сборочный чертеж ТП 807-13-5.84-КЖИ-26.00 Перегородка (ПГ10,ПГ11) ТП 807-13-5.84-КЖИ-27.00 СБ Перегородка ПГ12. Сборочный чертеж ТП 807-13-5.84-КЖИ-27.00 Перегородка ПГ12 ТП 807-13-5.84-КЖИ-28.00 СБ Перегородка ПГ13. Сборочный чертеж ТП 807-13-5.84-КЖИ-28.00 Перегородка ПГ13 ТП 807-13-5.84-КЖИ-29.00 Сетка арматурная С1 ТП 807-13-5.84-КЖИ-30.00 Сетка арматурная С2 ТП 807-13-5.84-КЖИ-31.00 Сетка арматурная С3 ТП 807-13-5.84-КЖИ-32.00 Сетка арматурная С4 ТП 807-13-5.84-КЖИ-33.00 Сетка арматурная (С5,С6) ТП 807-13-5.84-КЖИ-34.00 Сетка арматурная С7 ТП 807-13-5.84-КЖИ-35.00 Сетка арматурная С8 ТП 807-13-5.84-КЖИ-36.00 Изделие соединительное МС1 ТП 807-13-5.84-КЖИ-37.00 Изделие соединительное МС2 ТП 807-13-5.84-КЖИ-38.00 Изделие соединительное (МС3,МС4) ТП 807-13-5.84-КЖИ-39.00 Изделие закладное МН3 |
| Разработан: | ЦИТЭПсельхозпром |
| Утверждён: | 31.01.1984 Минсельхоз СССР (USSR Minselkhoz 5-ЭГ) |







































































