Скачать Типовой проект 807-13-5.84 Альбом III. Нетиповые технологические конструкции, инвентарьДата актуализации: 01.01.2021
|
| Обозначение: | Типовой проект 807-13-5.84 |
| Обозначение англ: | 807-13-5.84 |
| Статус: | не определен законодательством |
| Название рус.: | Альбом III. Нетиповые технологические конструкции, инвентарь |
| Дата добавления в базу: | 01.09.2013 |
| Дата актуализации: | 01.01.2021 |
| Дата введения: | 09.04.1984 |
| Дата окончания срока действия: | 30.06.2003 |
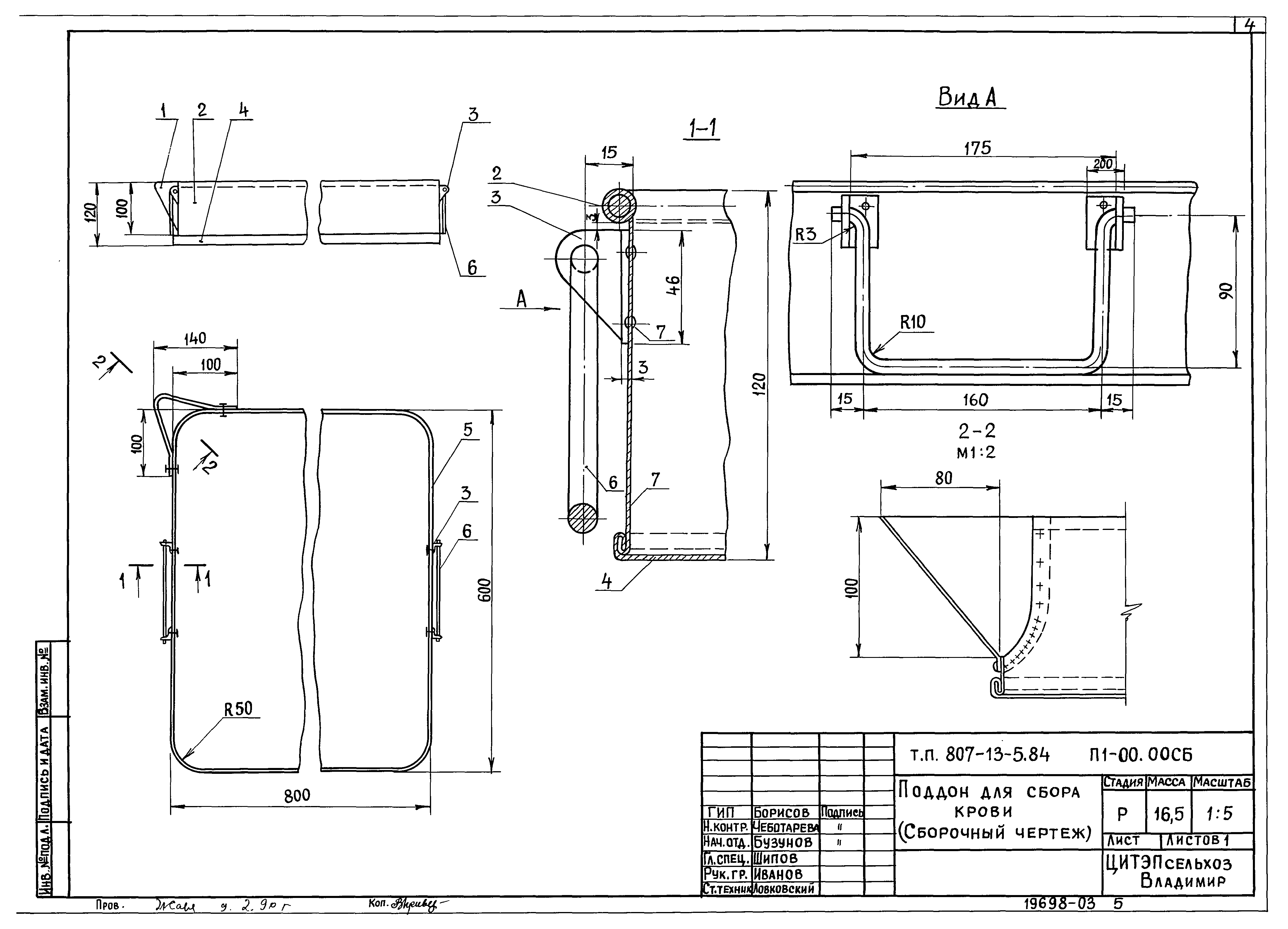
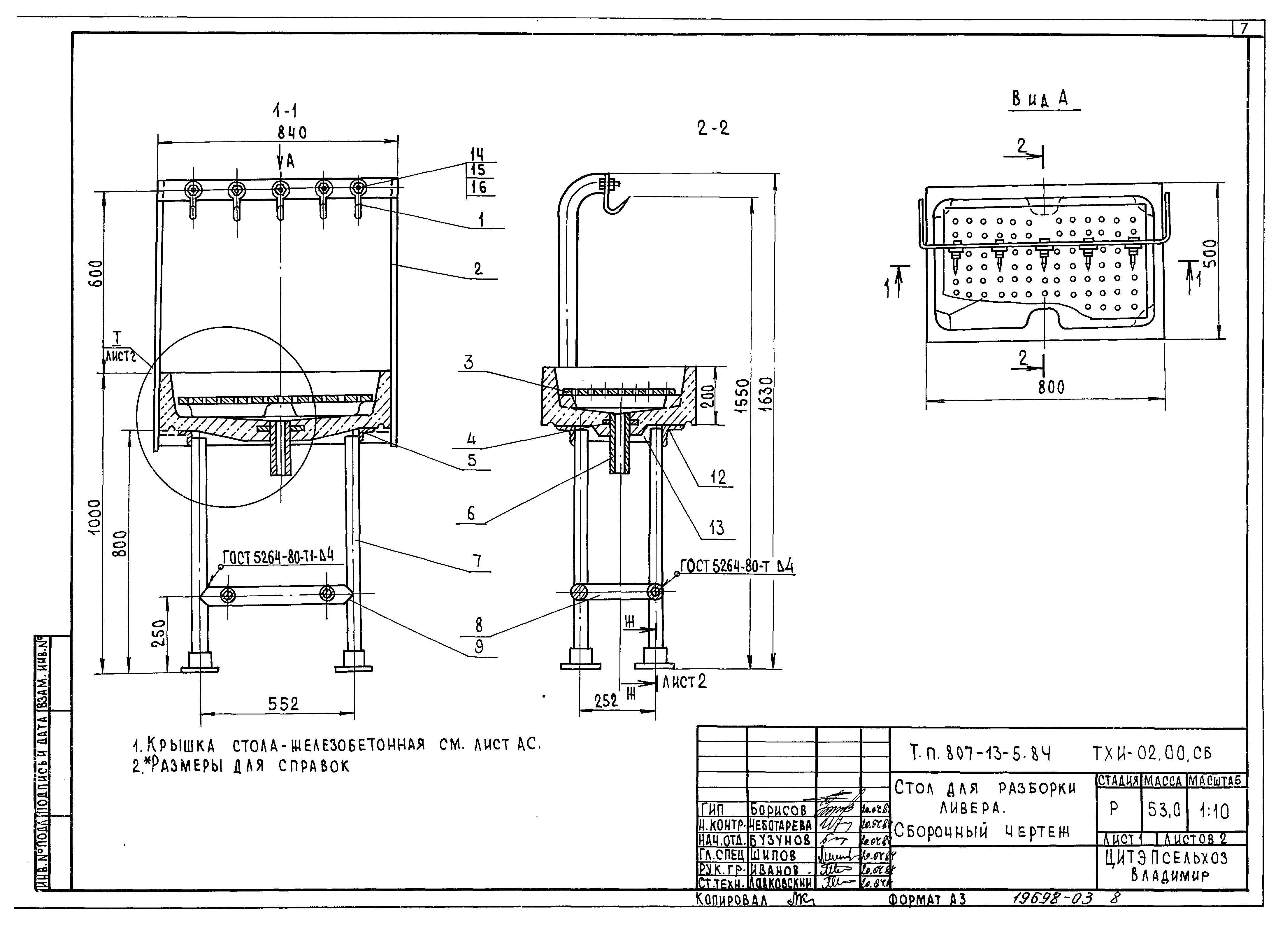
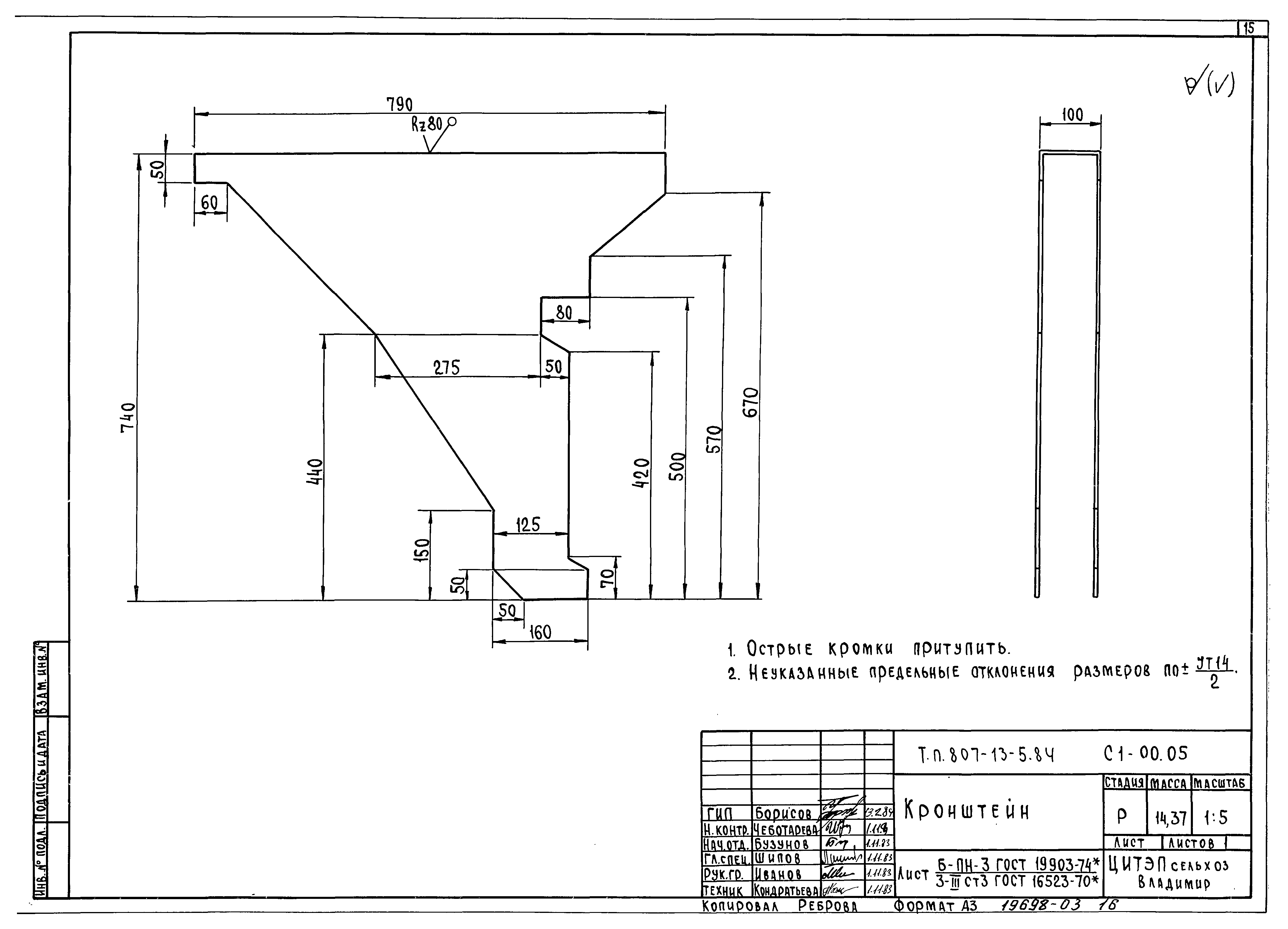
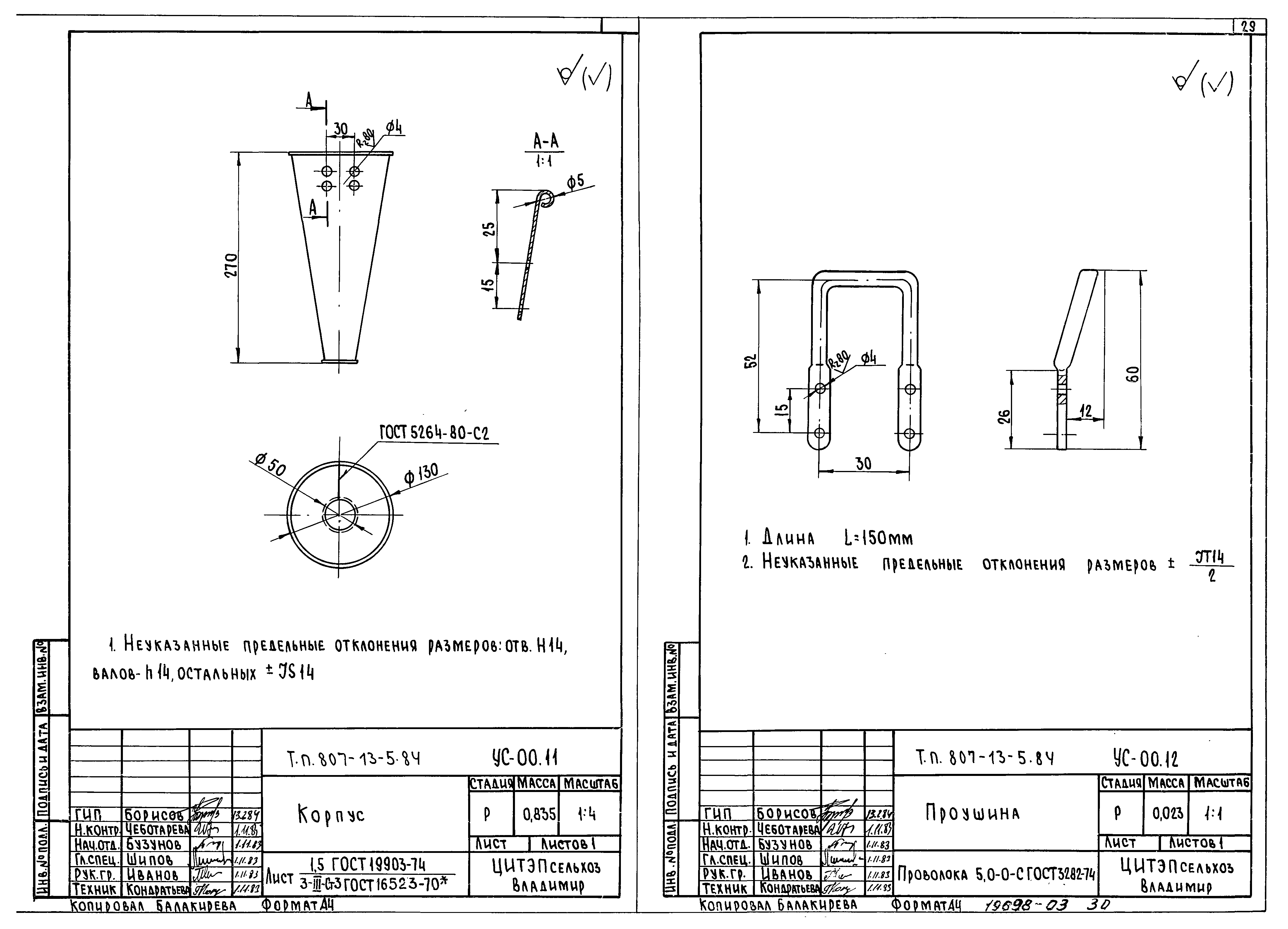
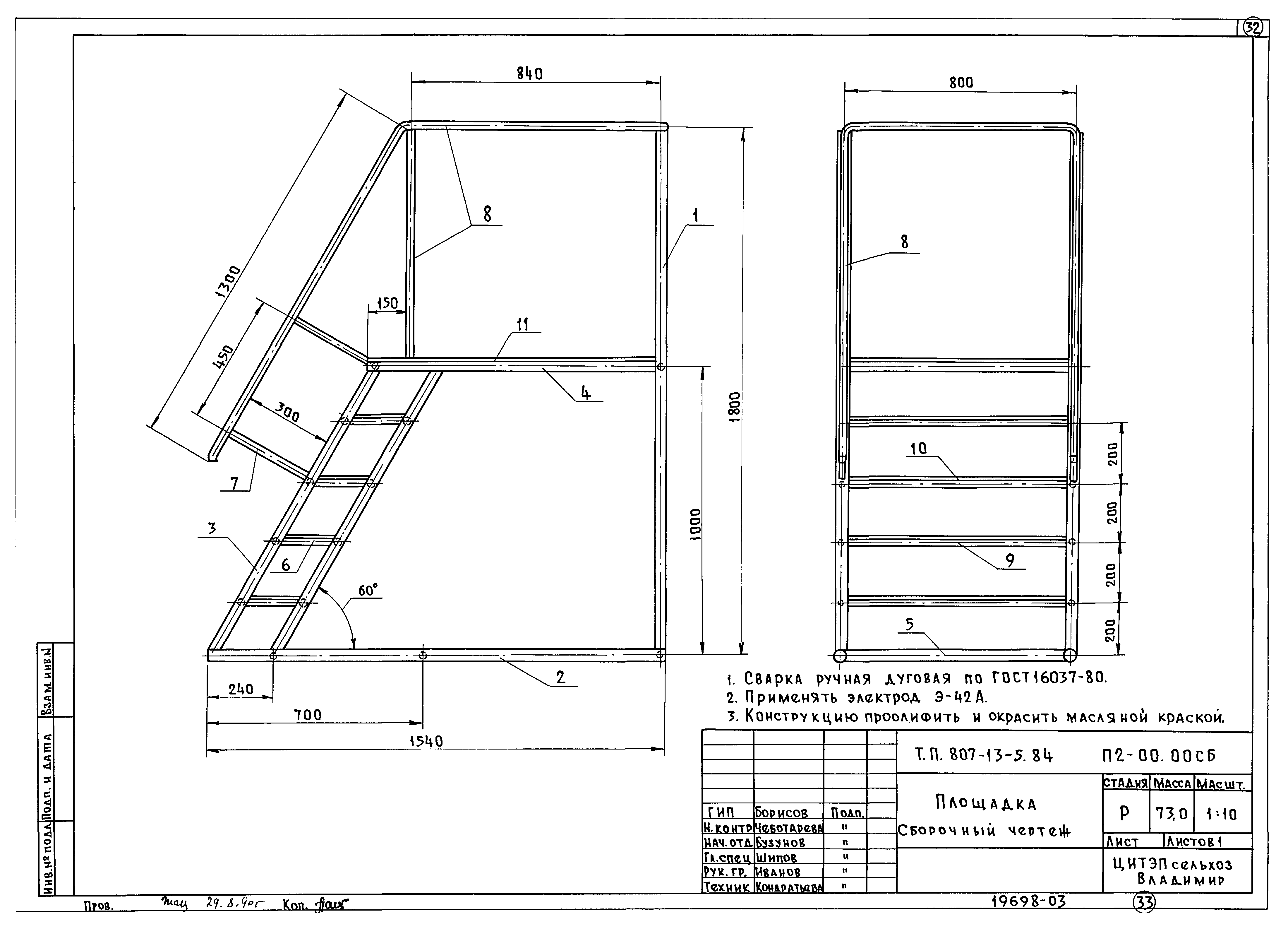
| Оглавление: | ТП 807-13-5.84 Содержание альбома ТП 807-13-5.84-П1-00.00 Поддон для сбора кровли ТП 807-13-5.84-П1-00.00 СБ Поддон для сбора кровли. Сборочный чертеж ТП 807-13-5.84-П1-00.01 Течка ТП 807-13-5.84-П1-00.03 Кронштейн ТП 807-13-5.84-П1-02.00 Стол для разборки ливера ТП 807-13-5.84-П1-02.00 СБ Стол для разборки ливера. Сборочный чертеж ТП 807-13-5.84-П1-02.01 Крюк ТП 807-13-5.84-П1-02.02 Скоба ТП 807-13-5.84-П1-02.03 Решетка ТП 807-13-5.84-П1-02.04 Фланец ТП 807-13-5.84-С1-00.00 Стойка для крепления пилы ТП 807-13-5.84-С1-00.00 СБ Стойка для крепления пилы. Сборочный чертеж ТП 807-13-5.84-С1-00.03 Плита ТП 807-13-5.84-С1-00.04 Косынка ТП 807-13-5.84-С1-00.05 Кронштейн ТП 807-13-5.84-С1-00.06 Косынка ТП 807-13-5.84-С1-00.07 Пята ТП 807-13-5.84-С1-00.08 Ролик ТП 807-13-5.84-С1-00.09 Стойка ТП 807-13-5.84-С1-00.12 Втулка ТП 807-13-5.84-С2-00.00 Стеллаж для посола шкур ТП 807-13-5.84-С2-00.00 СБ Стеллаж для посола шкур. Сборочный чертеж ТП 807-13-5.84-Л-00.00 Ларь для соли ТП 807-13-5.84-Л-00.00 СБ Ларь для соли. Сборочный чертеж ТП 807-13-5.84-К-00.00 Колода для мездрения шкур ТП 807-13-5.84-К-00.00 СБ Колода для мездрения шкур. Сборочный чертеж ТП 807-13-5.84-К-00.01 Стяжка ТП 807-13-5.84-К-00.02 Перемычка ТП 807-13-5.84-К-00.03 Стойка ТП 807-13-5.84-К-00.04 Настил ТП 807-13-5.84-УС-00.00 Передвижной убойный станок для птицы ТП 807-13-5.84-УС-00.10 Конус ТП 807-13-5.84-УС-00.20 Лоток съемный ТП 807-13-5.84-УС-00.00 СБ Передвижной убойный станок для птицы. Сборочный чертеж ТП 807-13-5.84-УС-00.10 СБ Конус ТП 807-13-5.84-УС-00.20 СБ Лоток съемный. Сборочный чертеж ТП 807-13-5.84-УС-00.05 Крюк ТП 807-13-5.84-УС-00.07 Фиксирующая рамка ТП 807-13-5.84-УС-00.11 Корпус ТП 807-13-5.84-УС-00.12 Проушина ТП 807-13-5.84-УС-00.23 Дно ТП 807-13-5.84-УС-00.24 Стенка боковая ТП 807-13-5.84-УС-00.25 Стенка боковая ТП 807-13-5.84-П2-00.00 Площадка ТП 807-13-5.84-П2-00.00 СБ Площадка. Сборочный чертеж |
| Разработан: | ЦИТЭПсельхозпром |
| Утверждён: | 31.01.1984 Минсельхоз СССР (USSR Minselkhoz 5-ЭГ) |
































