Скачать Каталог условных знаков для маркшейдерских планов разрабатываемых месторождений нефти и газа масштабов: 1:10000, 1:5000, 1:2000, 1:1000, 1:500Дата актуализации: 01.01.2021
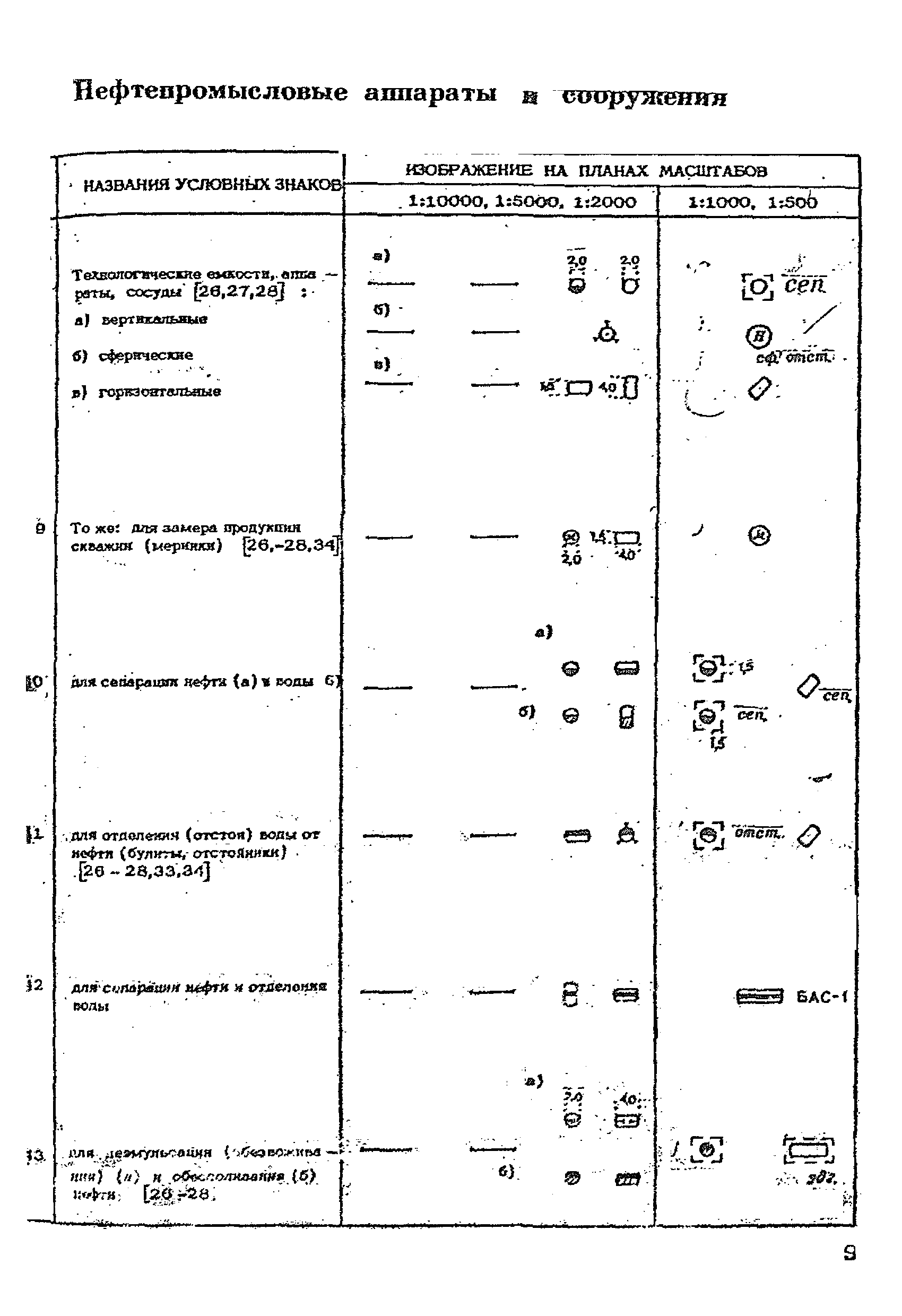
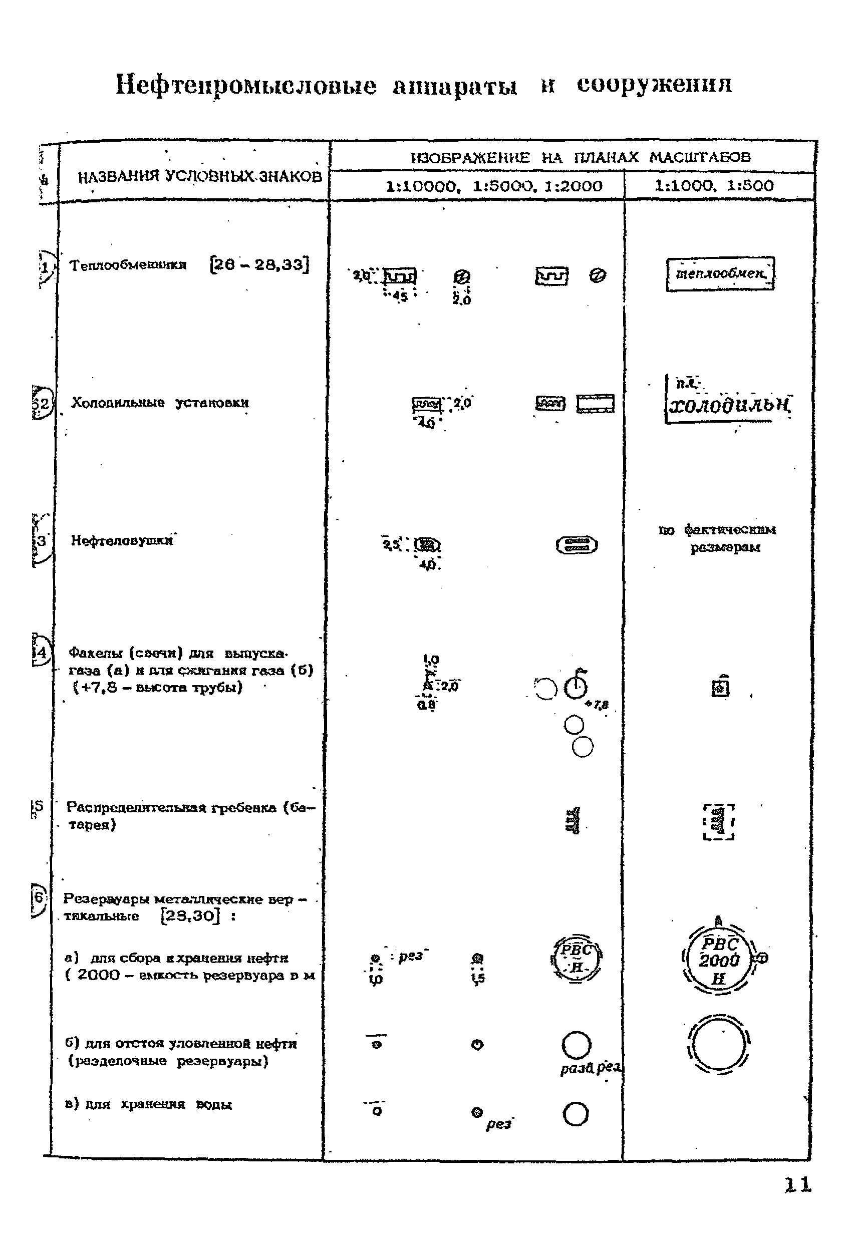
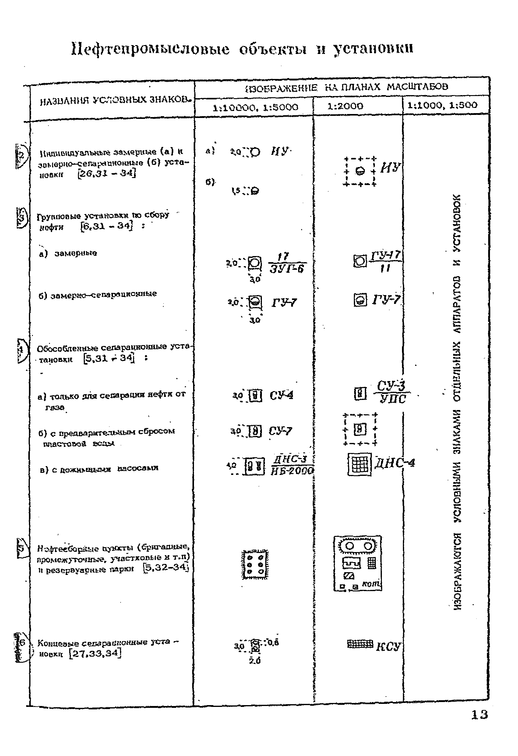
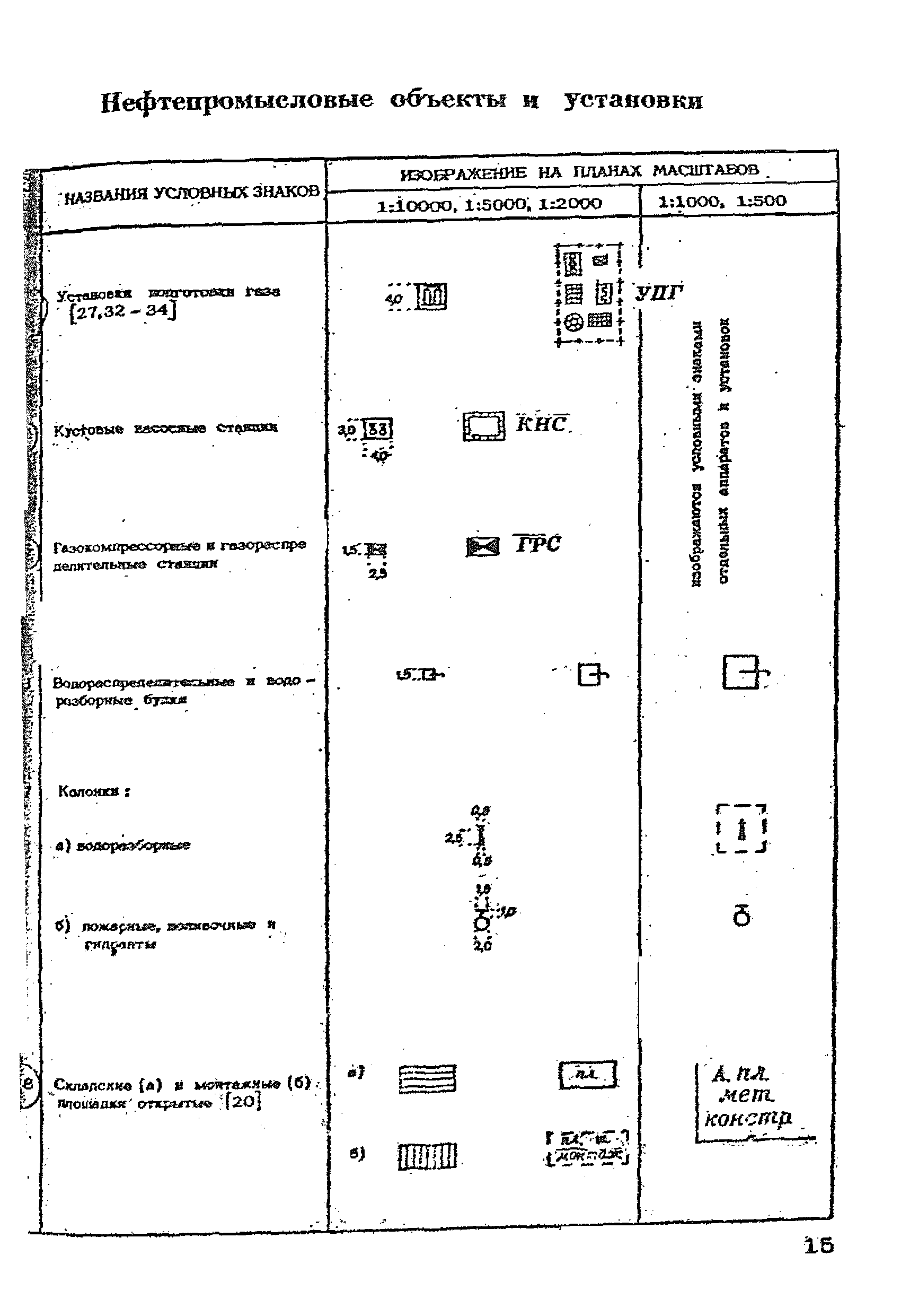
Каталог условных знаков для маркшейдерских планов разрабатываемых месторождений нефти и газа масштабов: 1:10000, 1:5000, 1:2000, 1:1000, 1:500| Статус: | не установлен срок действия | | Название рус.: | Каталог условных знаков для маркшейдерских планов разрабатываемых месторождений нефти и газа масштабов: 1:10000, 1:5000, 1:2000, 1:1000, 1:500 | | Дата добавления в базу: | 01.09.2013 | | Дата актуализации: | 01.01.2021 | | Область применения: | Условные знаки разработаны для составления и оформления маркшейдерских (специальных) планов нефтегазовых месторождений, обустроенных по различным технологическим схемам сбора, транспорта и подготовки нефти, газа и воды. | | Оглавление: | Пояснения к условным знакам Общие положения Пояснения к знакам опорных пунктов Пояснения к знакам зданий, построек и их частей Пояснения к знакам нефтепромысловых аппаратов и сооружений Пояснения к знакам нефтепромысловых объектов и установок Пояснения к знакам скажин Пояснения к знакам промысловых инженерных коммуникаций Пояснения к знакам границ и ограждений Пояснения к образцам шрифтов Пояснения к образцам оформления рамок Перечень условных сокращений | | Разработан: | ВолгоградНИПИнефти
| | Утверждён: | 29.10.1976 Министерство нефтяной промышленности СССР (USSR Ministry of the Petroleum Industry ) 04.12.1976 Главное управление геодезии и картографии при Совете Министров СССР (National Administration for Geodesy and Cartography at the USSR Cabinet of Ministers )
| | Нормативные ссылки: | |
                                                               
|