Скачать Типовой проект 902-2-475.89 Альбом 2. Технологические решения. Электротехнические решенияДата актуализации: 01.01.2021
|
| Обозначение: | Типовой проект 902-2-475.89 |
| Обозначение англ: | 902-2-475.89 |
| Статус: | не определен законодательством |
| Название рус.: | Альбом 2. Технологические решения. Электротехнические решения |
| Дата добавления в базу: | 01.09.2013 |
| Дата актуализации: | 01.01.2021 |
| Дата введения: | 16.10.1989 |
| Дата окончания срока действия: | 30.06.2003 |
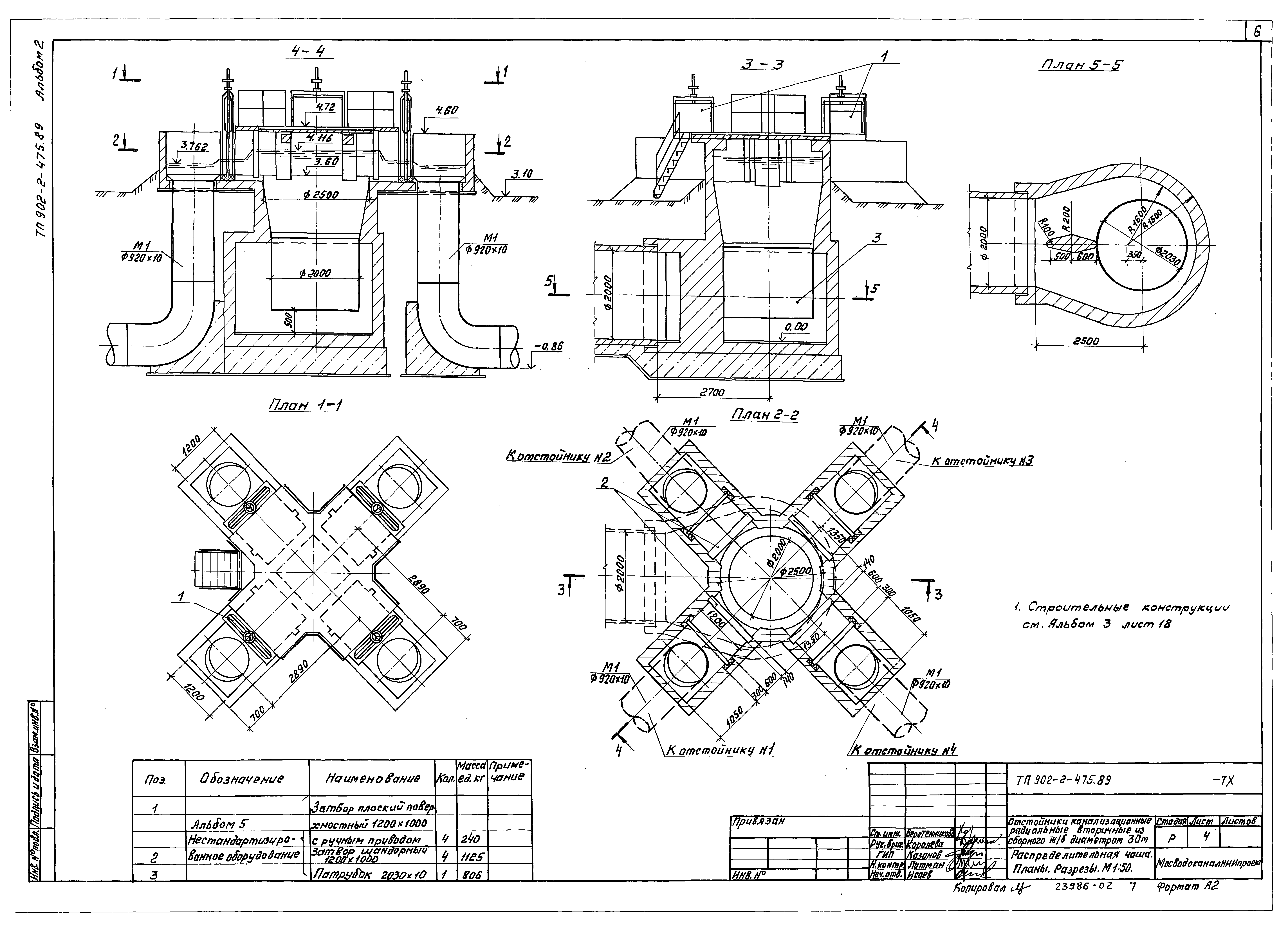
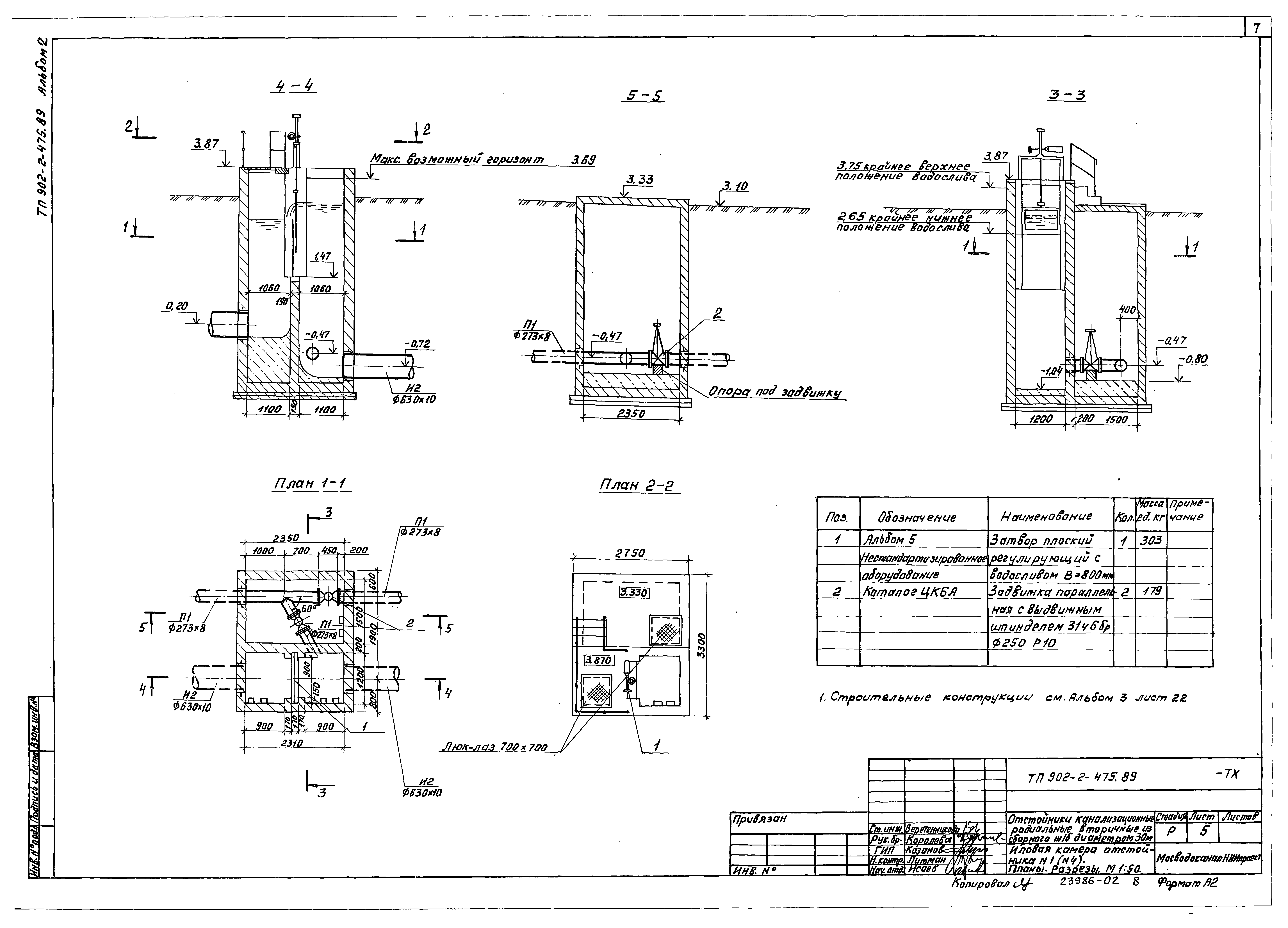
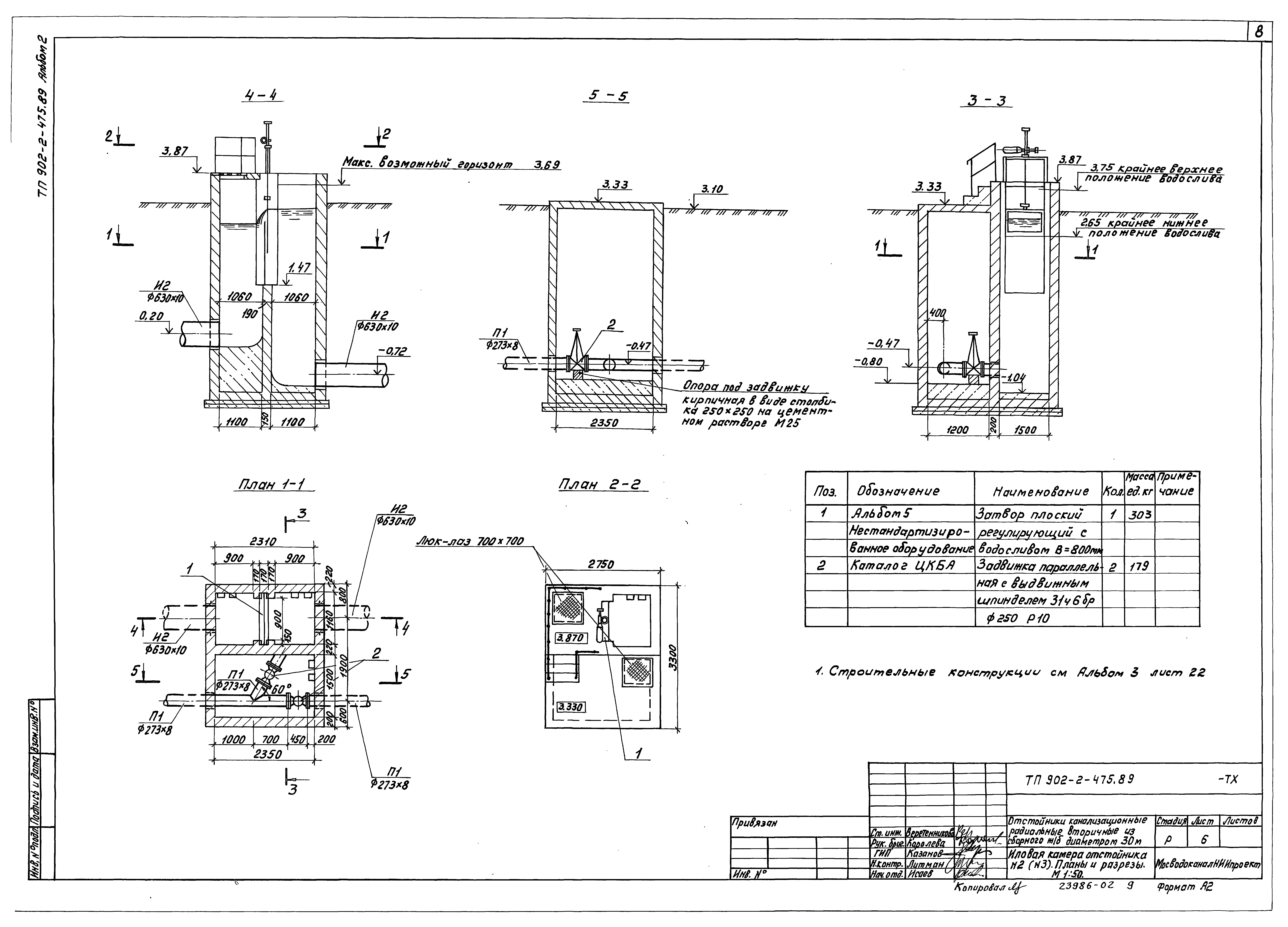
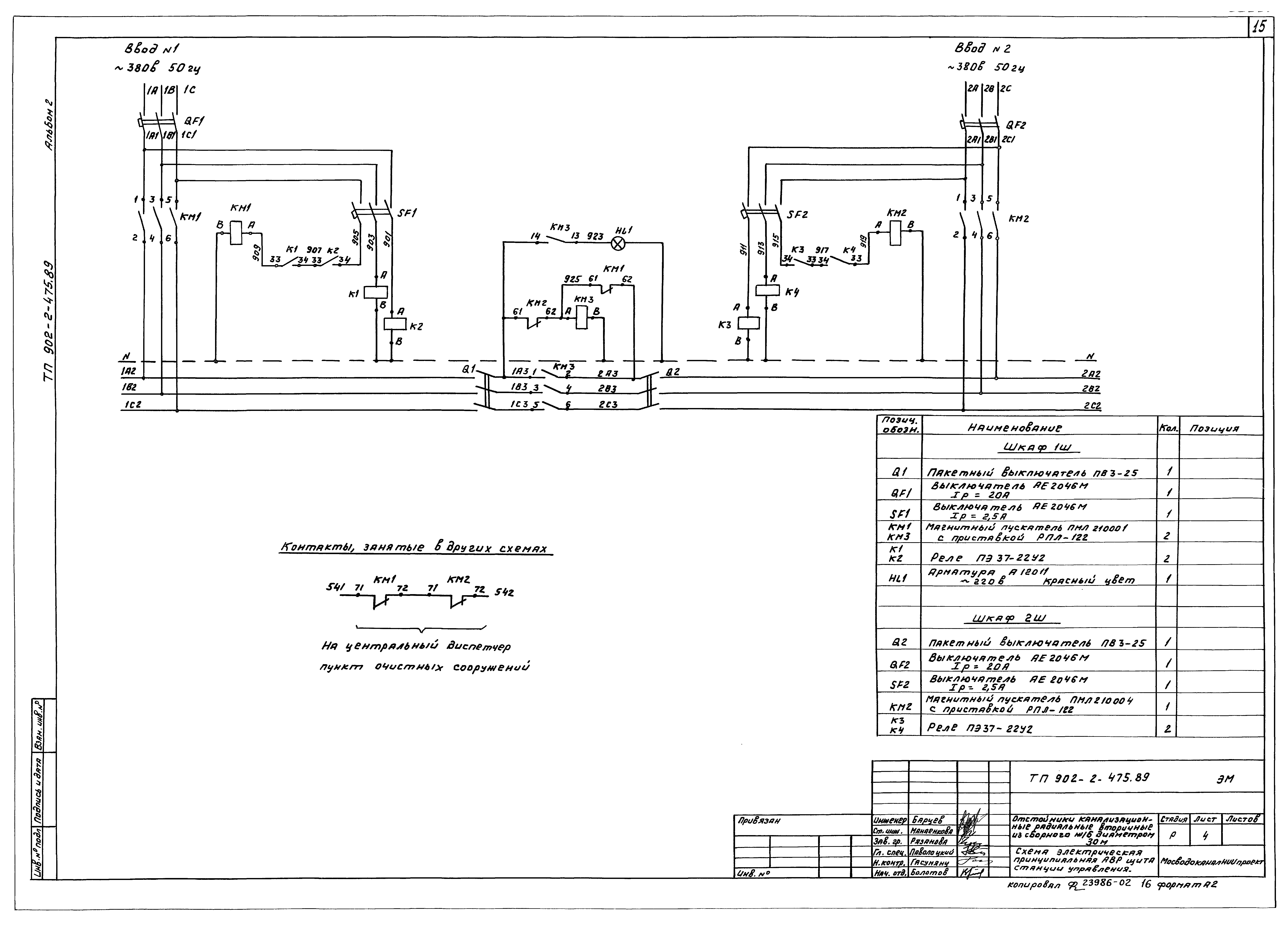
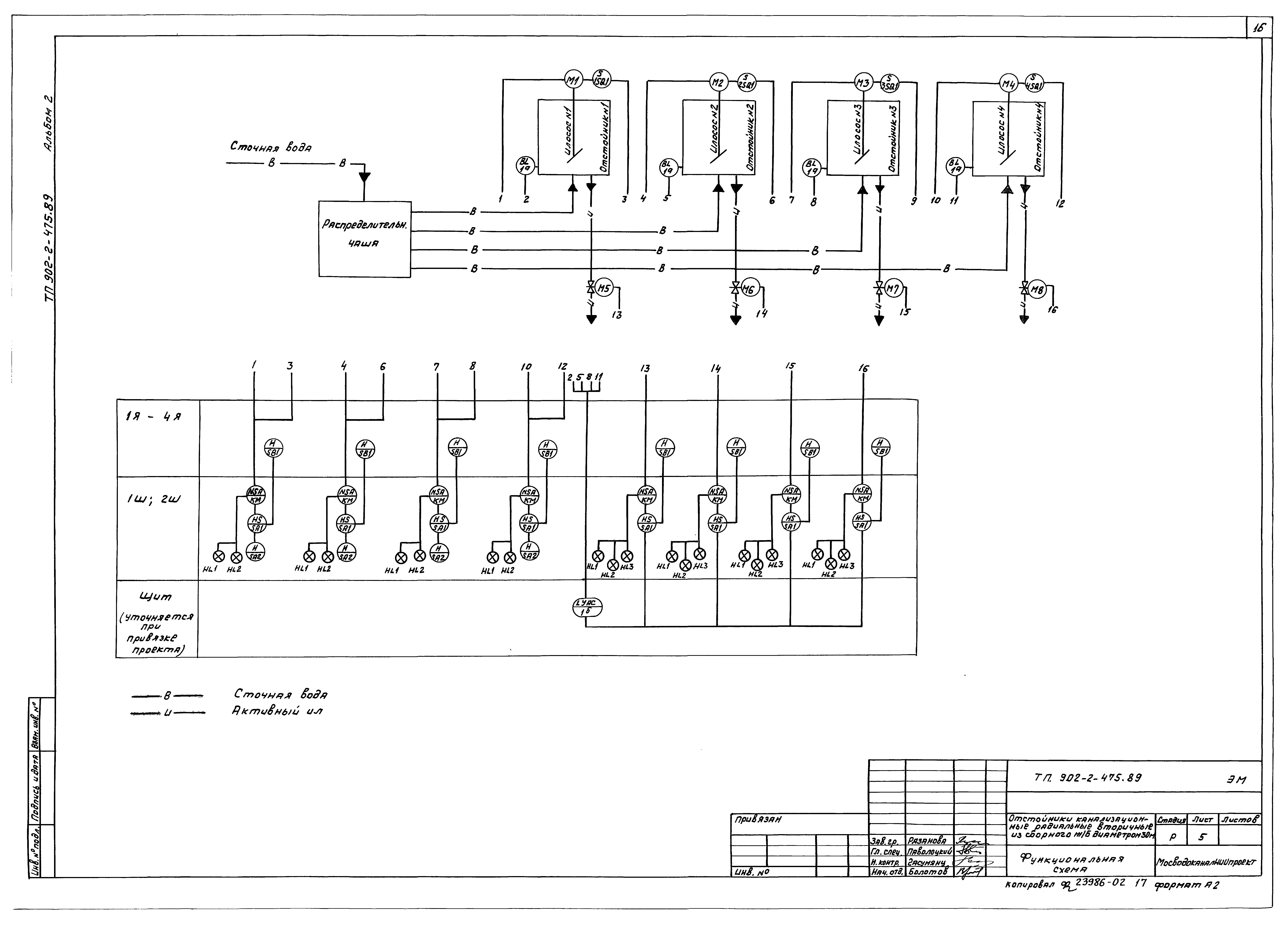
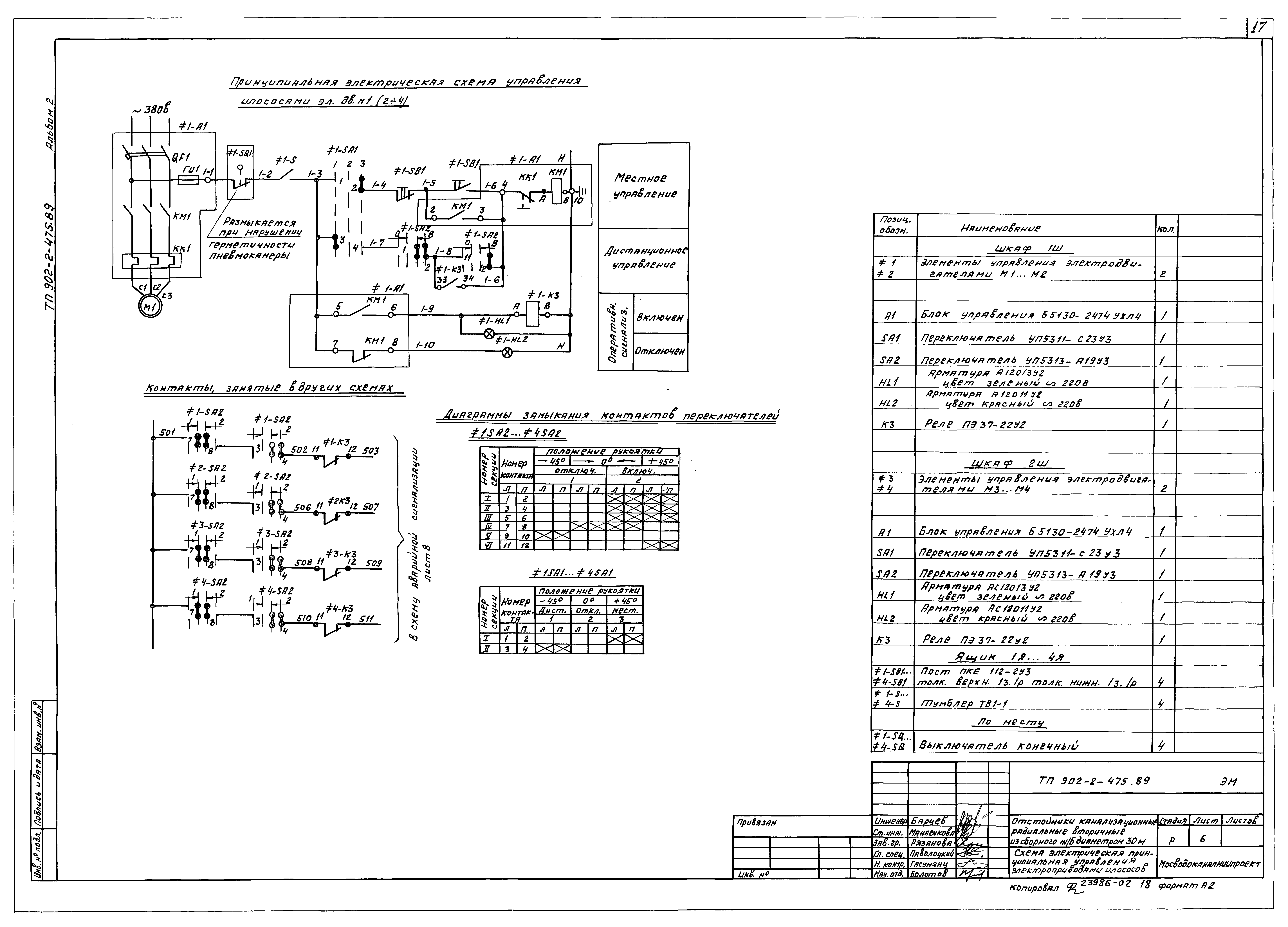
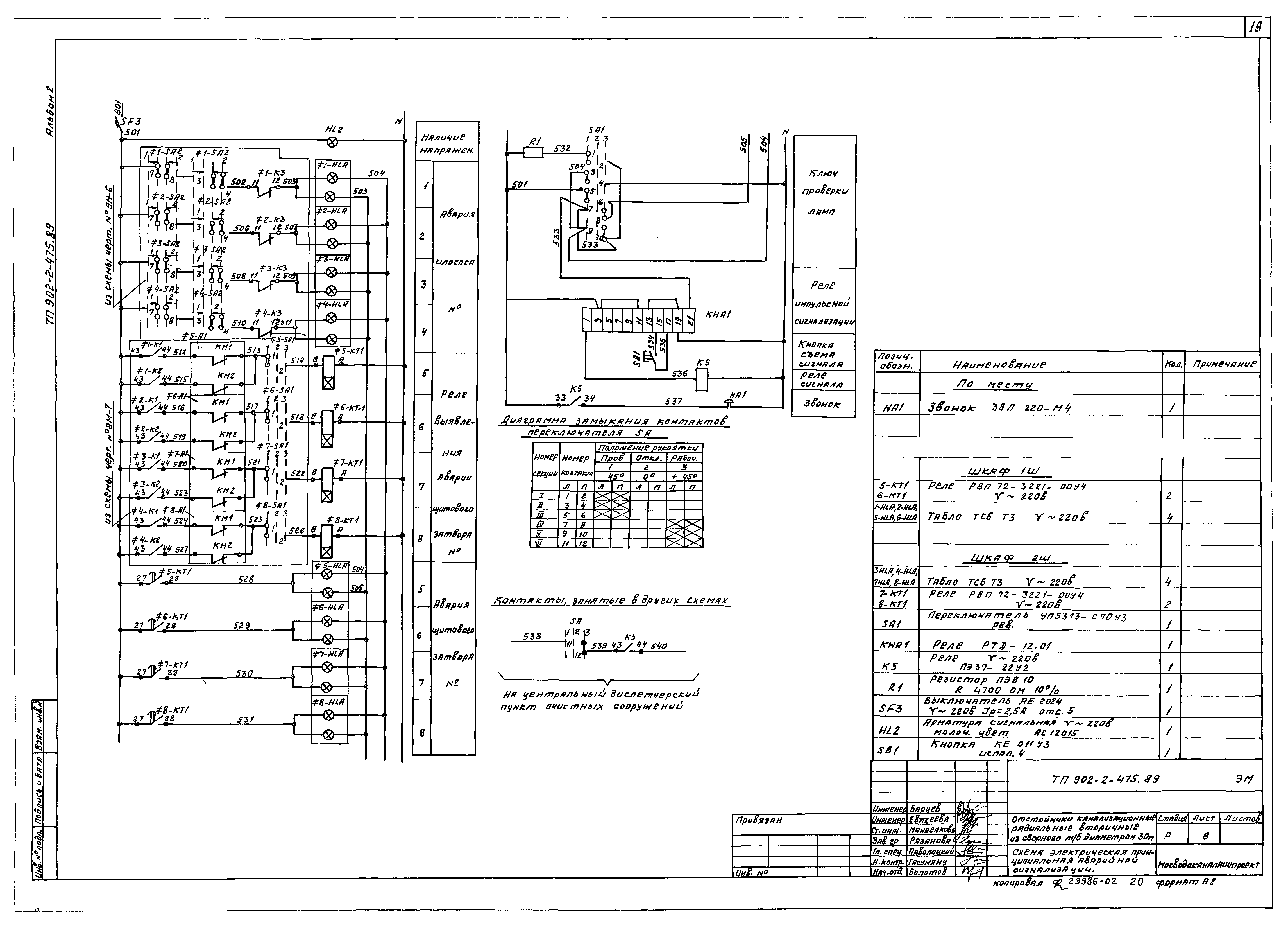
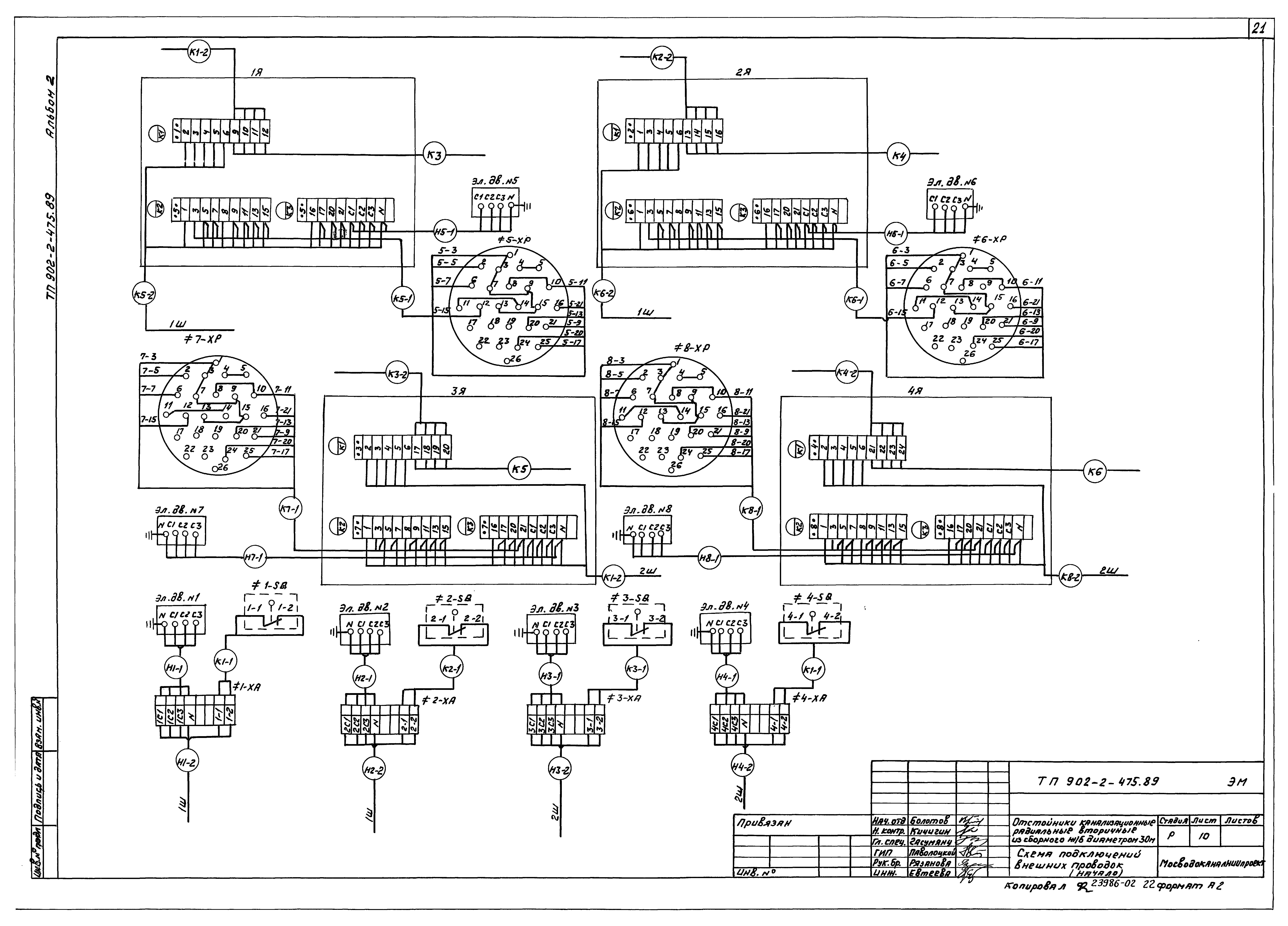
| Оглавление: | ТП 902-2-475.89 Содержание альбома ТП 902-2-475.89-ТХ Технологические решения ТП 902-2-475.89-ТХ-1 Общие данные ТП 902-2-475.89-ТХ-2 План группы отстойников М1:50 ТП 902-2-475.89-ТХ-3 Отстойник №2. План М1:200. Разрез М1:100 ТП 902-2-475.89-ТХ-4 Распределительная чаша. Планы. Разрезы М1:100 ТП 902-2-475.89-ТХ-5 Иловая камера отстойника №1(№4). Планы. Разрезы М1:50 ТП 902-2-475.89-ТХ-6 Иловая камера отстойника №2(№3). Планы. Разрезы М1:50 ТП 902-2-475.89-ТХ-7 Профили подводящих трубопроводов и трубопроводов опорожнения М1:100 ТП 902-2-475.89-ТХ-8 Профили отводящих трубопроводов М1:100 ТП 902-2-475.89-ТХ-9 Профили трубопроводов возвратного активного ила М1:100 ТП 902-2-475.89-ЭМ Электротехнические решения ТП 902-2-475.89-ЭМ-1 Общие данные ТП 902-2-475.89-ЭМ-2 Схема электрическая принципиальная распределительной сети 380/220В. Начало ТП 902-2-475.89-ЭМ-3 Схема электрическая принципиальная распределительной сети ~380/220В. Окончание ТП 902-2-475.89-ЭМ-4 Схема электрическая принципиальная АВР щита станции управления ТП 902-2-475.89-ЭМ-5 Функциональная схема ТП 902-2-475.89-ЭМ-6 Схема электрическая принципиальная управления электроприводом илососов ТП 902-2-475.89-ЭМ-7 Схема электрическая принципиальная управления электроприводами щитовых затворов ТП 902-2-475.89-ЭМ-8 Схема электрическая принципиальная аварийной сигнализации ТП 902-2-475.89-ЭМ-9 Схема измерения уровня осадка в отстойниках ТП 902-2-475.89-ЭМ-10 Схема подключения внешних проводок. Начало ТП 902-2-475.89-ЭМ-11 Схема подключения внешних проводок. Окончание ТП 902-2-475.89-ЭМ-12 Кабельнотрубный журнал ТП 902-2-475.89-ЭМ-13 План расположения. Кабельные трассы ТП 902-2-475.89-ЭМ-Н1 НКУ. Эскизный чертеж общего вида |
| Разработан: | МосводоканалНИИпроект |
| Утверждён: | 09.10.1989 Мосгорисполком (Mosgorispolkom 2147) |
| Заменяет собой: |


























