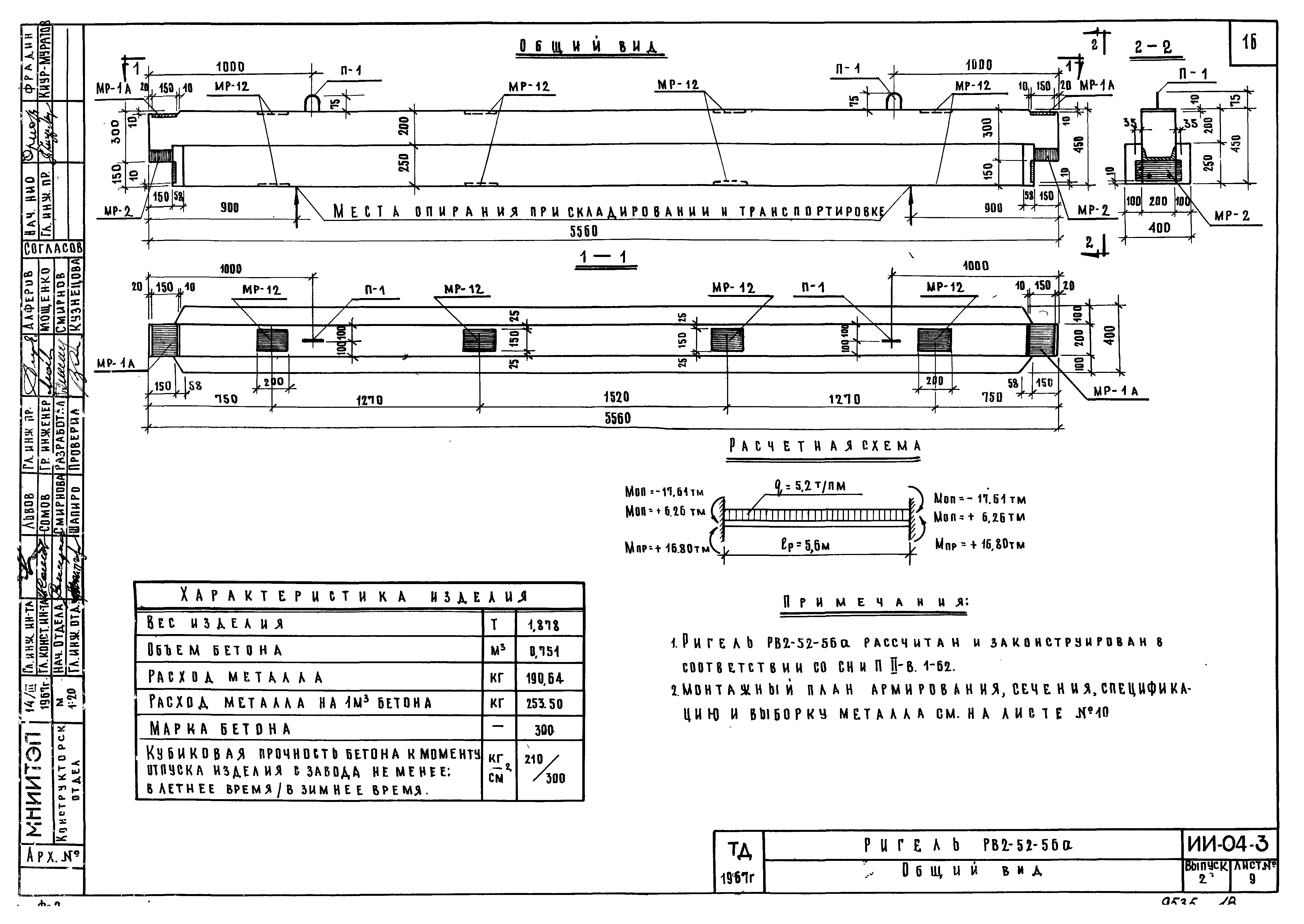
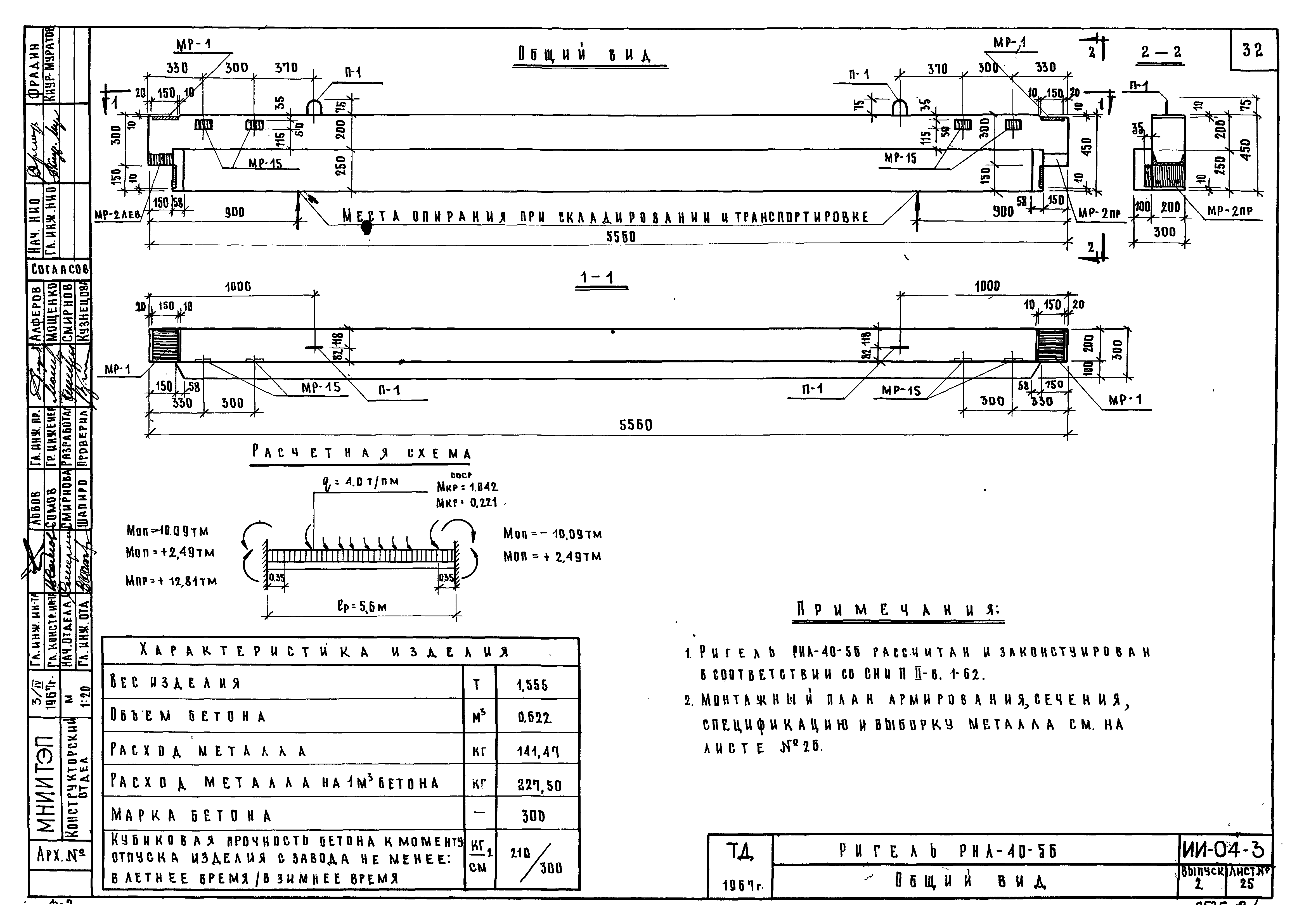
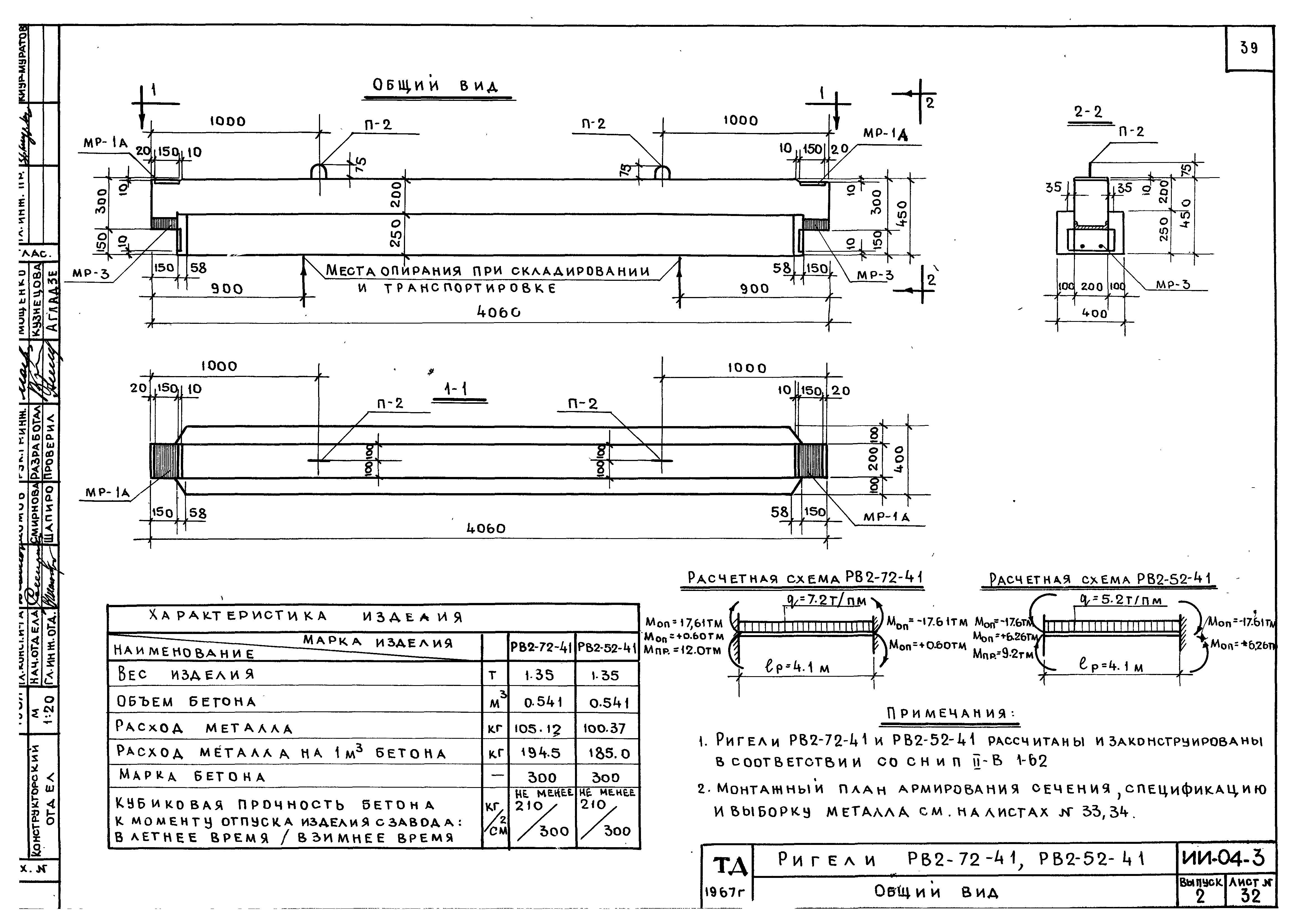
Скачать Серия ИИ-04-3 Выпуск 2. Железобетонные ригели для колонн сечением 400х400 мм. Рабочие чертежиДата актуализации: 01.01.2021 Серия ИИ-04-3
Выпуск 2. Железобетонные ригели для колонн сечением 400х400 мм. Рабочие чертежи| Обозначение: | Серия ИИ-04-3 | | Обозначение англ: | Series ИИ-04-3 | | Статус: | не действует | | Название рус.: | Выпуск 2. Железобетонные ригели для колонн сечением 400х400 мм. Рабочие чертежи | | Дата добавления в базу: | 01.09.2013 | | Дата актуализации: | 01.01.2021 | | Разработан: | МНИИТЭП
| | Утверждён: | 30.10.1967 Госстрой СССР (Государственный комитет Совета Министров СССР по делам строительства) (USSR Gosstroy 164)
|
                                                                 
|