Скачать Типовой проект 902-2-258 Альбом VIII. Производственный корпус. Архитектурно-строительная часть (из ТП 902-2-260)Дата актуализации: 01.01.2021
|
| Обозначение: | Типовой проект 902-2-258 |
| Обозначение англ: | 902-2-258 |
| Статус: | действует |
| Название рус.: | Альбом VIII. Производственный корпус. Архитектурно-строительная часть (из ТП 902-2-260) |
| Дата добавления в базу: | 01.09.2013 |
| Дата актуализации: | 01.01.2021 |
| Дата введения: | 29.12.1975 |
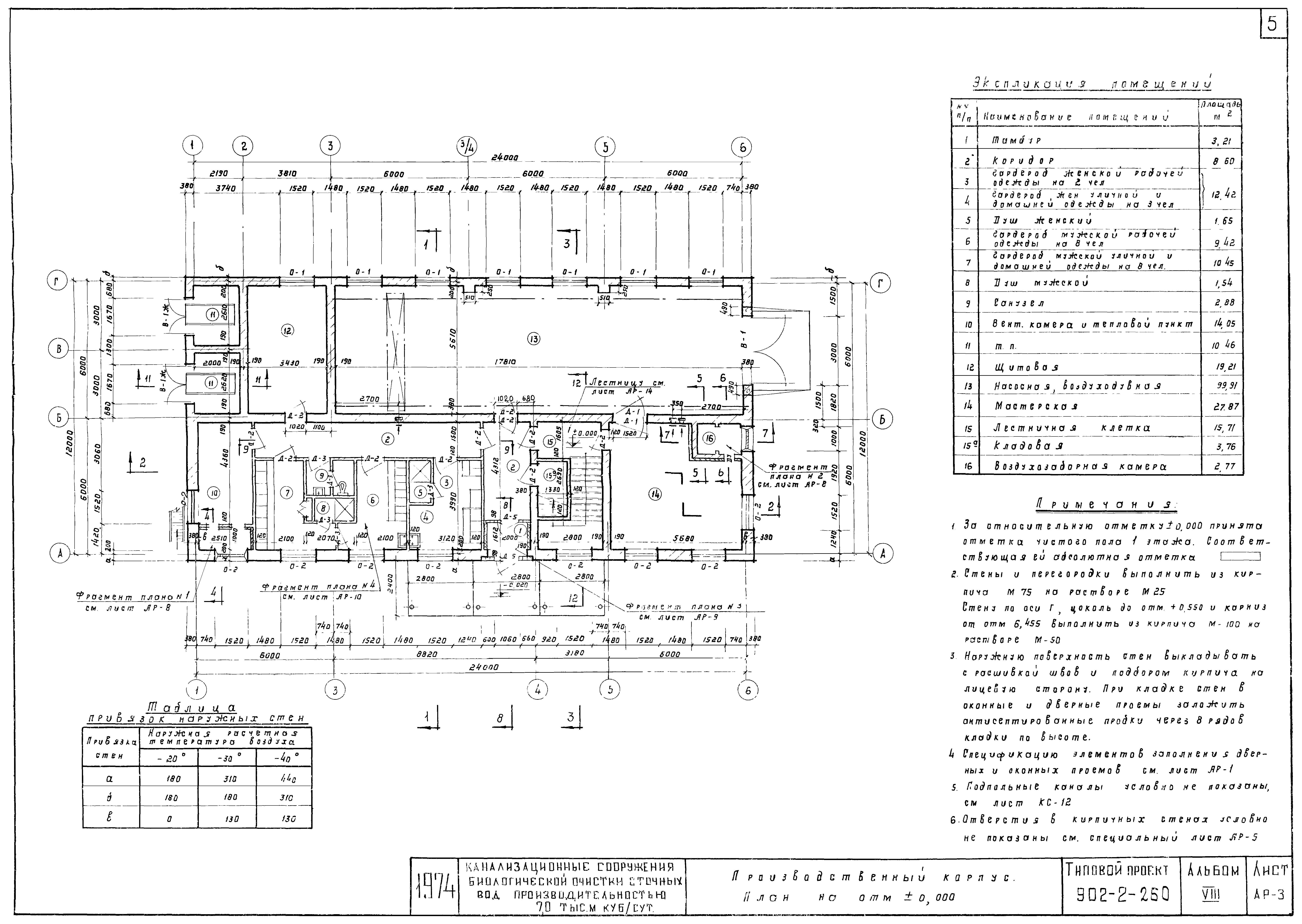
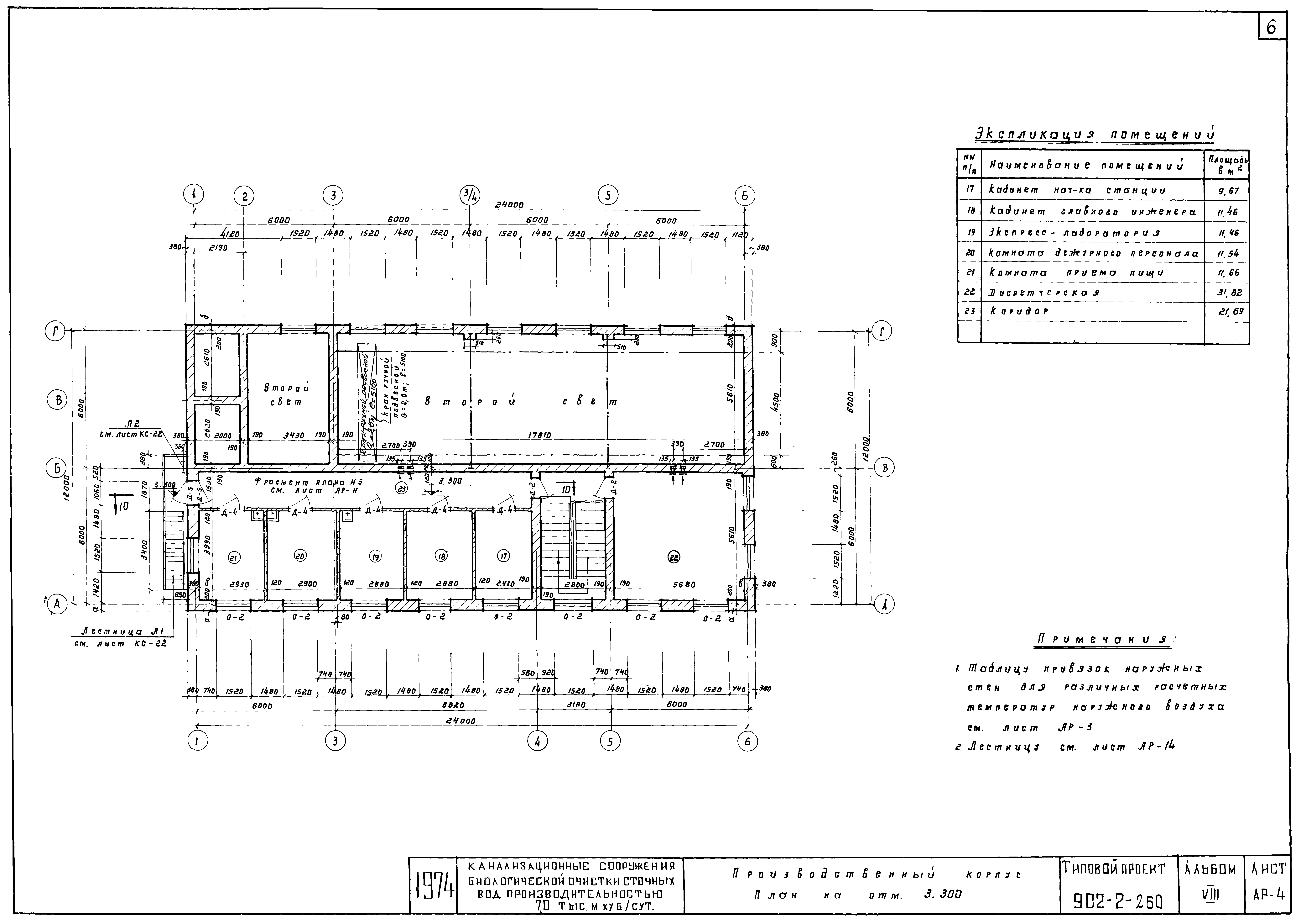
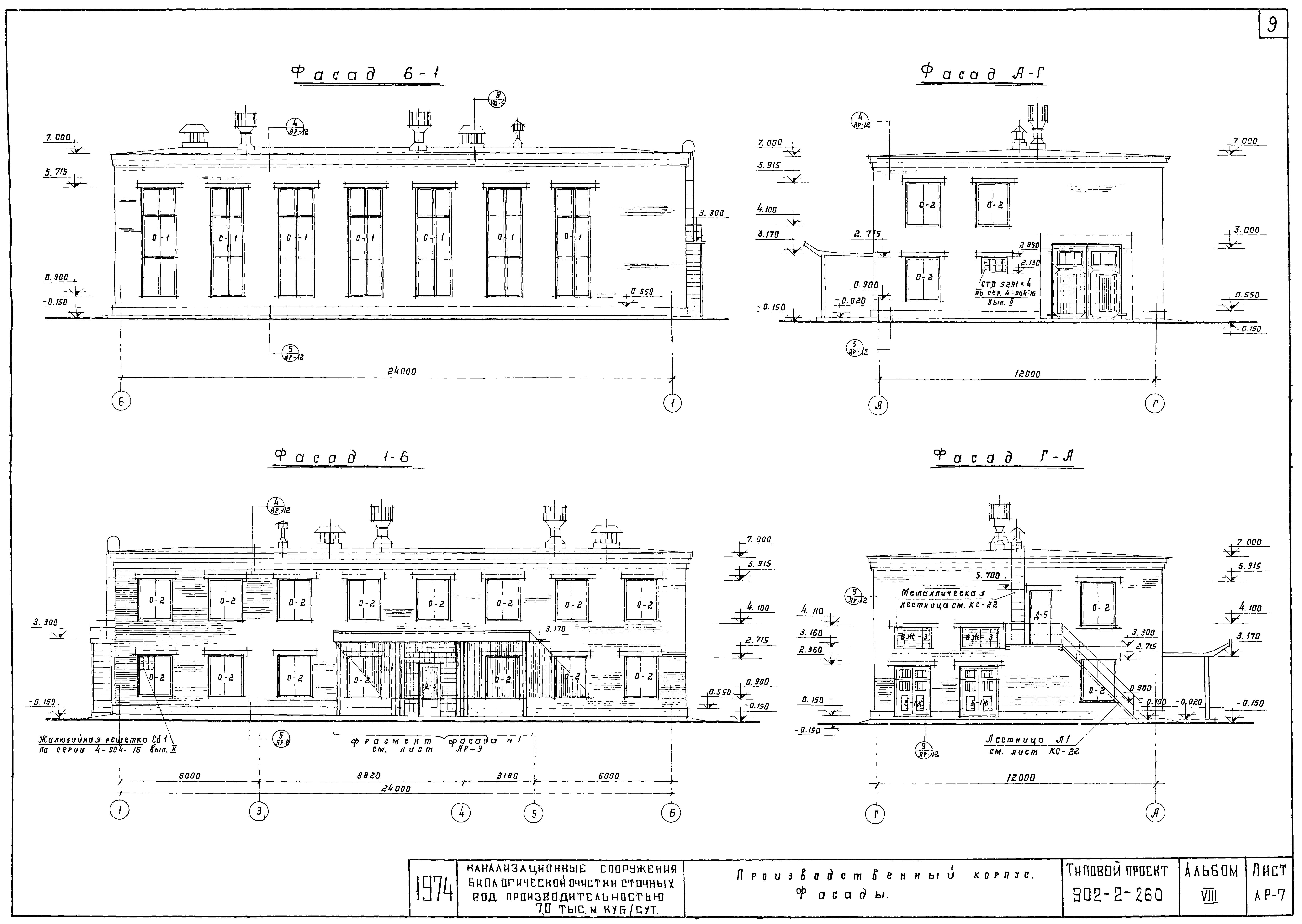
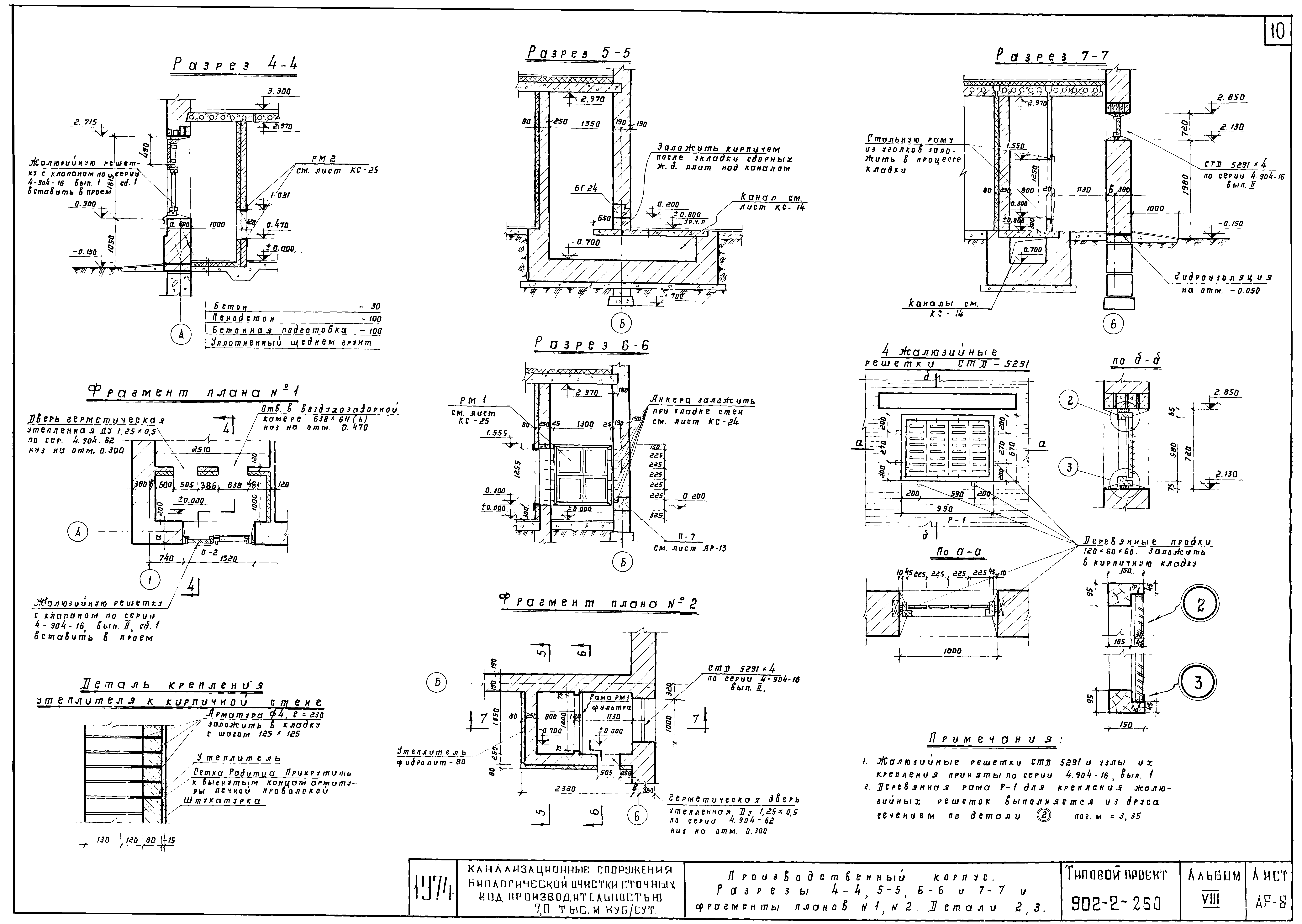
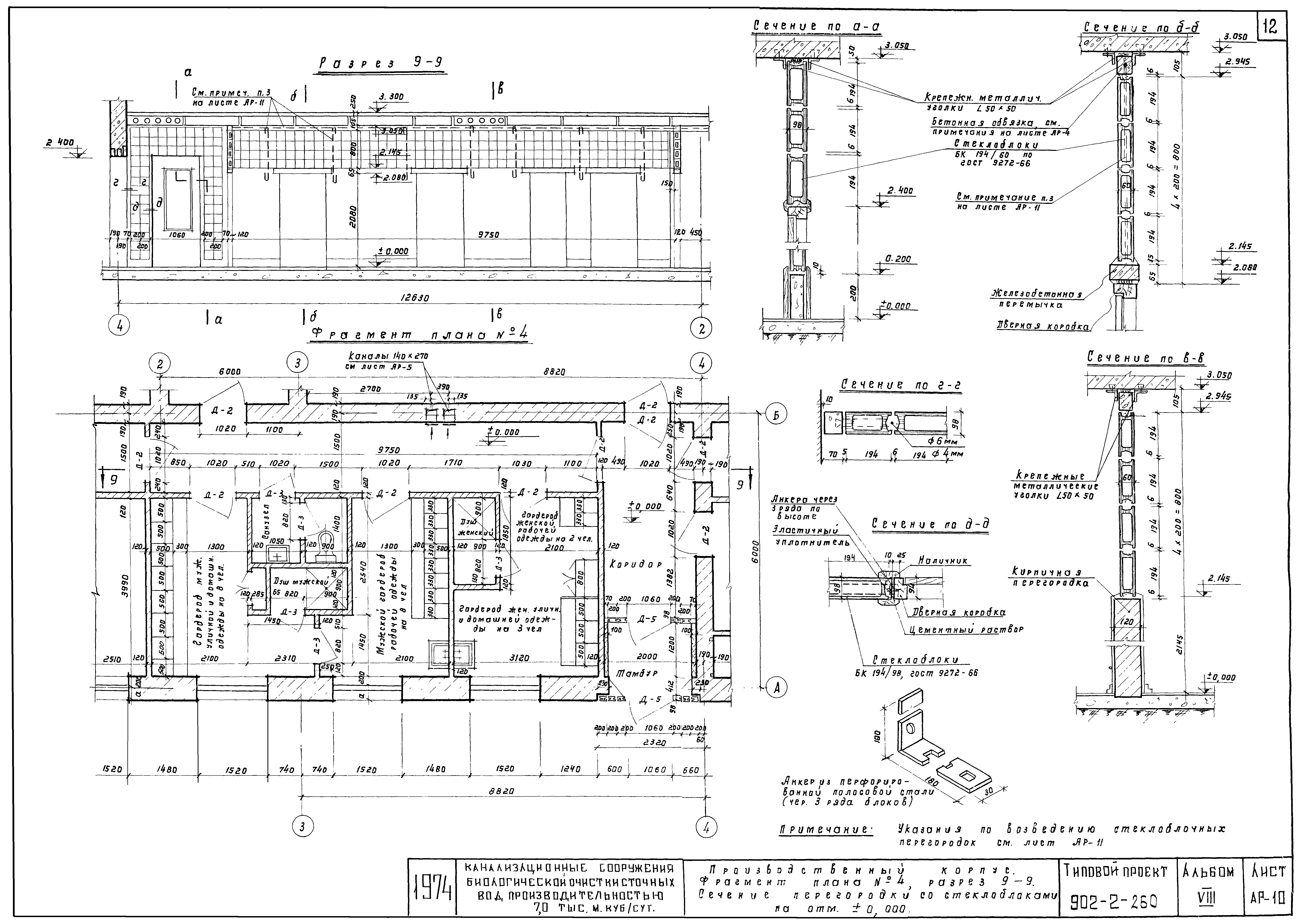
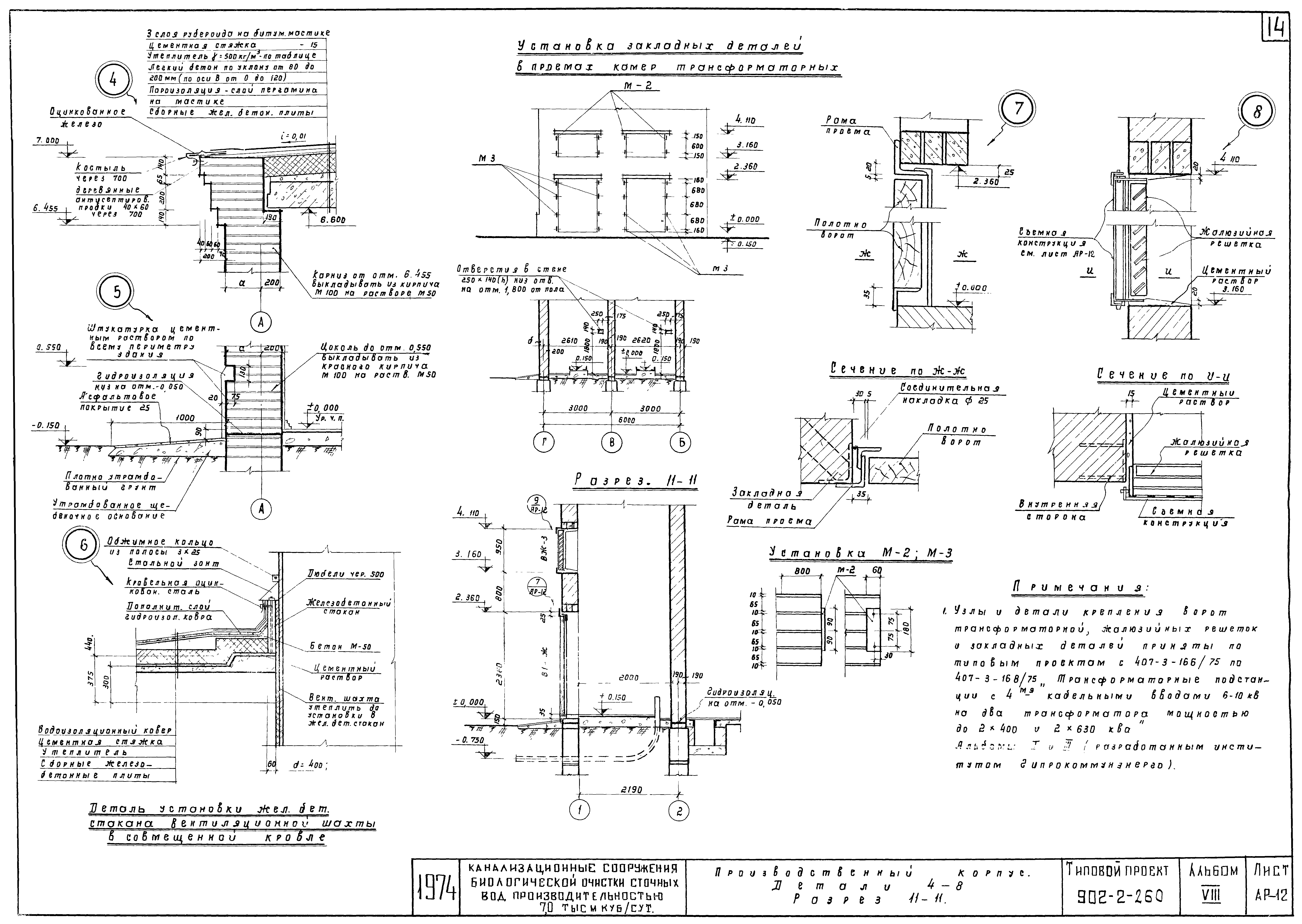
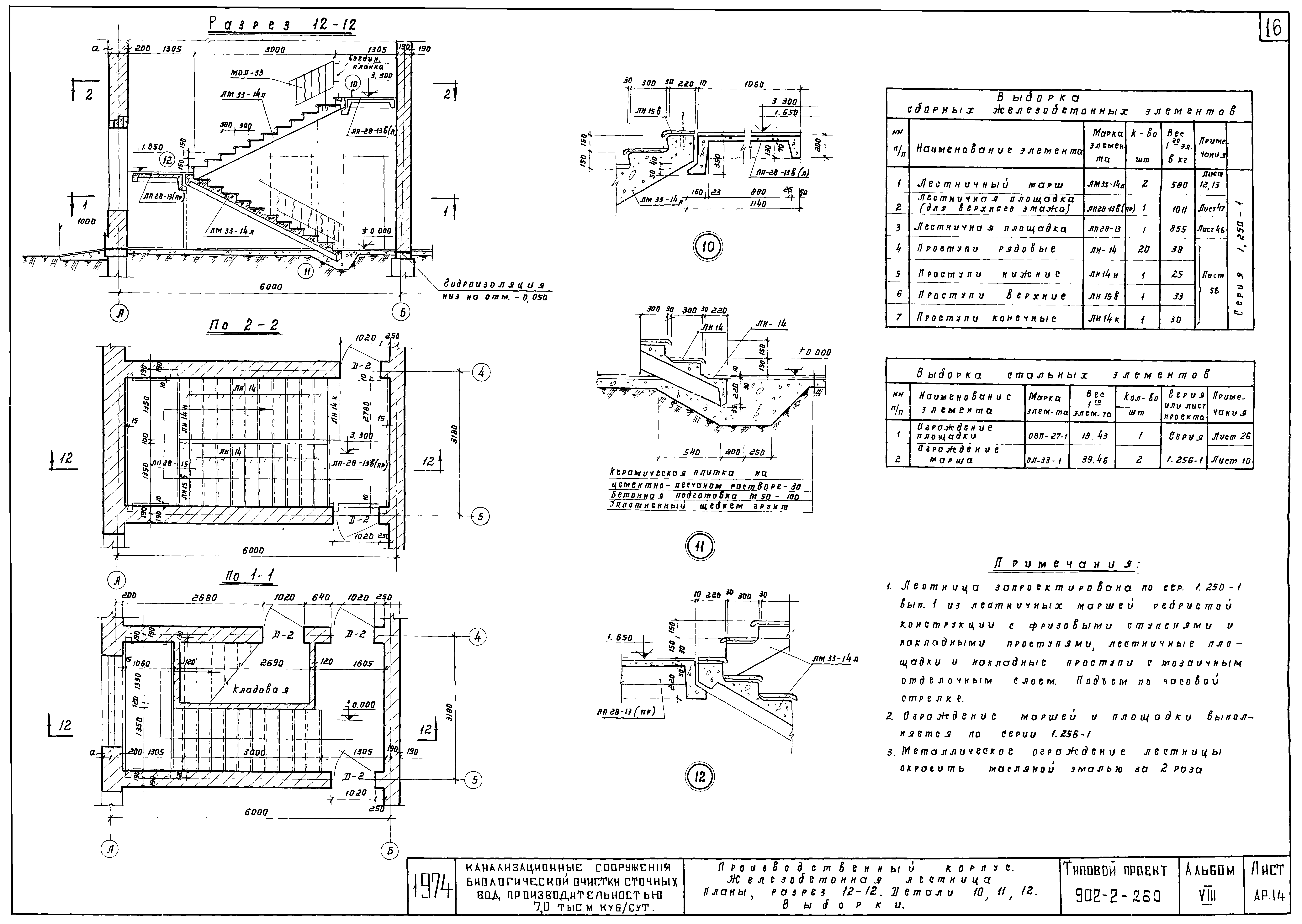
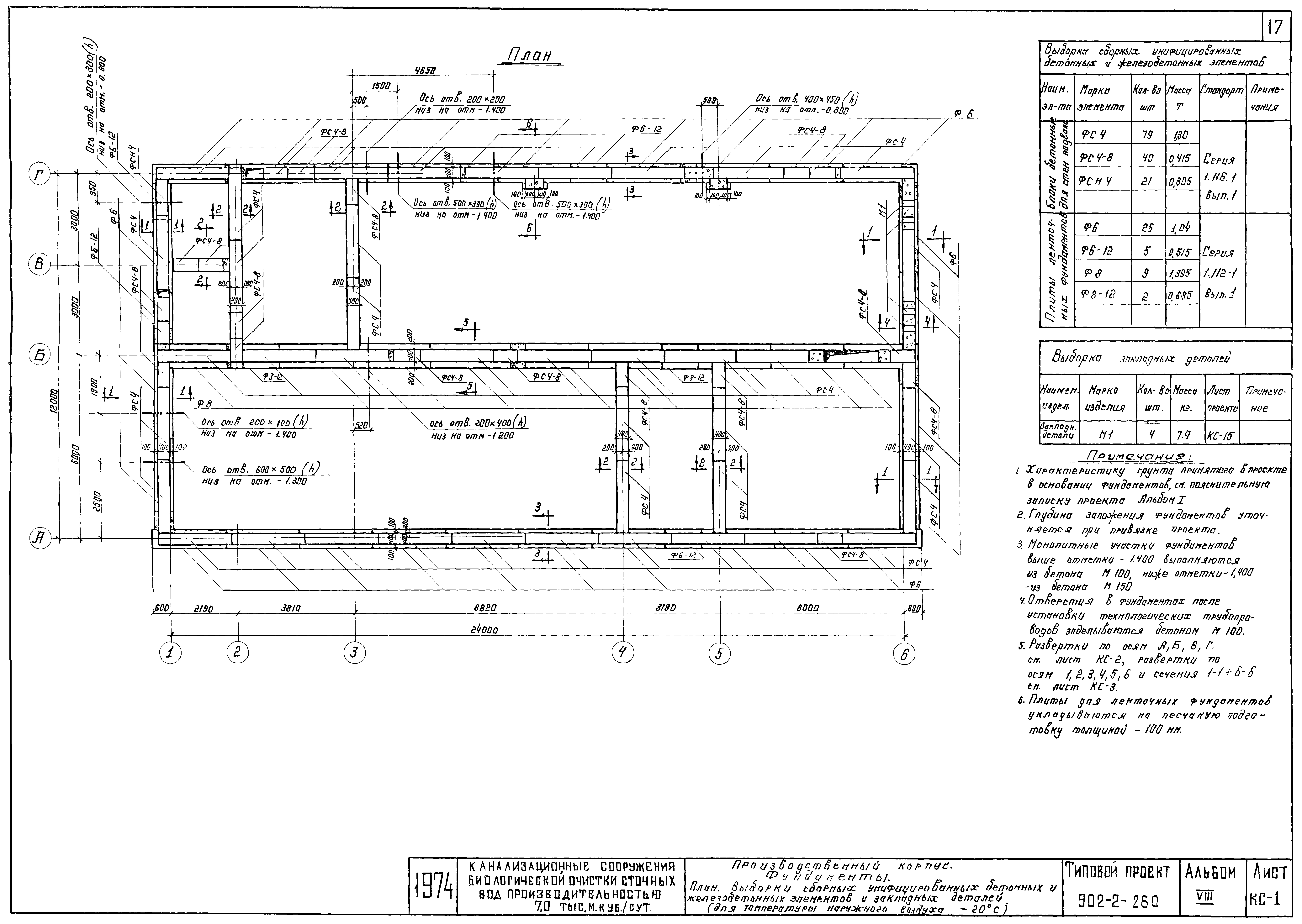
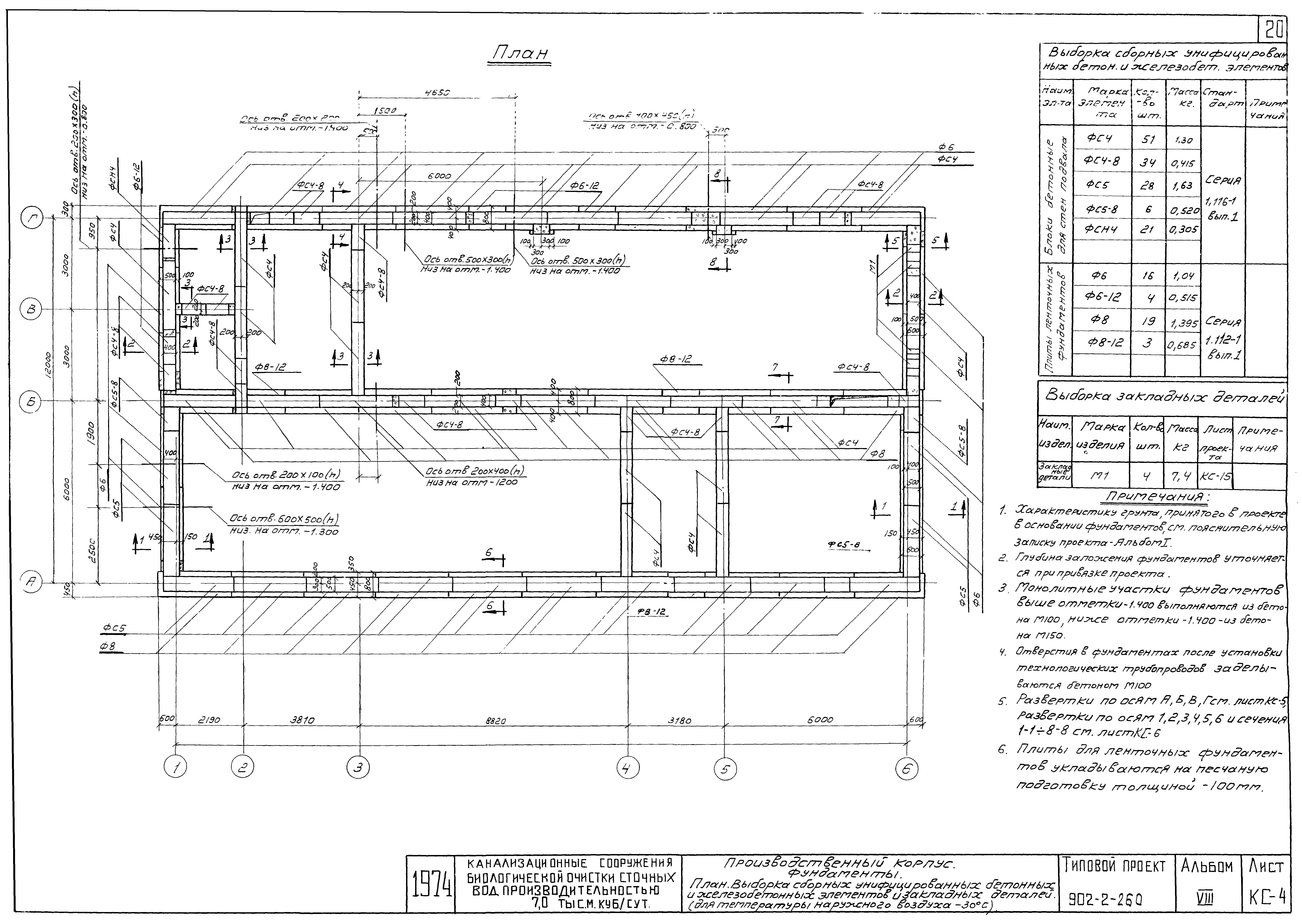
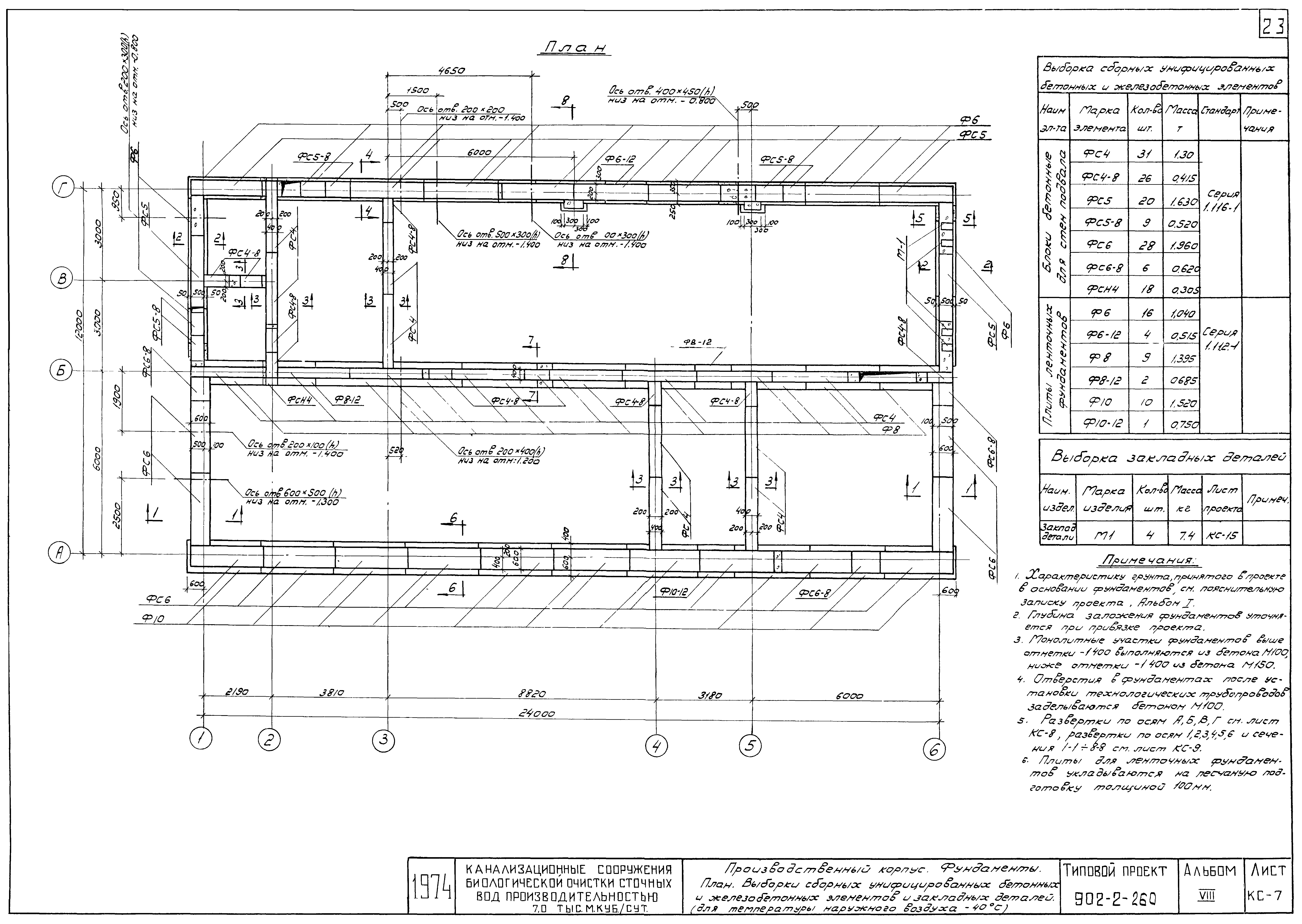
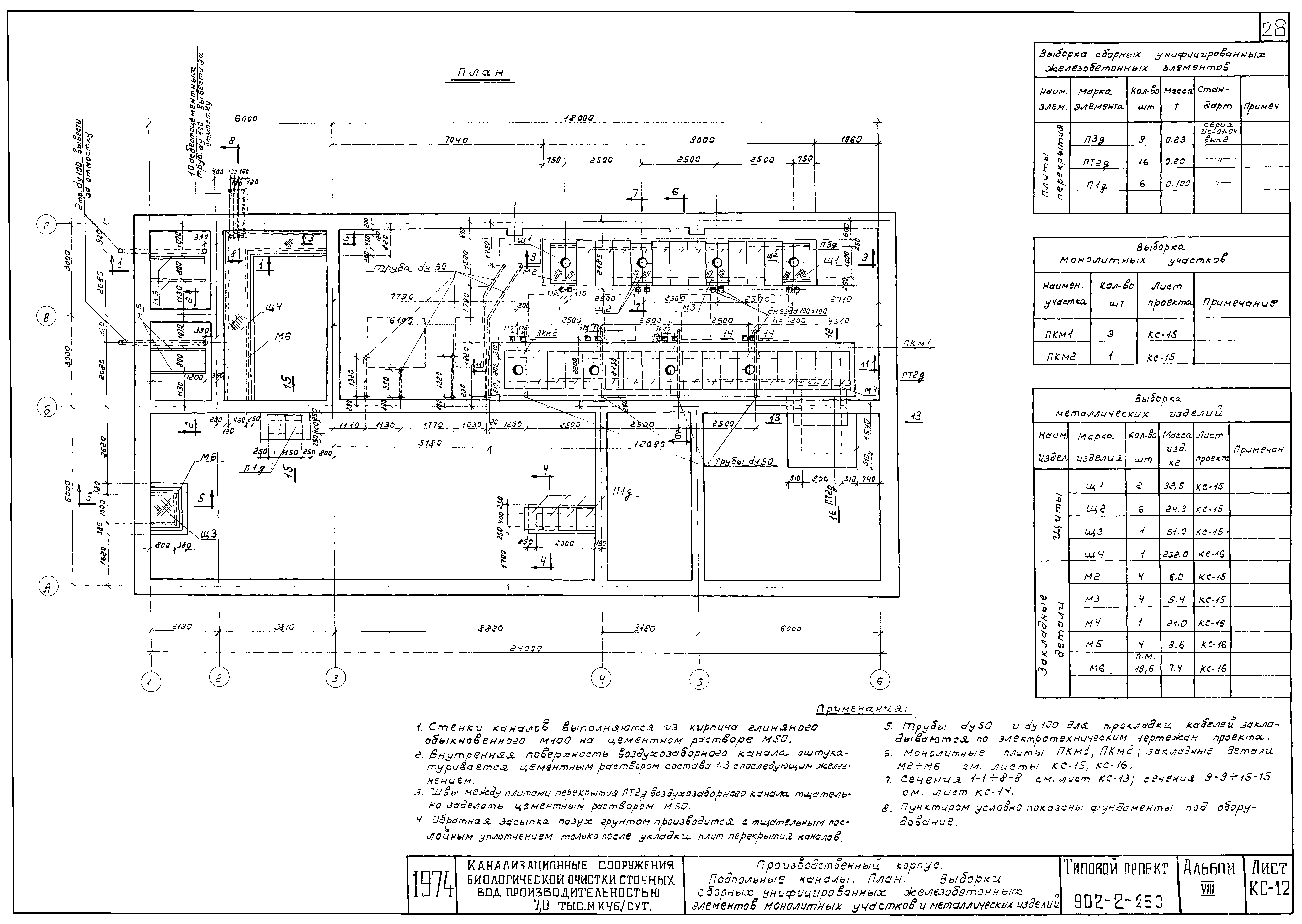
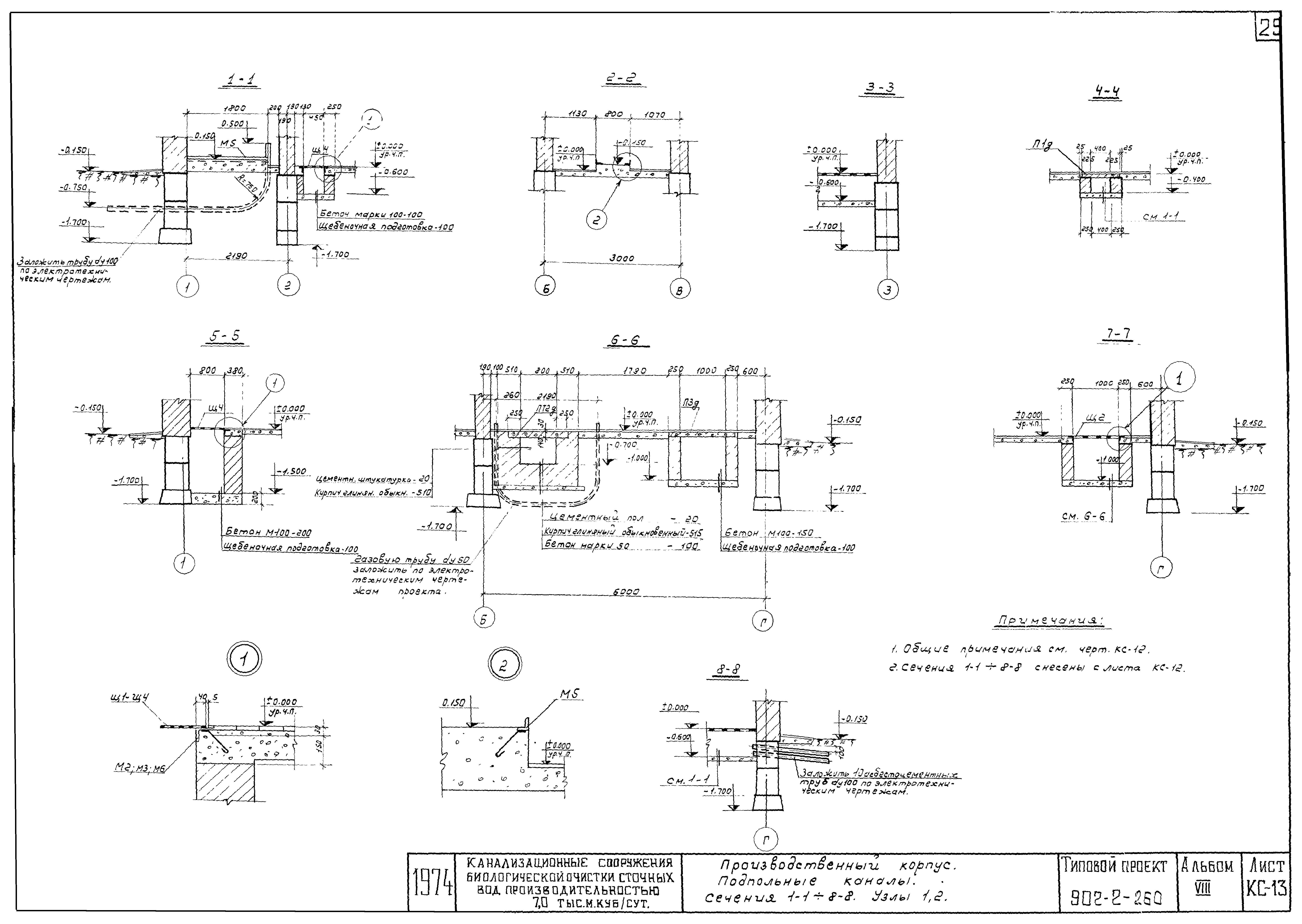
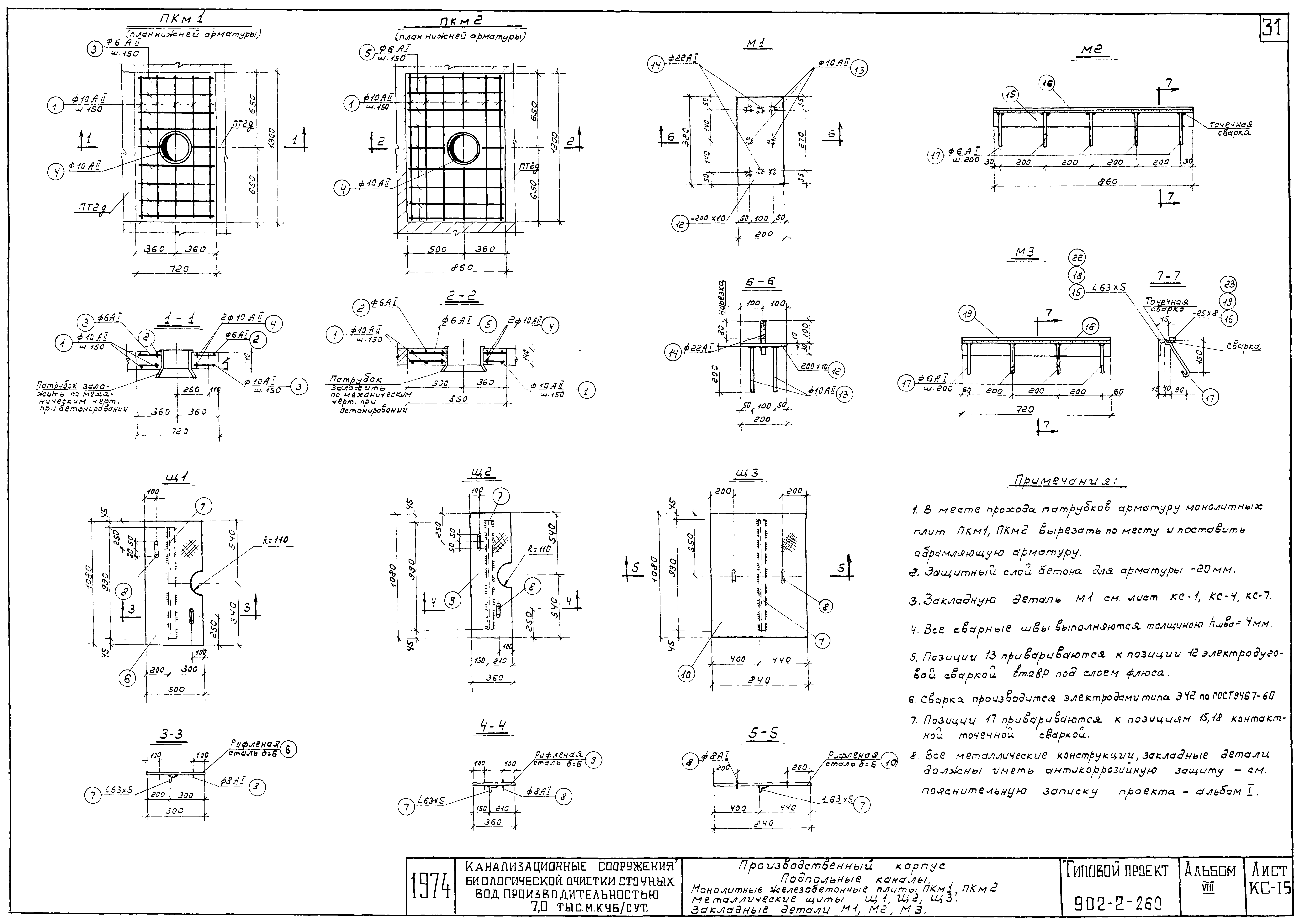
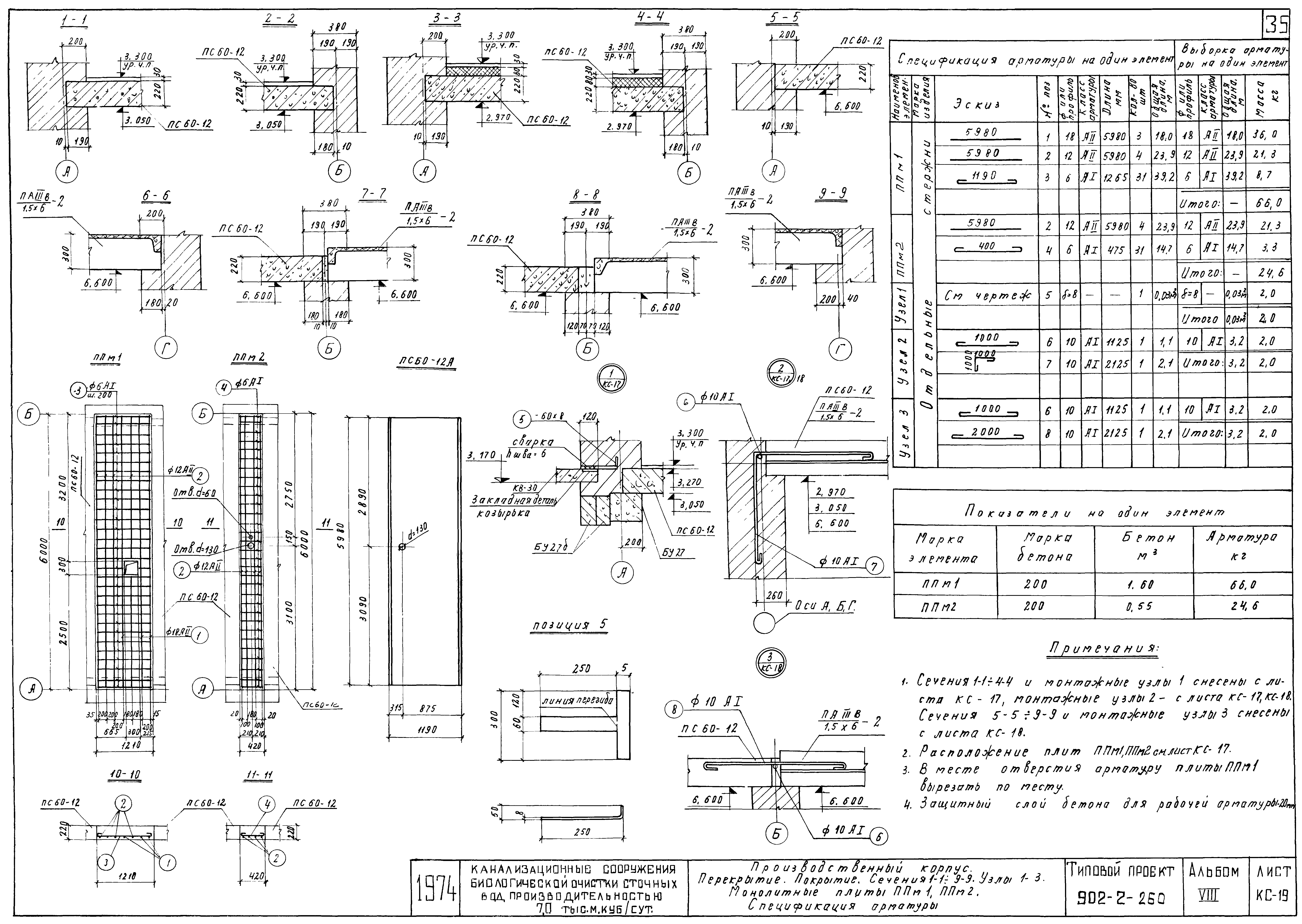
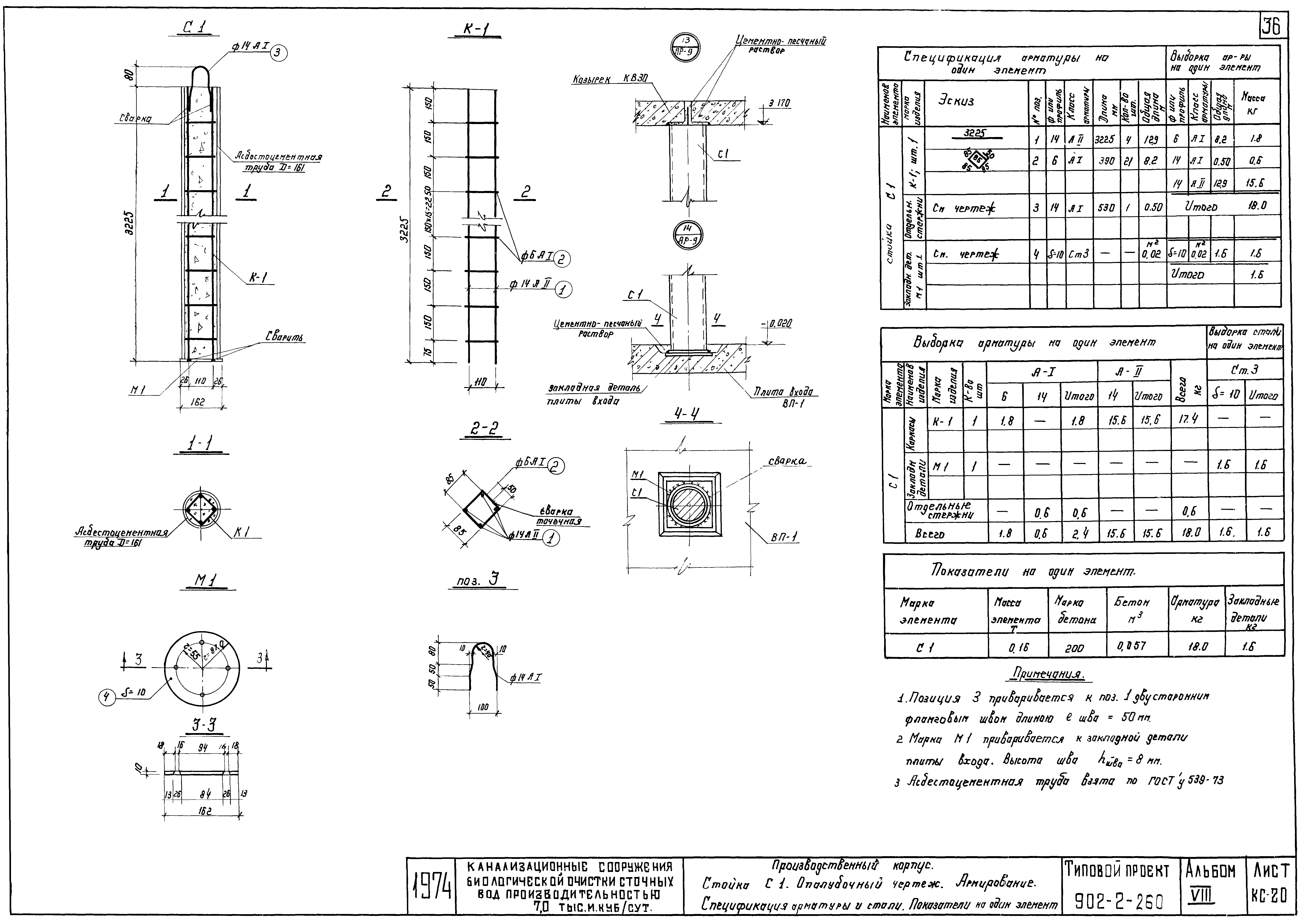
| Оглавление: | ТП 902-2-260 Титульный лист ТП 902-2-260 Содержание альбома ТП 902-2-260-АР Чертежи марки "АР" ТП 902-2-260-АР-1 Заглавный лист ТП 902-2-260-АР-2 Планы кровли, полов. Детали полов. Ведомость внутренней отделки ТП 902-2-260-АР-3 План на отм. ±0.000 ТП 902-2-260-АР-4 План на отм. 3.300 ТП 902-2-260-АР-5 План расположения отверстий в стенах и перегородках первого и второго этажей. Деталь 1 ТП 902-2-260-АР-6 Разрезы 1-1; 2-2; 3-3 ТП 902-2-260-АР-7 Фасады ТП 902-2-260-АР-8 Разрезы 4-4; 5-5; 6-6; 7-7 и фрагменты планов № 1 и № 2. Детали 2,3 ТП 902-2-260-АР-9 Фрагмент фасада № 1, фрагмент плана № 3. Разрез 8-8 ТП 902-2-260-АР-10 Фрагмент плана № 4, разрез 9-9. Сечение перегородки со стеклоблоками на отм. ±0.000 ТП 902-2-260-АР-11 Фрагмент плана № 5. Разрез 10-10 (перегородка со стеклоблоками на отм. +3.300) ТП 902-2-260-АР-12 Детали 4-8; разрез 11-11 ТП 902-2-260-АР-13 Монтажные схемы перемычек в стенах и перегородках первого и второго этажей. Спецификация ТП 902-2-260-АР-14 Железобетонная лестница. Планы, разрез 12-12. Детали 10, 11, 12. Выборки ТП 902-2-260-КС Чертежи марки "КС" ТП 902-2-260-КС-1 Фундаменты. План. Выборки сборных унифицированных бетонных и железобетонных элементов и закладных деталей (для температуры наружного воздуха -20 ºС) ТП 902-2-260-КС-2 Фундаменты. Развертки по осям А,Б,В,Г (для температуры наружного воздуха -20 ºС) ТП 902-2-260-КС-3 Фундаменты. Развертки по осям 1, 2, 3, 4, 5, 6. Сечения 1-1 ÷ 6-6 (для температуры наружного воздуха -20 ºС) ТП 902-2-260-КС-4 Фундаменты. План. Выборки сборных унифицированных и железобетонных элементов и закладных деталей (для температуры нижнего воздуха -30 ºС) ТП 902-2-260-КС-5 Фундаменты. Развертки по осям А, Б, В, Г (для температуры наружного воздуха -30 ºС) ТП 902-2-260-КС-6 Фундаменты. Развертки по осям 1, 2, 3, 4, 5, 6. Сечения 1-1 ÷ 8-8 (для температуры наружного воздуха -30 ºС) ТП 902-2-260-КС-7 Фундаменты. План. Выборки сборных унифицированных бетонных и железобетонных элементов и закладных деталей (для температуры наружного воздуха -40 ºС) ТП 902-2-260-КС-8 Фундаменты. Развертки по осям А, Б, В, Г (для температуры наружного воздуха -40 ºС) ТП 902-2-260-КС-9 Фундаменты. Развертки по осям 1, 2, 3, 4, 5, 6. Сечения 1-1 ÷ 8-8 (для температуры наружного воздуха -40 ºС) ТП 902-2-260-КС-10 Фундаменты под оборудование. План. Выборка монолитных бетонных элементов ТП 902-2-260-КС-11 Фундаменты под оборудование ФО1-ФО7. Сечения 1-1 ÷ 7-7 ТП 902-2-260-КС-12 Подпольные каналы. План. Выборка сборных унифицированных железобетонных элементов монолитных участков и металлических изделий ТП 902-2-260-КС-13 Подпольные каналы. Сечения 1-1 ÷ 8-8. Узлы 1,2 ТП 902-2-260-КС-14 Подпольные каналы. Сечения 9-9 ÷ 15-15 ТП 902-2-260-КС-15 Подпольные каналы. Монолитные железобетонные плиты ПКМ1,ПКМ2. Металлические щиты Щ1,Щ2,Щ3. Закладные детали М1,М2,М3 ТП 902-2-260-КС-16 Подпольные каналы. Закладные детали М4, М5, М6. Спецификация арматуры и стали ТП 902-2-260-КС-17 Перекрытие. План. Выборки сборных унифицированных железобетонных элементов, монолитных участков и монтажных узлов ТП 902-2-260-КС-18 Покрытие. Выборка сборных железобетонных элементов и монтажных узлов ТП 902-2-260-КС-19 Перекрытие. Покрытие. Сечения 1-1 ÷ 9-9. Узлы 1-3. Монолитные плиты ППМ1,ППМ2. Спецификация арматуры ТП 902-2-260-КС-20 Стойка С1. Опалубочный чертеж. Армирование. Спецификация арматуры и стали. Показатели на один элемент ТП 902-2-260-КС-21 Схема крепления путей кран-балки. Балки БМ1,БМ2. Спецификация стали ТП 902-2-260-КС-22 Металлические изделия. Площадка ПМ1. Лестница Л1. Закладная деталь М7. Выборка металлических изделий и узлов. Спецификация ТП 902-2-260-КС-23 Металлические изделия. Лестница Л2. Ограждение МО1. Узлы 4-6. Анкер А1. Спецификация стали ТП 902-2-260-КС-24 Металлические изделия. Схема установки зонта. Зонт ЗМ1. Сечения 1-1÷4-4. Узлы 1,2 ТП 902-2-260-КС-25 Металлические изделия. Зонт ЗМ1. Рамки РМ1,РМ2. Позиции 3-6. Спецификации стали ТП 902-2-260-КС-26 Выборки ТП 902-2-260-КС-27 Выборки |
| Разработан: | Гипрокоммунводоканал Минжилкомхоза РСФСР |
| Утверждён: | 20.06.1975 МЖКХ РСФСР (10ТД) |
| Издан: | ЦИТП Госстроя СССР (CITP, Gosstroy (USSR) 1976 г. ) |











































