Скачать Типовая инструкция по организации системы контроля промышленных выбросов в атмосферу в отраслях промышленностиДата актуализации: 01.01.2021 |
| Статус: | действует |
| Название рус.: | Типовая инструкция по организации системы контроля промышленных выбросов в атмосферу в отраслях промышленности |
| Дата добавления в базу: | 01.09.2013 |
| Дата актуализации: | 01.01.2021 |
| Область применения: | В типовой инструкции даны рекомендации по организации контроля промышленных выбросов в атмосферу в отраслях промышленности, классификации видов контроля и принципам построения отраслевых систем, а также приводятся организационные основы создания и применения автоматизированных систем контроля выбросов в атмосферу в рамках отраслевых систем контроля. |
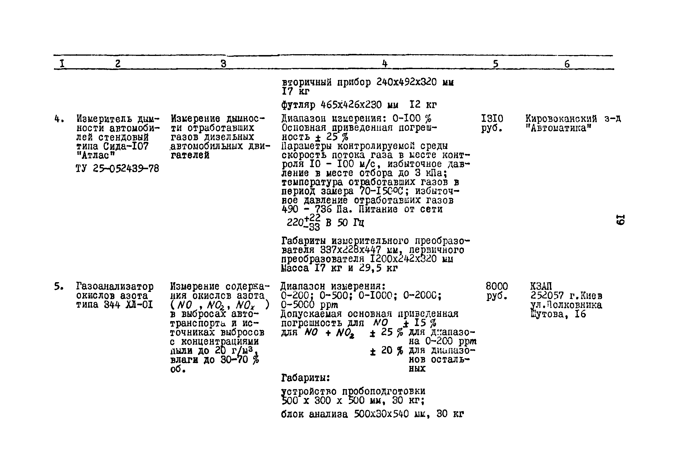
| Оглавление: | 1 Общие положения 2 Принципы построения отраслевых (ведомственных) систем контроля выбросов в атмосферу (ОСКПВА) 3 Виды контроля промышленных выбросов 4 Организация работ по контролю за выбросами на предприятии 5 Автоматизированные системы контроля промышленных выбросов в атмосферу Приложения |
| Разработан: | Главная геофизическая обсерватория им. А.И. Воейкова |
| Утверждён: | 10.06.1986 Госкомгидромет (Goskomgidromet ) |
| Принят: | Государственная инспекция по охране атмосферного воздуха |
| Нормативные ссылки: |
|

























