Скачать Типовой проект 902-2-44 Альбом II. Строительная частьДата актуализации: 01.01.2021
|
| Обозначение: | Типовой проект 902-2-44 |
| Обозначение англ: | 902-2-44 |
| Статус: | не действует |
| Название рус.: | Альбом II. Строительная часть |
| Дата добавления в базу: | 01.09.2013 |
| Дата актуализации: | 01.01.2021 |
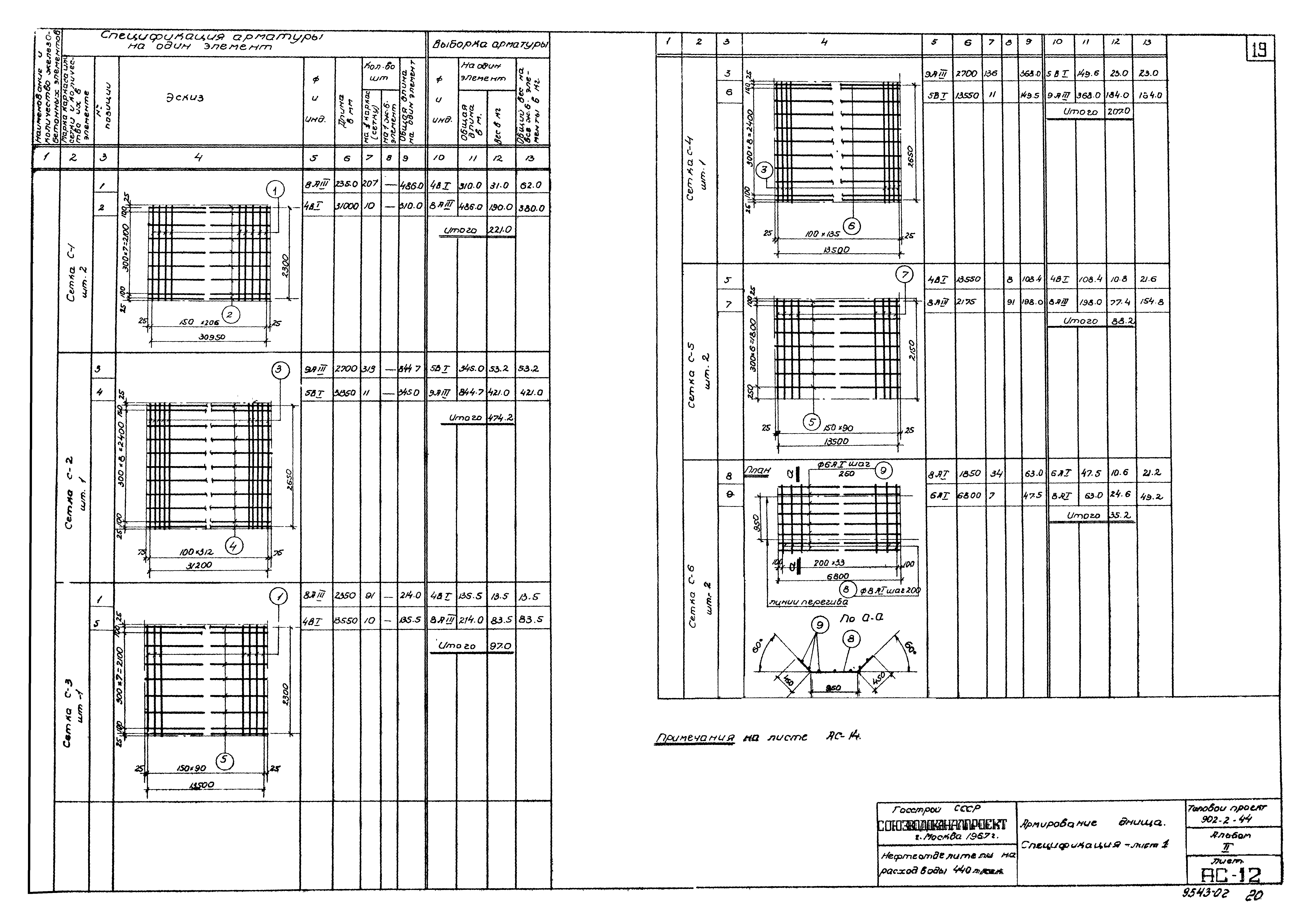
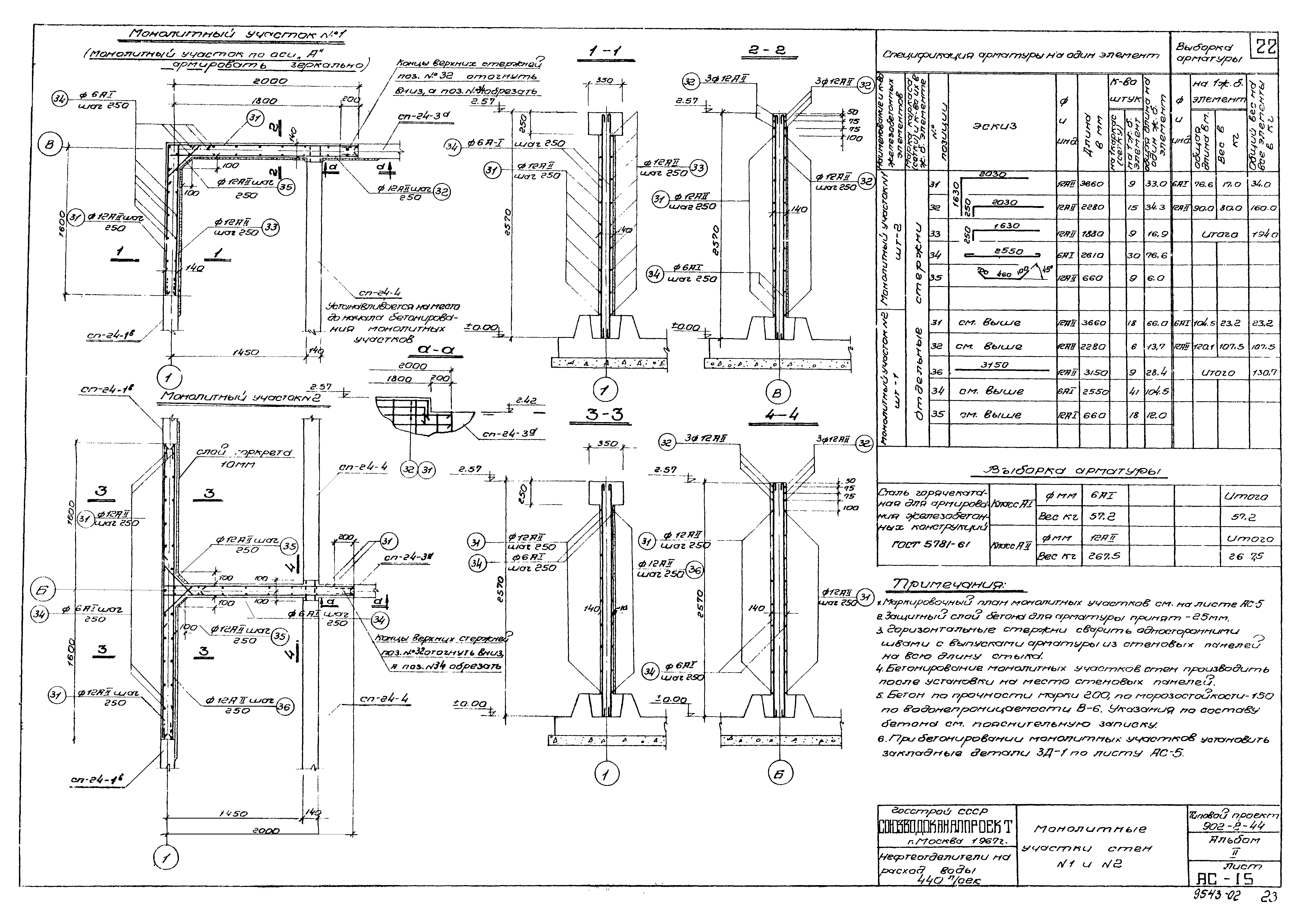
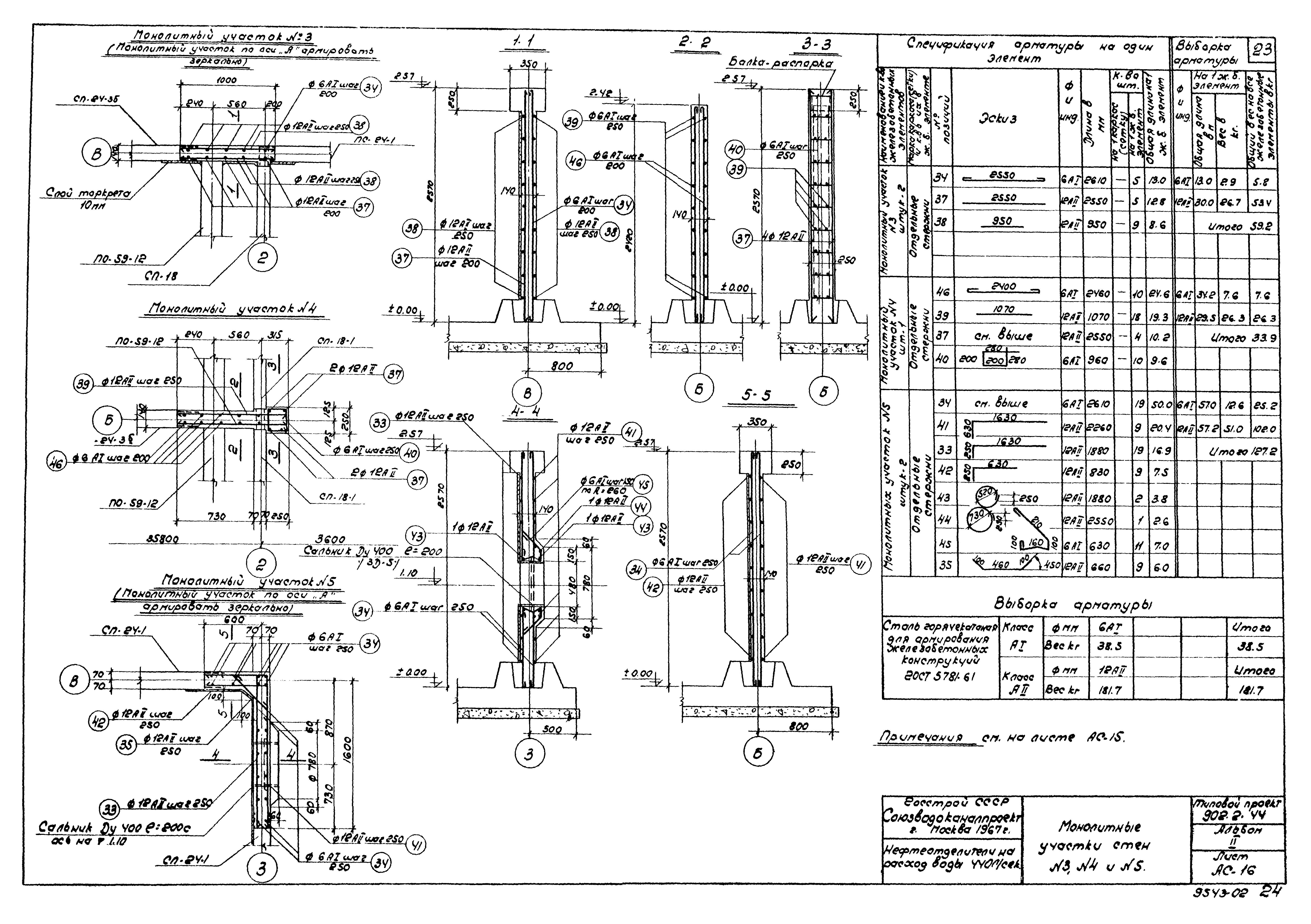
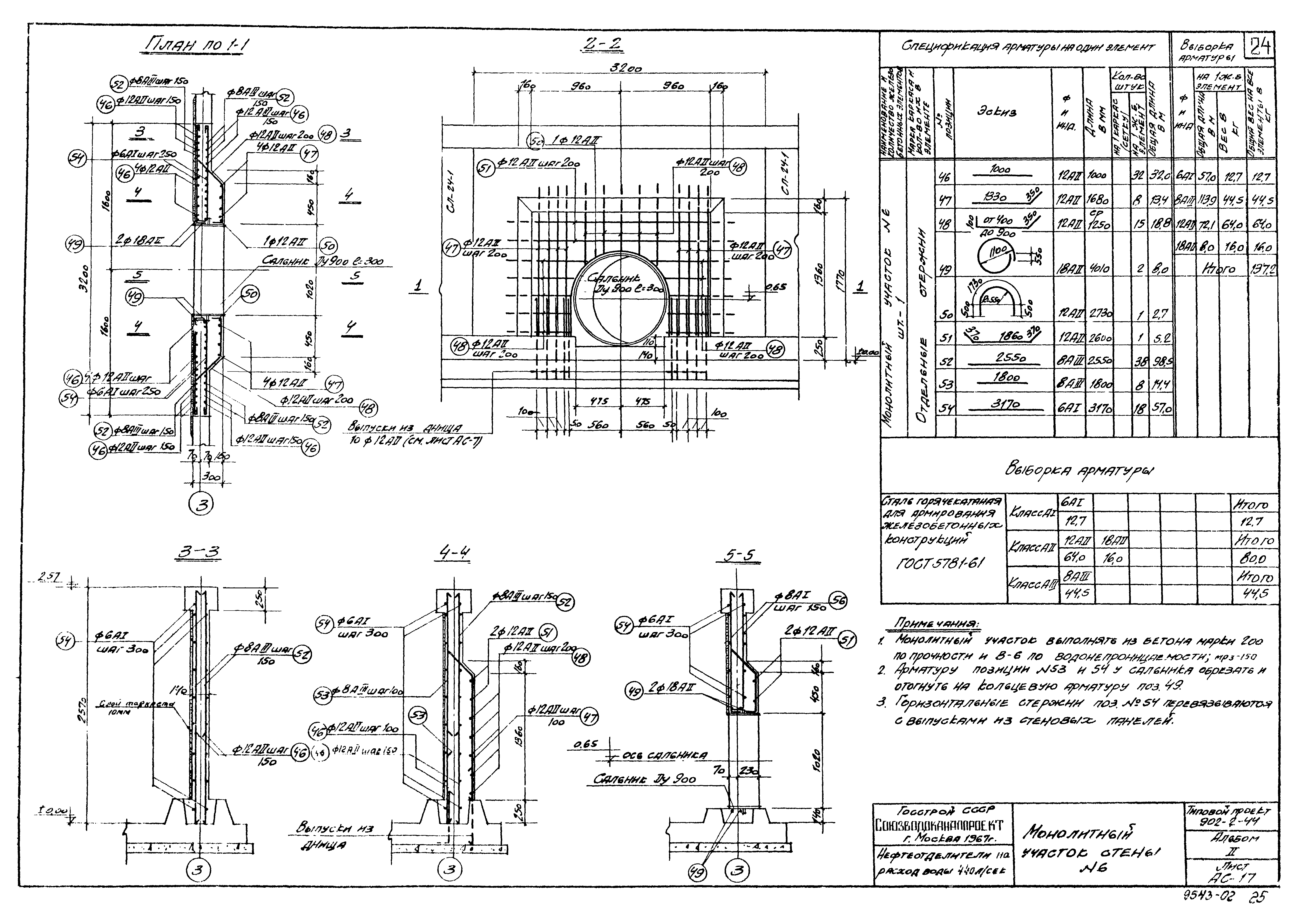
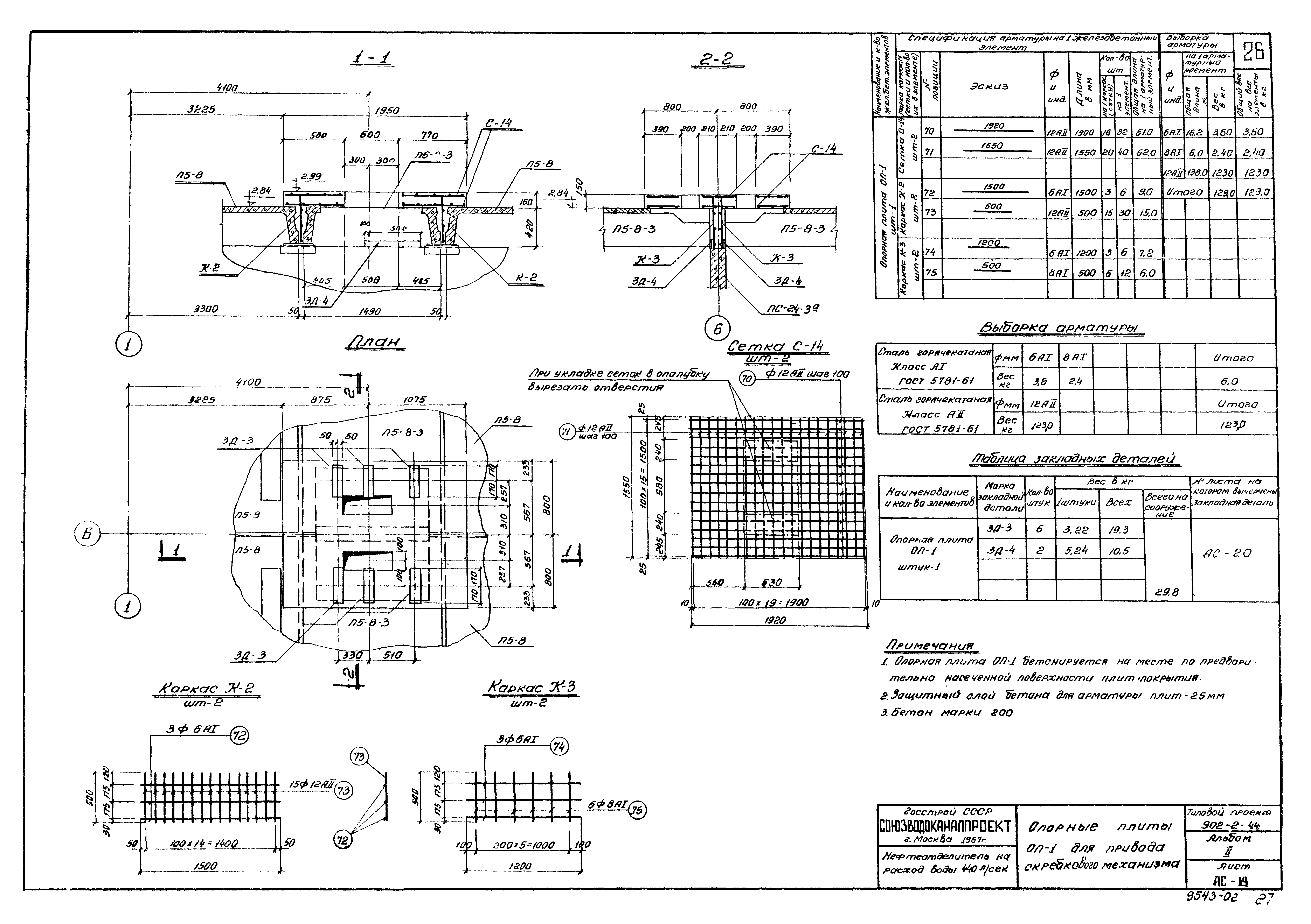
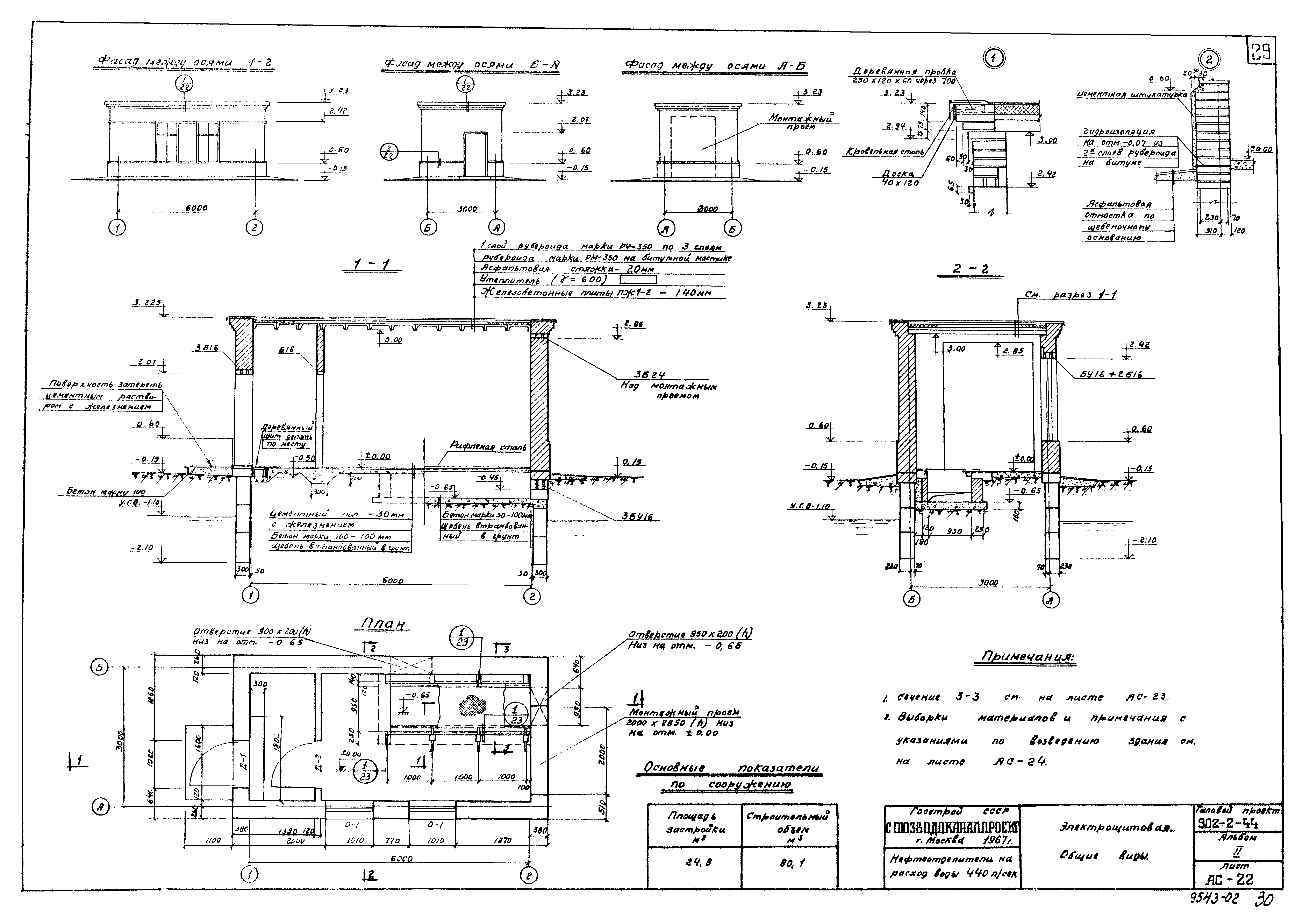
| Оглавление: | ТП 902-2-44-С-1 Содержание альбома ТП 902-2-44-ПЗ-1,2,3,4,5 Пояснительная записка ТП 902-2-44 Чертежи нефтеотделителя ТП 902-2-44-АС-1 Заглавный лист ТП 902-2-44-АС-2 Заказ стали ТП 902-2-44-АС-3 План ТП 902-2-44-АС-4 Разрезы ТП 902-2-44-АС-5 Маркировочный план стеновых панелей и монолитных участков ТП 902-2-44-АС-6 Покрытие и ограждение ТП 902-2-44-АС-7 Опалубочный чертеж днища ТП 902-2-44-АС-8 Армирование днища. План ТП 902-2-44-АС-9 Армирование днища. Разрез 1-1 ТП 902-2-44-АС-10 Армирование днища. Разрезы 2-2 и 3-3 ТП 902-2-44-АС-11 Армирование днища. Разрезы 4-4 и 5-5 ТП 902-2-44-АС-12 Армирование днища. Спецификация - лист 1 ТП 902-2-44-АС-13 Армирование днища. Спецификация - лист 2 ТП 902-2-44-АС-14 Армирование днища. Спецификация - лист 3 ТП 902-2-44-АС-15 Монолитные участки стен № 1 и № 2 ТП 902-2-44-АС-16 Монолитные участки стен № 3,№ 4 и № 5 ТП 902-2-44-АС-17 Монолитный участок стены № 6 ТП 902-2-44-АС-18 Монолитные обвязки стен ТП 902-2-44-АС-19 Опорные плиты ОП-1 для привода скребкового механизма ТП 902-2-44-АС-20 Стальные изделия ТП 902-2-44-АС-21 Секции ограждения ТП 902-2-44 Чертежи электрощитовой при нефтеотделителе ТП 902-2-44-АС-22 Общие виды ТП 902-2-44-АС-23 Подземная часть ТП 902-2-44-АС-24 Ведомость сборных бетонных и железобетонных изделий. Заказ стали |
| Разработан: | Союзводоканалниипроект |
| Утверждён: | 07.12.1967 СоюзводоканалНИИпроект (SoyuzvodokanalNIIproject 251) |






























