Скачать Типовой проект 902-2-44 Альбом IV/69. СметыДата актуализации: 01.01.2021
|
| Обозначение: | Типовой проект 902-2-44 |
| Обозначение англ: | 902-2-44 |
| Статус: | не действует |
| Название рус.: | Альбом IV/69. Сметы |
| Дата добавления в базу: | 01.09.2013 |
| Дата актуализации: | 01.01.2021 |
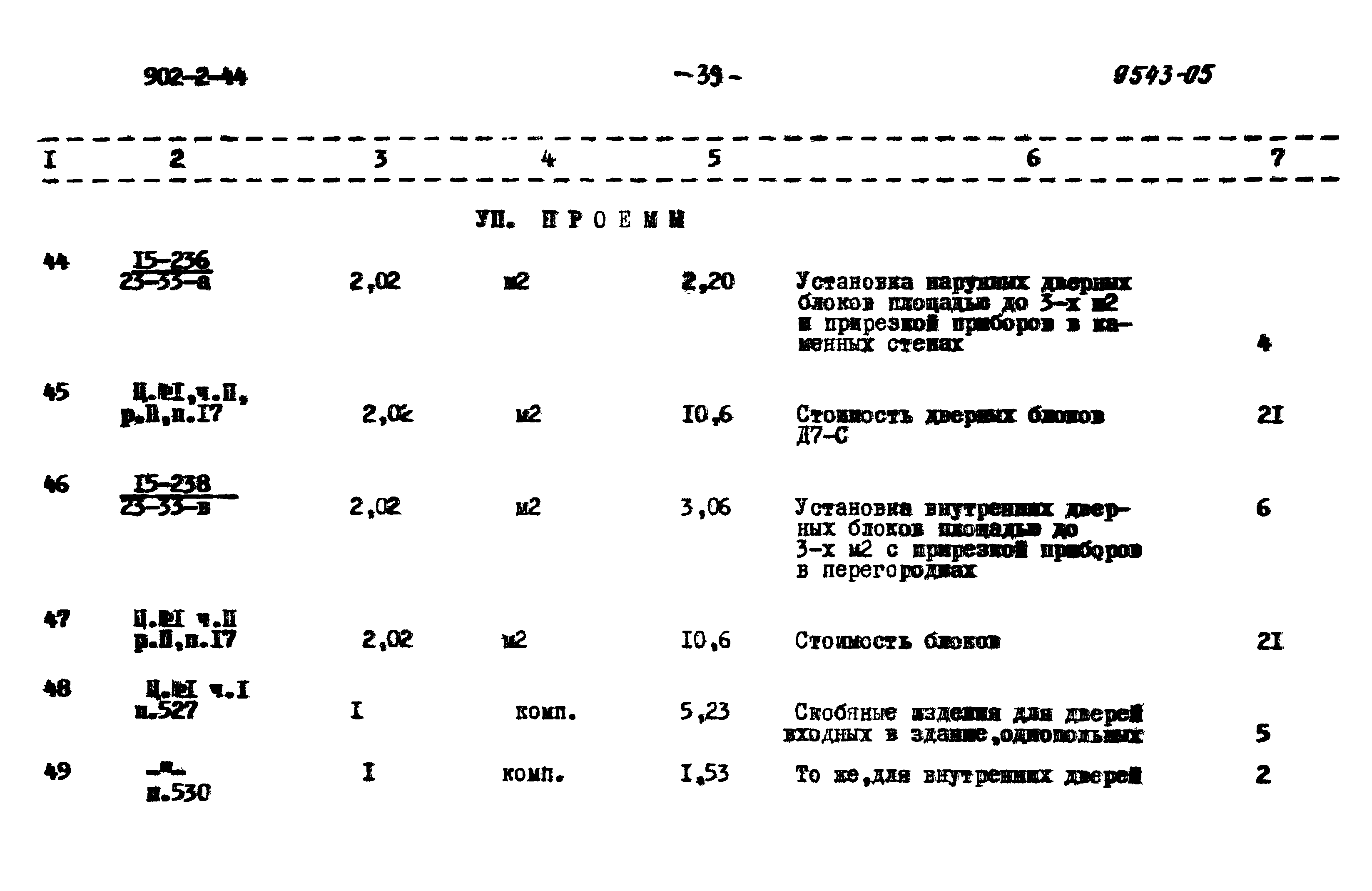
| Оглавление: | ТП 902-2-44 Пояснительная записка ТП 902-2-44 Объектная смета ТП 902-2-44 Смета № 1 на общестроительные работы нефтеотделителя ТП 902-2-44 Смета № 2 на технологическое оборудование ТП 902-2-44 Смета № 3 на общестроительные работы электрощитовой ТП 902-2-44 Смета № 4 на отопление щитового помещения при теплоносителе пар ТП 902-2-44 Смета № 5 на отопление щитового помещения при теплоносителе перегретая вода ТП 902-2-44 Смета № 6 на электрооборудование и автоматику ТП 902-2-44 Смета № 7 на электроосвещение ТП 902-2-44 Калькуляция № 1 |
| Разработан: | Союзводоканалниипроект |
| Утверждён: | 07.12.1967 СоюзводоканалНИИпроект (SoyuzvodokanalNIIproject 251) |


































































