Скачать Серия 3.407.9-138 Выпуск 2. Стальные порталы ошиновки. Рабочие чертежиДата актуализации: 01.01.2021
|
| Обозначение: | Серия 3.407.9-138 |
| Обозначение англ: | Series 3.407.9-138 |
| Статус: | не действует |
| Название рус.: | Выпуск 2. Стальные порталы ошиновки. Рабочие чертежи |
| Дата добавления в базу: | 01.09.2013 |
| Дата актуализации: | 01.01.2021 |
| Дата введения: | 27.08.1986 |
| Дата окончания срока действия: | 01.02.1989 |
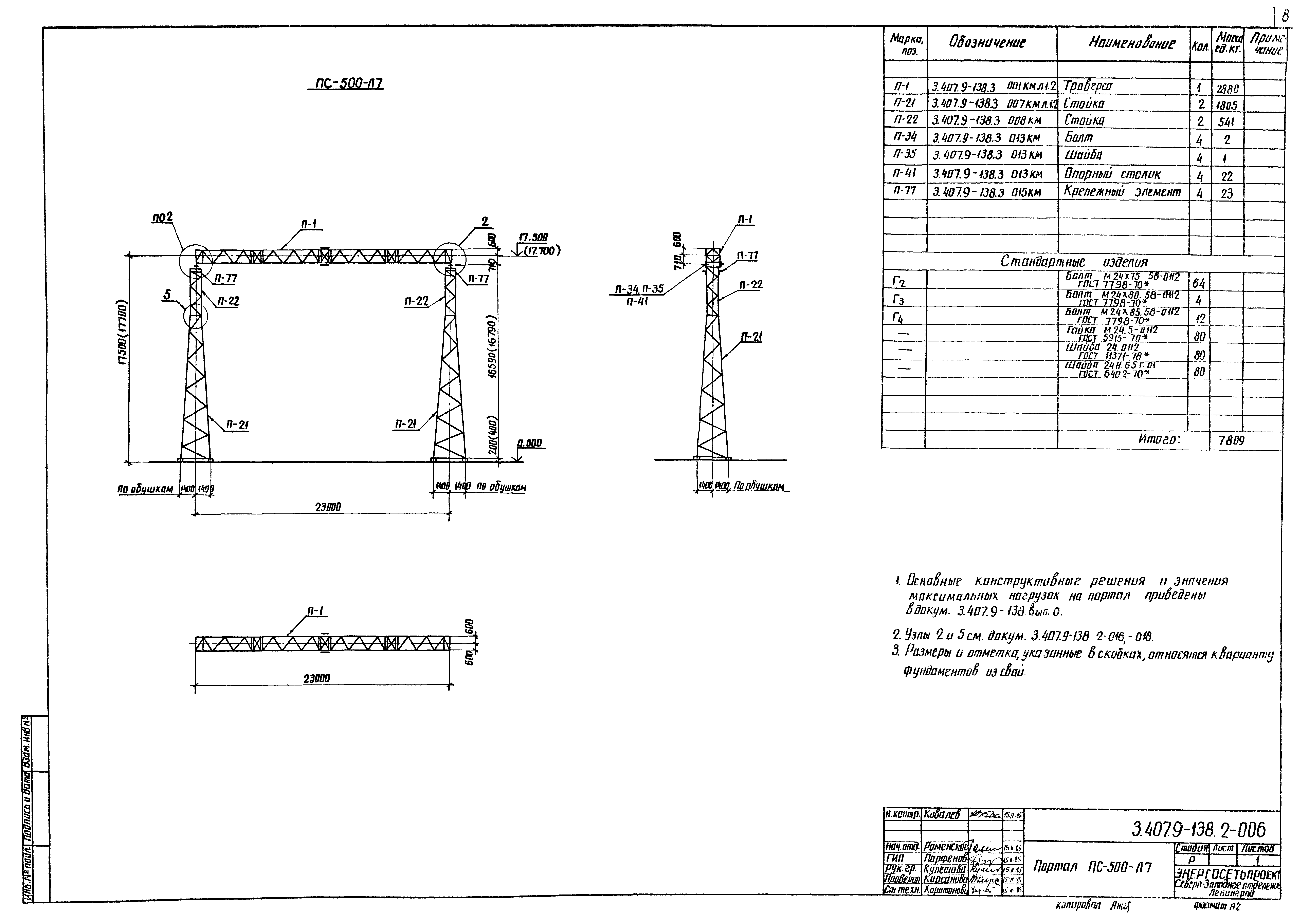
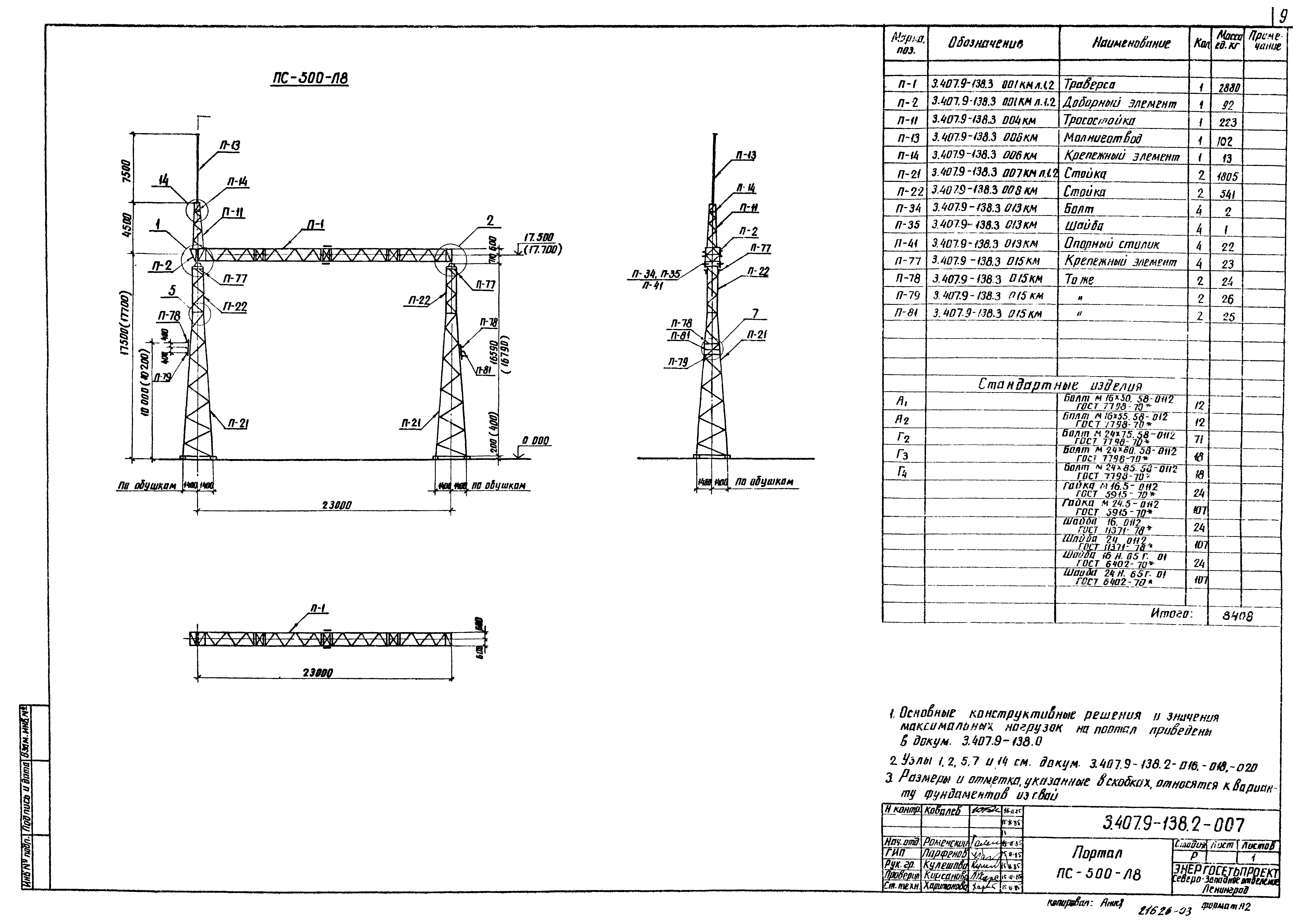
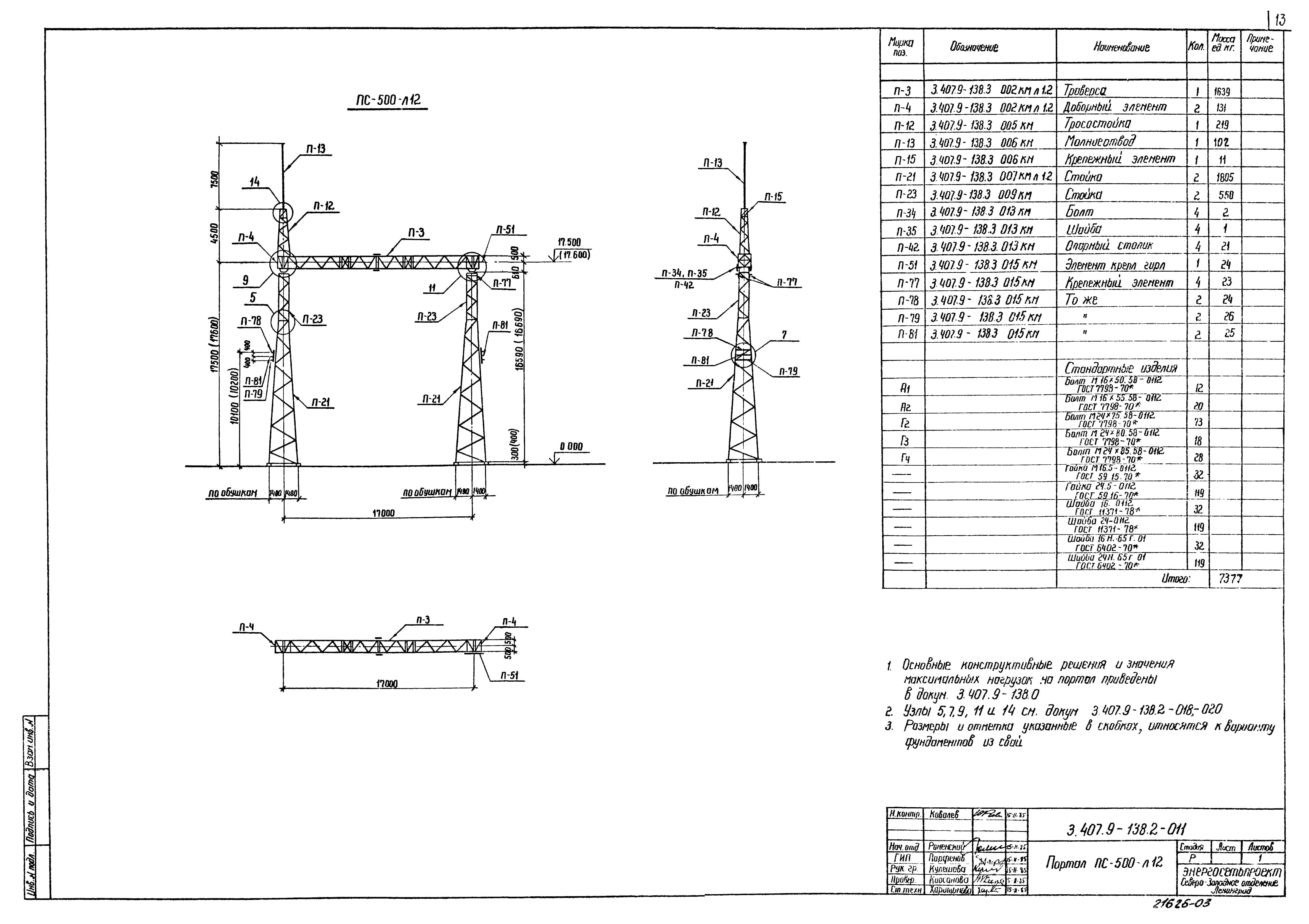
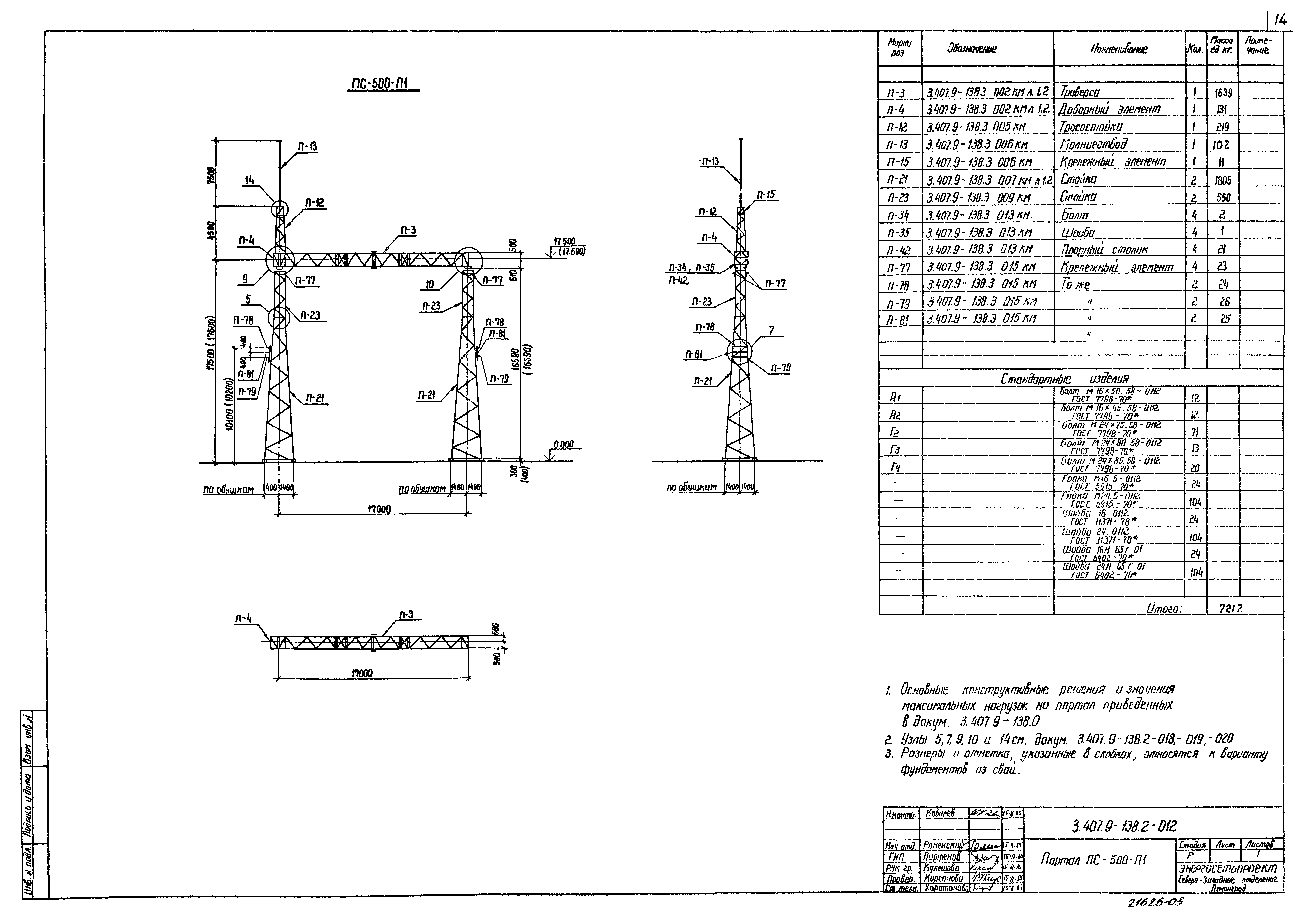
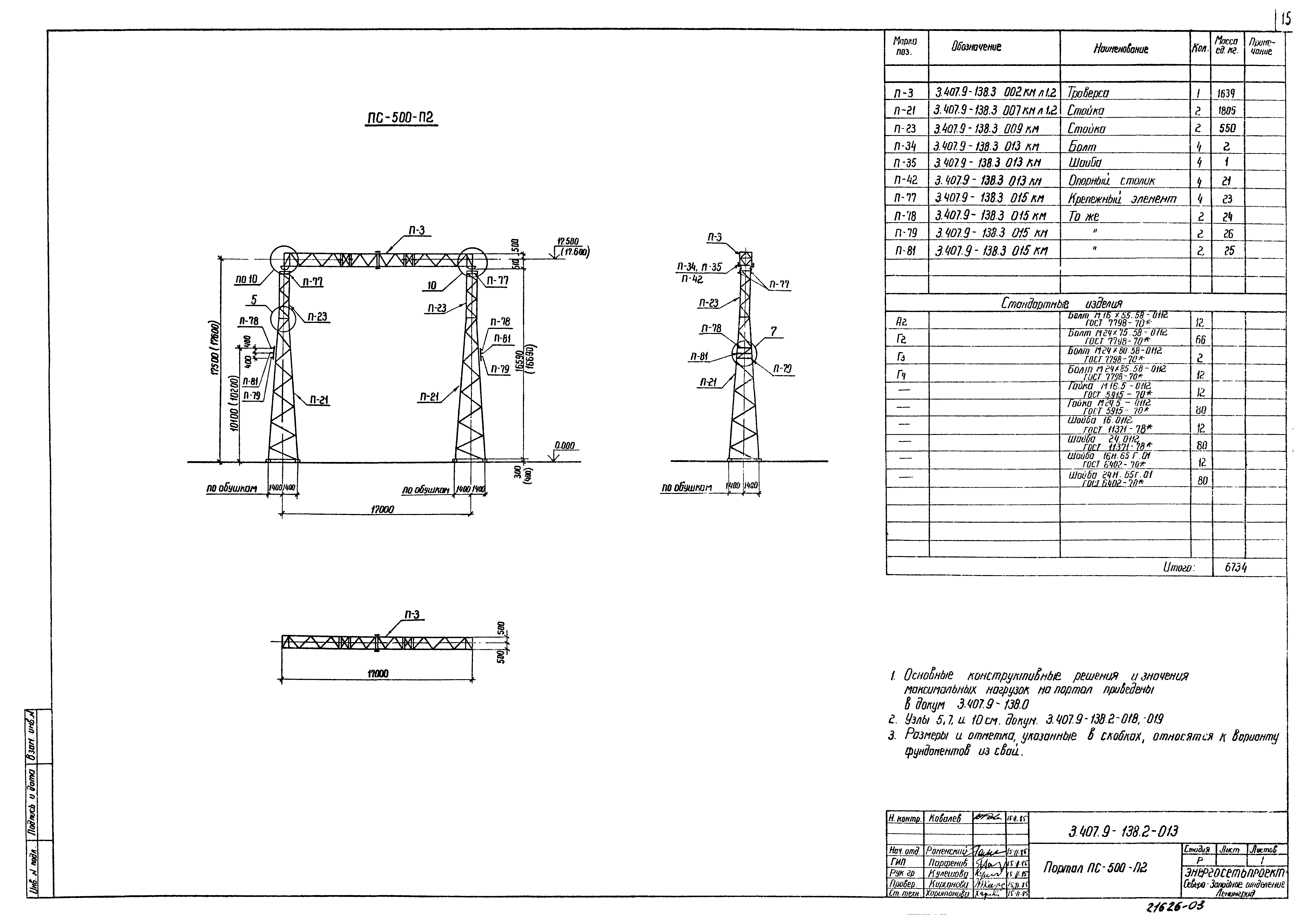
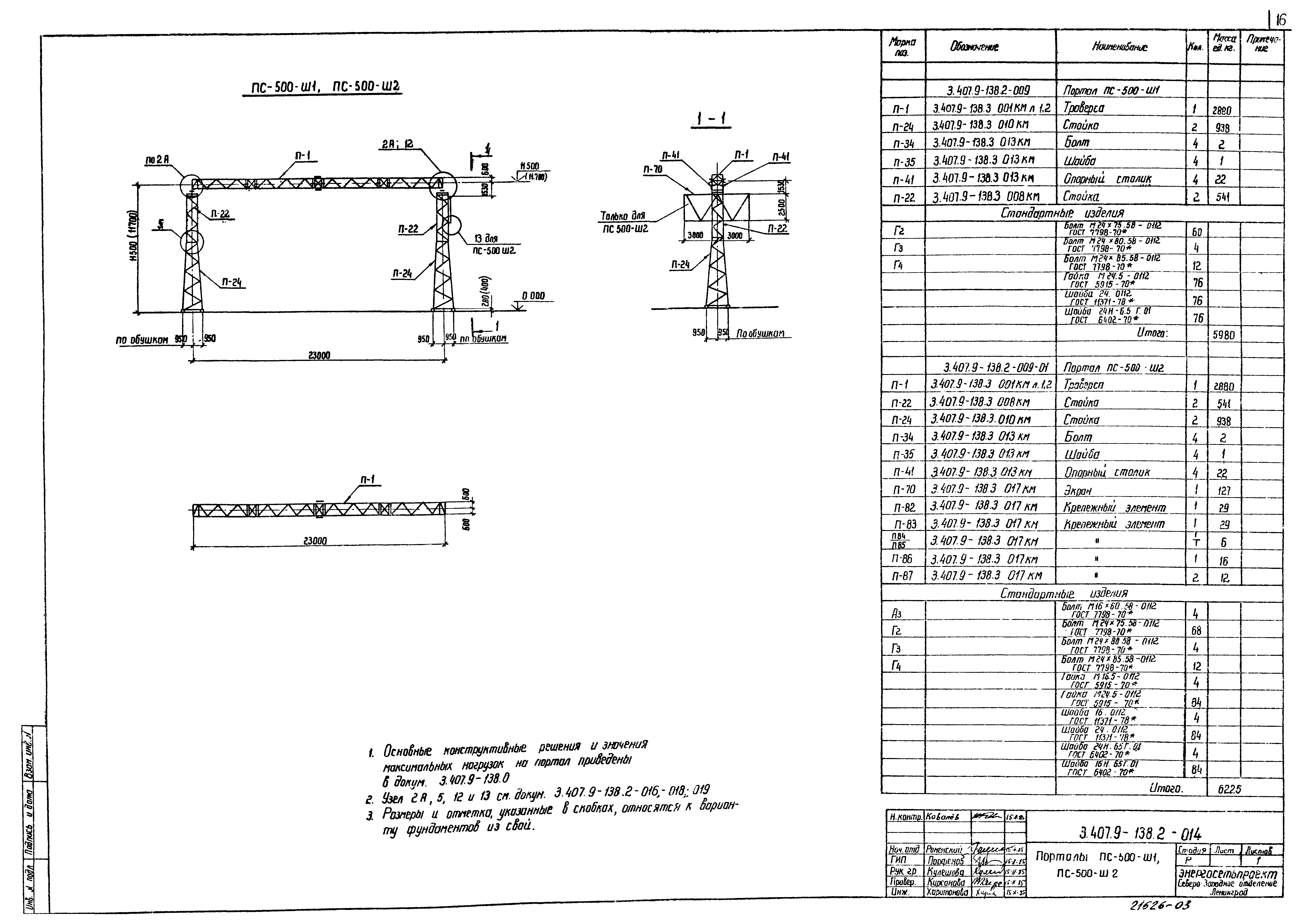
| Оглавление: | 3.407.9-138.2-000 Содержание 3.407.9-138.2-001 Порталы ПС-500-Л.1, ПС-500-Л.2 3.407.9-138.2-002 Порталы ПС-500-Л.3 3.407.9-138.2-003 Порталы ПС-500-Л.4 3.407.9-138.2-004 Порталы ПС-500-Л.5 3.407.9-138.2-005 Порталы ПС-500-Л.6 3.407.9-138.2-006 Порталы ПС-500-Л.7 3.407.9-138.2-007 Порталы ПС-500-Л.8 3.407.9-138.2-008 Порталы ПС-500-Л.9 3.407.9-138.2-009 Порталы ПС-500-Л.10 3.407.9-138.2-010 Порталы ПС-500-Л.11 3.407.9-138.2-011 Порталы ПС-500-Л.12 3.407.9-138.2-012 Порталы ПС-500-П1 3.407.9-138.2-013 Порталы ПС-500-П2 3.407.9-138.2-014 Порталы ПС-500-Ш1, ПС-500-Ш2 3.407.9-138.2-015 Одностоечные опоры ОС-1, ОС-2 3.407.9-138.2-016 Узел (1, 2, 2А) 3.407.9-138.2-017 Узел (3, 4) 3.407.9-138.2-018 Узел (5...9, 11) 3.407.9-138.2-019 Узел (10, 12, 13) 3.407.9-138.2-020 Узел 14 3.407.9-138.2-021 Фундаменты из подножников П-1...П-6, П-1А...П-3А 3.407.9-138.2-022 Свайные фундаменты СВ-1...СВ-8 3.407.9-138.2-023 Узлы крепления стоек к фундаментам. Узел (А, Б, В) |
| Разработан: | Северо-западное отделение института Энергосетьпроект |
| Утверждён: | 27.08.1986 Минэнерго СССР (USSR Minenergo 25) |
| Чем заменён: |


























