Скачать Серия 3.407.9-138 Выпуск 3. Стальные конструкции. Чертежи КМДата актуализации: 01.01.2021
|
| Обозначение: | Серия 3.407.9-138 |
| Обозначение англ: | Series 3.407.9-138 |
| Статус: | не действует |
| Название рус.: | Выпуск 3. Стальные конструкции. Чертежи КМ |
| Дата добавления в базу: | 01.09.2013 |
| Дата актуализации: | 01.01.2021 |
| Дата введения: | 27.08.1986 |
| Дата окончания срока действия: | 01.02.1989 |
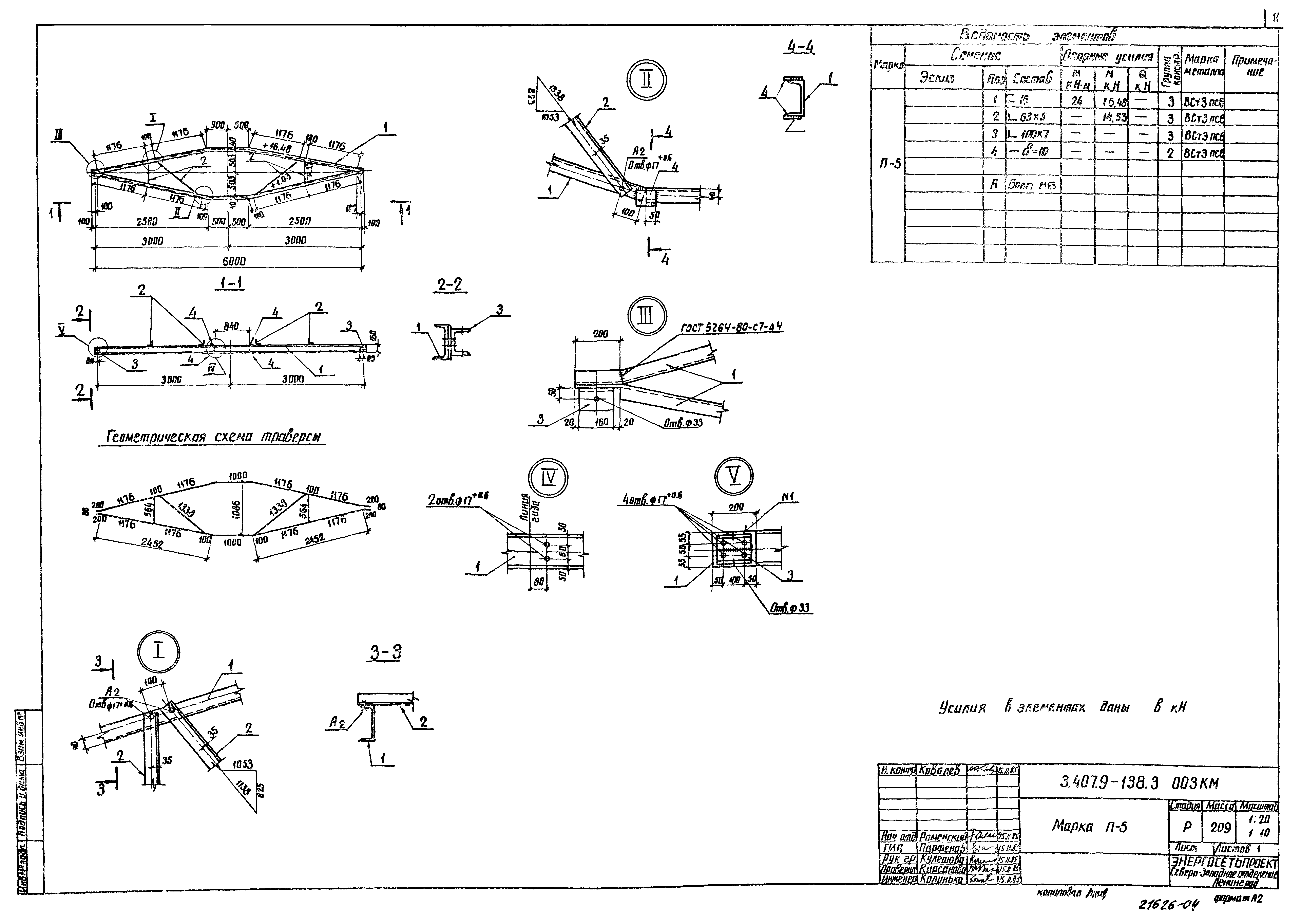
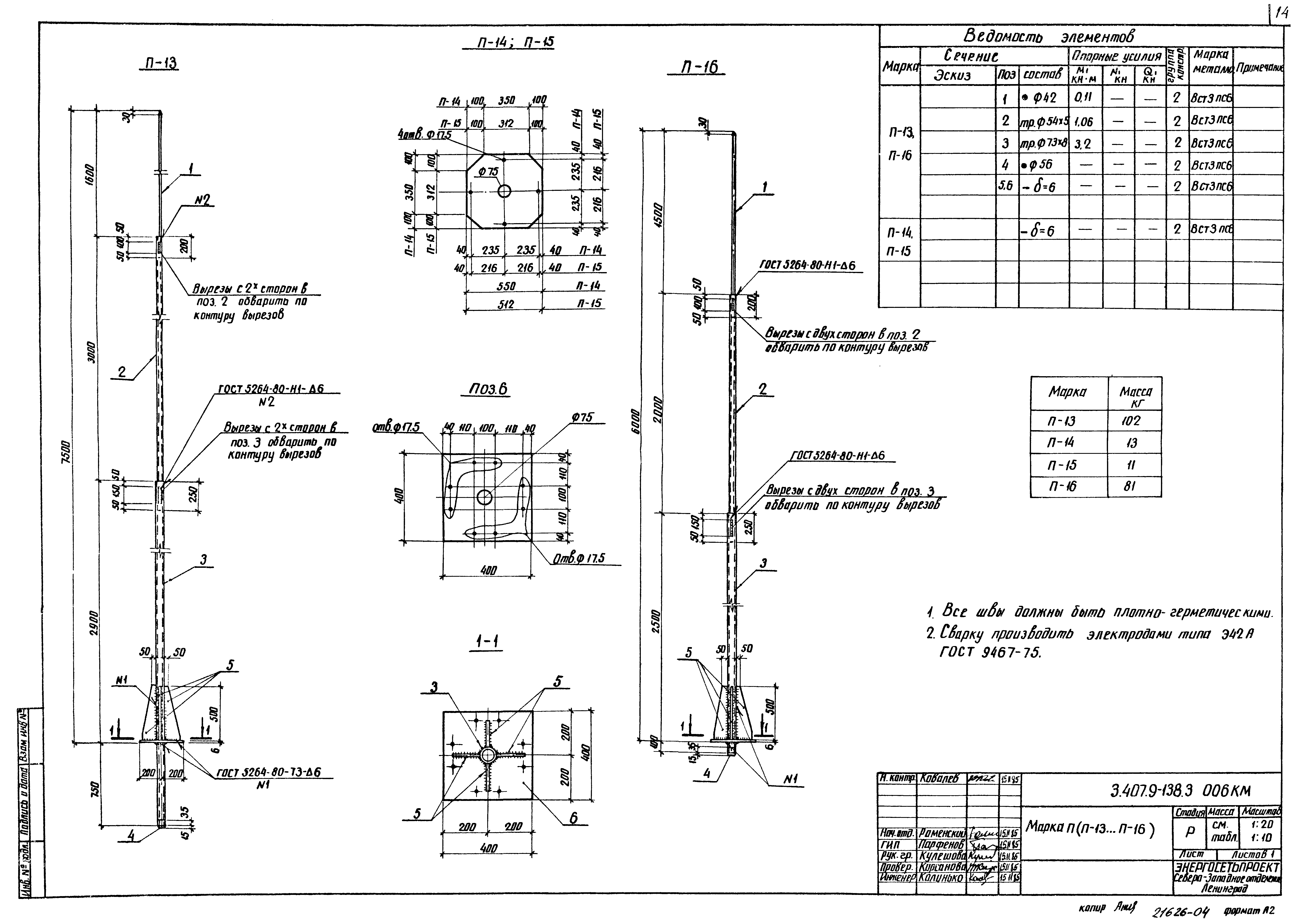
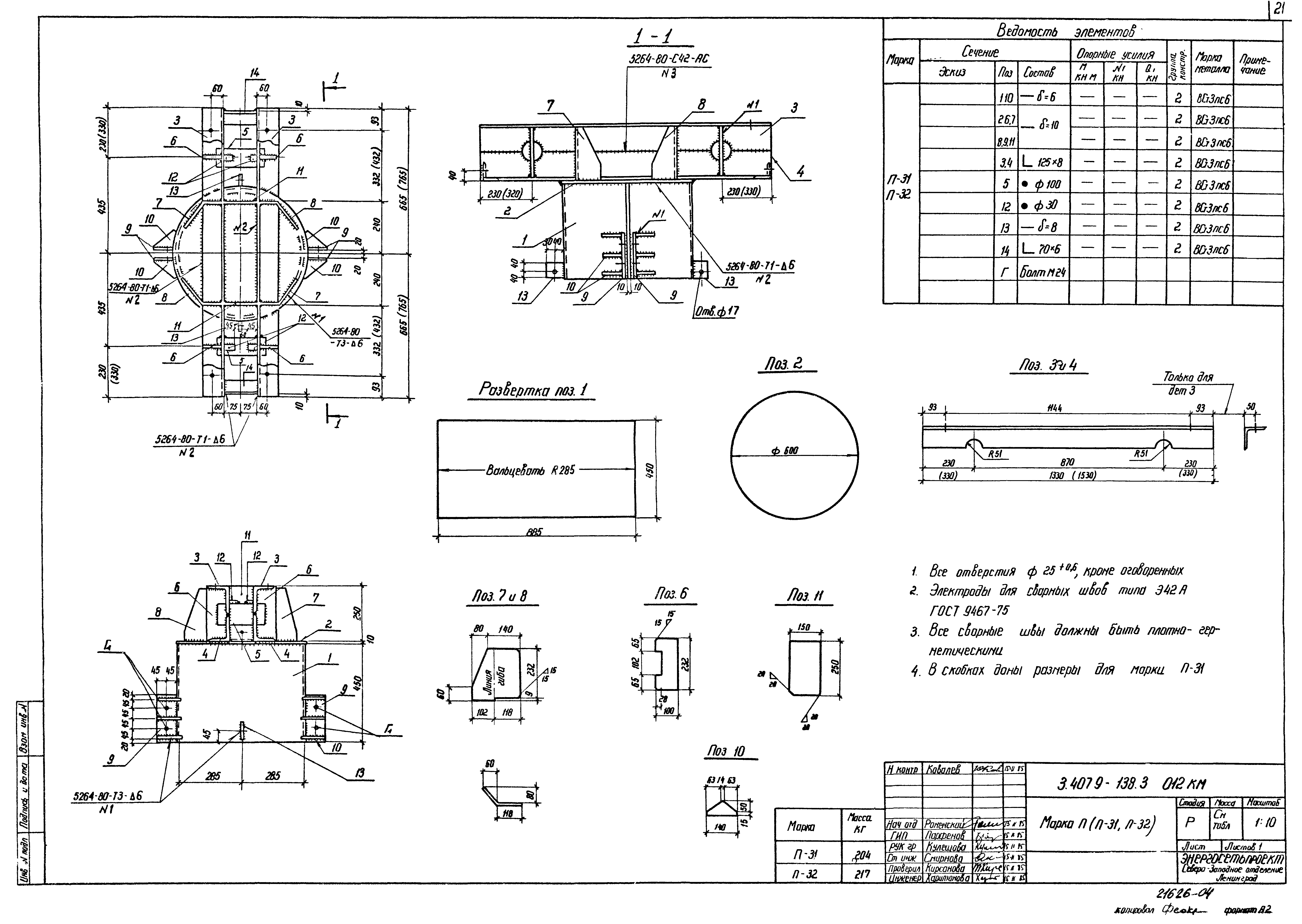
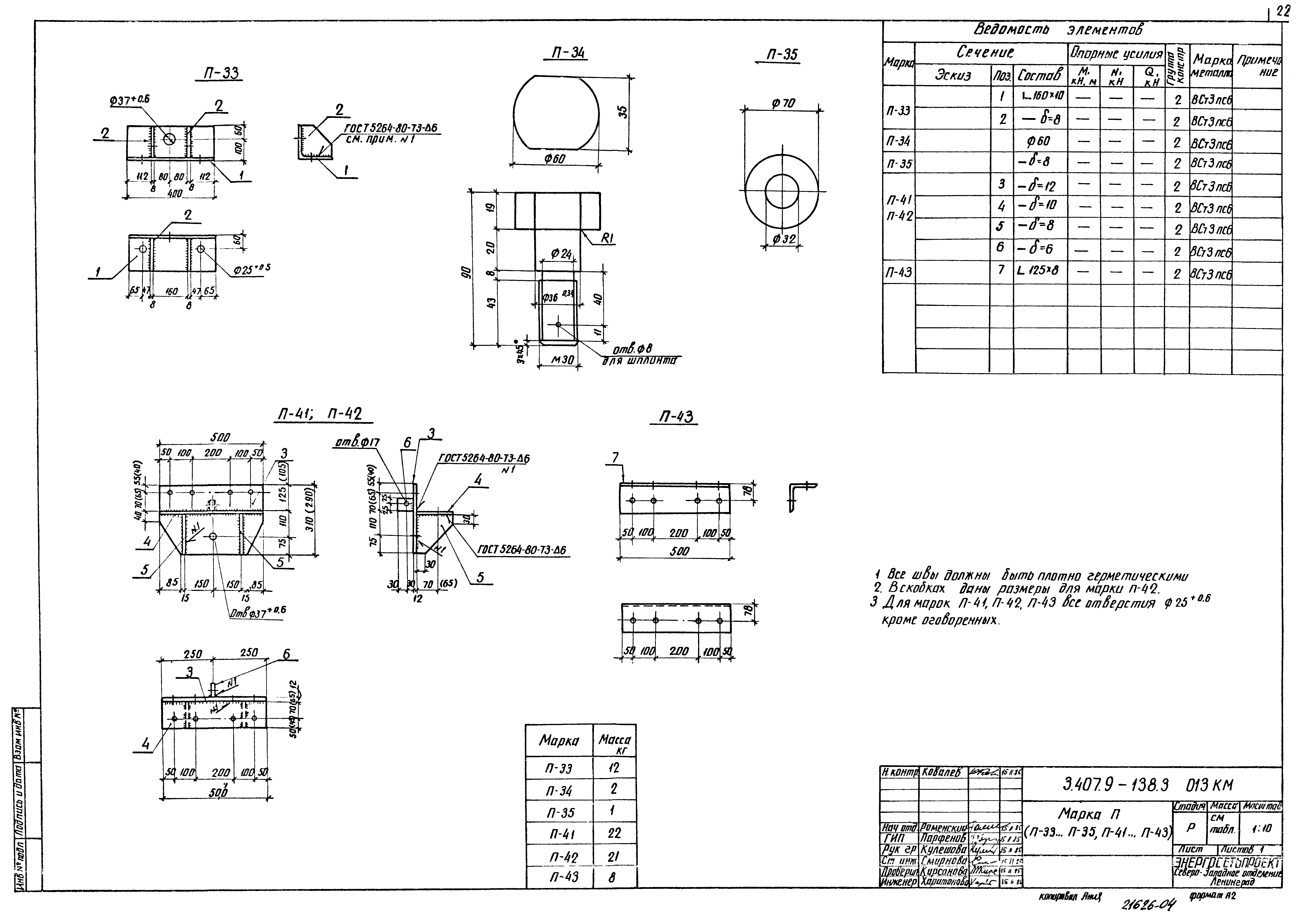
| Оглавление: | 3.407.9-138.3 000 Содержание 3.407.9-138.3 000ТО Техническое описание 3.407.9-138.3 000Д1 Ведомость расхода стали 3.407.9-138.3 000Д2 Ведомость металлоконструкций по видам профилей 3.407.9-138.3 001КМ Л.1,2 Марка П(П-1, П-2) 3.407.9-138.3 002КМ Л.1,2 Марка П(П-3, П-4) 3.407.9-138.3 003КМ Марка П-5 3.407.9-138.3 004КМ Марка П-11 3.407.9-138.3 005КМ Марка П-12 3.407.9-138.3 006КМ Марка П(П-13...П-16) 3.407.9-138.3 007КМ Л.1,2 Марка П(П-21, П-21А) 3.407.9-138.3 008КМ Марка П(П-22, П-22А) 3.407.9-138.3 009КМ Марка П-23 3.407.9-138.3 010КМ Марка П-24 3.407.9-138.3 011КМ Марка П-25 3.407.9-138.3 012КМ Марка П(П-31, П-32) 3.407.9-138.3 013КМ Марка П(П-33...П-35, П-41...П-43) 3.407.9-138.3 014КМ Марка П-36 3.407.9-138.3 015КМ Марка П(П-50, П-51, П-77...П-81) 3.407.9-138.3 016КМ Марка П(П-52, П-53, П-54) 3.407.9-138.3 017КМ Марка П(П-70, П-82...П-87) 3.407.9-138.3 018КМ Марка П(П-71...П-76) 3.407.9-138.3 019КМ Марка П(П-88, П-89) |
| Разработан: | Северо-западное отделение института Энергосетьпроект |
| Утверждён: | 27.08.1986 Минэнерго СССР (USSR Minenergo 25) |
| Чем заменён: |





























