Скачать Типовой проект 902-2-269 Альбом III. Архитектурно-строительные чертежи четырехсекционного аэротенка-смесителяДата актуализации: 01.01.2021
|
| Обозначение: | Типовой проект 902-2-269 |
| Обозначение англ: | 902-2-269 |
| Статус: | действует |
| Название рус.: | Альбом III. Архитектурно-строительные чертежи четырехсекционного аэротенка-смесителя |
| Дата добавления в базу: | 01.09.2013 |
| Дата актуализации: | 01.01.2021 |
| Дата введения: | 05.11.1976 |
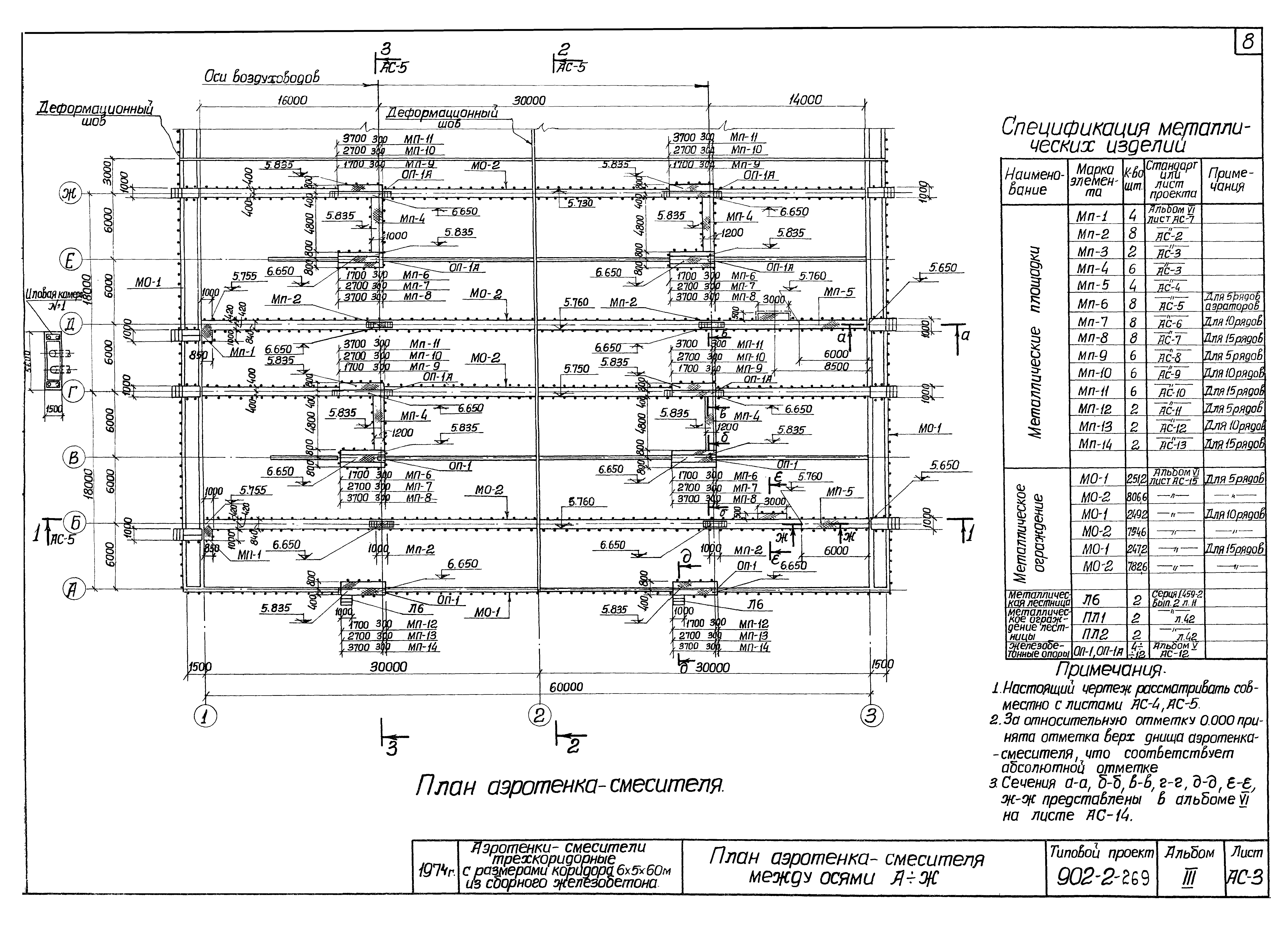
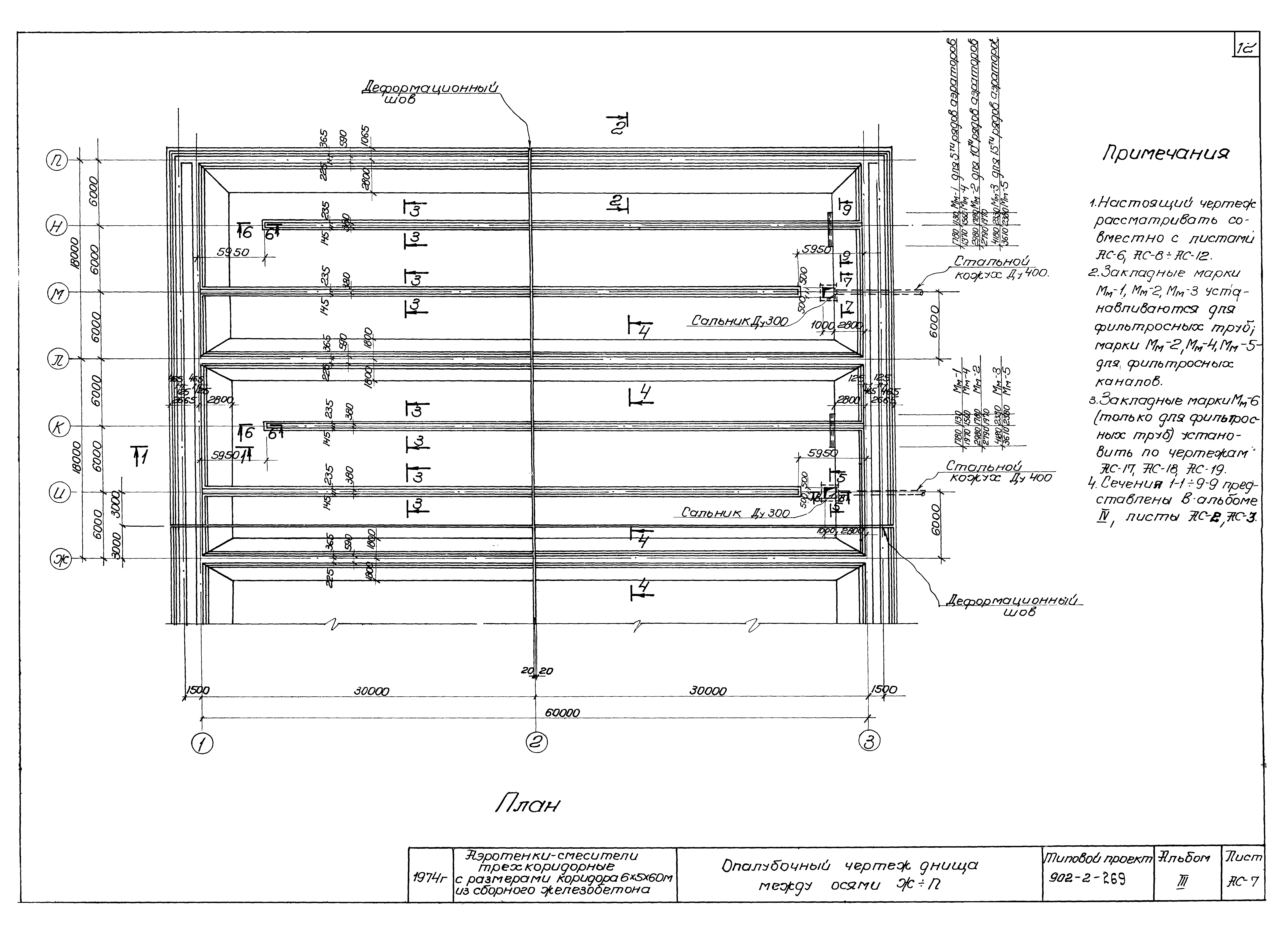
| Оглавление: | ТП 902-2-269-ПЗ-1 Содержание альбома ТП 902-2-269-ПЗ-2, ПЗ-3, ПЗ-4 Пояснительная записка ТП 902-2-269-АС-1 Заглавный лист ТП 902-2-269-АС-2 Выборка материалов на стальные и железобетонные конструкции аэротенка ТП 902-2-269-АС-3 План аэротенка-смесителя между осями А-Ж ТП 902-2-269-АС-4 План аэротенка-смесителя между осями Ж-П ТП 902-2-269-АС-5 Разрезы 1-1 ÷ 3-3 ТП 902-2-269-АС-6 Опалубочный чертеж днища между осями А-Ж ТП 902-2-269-АС-7 Опалубочный чертеж днища между осями Ж-П ТП 902-2-269-АС-8 Армирование днища. План нижних и верхних сеток между осями А-Ж ТП 902-2-269-АС-9 Армирование днища. План нижних и верхних сеток между осями Ж-П ТП 902-2-269-АС-10 Армирование днища. Сечения 1-1 ÷ 9-9 ТП 902-2-269-АС-11 Армирование днища. Сетки С1-С17 ТП 902-2-269-АС-12 Армирование днища. Спецификация и выборка арматуры ТП 902-2-269-АС-13 Монтажный план стеновых и перегородочных панелей между осями А-Ж ТП 902-2-269-АС-14 Монтажный план стеновых и перегородочных панелей между осями Ж-П ТП 902-2-269-АС-15 Виды 1-1 ÷ 4-4 ТП 902-2-269-АС-16 Монтажный план балок, лотков, плит перекрытия лотков и ходовых мостиков ТП 902-2-269-АС-17 План набетонки и пористых труб (5 рядов аэраторов). Сечения ТП 902-2-269-АС-18 План набетонки и пористых труб (10 рядов аэраторов). Сечения ТП 902-2-269-АС-19 План набетонки и пористых труб (15 рядов аэраторов). Сечения ТП 902-2-269-АС-20 План набетонки и фильтросных каналов (5 рядов аэраторов). Сечения ТП 902-2-269-АС-21 План набетонки и фильтросных каналов (10 рядов аэраторов). Сечения ТП 902-2-269-АС-22 План набетонки и фильтросных каналов (15 рядов аэраторов). Сечения ТП 902-2-269-АС-23 Вариант с полносборными стенами и гибкими сопряжениями стеновых панелей в углах. Монтажный план стеновых панелей между осями А-Ж ТП 902-2-269-АС-24 Вариант с полносборными стенами и гибкими сопряжениями стеновых панелей в углах. Монтажный план стеновых панелей между осями Ж-П ТП 902-2-269-АС-25 Вариант с полносборными стенами и гибкими сопряжениями стеновых панелей в углах. Виды 1-1÷4-4 |
| Разработан: | ЦНИИпромзданий Союзводоканалниипроект |
| Утверждён: | 09.12.1975 Главпромстройпроект Госстроя СССР |






























