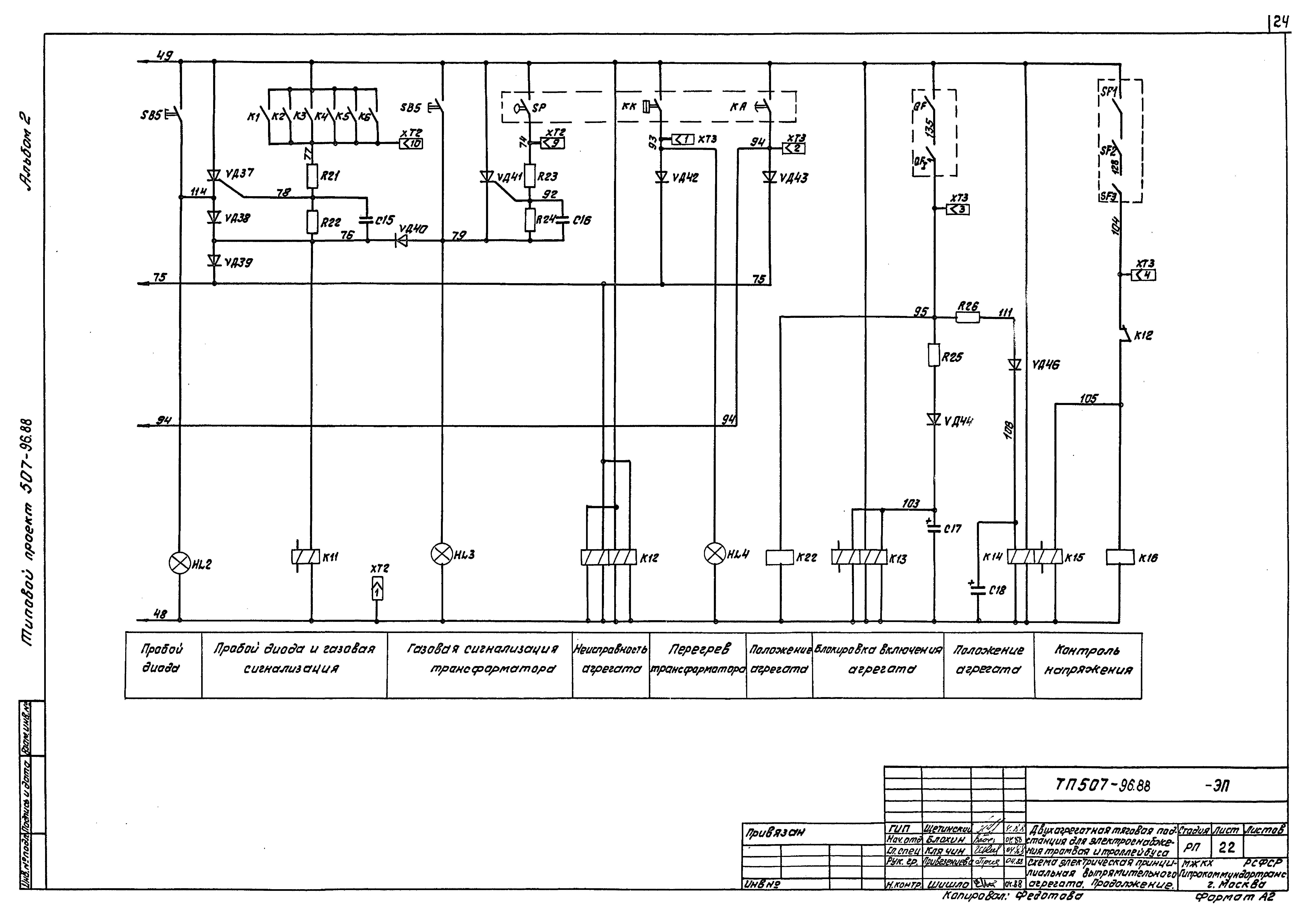
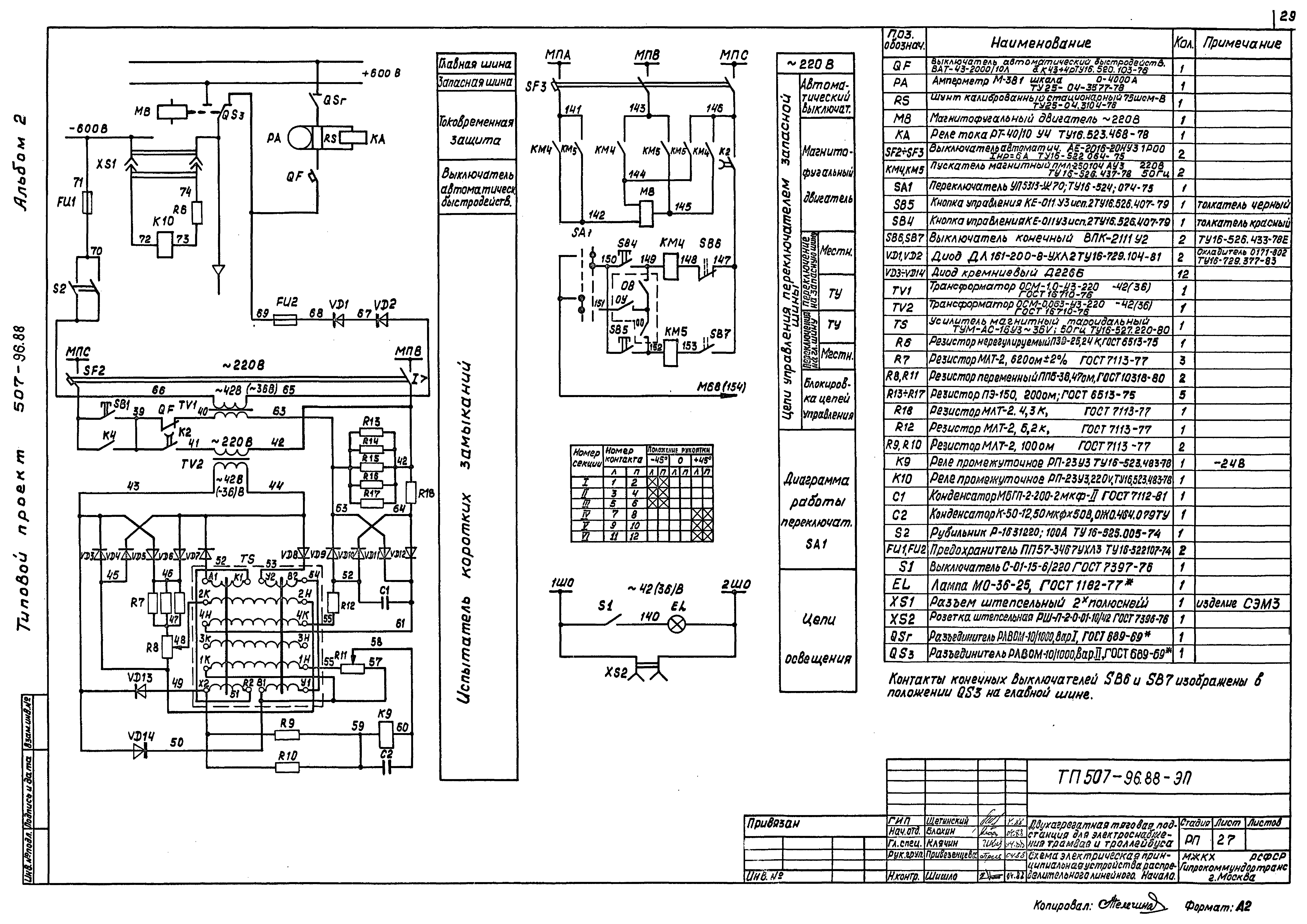
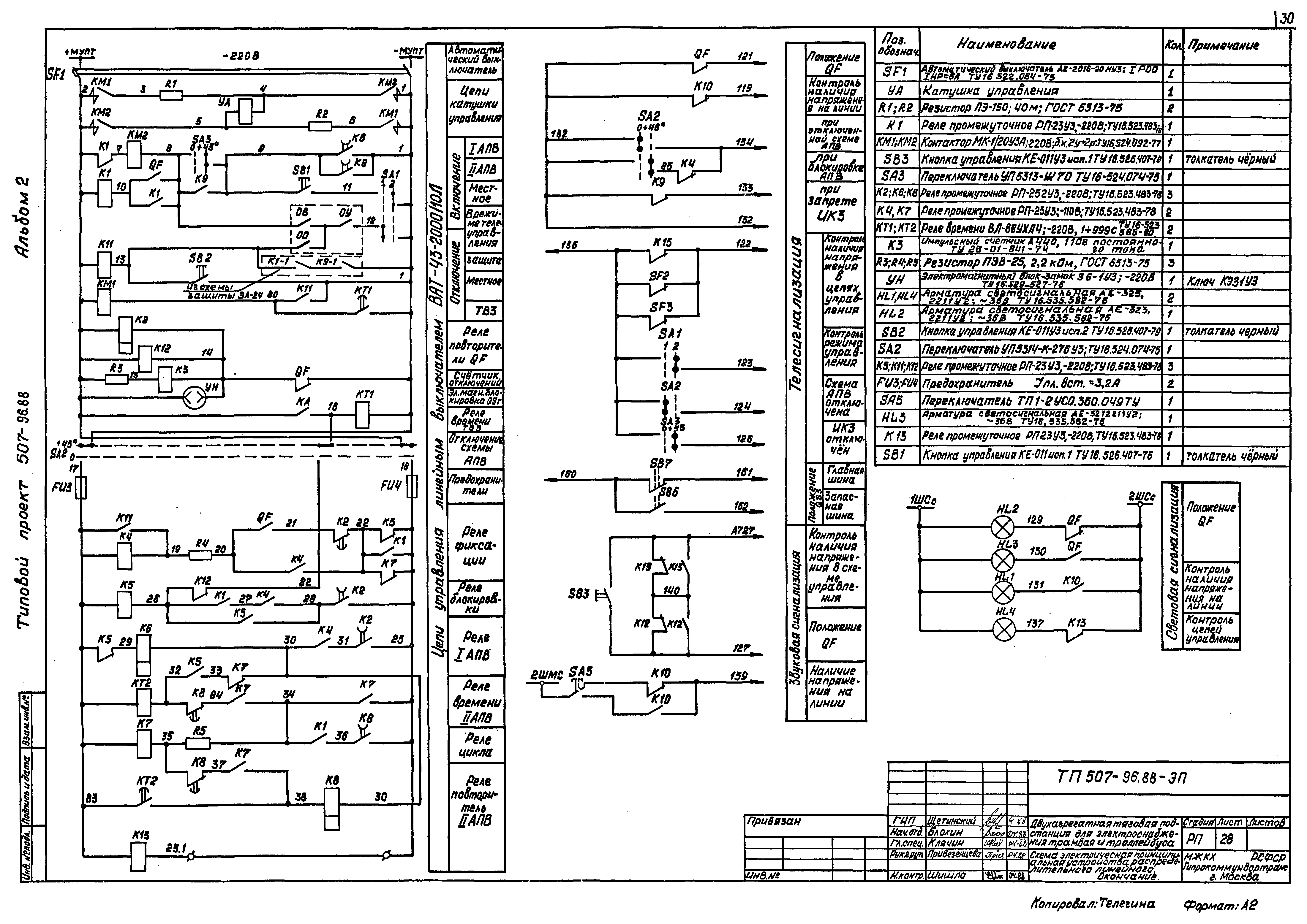
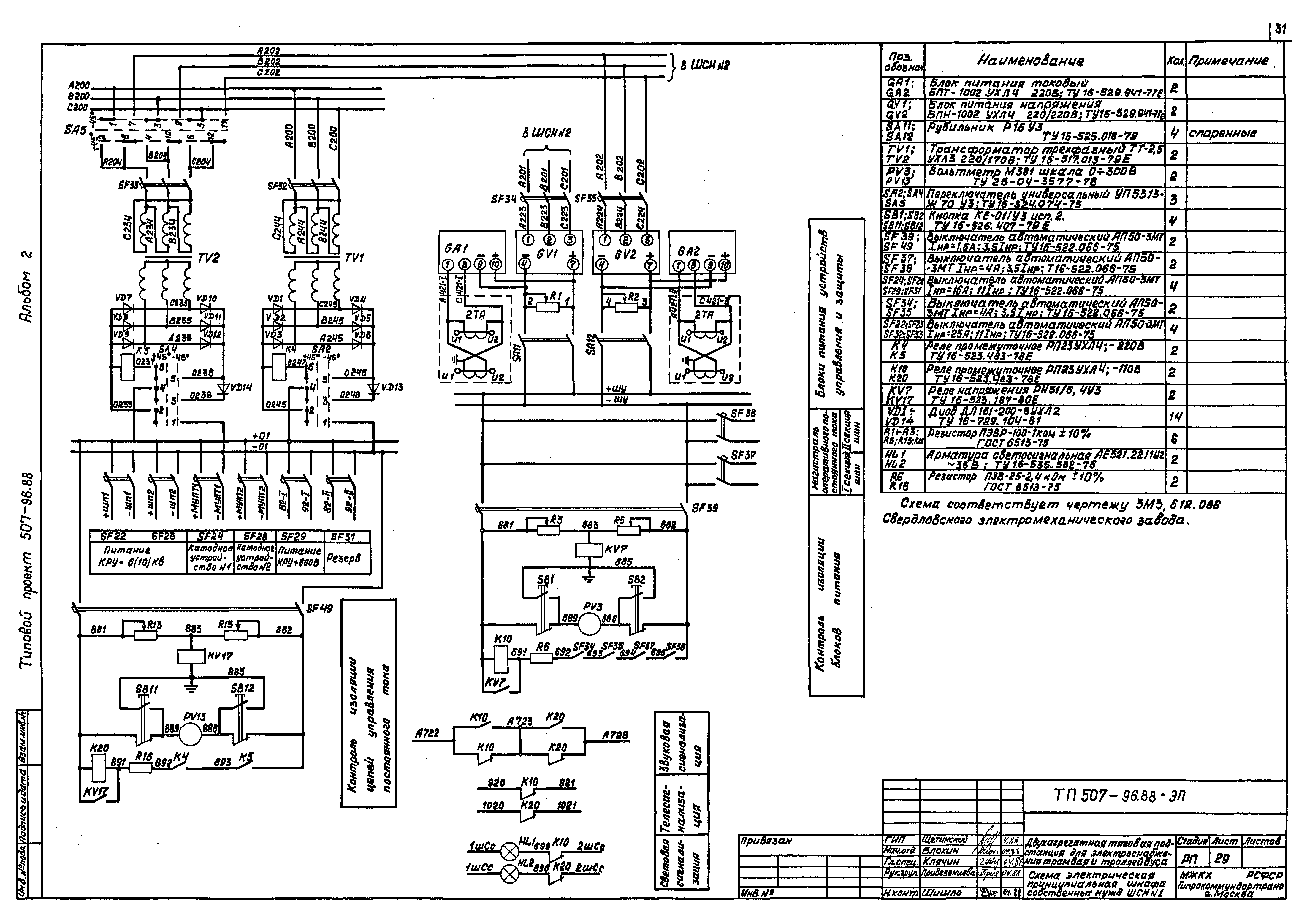
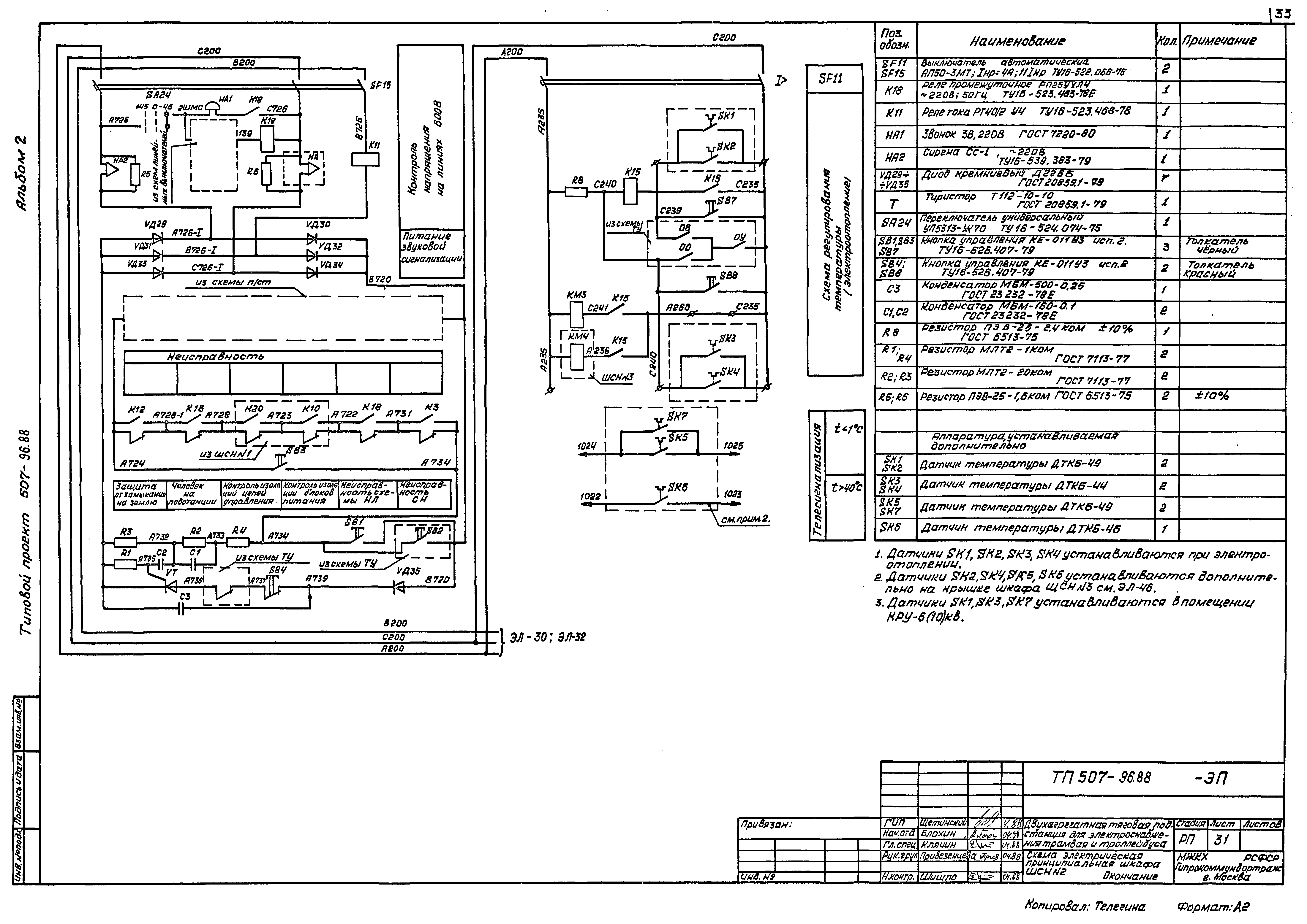
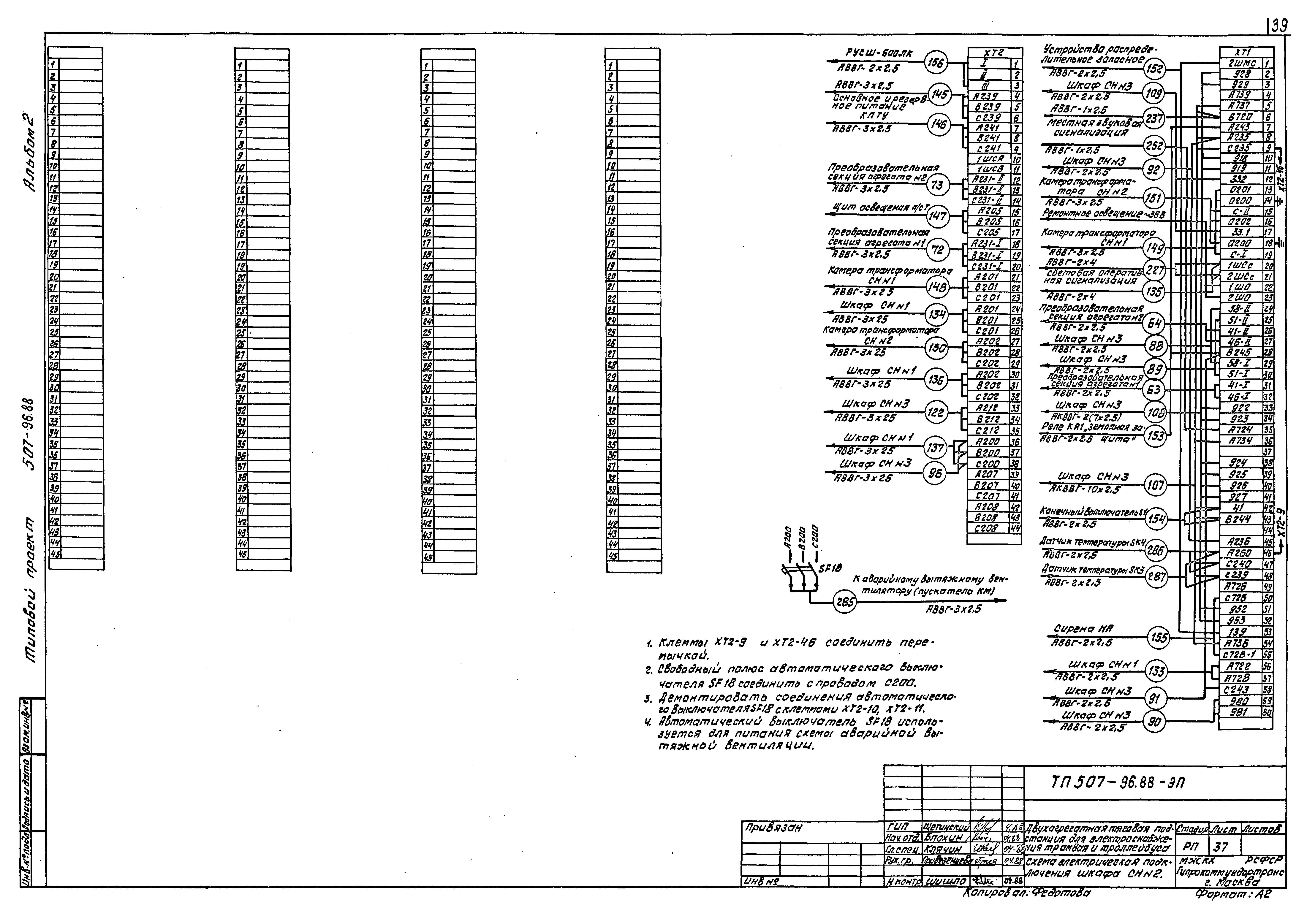
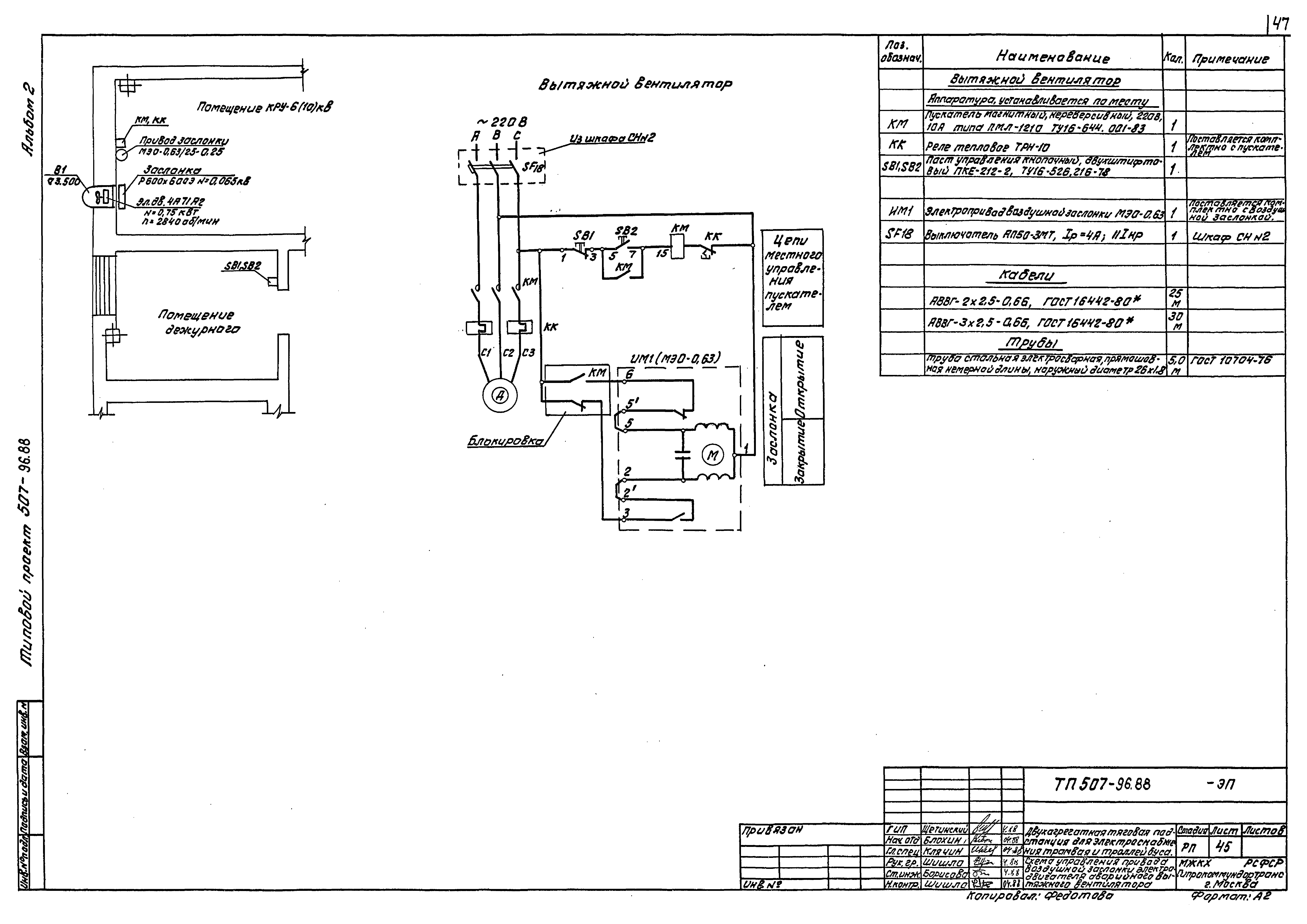
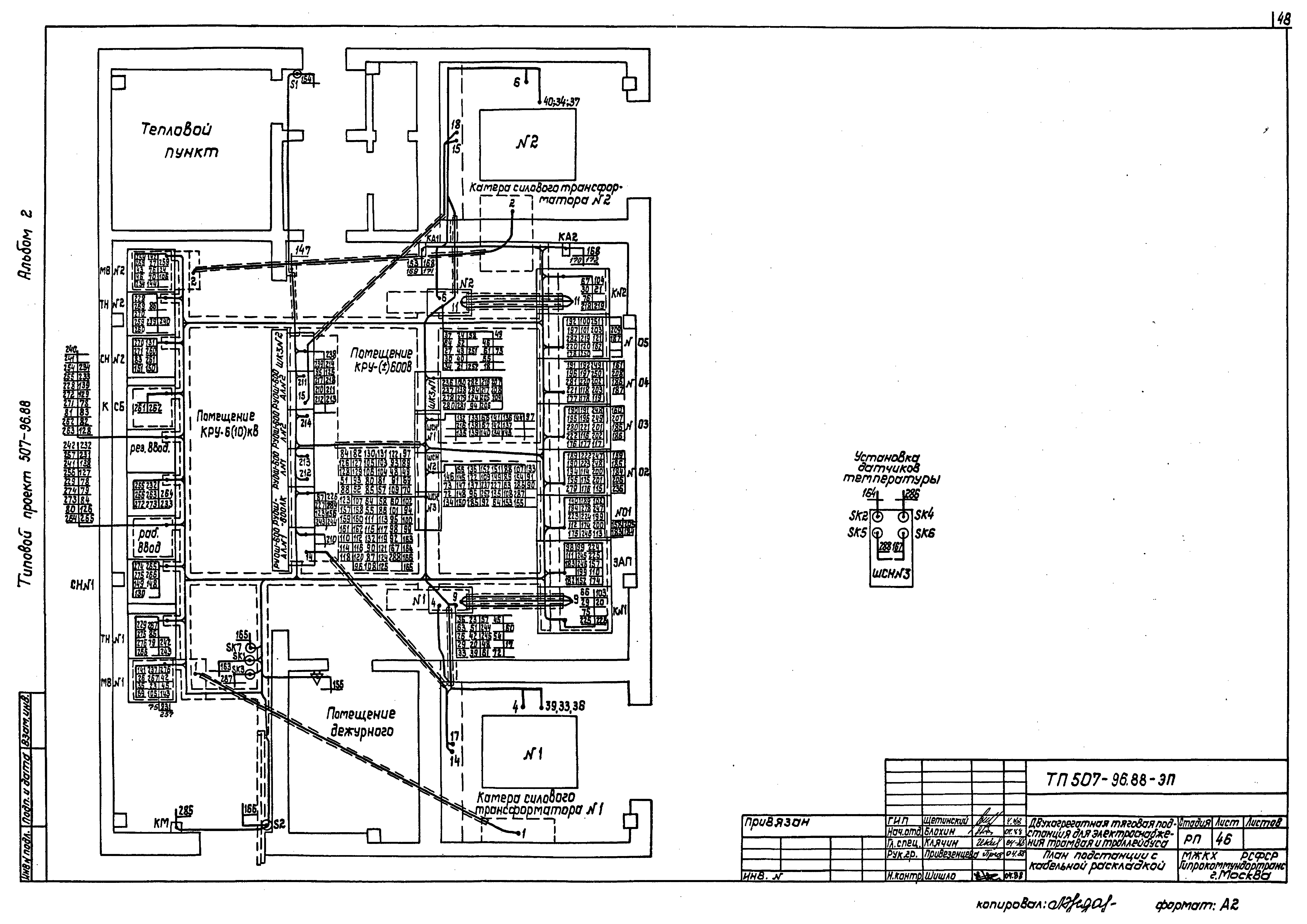
Скачать Типовой проект 507-96.88 Альбом 2. Электротехническая часть. Связь и сигнализацияДата актуализации: 01.01.2021
|
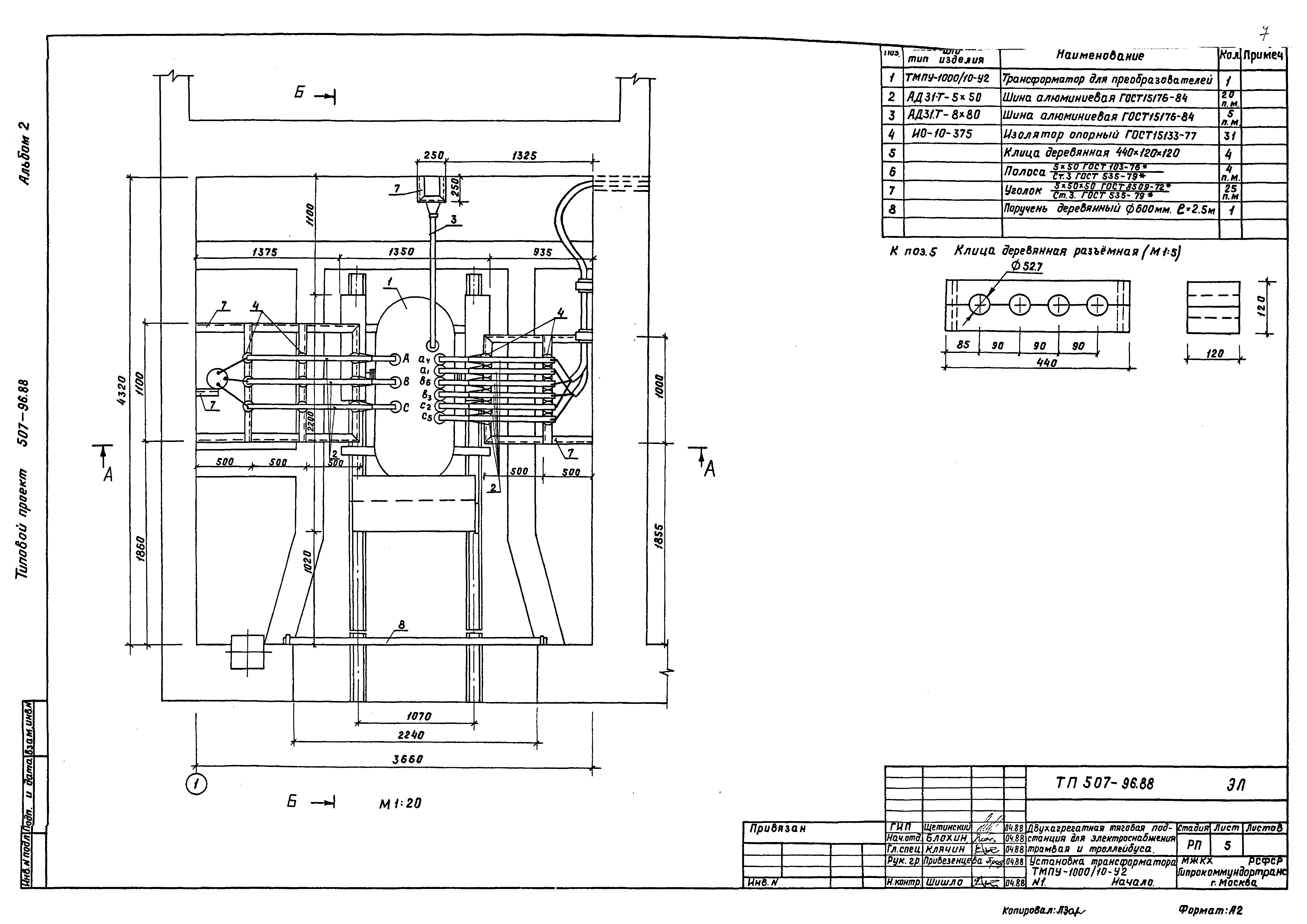
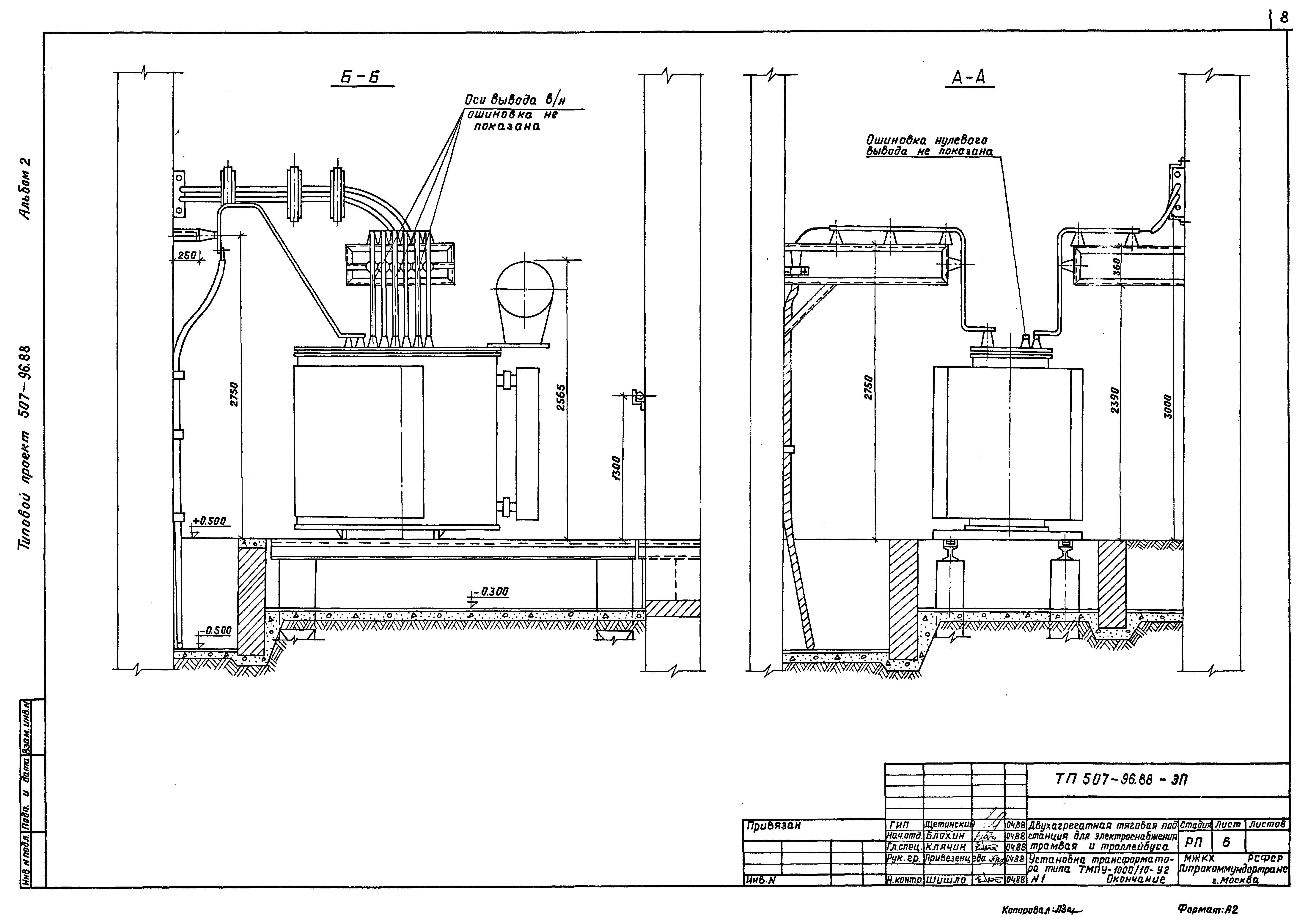
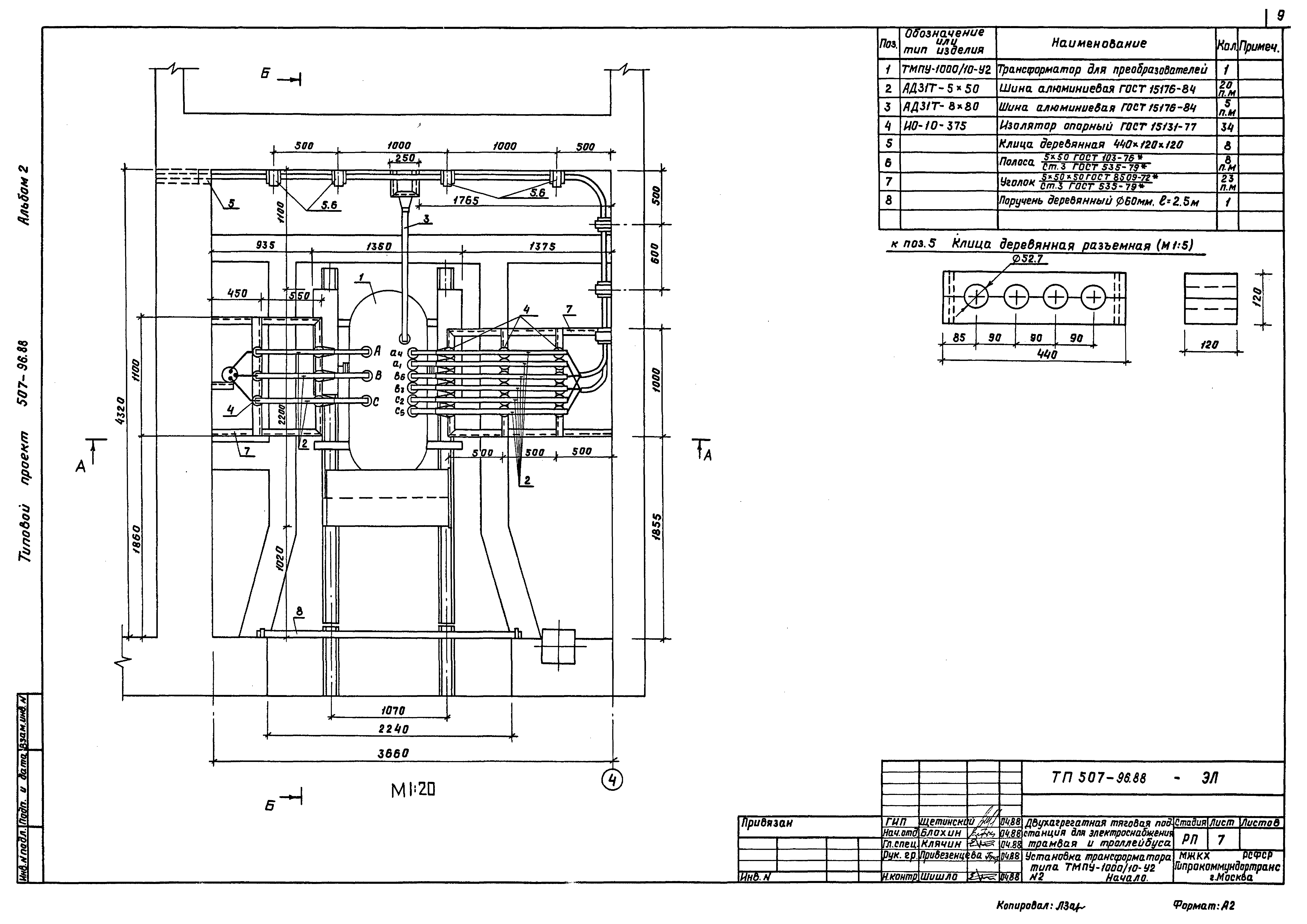
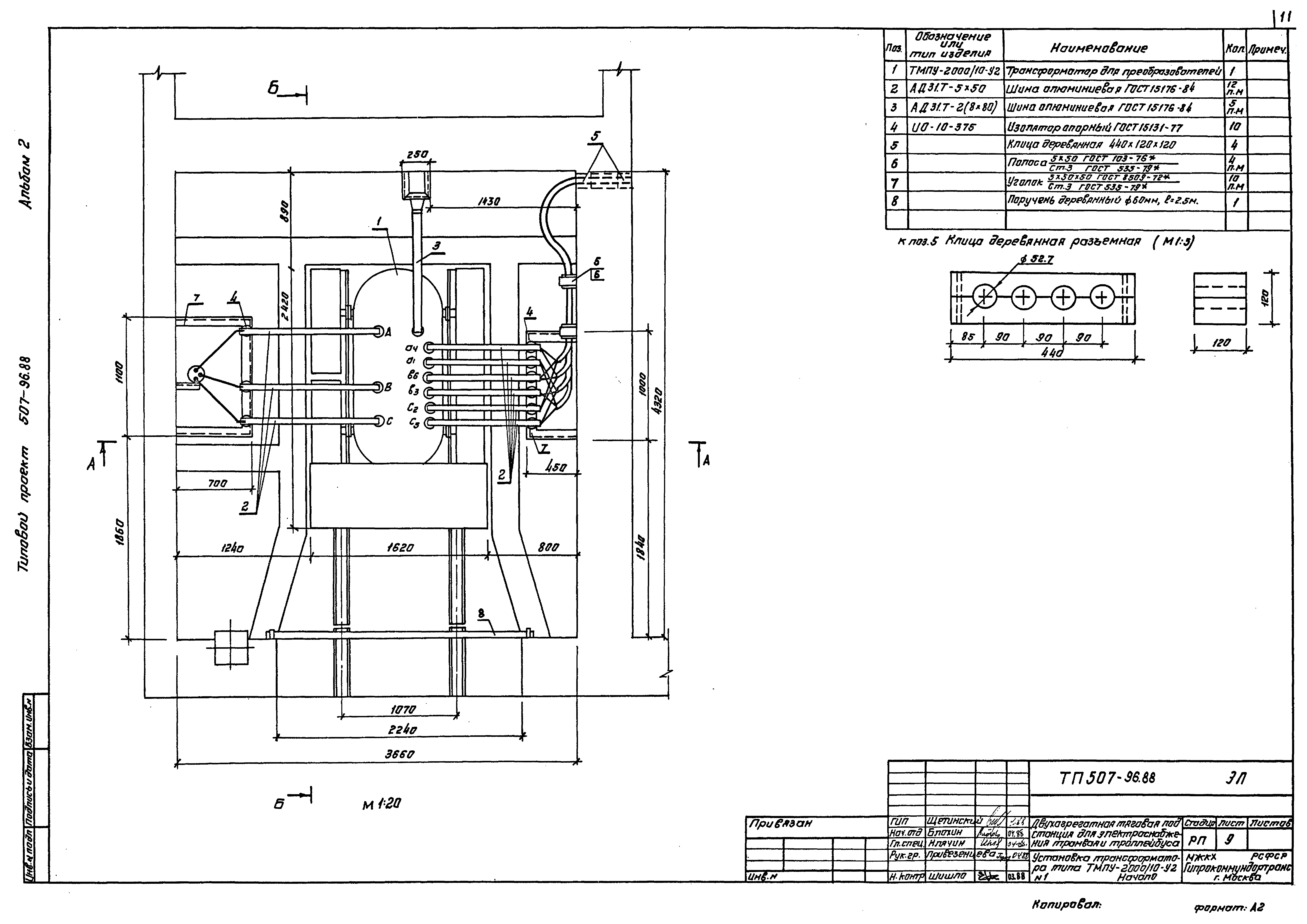
| Обозначение: | Типовой проект 507-96.88 |
| Обозначение англ: | 507-96.88 |
| Статус: | не определен законодательством |
| Название рус.: | Альбом 2. Электротехническая часть. Связь и сигнализация |
| Дата добавления в базу: | 01.09.2013 |
| Дата актуализации: | 01.01.2021 |
| Дата введения: | 22.12.1988 |
| Дата окончания срока действия: | 30.06.2003 |
| Разработан: | Гипрокоммундортранс Минжилкомхоза РСФСР |
| Утверждён: | 22.12.1988 Министерство жилищно-коммунального хозяйства РСФСР (350) |




















































