Скачать Типовой проект 902-8-2.91 Альбом 2. Чертежи индустриальных строительных конструкций и изделийДата актуализации: 01.01.2021
|
| Обозначение: | Типовой проект 902-8-2.91 |
| Обозначение англ: | 902-8-2.91 |
| Статус: | не определен законодательством |
| Название рус.: | Альбом 2. Чертежи индустриальных строительных конструкций и изделий |
| Дата добавления в базу: | 01.09.2013 |
| Дата актуализации: | 01.01.2021 |
| Дата введения: | 18.11.1991 |
| Дата окончания срока действия: | 30.06.2003 |
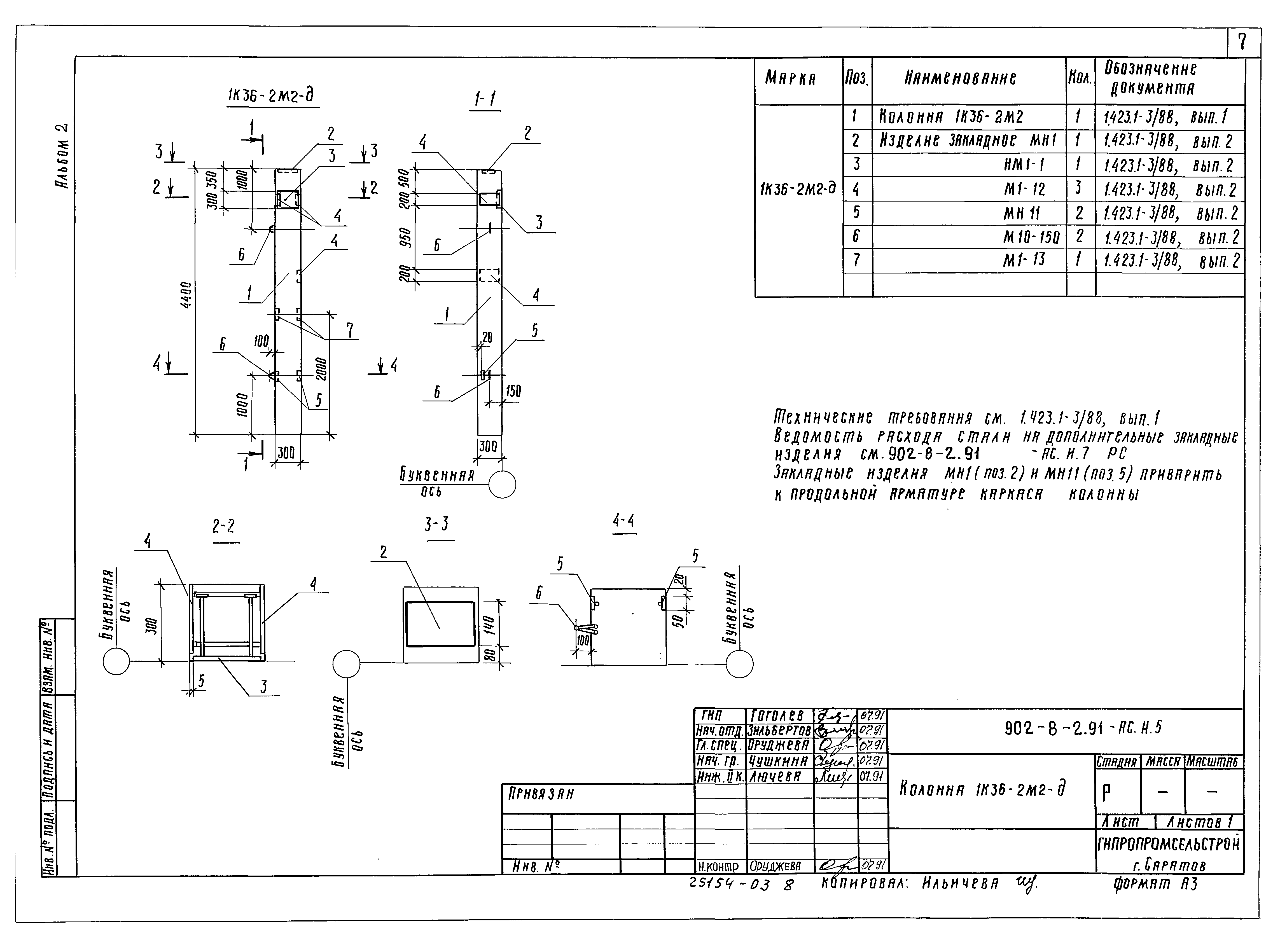
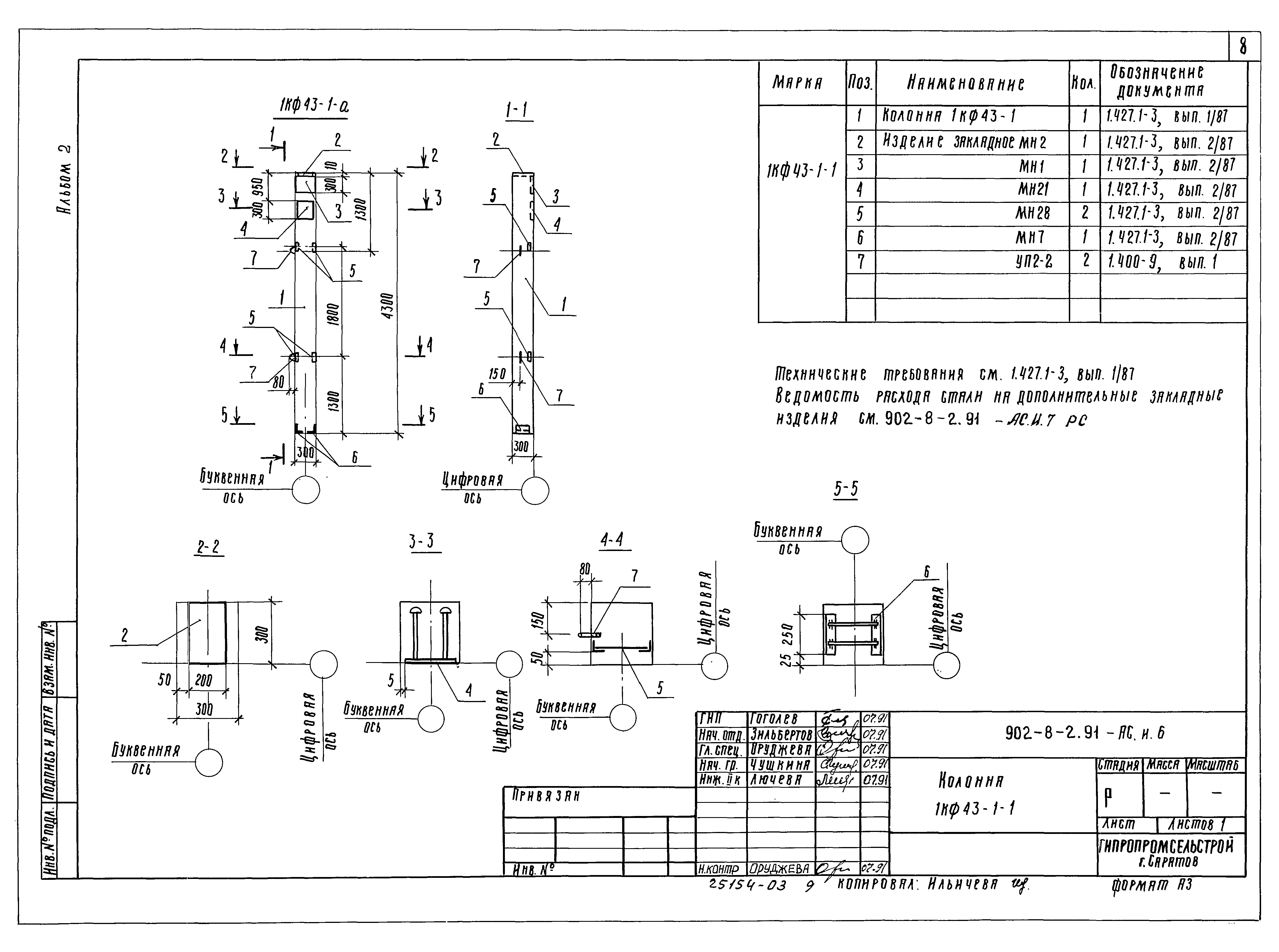
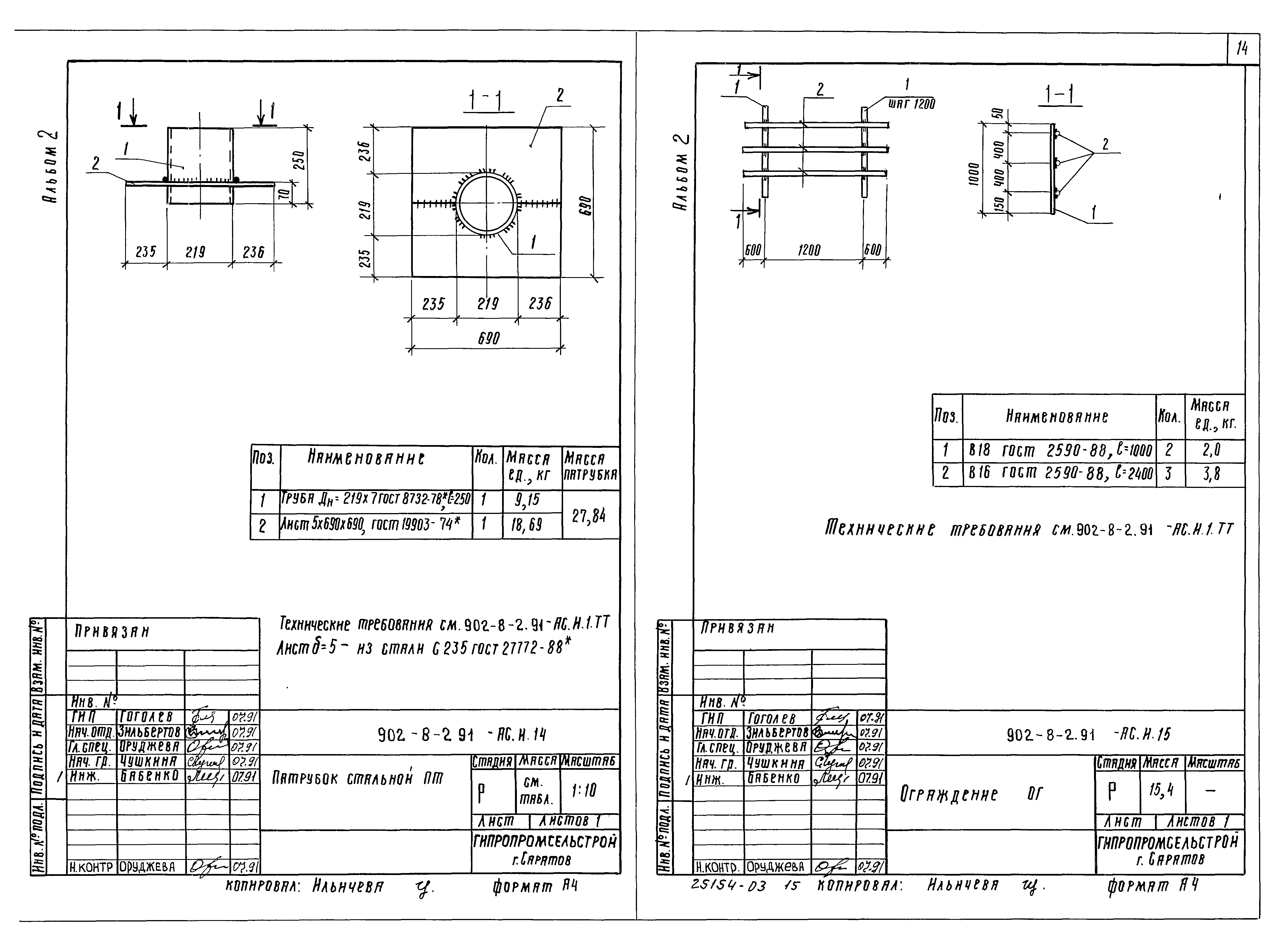
| Оглавление: | ТП 902-8-2.91-АС.И.1ТТ Технические требования к изготовлению металлических изделий ТП 902-8-2.91-АС.И.2 Балки 1БСП12-4АтV-А,1БСП12-4АтV-Б ТП 902-8-2.91-АС.И.3 Колонны 1К36-2М2-а,1К36-2М2-б ТП 902-8-2.91-АС.И.4 Колонны 1К36-2М2-в,1К36-2М2-г ТП 902-8-2.91-АС.И.5 Колонны 1К36-2М2-д ТП 902-8-2.91-АС.И.6 Колонна 1КФ43-1-1 ТП 902-8-2.91-АС.И.7РС Ведомость расхода стали на дополнительные закладные изделия, кг ТП 902-8-2.91-АС.И.8 Петли стеновые ПС60.12.2,5-2Л-50а;ПС63.12.2,5-2Л-20.1а;ПС63.12.2,5-2Л-20.2а;ПК60.7-Л-а;ПС60.18.2,5-2л-70а ТП 902-8-2.91-АС.И.9 Плиты канальные П3-15б-1;П14д-3б-1 ТП 902-8-2.91-АС.И.10 Щиты Щ1,Ш2,Щ4 ТП 902-8-2.91-АС.И.11 Щит Щ3 ТП 902-8-2.91-АС.И.12 Решетка МР ТП 902-8-2.91-АС.И.13 Рама РМ1 ТП 902-8-2.91-АС.И.14 Патрубок стальной ПТ ТП 902-8-2.91-АС.И.15 Ограждение ОГ ТП 902-8-2.91-АС.И.16 Изделие закладное МН1 ТП 902-8-2.91-АС.И.17 Сетка арматурная С1 |
| Разработан: | Гипропромсельстрой |
| Утверждён: | 13.11.1991 Главагропромнаучпроект Минсельхозпрода СССР (Glavagropromnauchproject, USSR Minselkhozprod 073-3/188) |















