Скачать Типовой проект 705-1-163.84 Альбом II. Строительные изделия (из ТП 705-1-164.84)Дата актуализации: 01.01.2021
|
| Обозначение: | Типовой проект 705-1-163.84 |
| Обозначение англ: | 705-1-163.84 |
| Статус: | не определен законодательством |
| Название рус.: | Альбом II. Строительные изделия (из ТП 705-1-164.84) |
| Дата добавления в базу: | 01.09.2013 |
| Дата актуализации: | 01.01.2021 |
| Дата введения: | 10.02.1984 |
| Дата окончания срока действия: | 30.06.2003 |
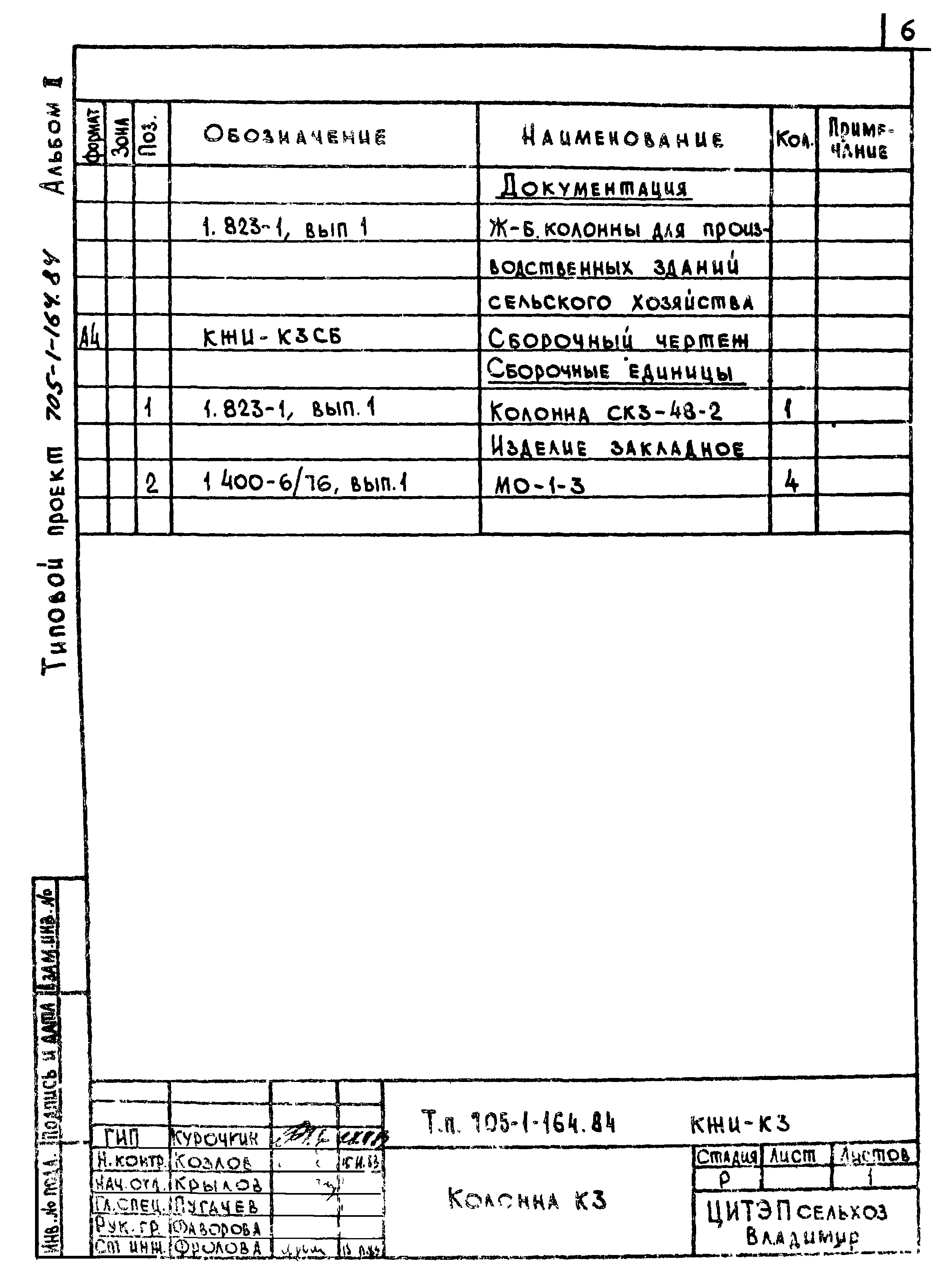
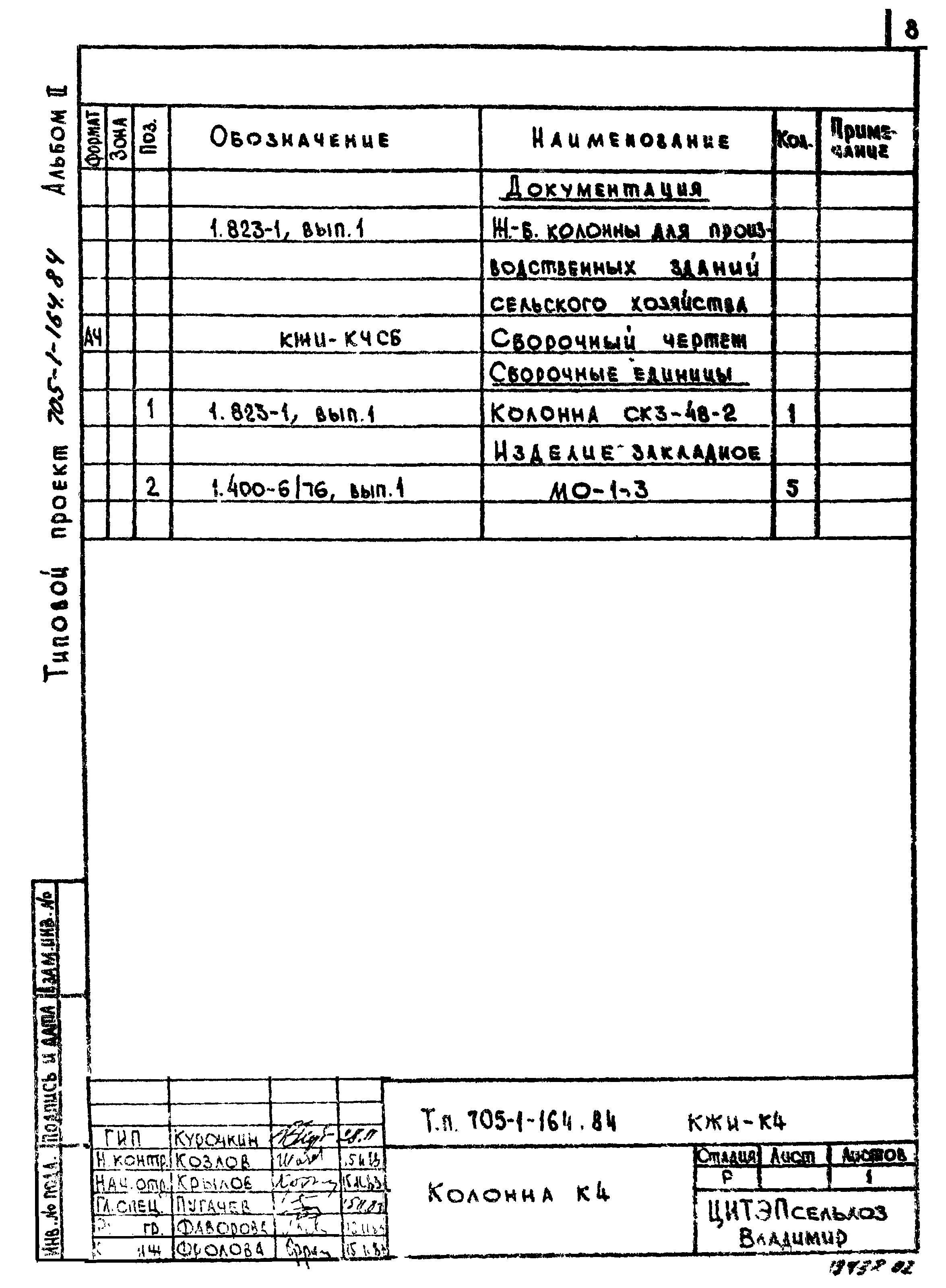
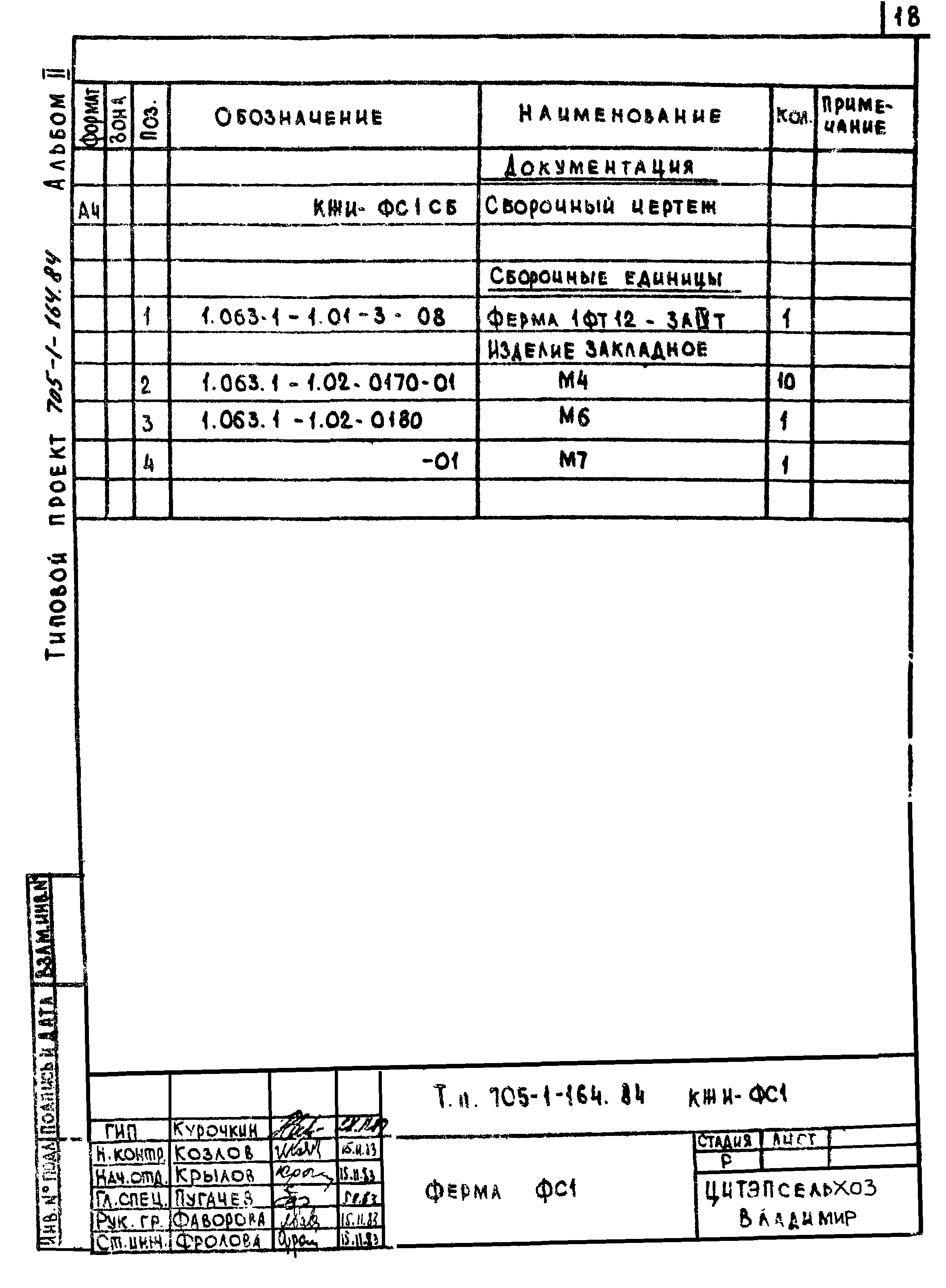
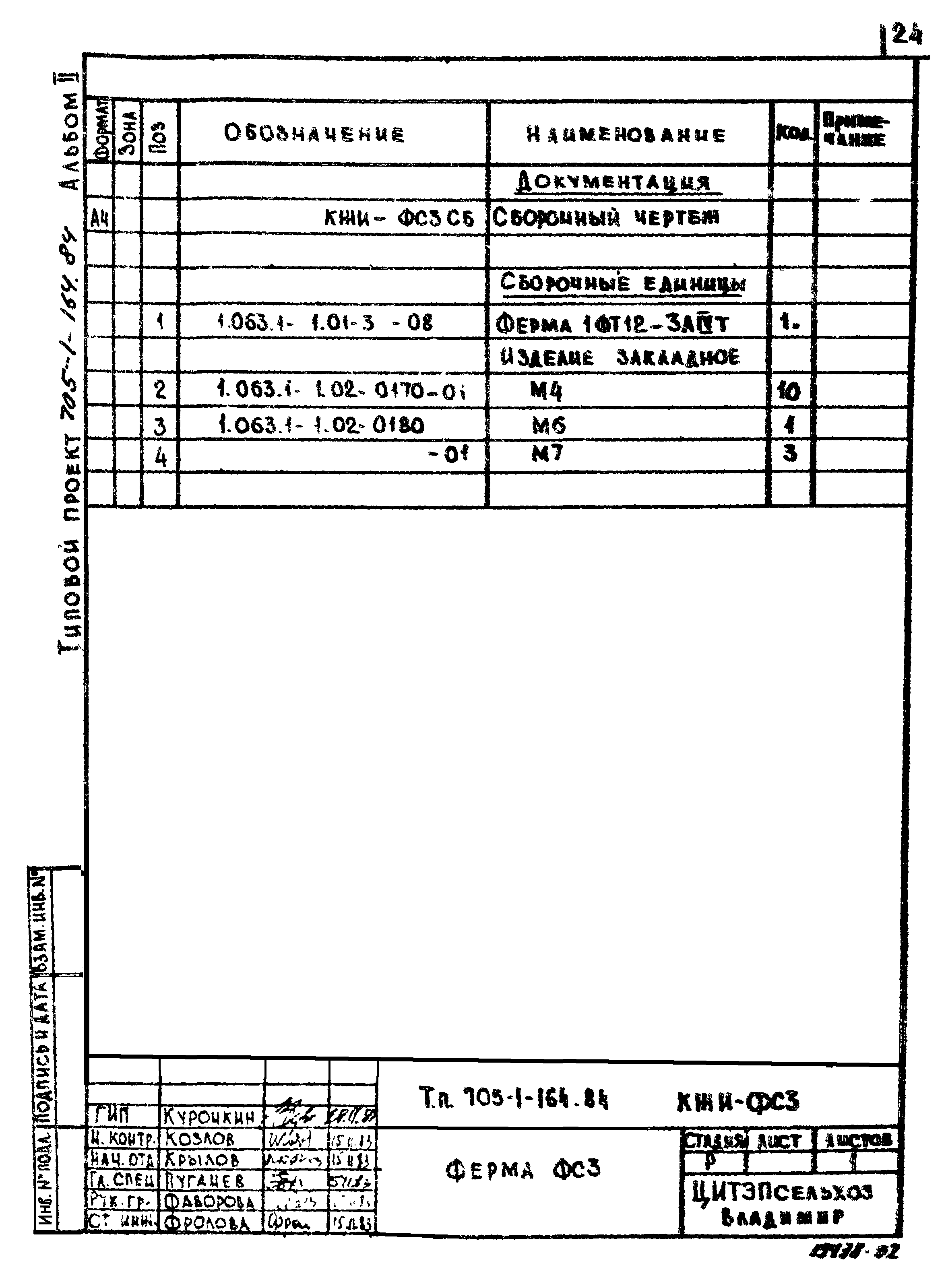
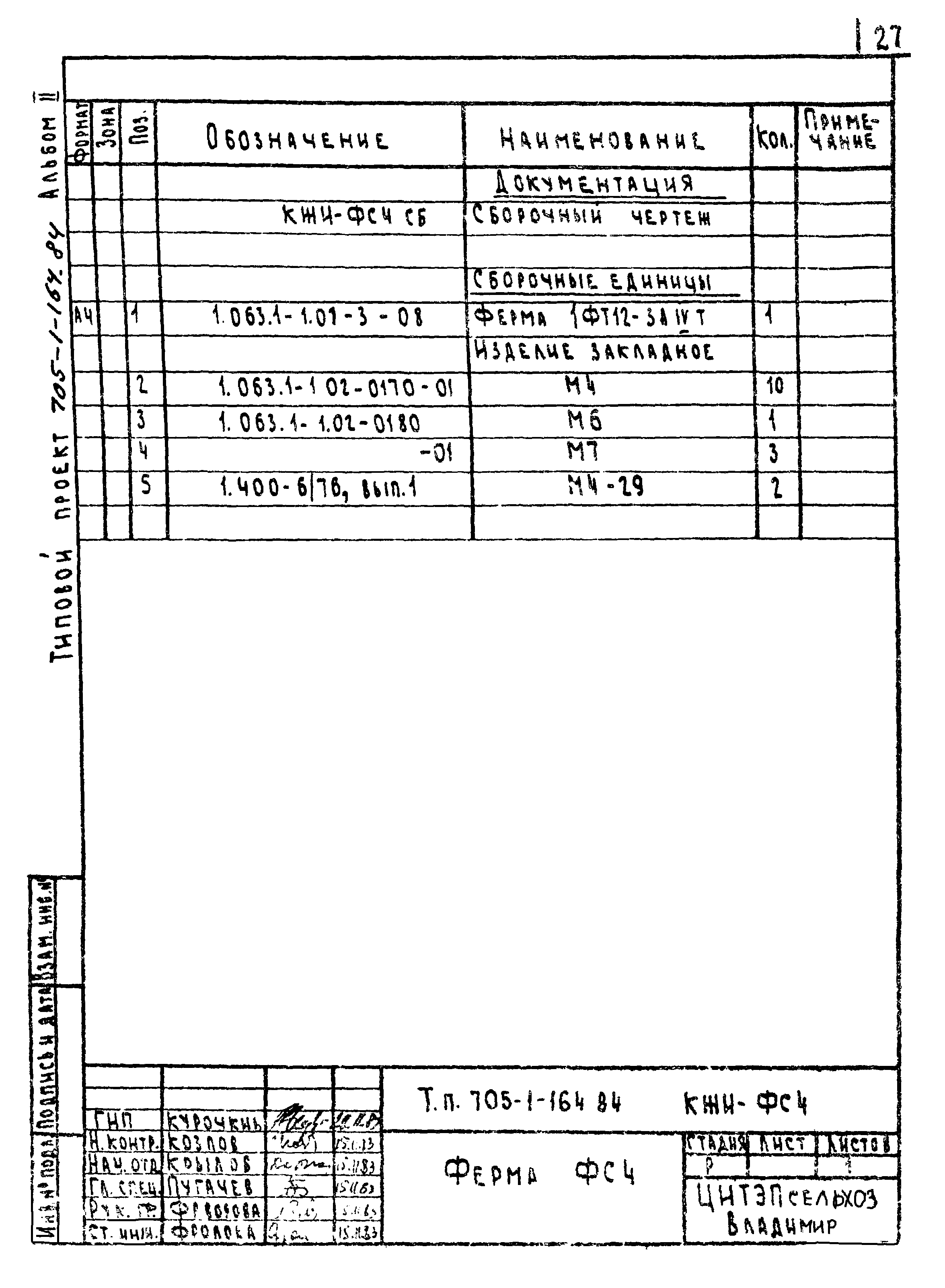
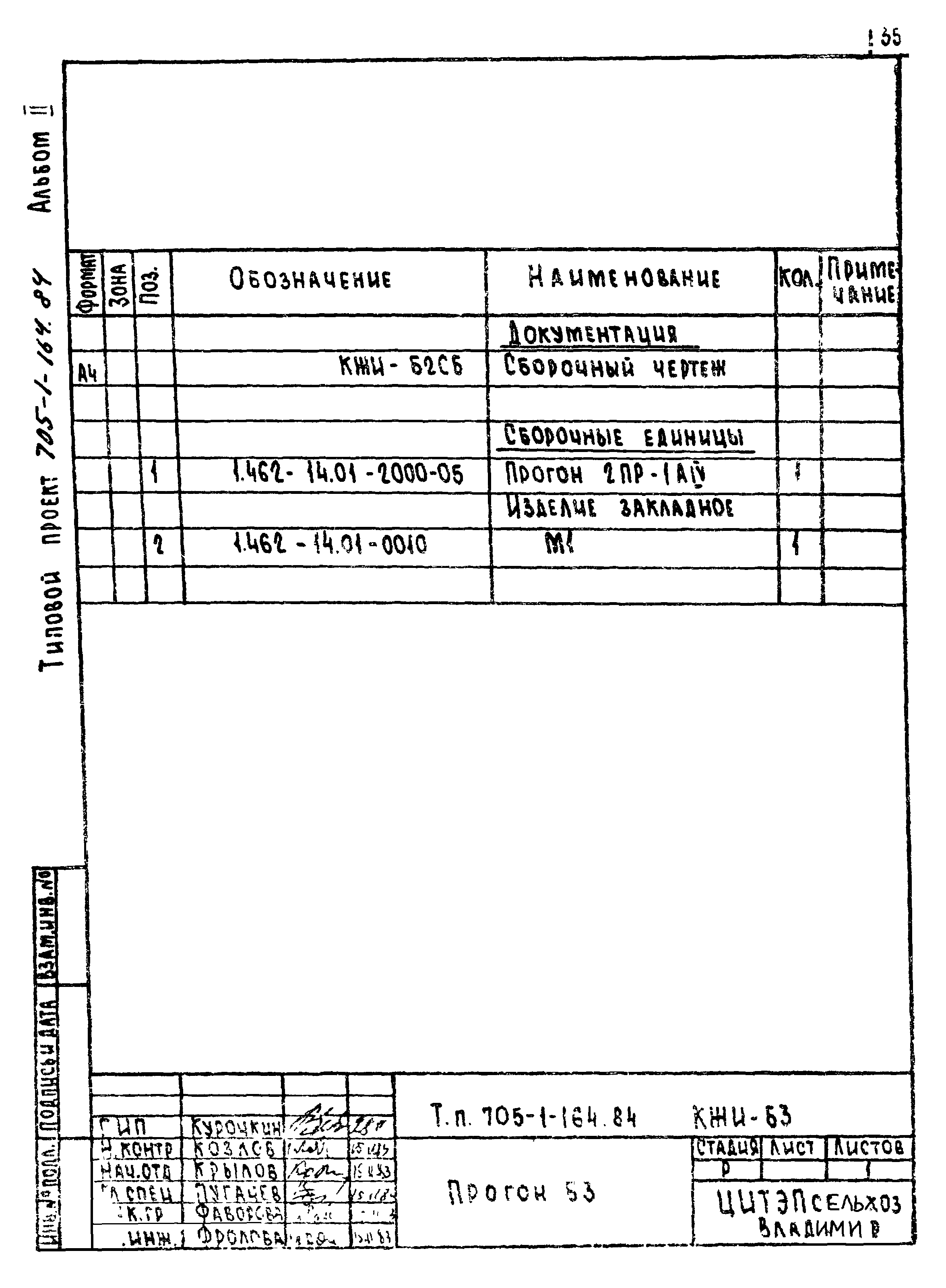
| Оглавление: | ТП 705-1-164.84 Содержание ТП 705-1-164.84-КЖИ-К2 Колонна К2 ТП 705-1-164.84-КЖИ-К2 СБ Колонна К2 ТП 705-1-164.84-КЖИ-К3 Колонна К3 ТП 705-1-164.84-КЖИ-К3 СБ Колонна К3 ТП 705-1-164.84-КЖИ-К4 Колонна К4 ТП 705-1-164.84-КЖИ-К4 СБ Колонна К4 ТП 705-1-164.84-КЖИ-К5 Колонна К5 ТП 705-1-164.84-КЖИ-К5 СБ Колонна К5 ТП 705-1-164.84-КЖИ-К6 Колонна К6 ТП 705-1-164.84-КЖИ-К6 СБ Колонна К6 ТП 705-1-164.84-КЖИ-К7 Колонна К7 ТП 705-1-164.84-КЖИ-К7 СБ Колонна К7 ТП 705-1-164.84-КЖИ-К8 Колонна К8 ТП 705-1-164.84-КЖИ-К8 СБ Колонна К8 ТП 705-1-164.84-КЖИ-ФС1 Ферма ФС1 ТП 705-1-164.84-КЖИ-ФС1 СБ Ферма ФС1 ТП 705-1-164.84-КЖИ-ФС2 Ферма ФС2 ТП 705-1-164.84-КЖИ-ФС2 СБ Ферма ФС2 ТП 705-1-164.84-КЖИ-ФС3 Ферма ФС3 ТП 705-1-164.84-КЖИ-ФС3 СБ Ферма ФС3 ТП 705-1-164.84-КЖИ-ФС4 Ферма ФС4 ТП 705-1-164.84-КЖИ-ФС4 СБ Ферма ФС4 ТП 705-1-164.84-КЖИ-ФС5 Ферма ФС5 ТП 705-1-164.84-КЖИ-ФС5 СБ Ферма ФС5 ТП 705-1-164.84-КЖИ-ПС1 Панель ПС1 ТП 705-1-164.84-КЖИ-Б2 Прогон Б2 ТП 705-1-164.84-КЖИ-Б2 СБ Прогон Б2 ТП 705-1-164.84-КЖИ-Б3 Прогон Б3 ТП 705-1-164.84-КЖИ-Б3 СБ Прогон Б3 ТП 705-1-164.84-КЖИ-СФ1 Стойка фахверка СФ1 ТП 705-1-164.84-КЖИ-СФ1 СБ Стойка фахверка СФ1 ТП 705-1-164.84-КЖИ-Р Ригель ветровой (Р1,Р2) ТП 705-1-164.84-КЖИ-МС1 Элемент соединительный МС1 |
| Разработан: | ЦИТЭПсельхозпром |
| Утверждён: | 30.11.1983 Главсельстройпроект Минсельхоза СССР (Glavselstroyproject, USSR Minselkhoz 104) |









































