Скачать Типовой проект 705-1-164.84 Альбом I. Общая часть. Технология производства. Архитектурные решения. Конструкции железобетонные. Конструкции металлические. Силовое электрооборудование. Связь и сигнализацияДата актуализации: 01.01.2021
|
| Обозначение: | Типовой проект 705-1-164.84 |
| Обозначение англ: | 705-1-164.84 |
| Статус: | не определен законодательством |
| Название рус.: | Альбом I. Общая часть. Технология производства. Архитектурные решения. Конструкции железобетонные. Конструкции металлические. Силовое электрооборудование. Связь и сигнализация |
| Дата добавления в базу: | 01.09.2013 |
| Дата актуализации: | 01.01.2021 |
| Дата введения: | 10.02.1984 |
| Дата окончания срока действия: | 30.06.2003 |
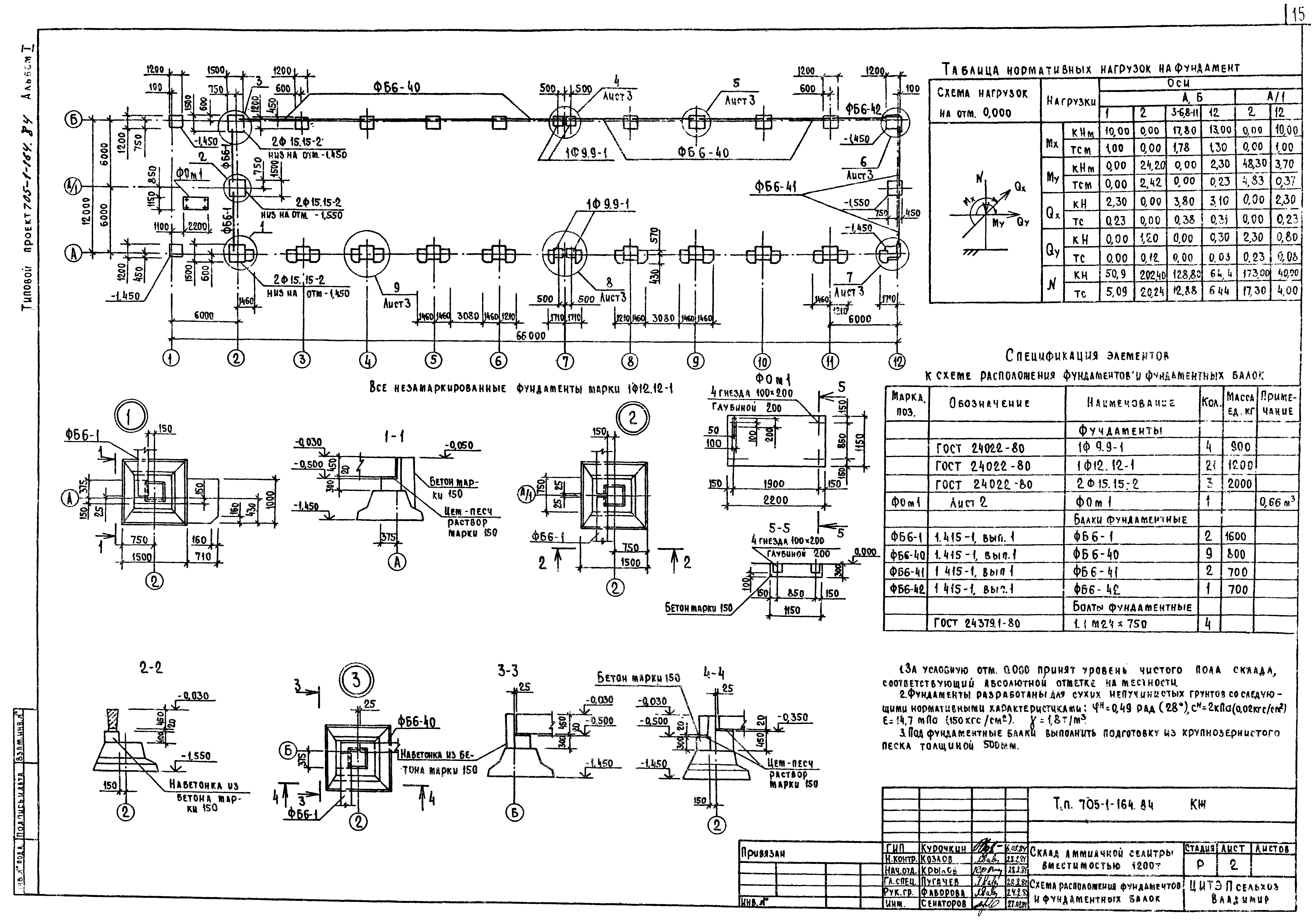
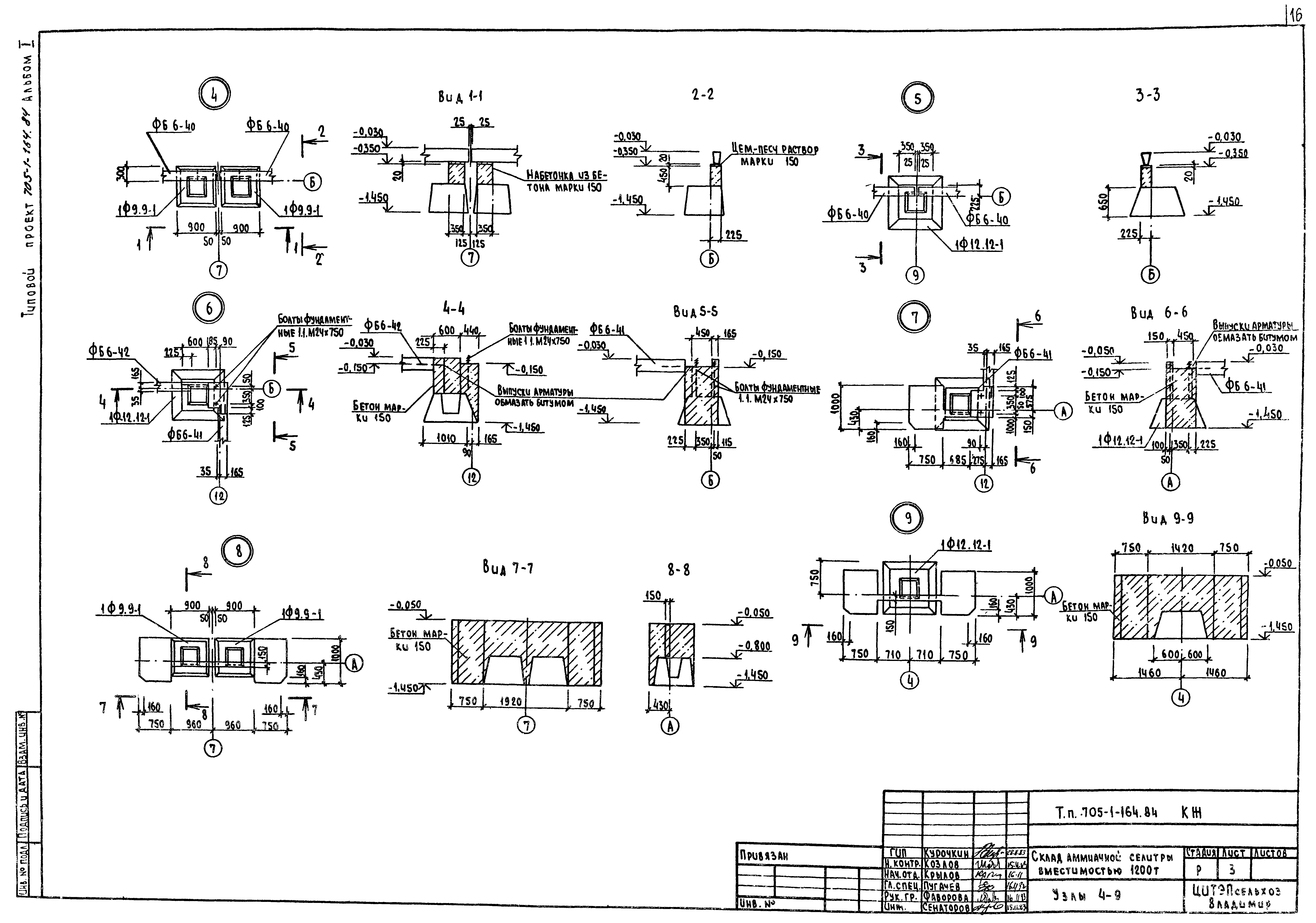
| Оглавление: | ТП 705-1-164.84 Содержание альбома ТП 705-1-164.84-ПЗ Пояснительная записка ТП 705-1-164.84-ТХ-1 Общие данные. План на отм. 0.000. Разрез 1-1 ТП 705-1-164.84-ТХ-2 Поддон складной ПС-1. Общий вид ТП 705-1-164.84-ТХ-3 Ящик для песка. Общий вид ТП 705-1-164.84-АР-1 Общие данные ТП 705-1-164.84-АР-2 План на отм. 0.000. Разрез 1-1. Узел 1 ТП 705-1-164.84-АР-3 Фасады 1-12,12-1,А-Б,Б-А. Схема установки ветрового ригеля. План кровли ТП 705-1-164.84-АР-4 Схема расположения элементов стен по осям А,Б,2,12 ТП 705-1-164.84-АР-5 Схема расположения элементов кровли. Узлы 2-6 ТП 705-1-164.84-КЖ-1 Общие данные ТП 705-1-164.84-КЖ-2 Схема расположения фундаментов и фундаментных балок ТП 705-1-164.84-КЖ-3 Узлы 4-9 ТП 705-1-164.84-КЖ-4 Схема расположения колонн, ферм, связей ТП 705-1-164.84-КЖ-5 Схема расположения прогонов покрытия, панелей стен ТП 705-1-164.84-КМ-1 Общие данные ТП 705-1-164.84-КМ-2 Схемы расположения элементов фахверка ТП 705-1-164.84-КМ-3 Площадка 1. Ведомость металлоконструкций по видам профилей ТП 705-1-164.84-ЭМ-1 Общие данные ТП 705-1-164.84-ЭМ-2 План на отм. 0.000. Принципиальная расчетная схема ТП 705-1-164.84-СС-1 Общие данные. План на отм. 0.000 |
| Разработан: | ЦИТЭПсельхозпром |
| Утверждён: | 30.11.1983 Главсельстройпроект Минсельхоза СССР (Glavselstroyproject, USSR Minselkhoz 104) |

























