Скачать Типовой проект 904-1-62.86 Альбом 2. Силовое электрооборудование, электрическое освещение, связь и сигнализацияДата актуализации: 01.01.2021
|
| Обозначение: | Типовой проект 904-1-62.86 |
| Обозначение англ: | 904-1-62.86 |
| Статус: | действует |
| Название рус.: | Альбом 2. Силовое электрооборудование, электрическое освещение, связь и сигнализация |
| Дата добавления в базу: | 01.09.2013 |
| Дата актуализации: | 01.01.2021 |
| Дата введения: | 01.02.1986 |
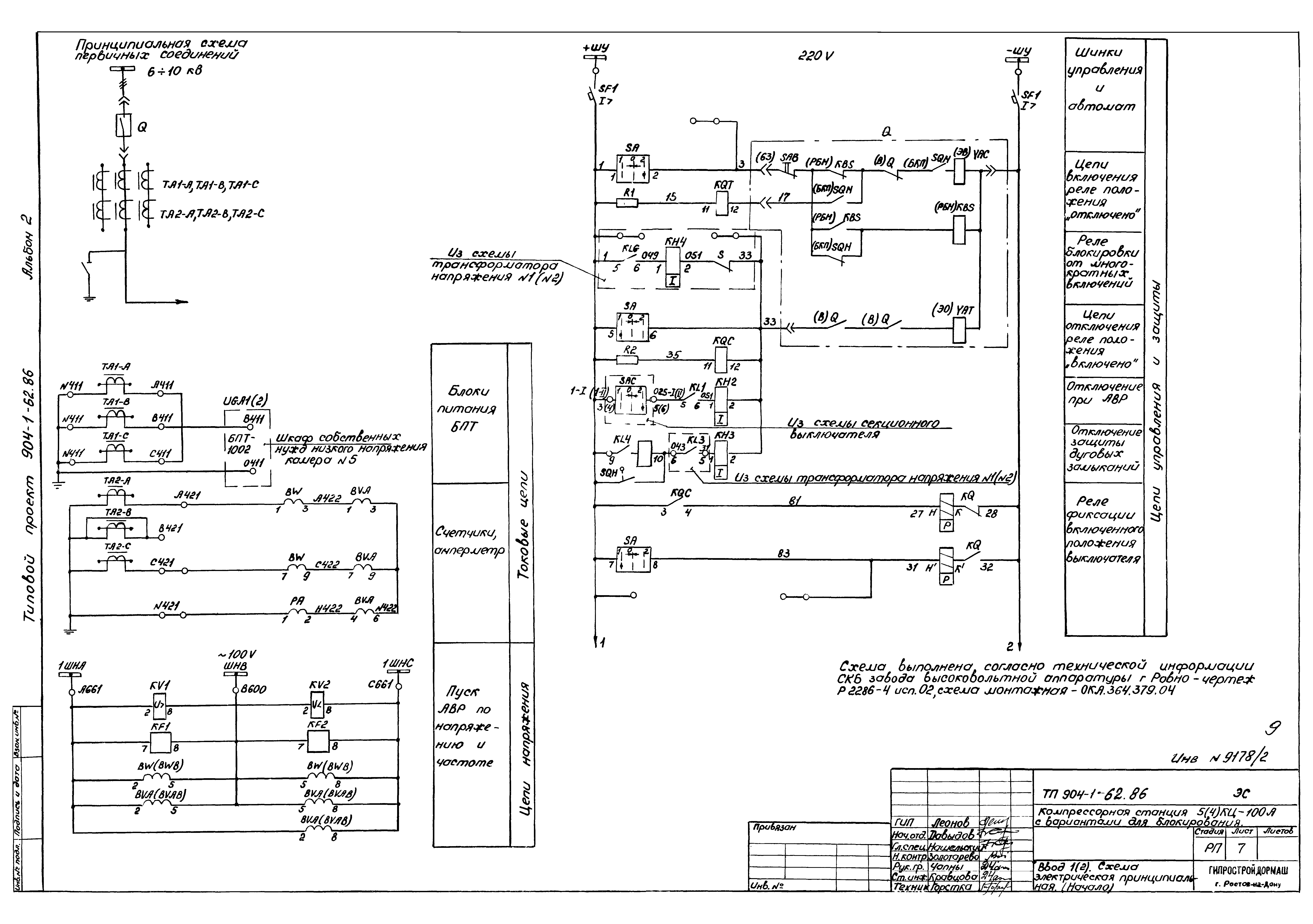
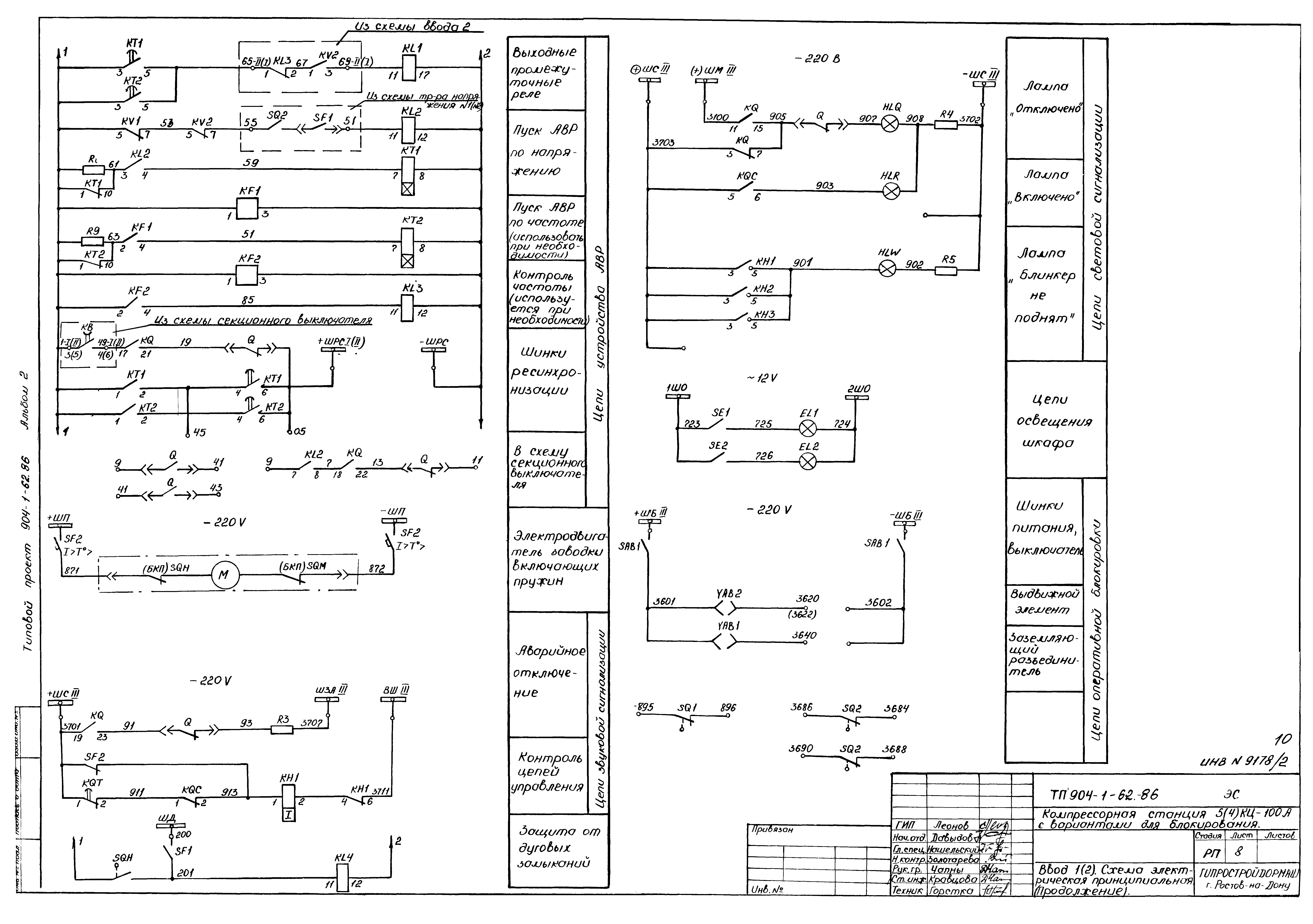
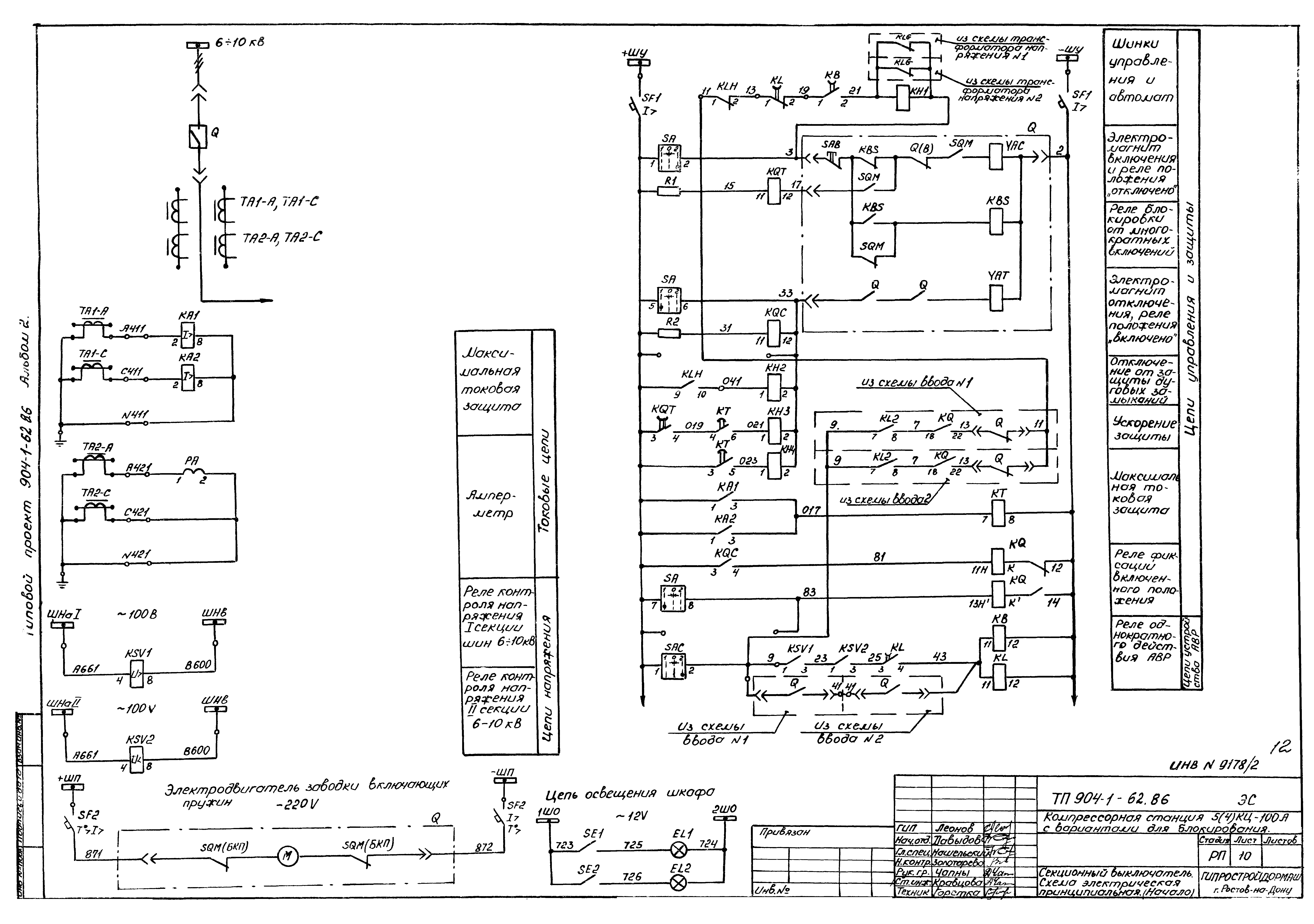
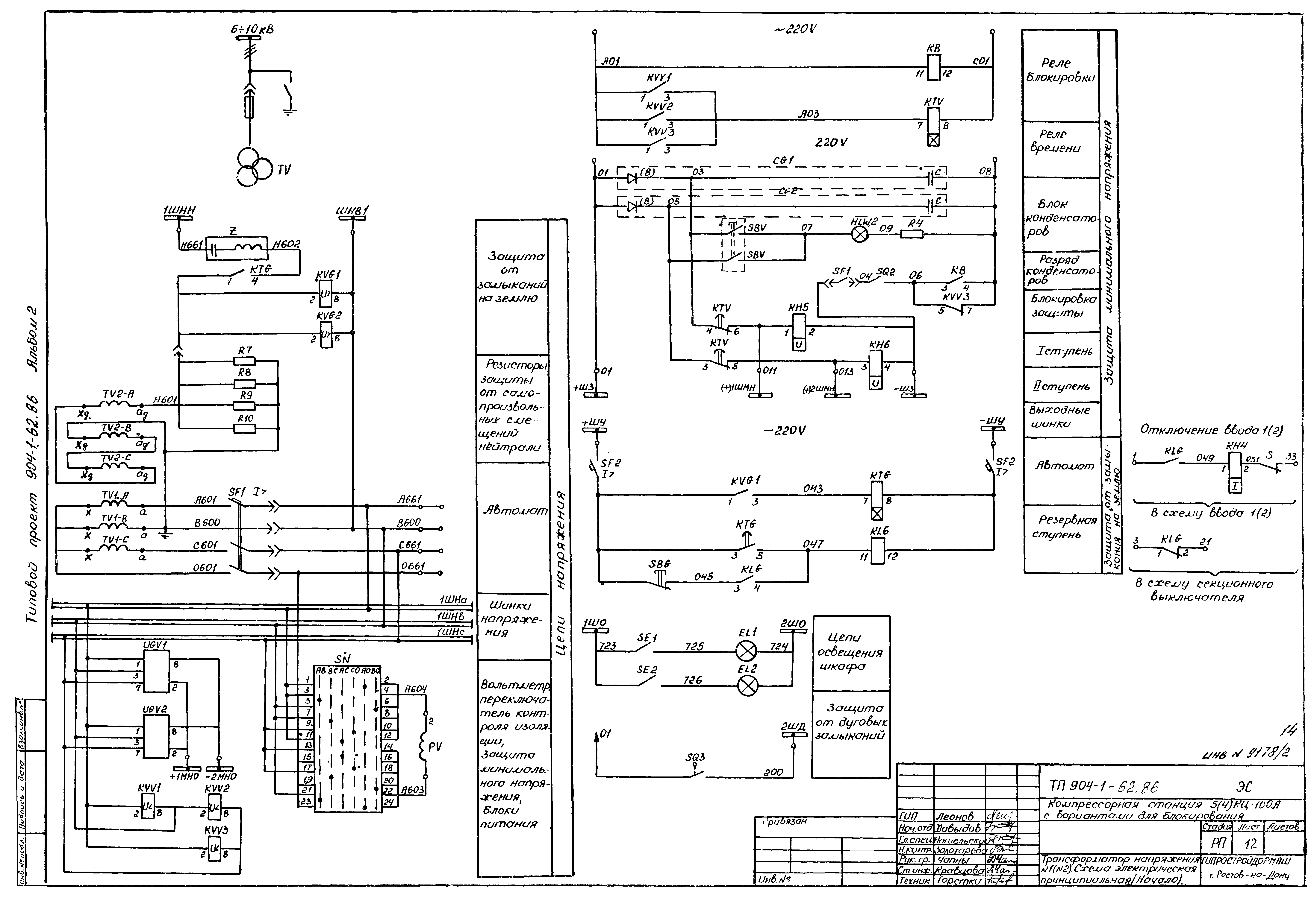
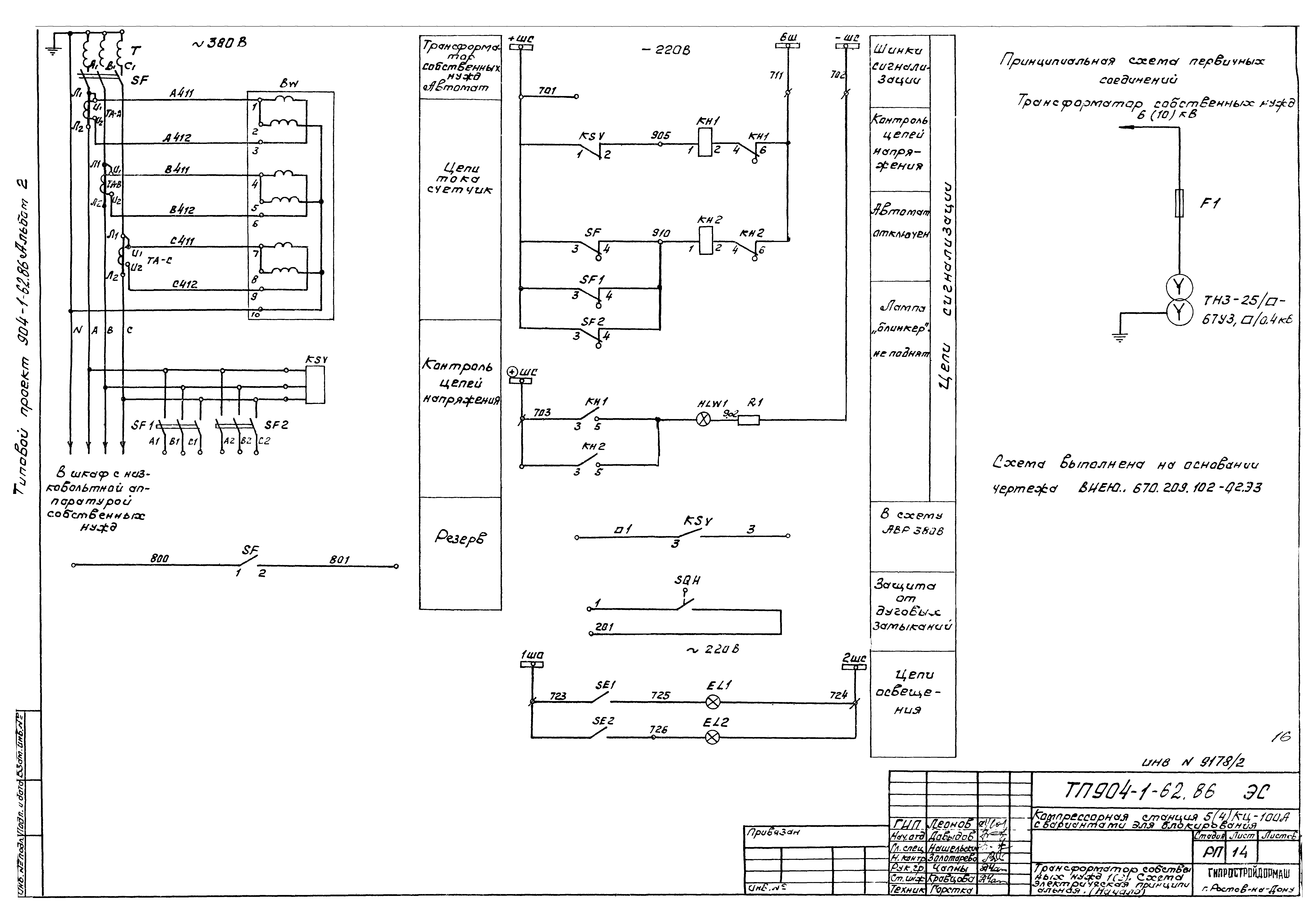
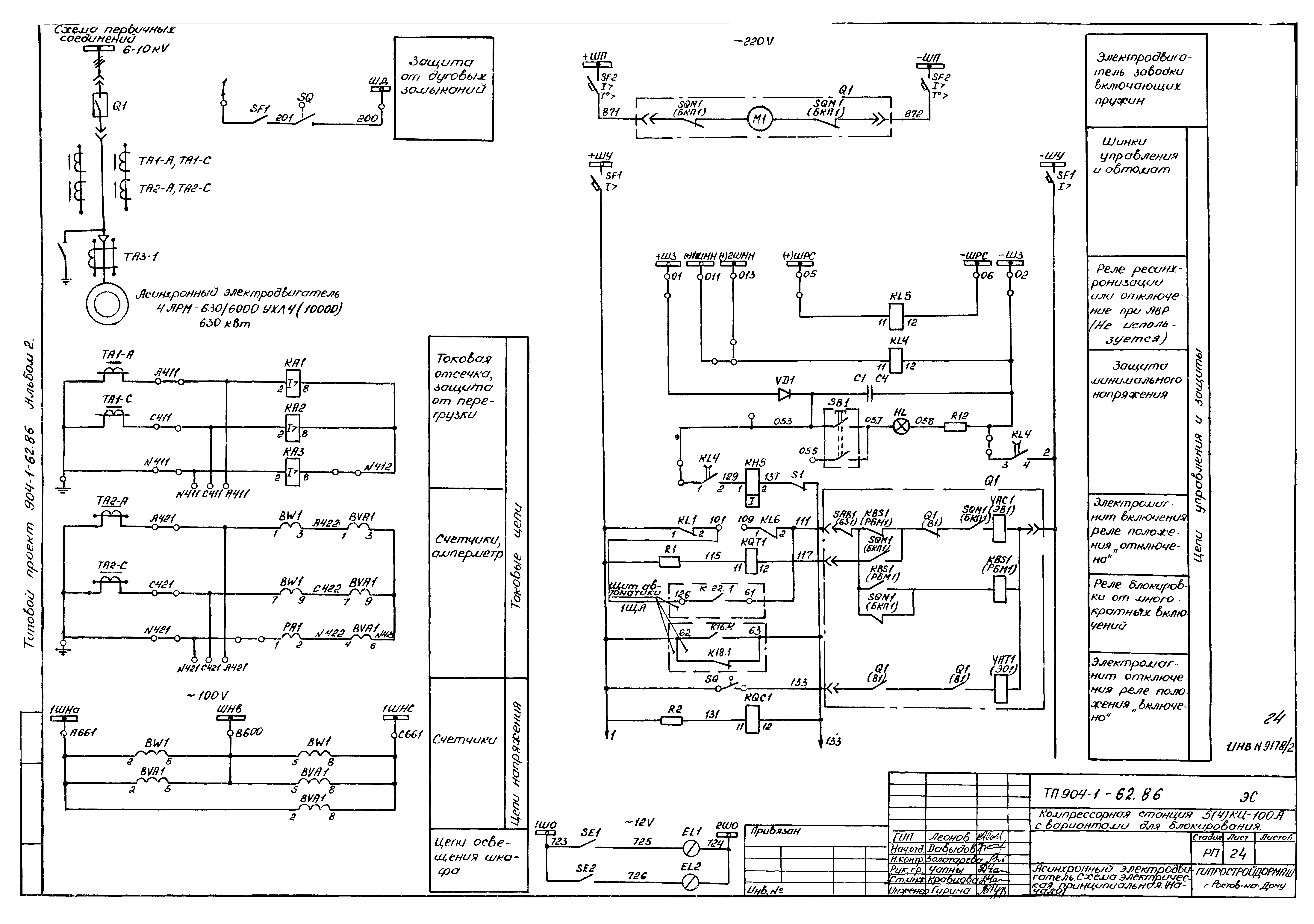
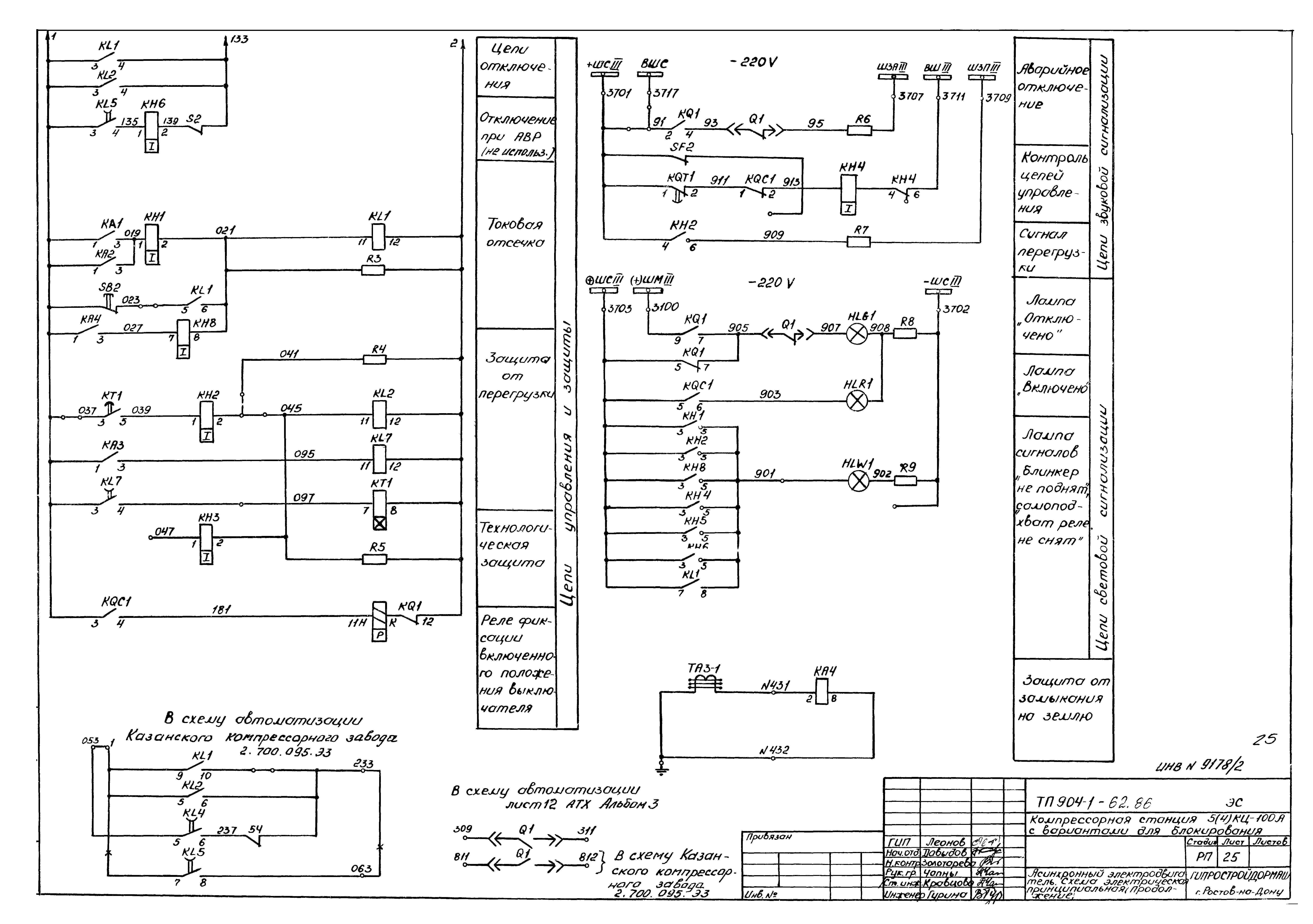
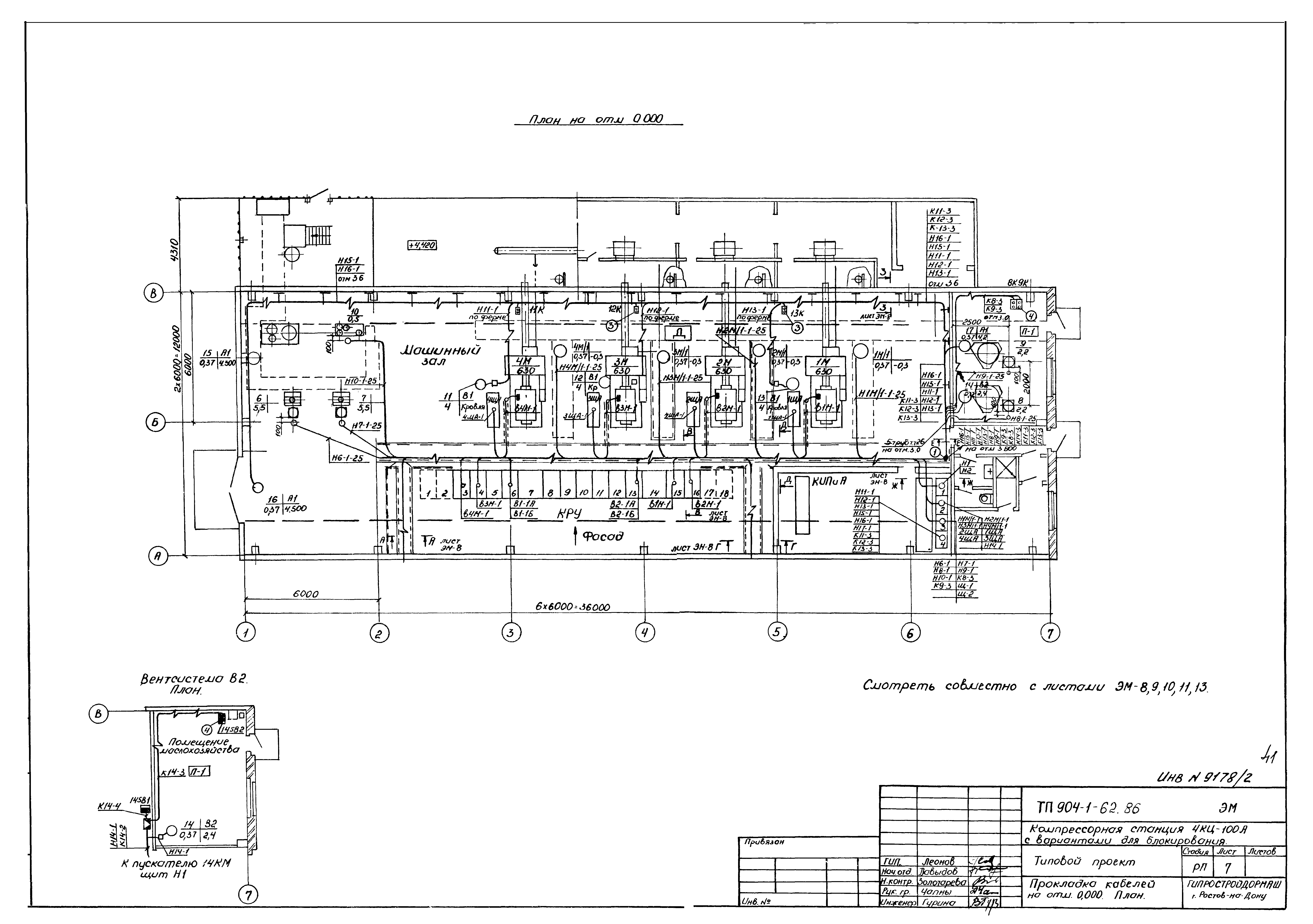
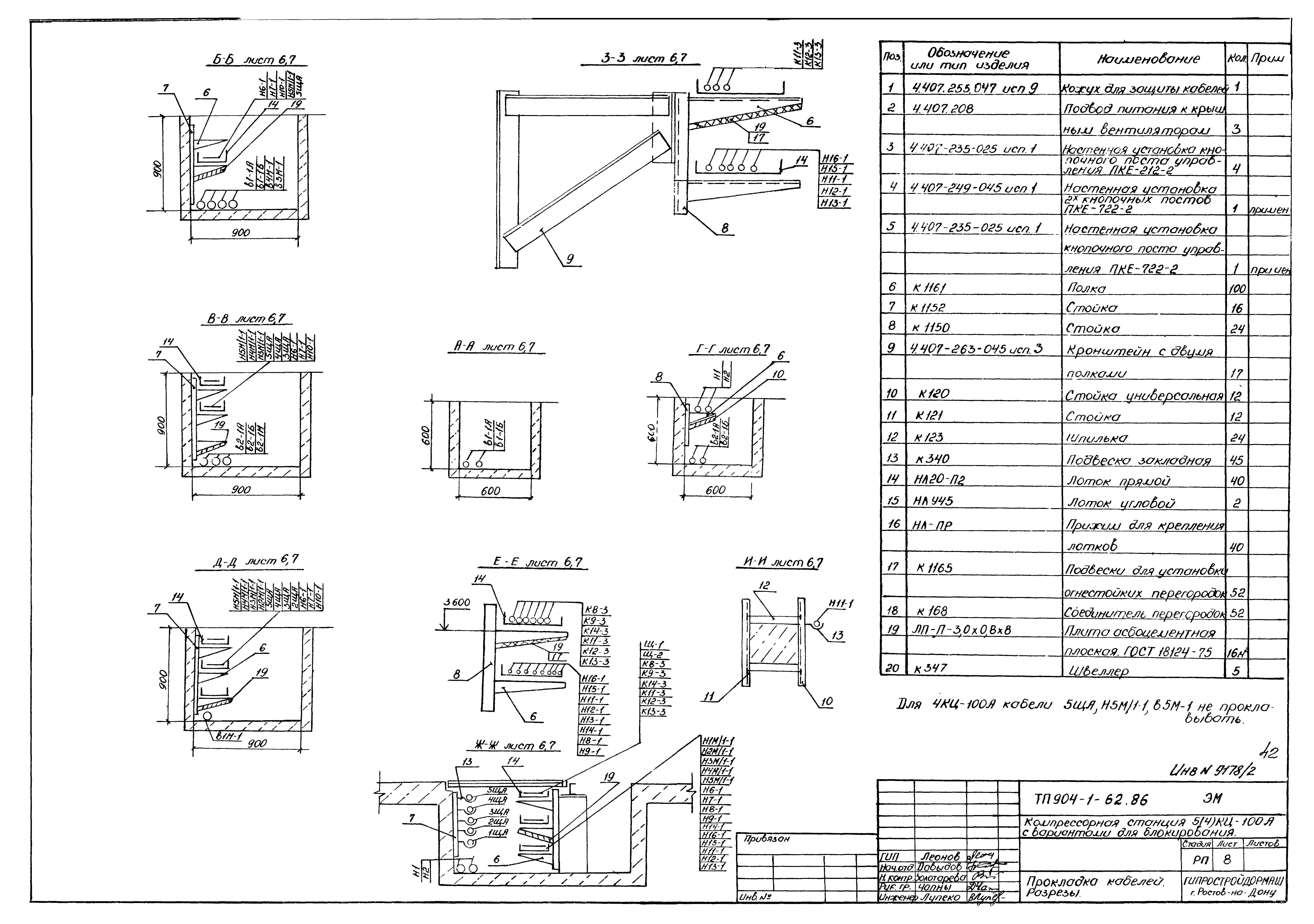
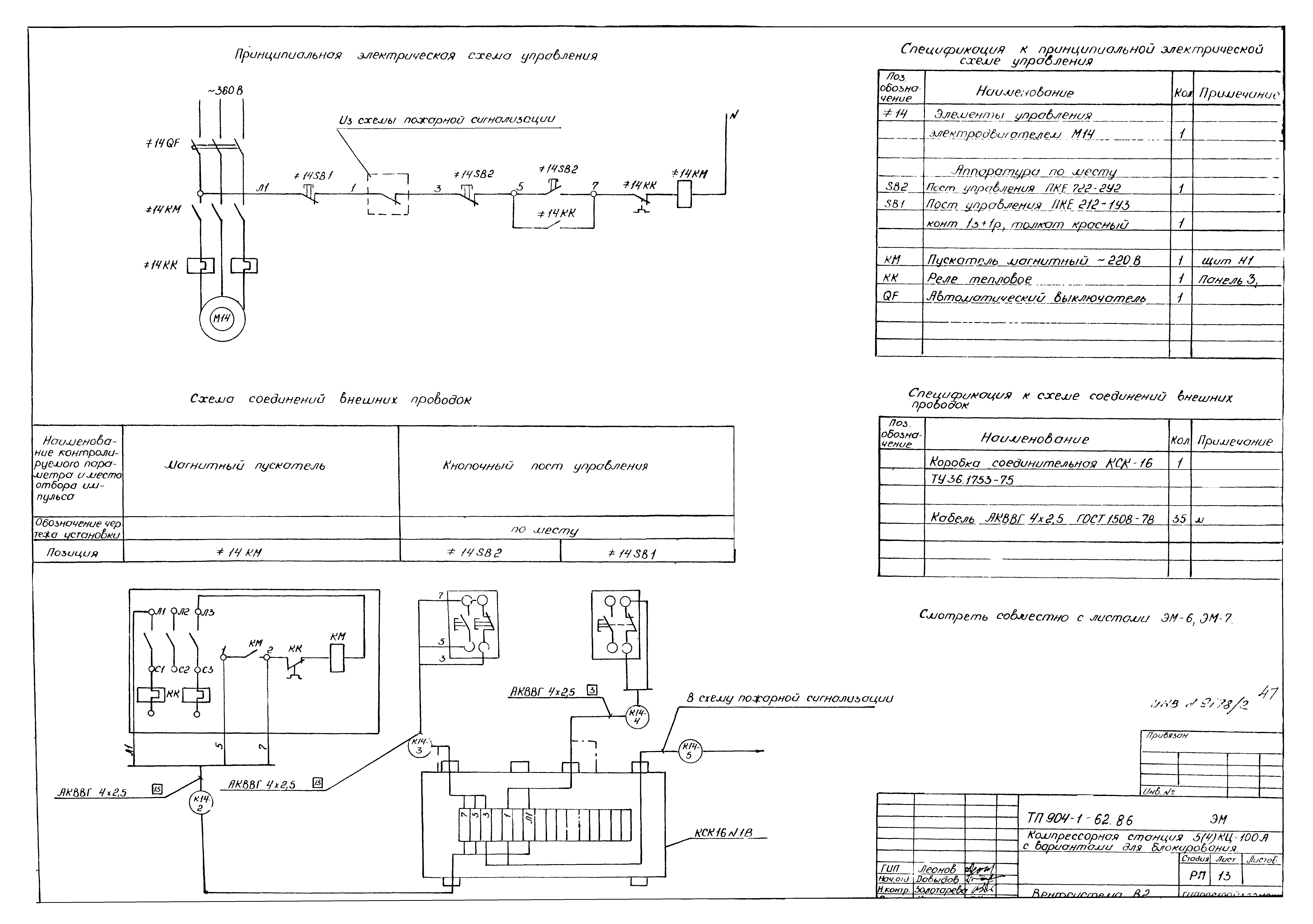
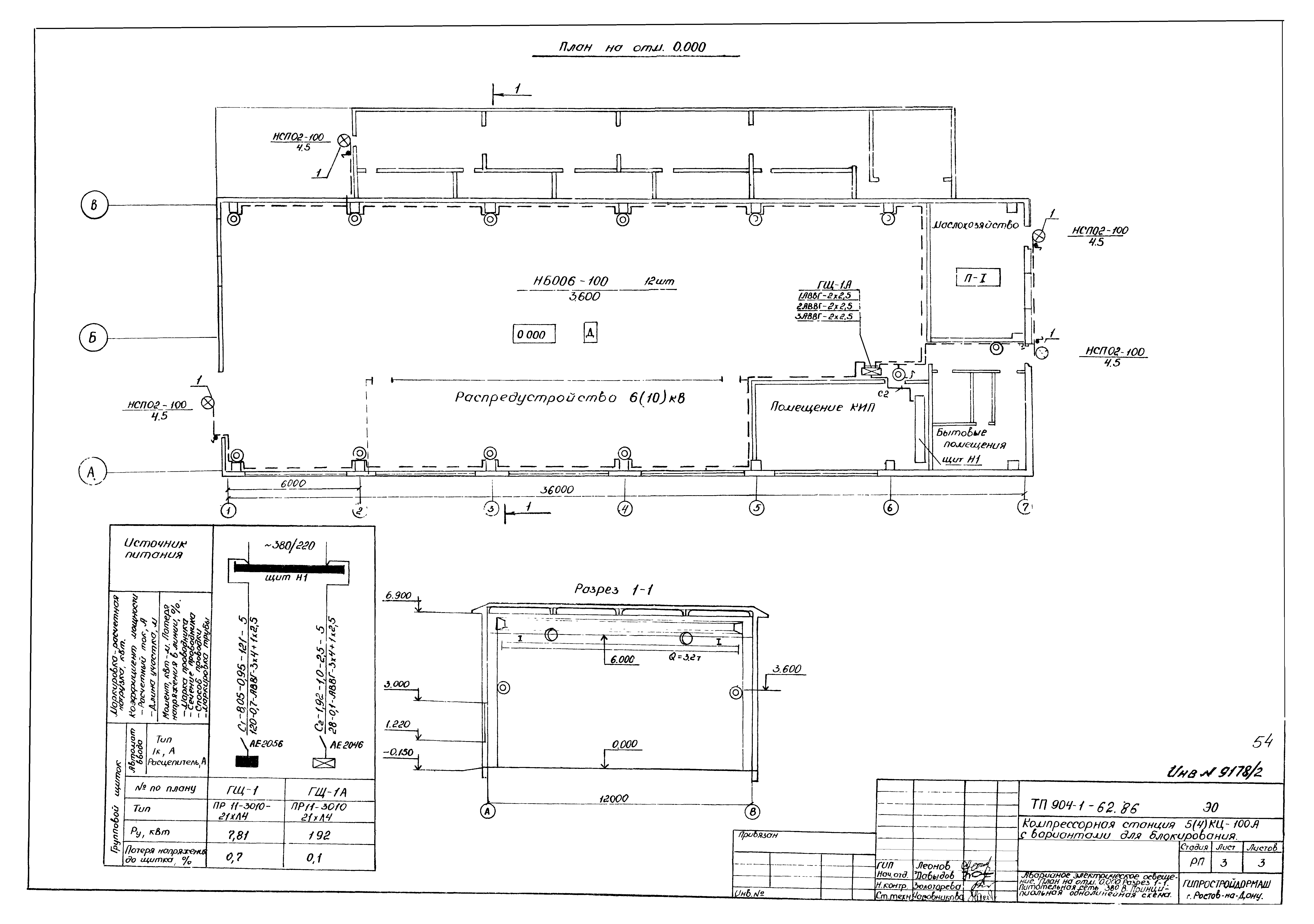
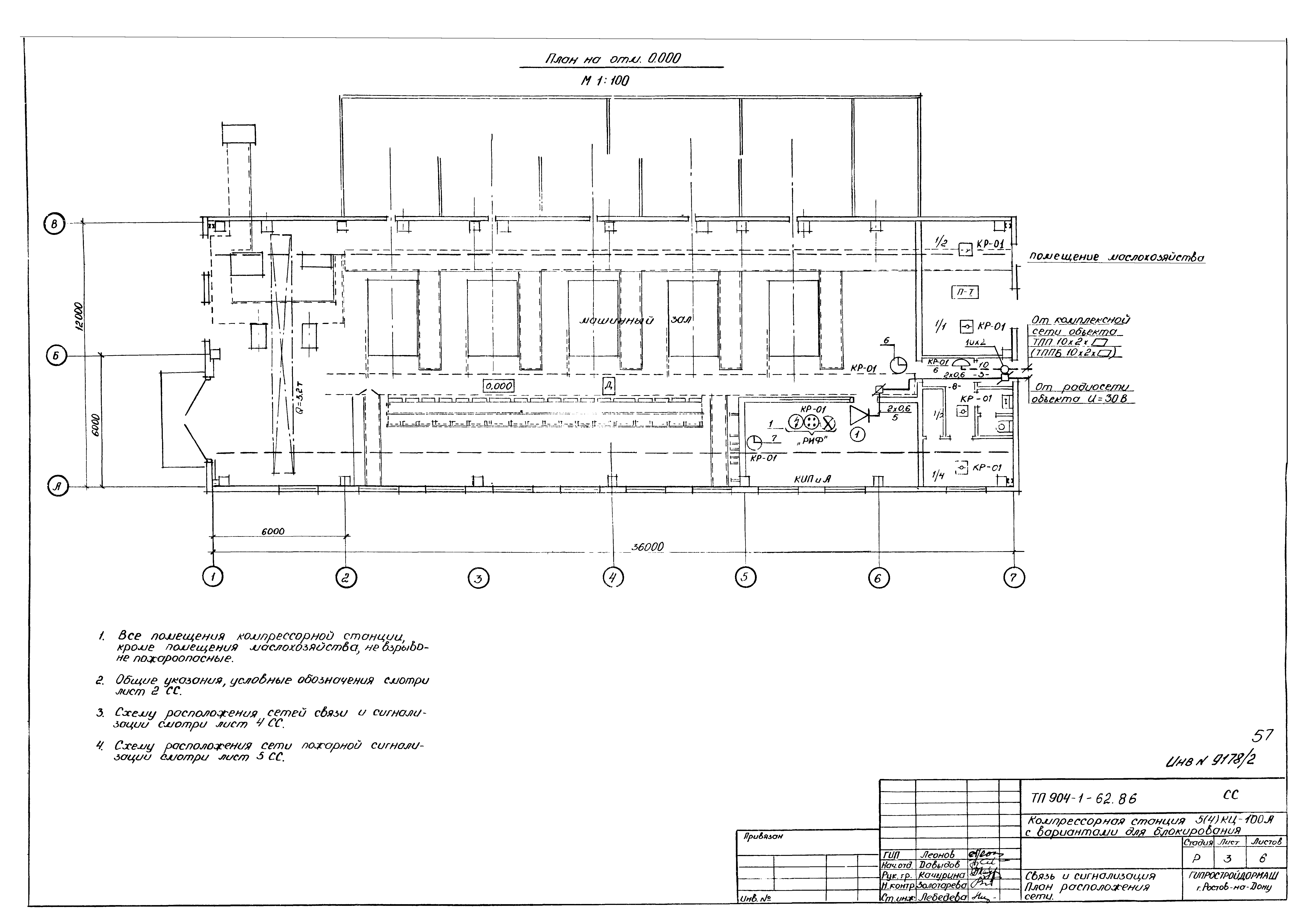
| Оглавление: | ТП 904-1-62.86 Титульный лист ТП 904-1-62.86 Содержание альбома ТП 904-1-62.86-ЭС-1,2 Общие данные ТП 904-1-62.86-ЭС-3 Размещение электрооборудования. Элемент плана на отм. 0.000 ТП 904-1-62.86-ЭС-4 Прокладка кабелей на отм. 0.000. Элемент плана ТП 904-1-62.86-ЭС-5,6 Распредустройство 6(10) кВ. Принципиальная однолинейная схема ТП 904-1-62.86-ЭС-7-9 Ввод 1(2). Схема электрическая принципиальная ТП 904-1-62.86-ЭС-10,11 Секционный выключатель. Схема электрическая принципиальная ТП 904-1-62.86-ЭС-12,13 Трансформатор напряжения 1(2). Схема электрическая принципиальная ТП 904-1-62.86-ЭС-14,15 Трансформатор собственных нужд 1(2). Схема электрическая принципиальная ТП 904-1-62.86-ЭС-16,17 Секционный выключатель. Схема электрическая принципиальная ТП 904-1-62.86-ЭС-18-20 Шкаф с низковольтной аппаратурой собственных нужд 1. Схема электрическая принципиальная ТП 904-1-62.86-ЭС-21-23 Шкаф с низковольтной аппаратурой собственных нужд 2. Схема электрическая принципиальная ТП 904-1-62.86-ЭС-24-26 Асинхронный электродвигатель. Схема электрическая принципиальная ТП 904-1-62.86-ЭС-27 Цепи оперативной блокировки ТП 904-1-62.86-ЭС-28 Расчет релейных защит ТП 904-1-62.86-ЭС-29 Ввод 1(2). Схема подключения ТП 904-1-62.86-ЭС-30 Трансформатор напряжения 1(2). Схема подключения ТП 904-1-62.86-ЭС-31 Секционный выключатель. Схема подключения ТП 904-1-62.86-ЭС-32 Секционный разъединитель. Схема подключения ТП 904-1-62.86-ЭС-33 Асинхронный электродвигатель. Схема подключения ТП 904-1-62.86-ЭС-34 Трансформатор собственных нужд 1(2). Схема подключения ТП 904-1-62.86-ЭС-35 Шкаф с низковольтной аппаратурой собственных нужд 1. Схема подключения ТП 904-1-62.86-ЭС-36 Шкаф с низковольтной аппаратурой собственных нужд 2. Схема подключения ТП 904-1-62.86-ЭС-37 Опросный лист для заказа КРУ серии КМ-1 ТП 904-1-62.86-ЭС-38 Опросный лист для заказа КРУ серии КМ-1 ТП 904-1-62.86-ЭМ Силовое электрооборудование ТП 904-1-62.86-ЭМ-1,2 Общие данные ТП 904-1-62.86-ЭМ-3 Технические данные электроприемников ТП 904-1-62.86-ЭМ-4,5 Щит защищенный однорядный Н1. Расчетная схема ТП 904-1-62.86-ЭМ-6 Прокладка кабелей на отм. 0.000. План ТП 904-1-62.86-ЭМ-7 Прокладка кабелей на отм. 0.000. План ТП 904-1-62.86-ЭМ-8 Прокладка кабелей. Разрезы ТП 904-1-62.86-ЭМ-9-11 Кабельный журнал ТП 904-1-62.86-ЭМ-12 Заземление ТП 904-1-62.86-ЭМ-13 Вентсистема В2. Электрические схемы ТП 904-1-62.86-ЭМ-14 Прокладка кабелей на отм. 0.000. План. Вариант 1 ТП 904-1-62.86-ЭМ-15 Прокладка кабелей на отм. 0.000. План. Вариант 2 ТП 904-1-62.86-ЭМ-16 Перечень проектной документации для заказа НКУ ТП 904-1-62.86-ЭМ-17 Щит защищенный однорядный Н1. Таблица ТП 904-1-62.86-ЭМ-18 Щит защищенный однорядный Н1. Опросный лист ТП 904-1-62.86-ЭО Электроосвещение ТП 904-1-62.86-ЭО-1 Общие данные ТП 904-1-62.86-ЭО-2 Рабочее и ремонтное электрическое освещение. План на отм. 0.000. Таблица групповых щитков ТП 904-1-62.86-ЭО-3 Аварийное электрическое освещение. План на отм. 0.000. Разрез 1-1. Питательная сеть 380 В. Принципиальная однолинейная схема ТП 904-1-62.86-СС Связь и сигнализация ТП 904-1-62.86-СС-1,2 Общие данные ТП 904-1-62.86-СС-3 План расположения сети ТП 904-1-62.86-СС-4 Схемы расположения сетей ТП 904-1-62.86-СС-5 Схемы расположения сети пожарной сигнализации ТП 904-1-62.86-СС-6 Сведения в кабелях и проводах с использованием меди ТП 904-1-62.86-СС-6 Вызывная сигнализация. План расположения сети |
| Разработан: | Гипростройдормаш |
| Утверждён: | 21.11.1985 Минстройдормаш (Minstroydormash 30/85) |





























































