Скачать Типовой проект 904-1-62.86 Альбом 4. Строительные решенияДата актуализации: 01.01.2021
|
| Обозначение: | Типовой проект 904-1-62.86 |
| Обозначение англ: | 904-1-62.86 |
| Статус: | действует |
| Название рус.: | Альбом 4. Строительные решения |
| Дата добавления в базу: | 01.09.2013 |
| Дата актуализации: | 01.01.2021 |
| Дата введения: | 01.02.1986 |
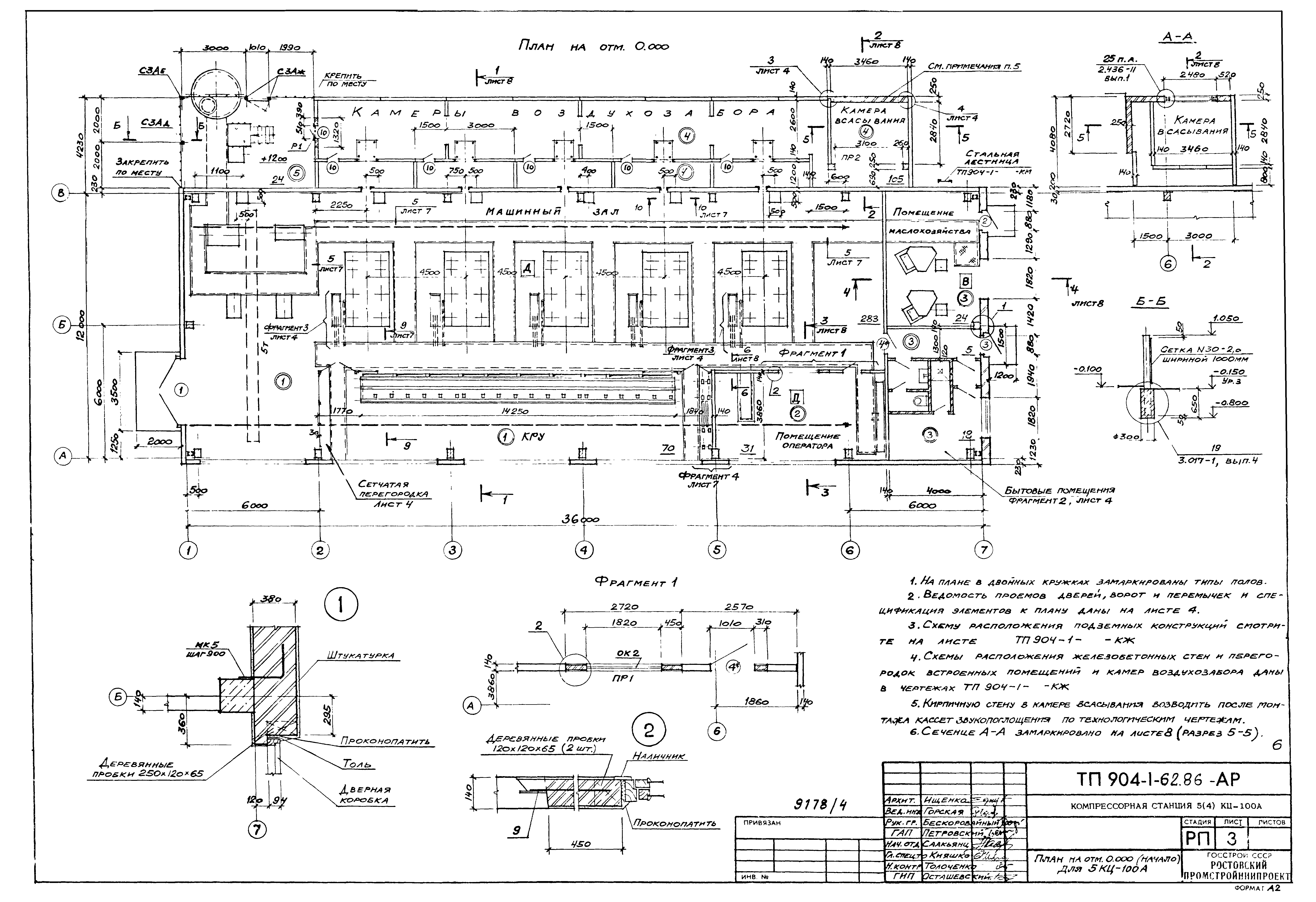
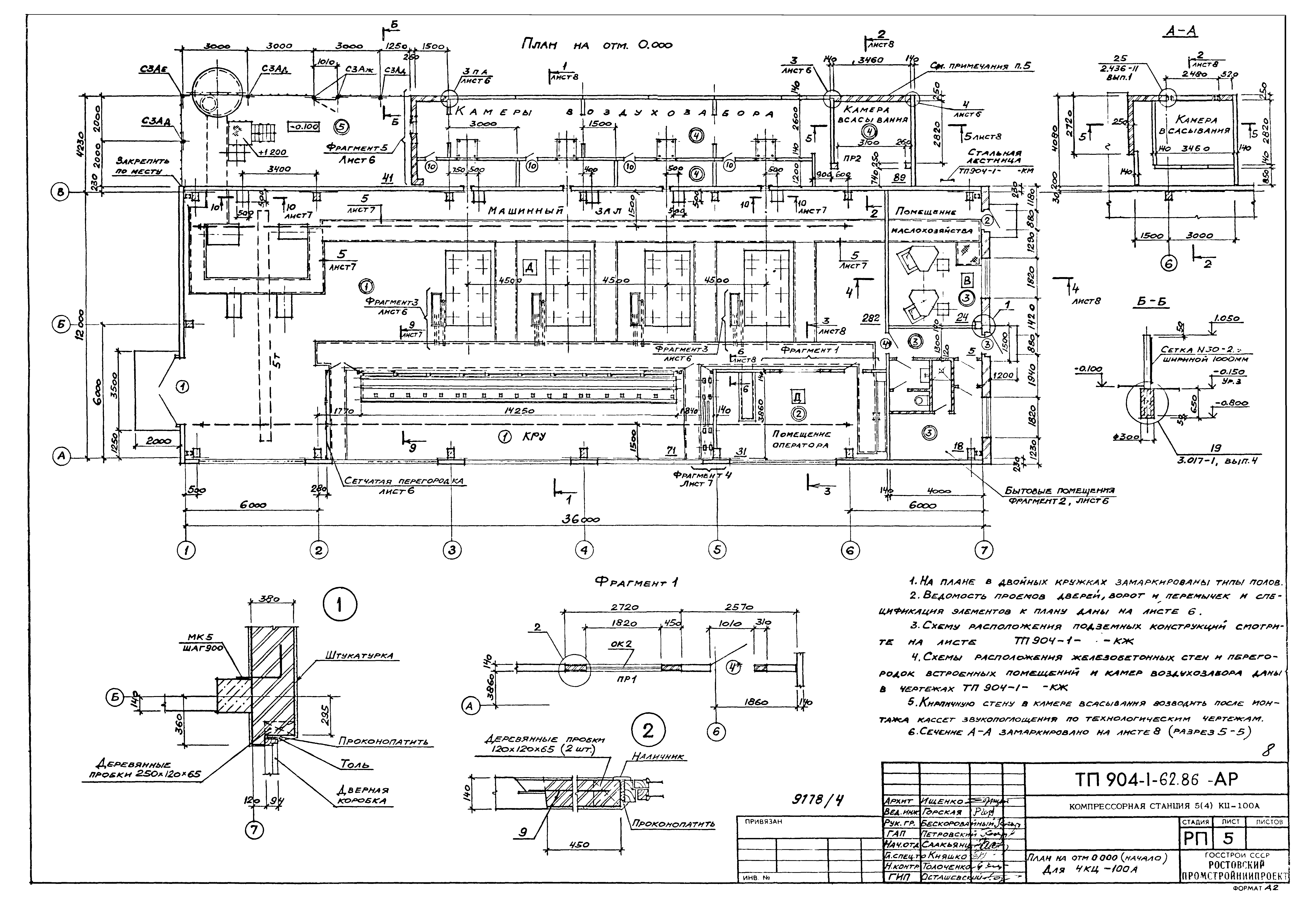
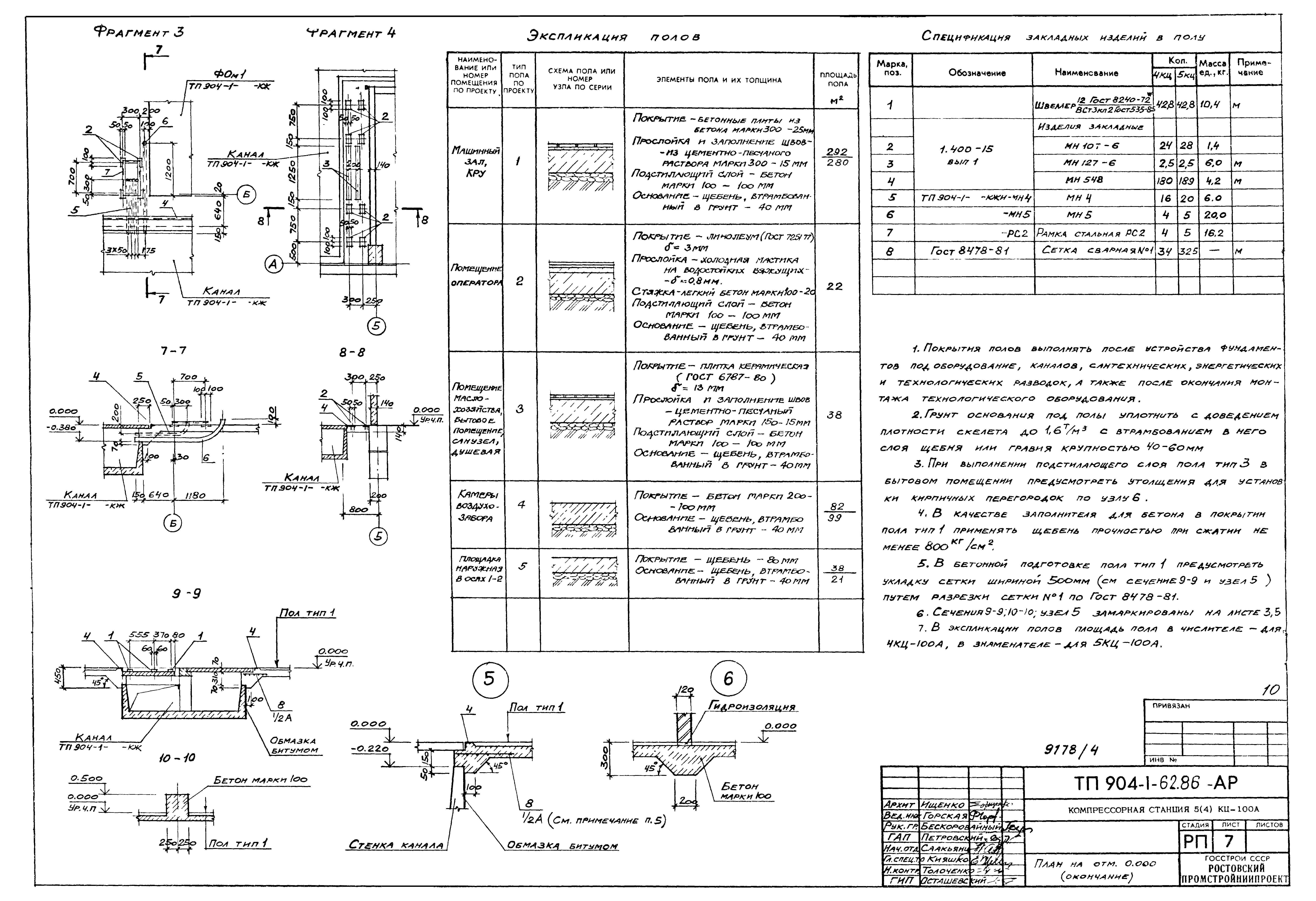
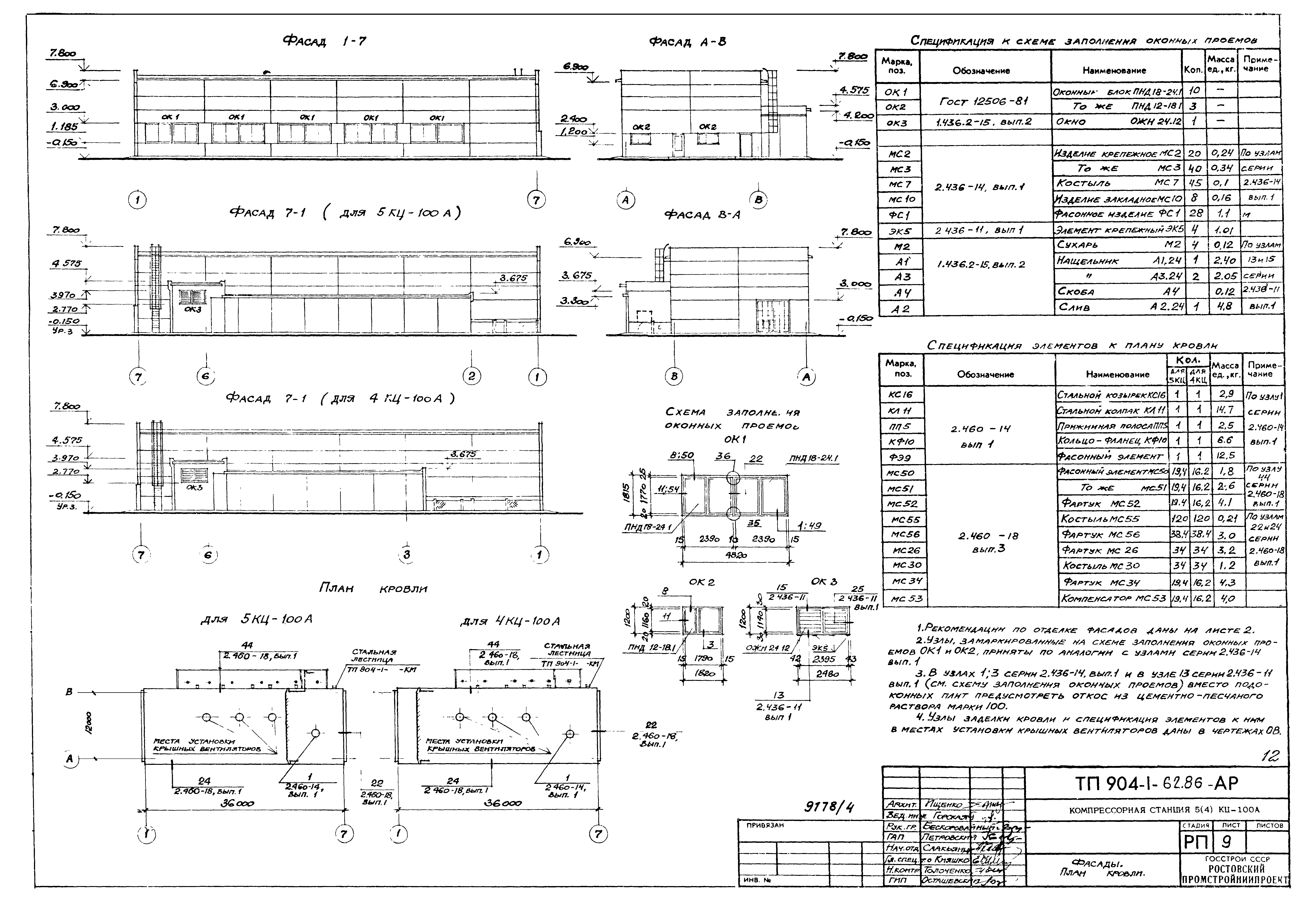
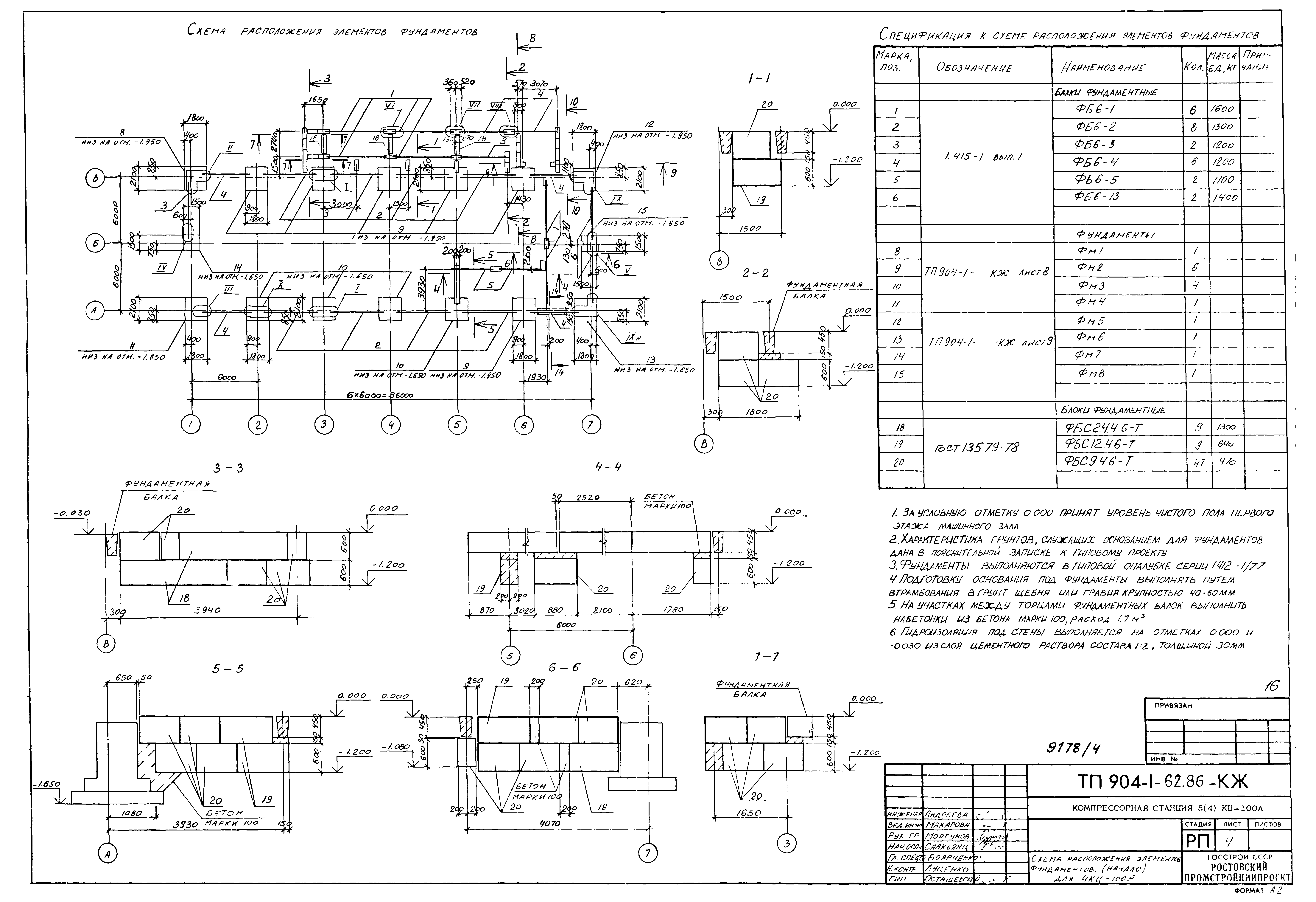
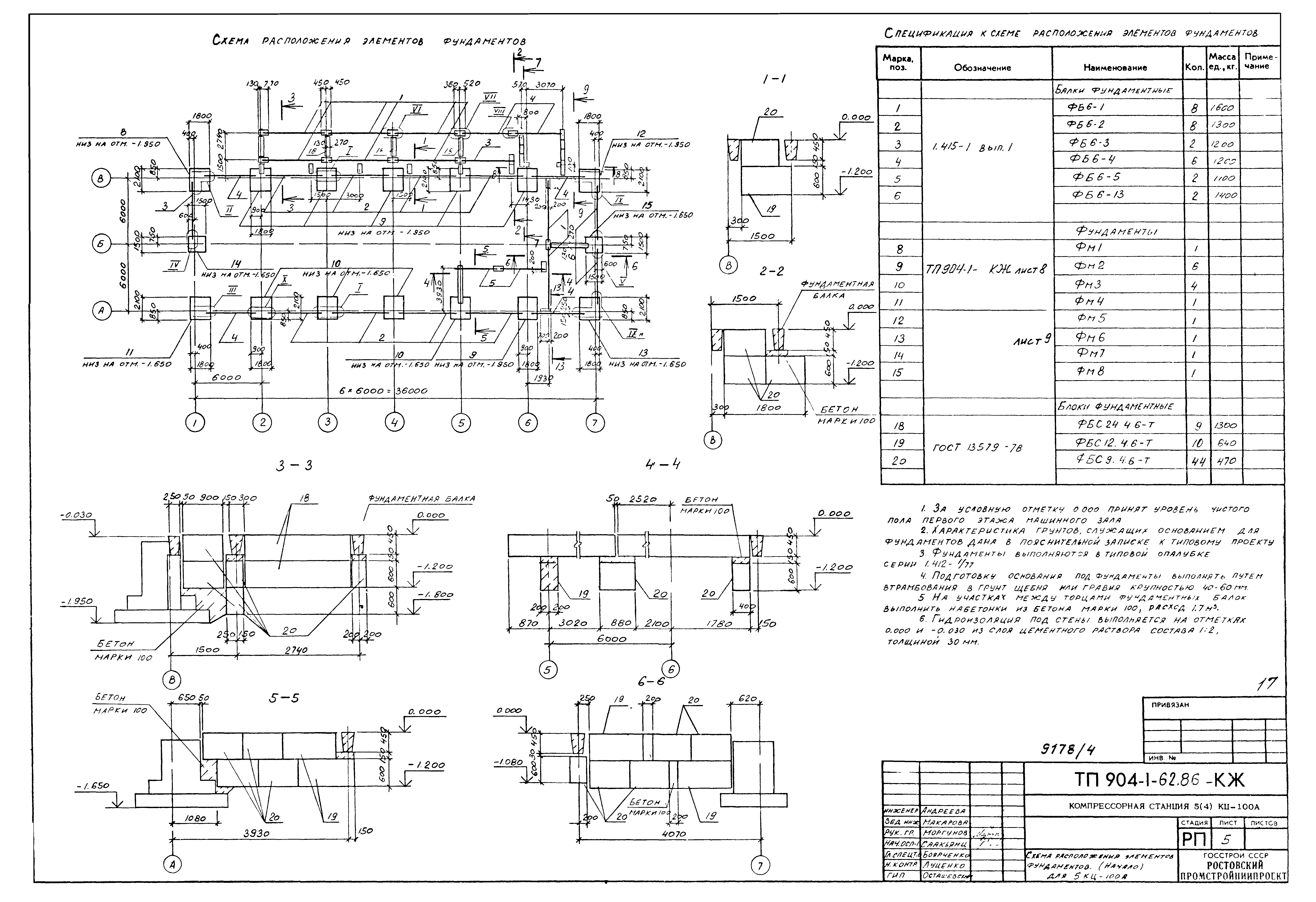
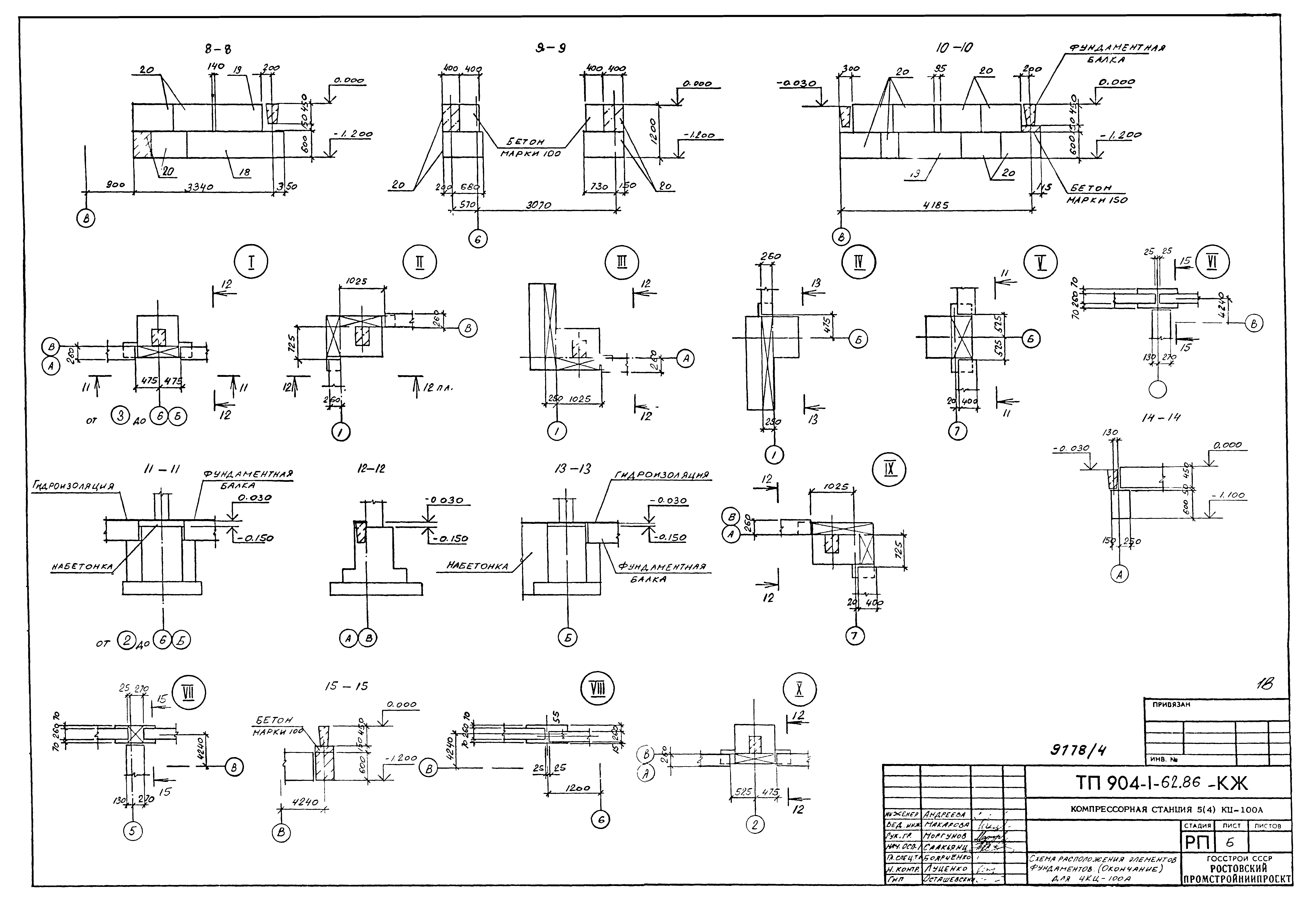
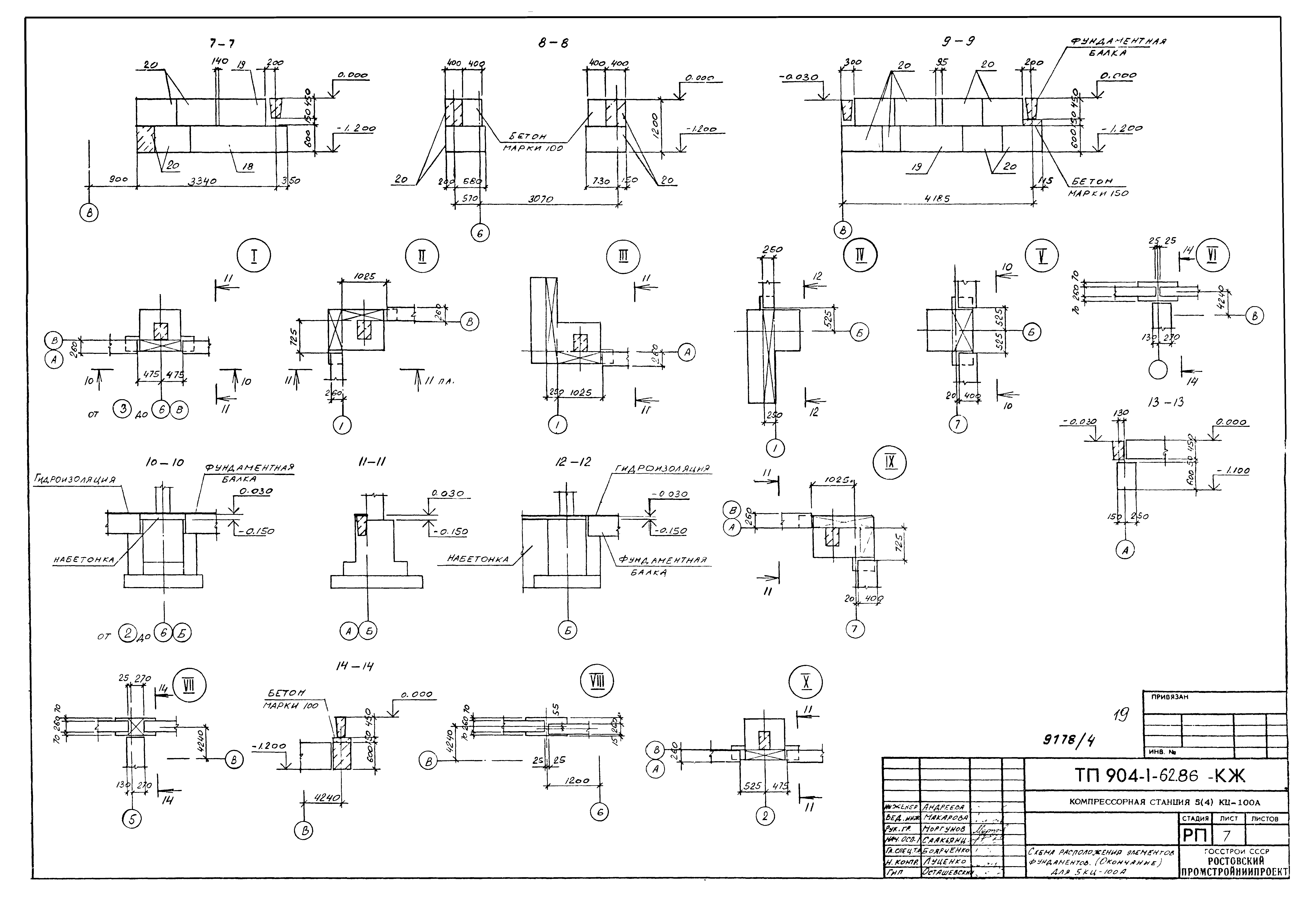
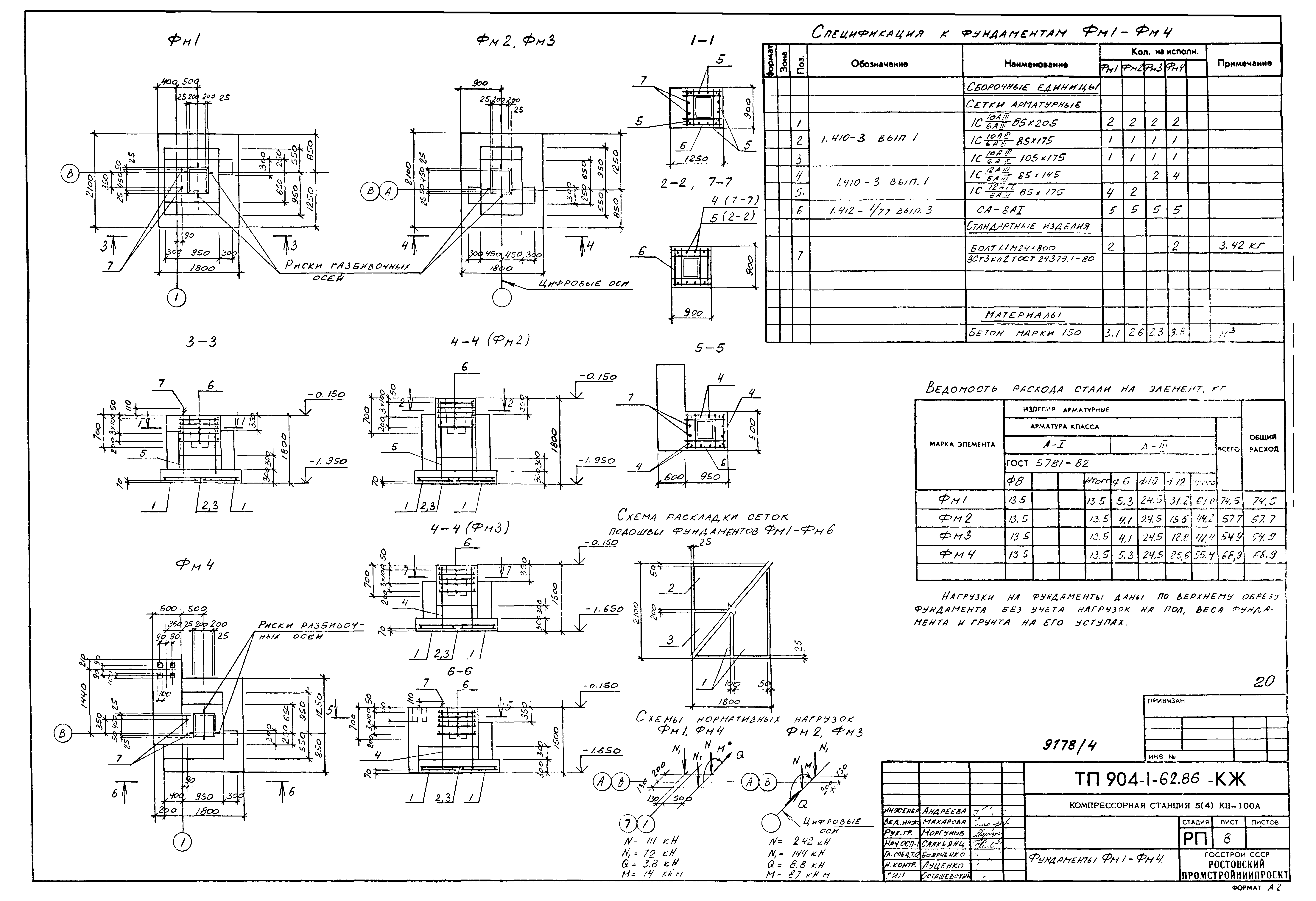
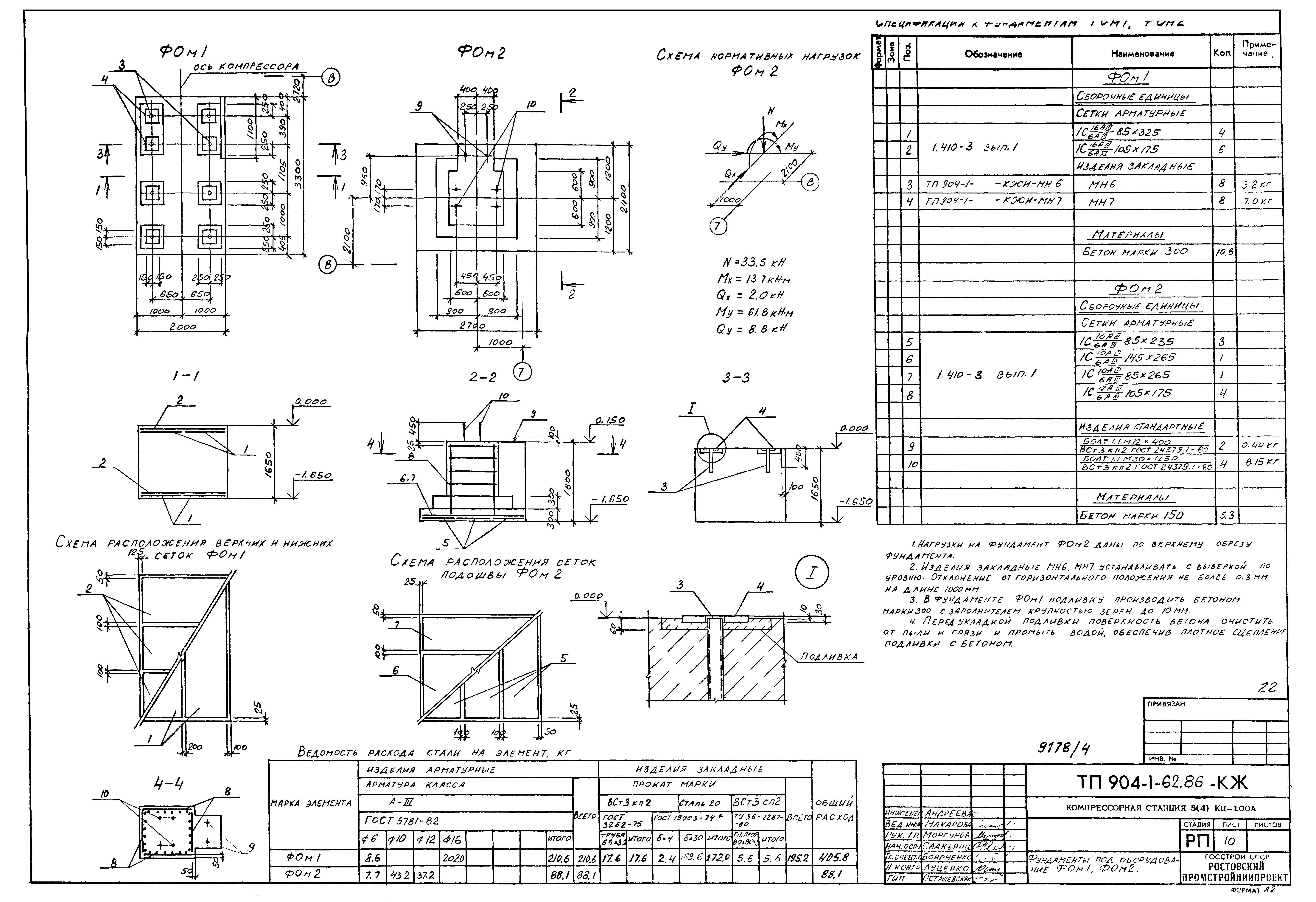
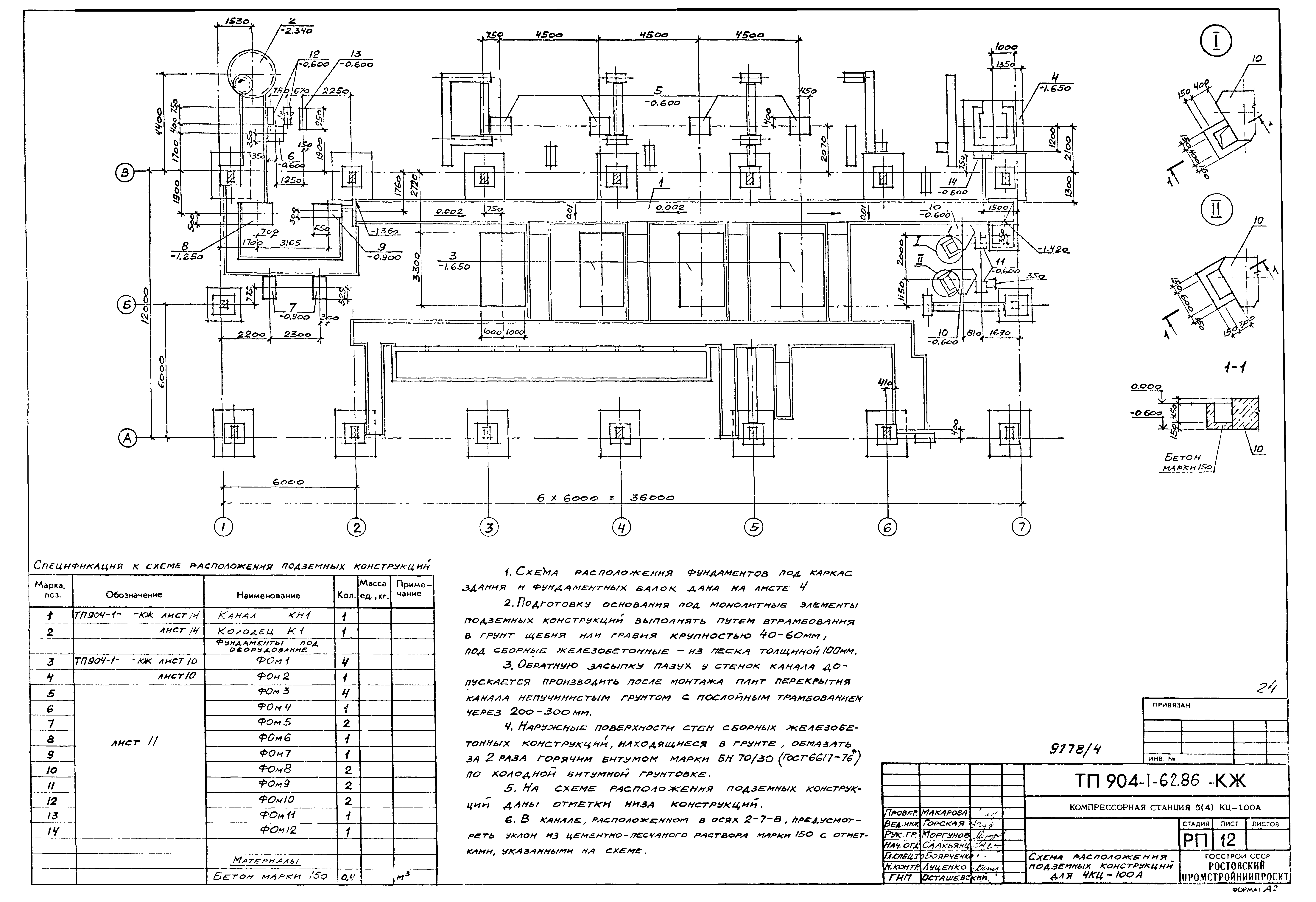
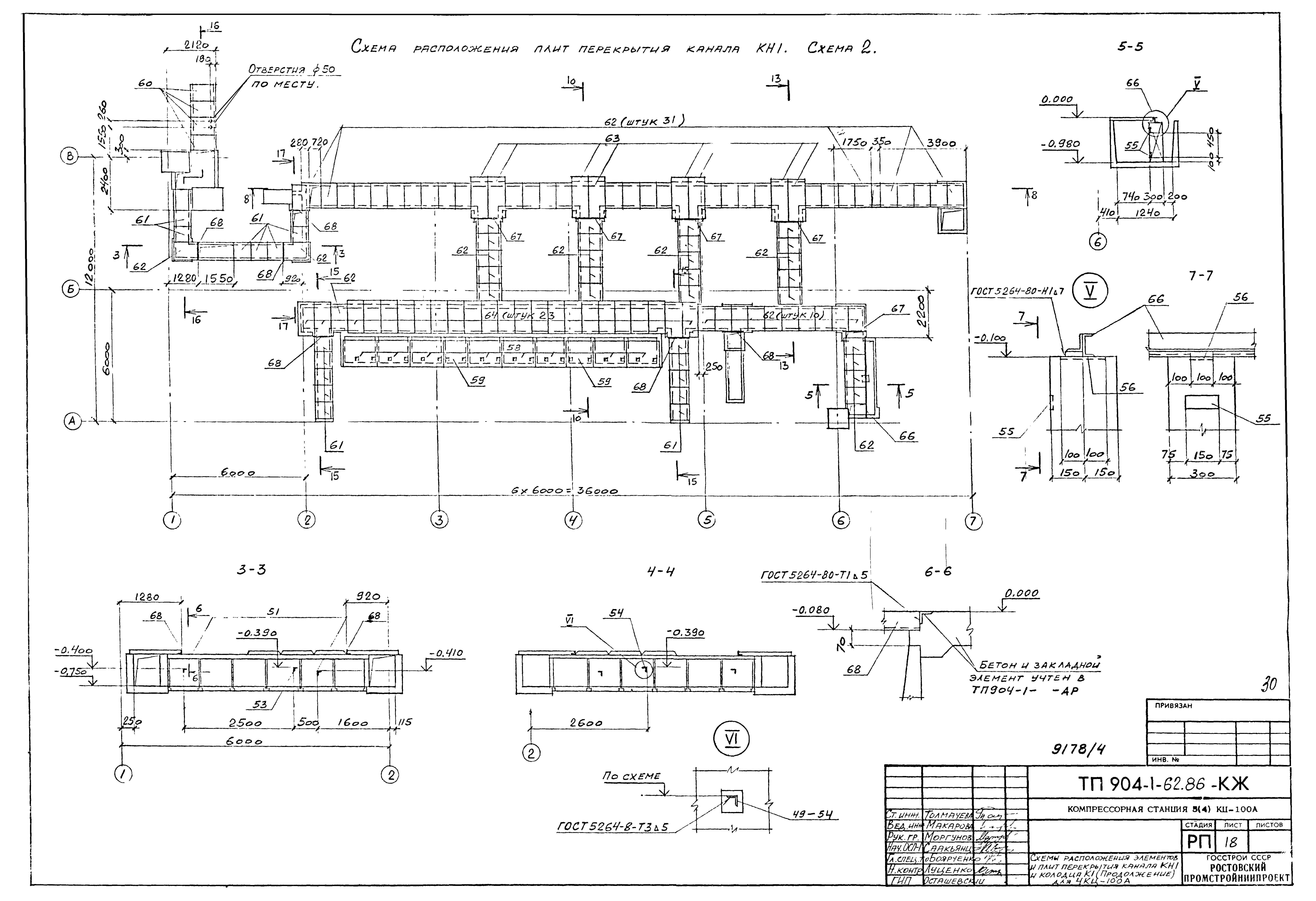
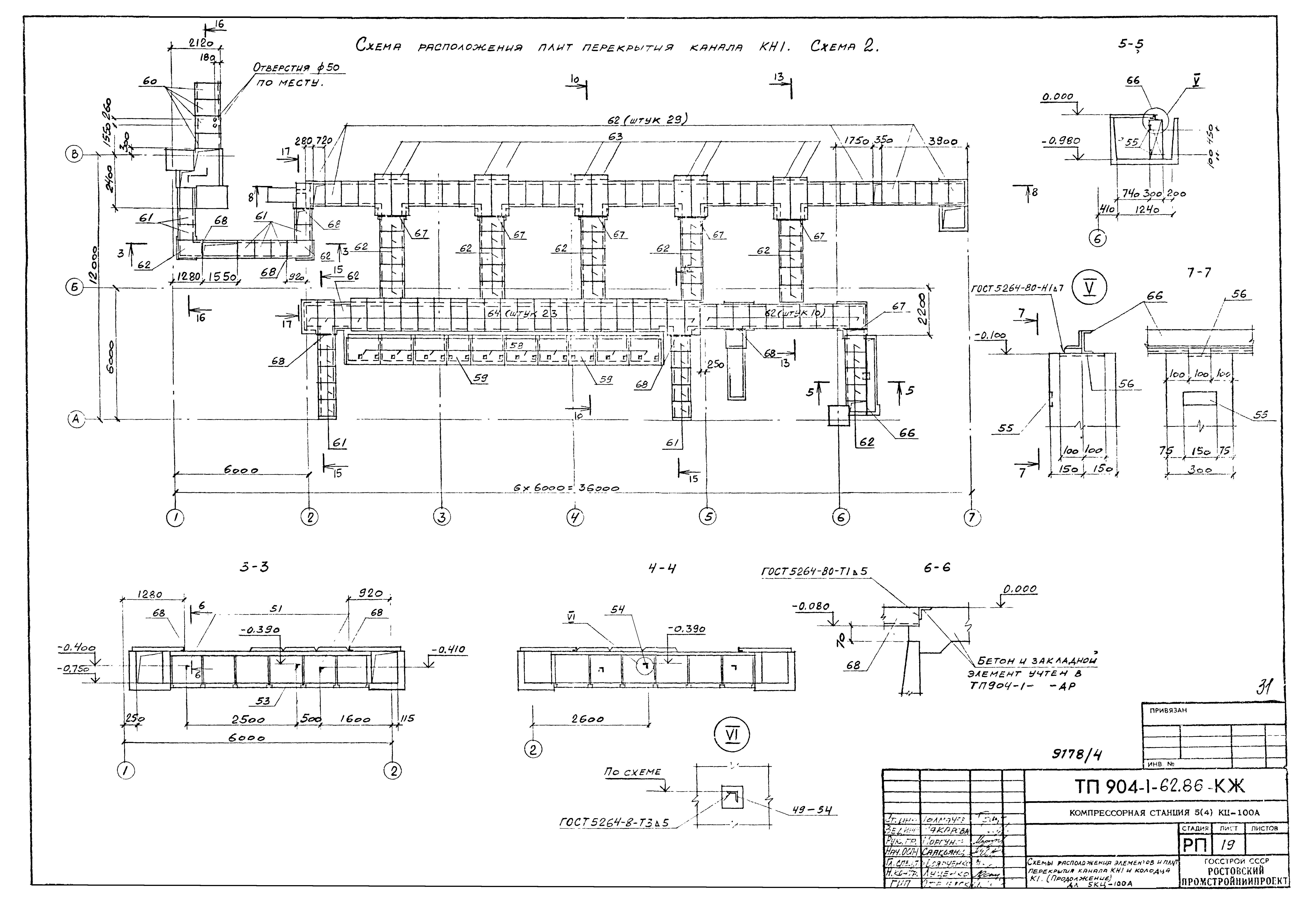
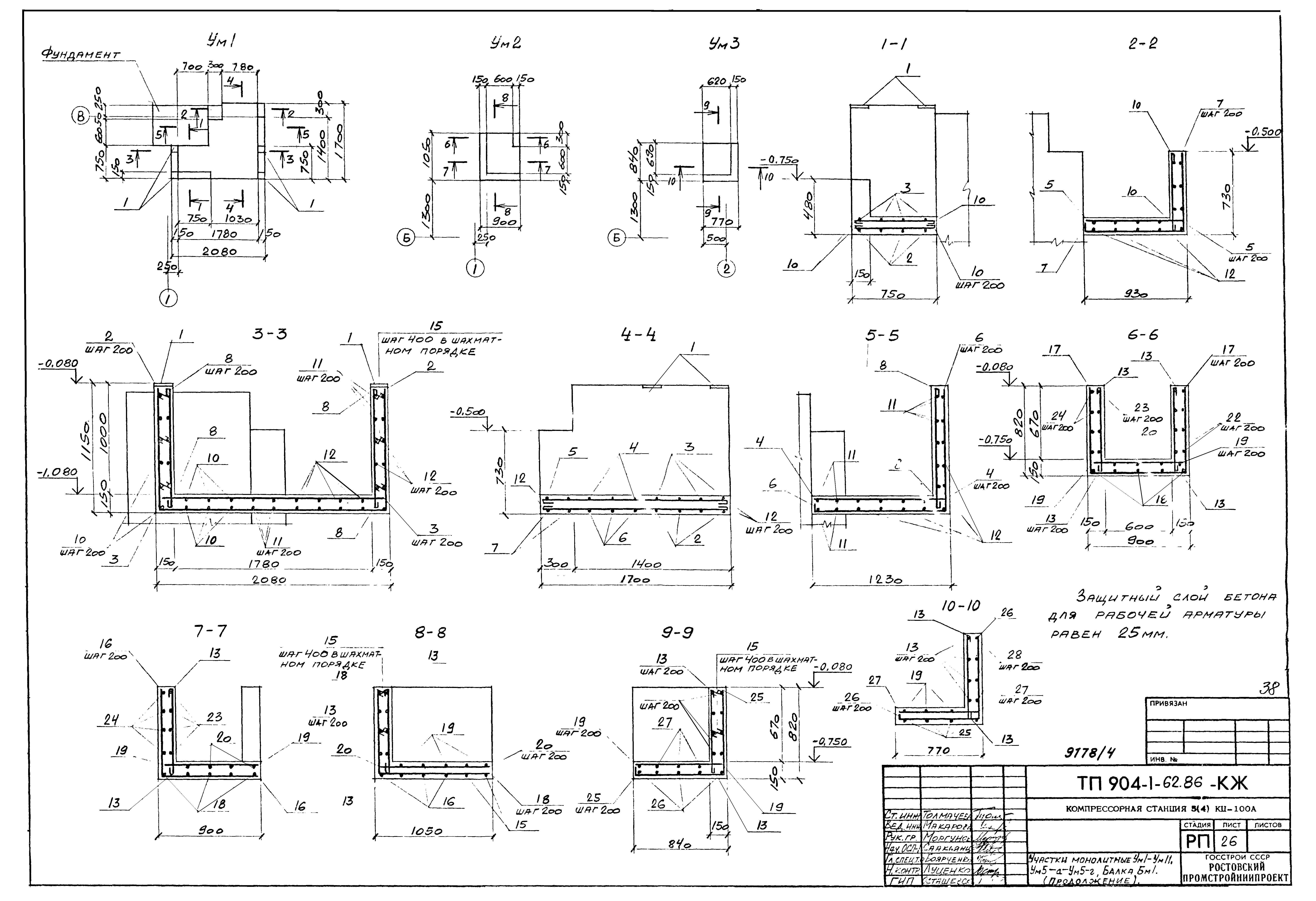
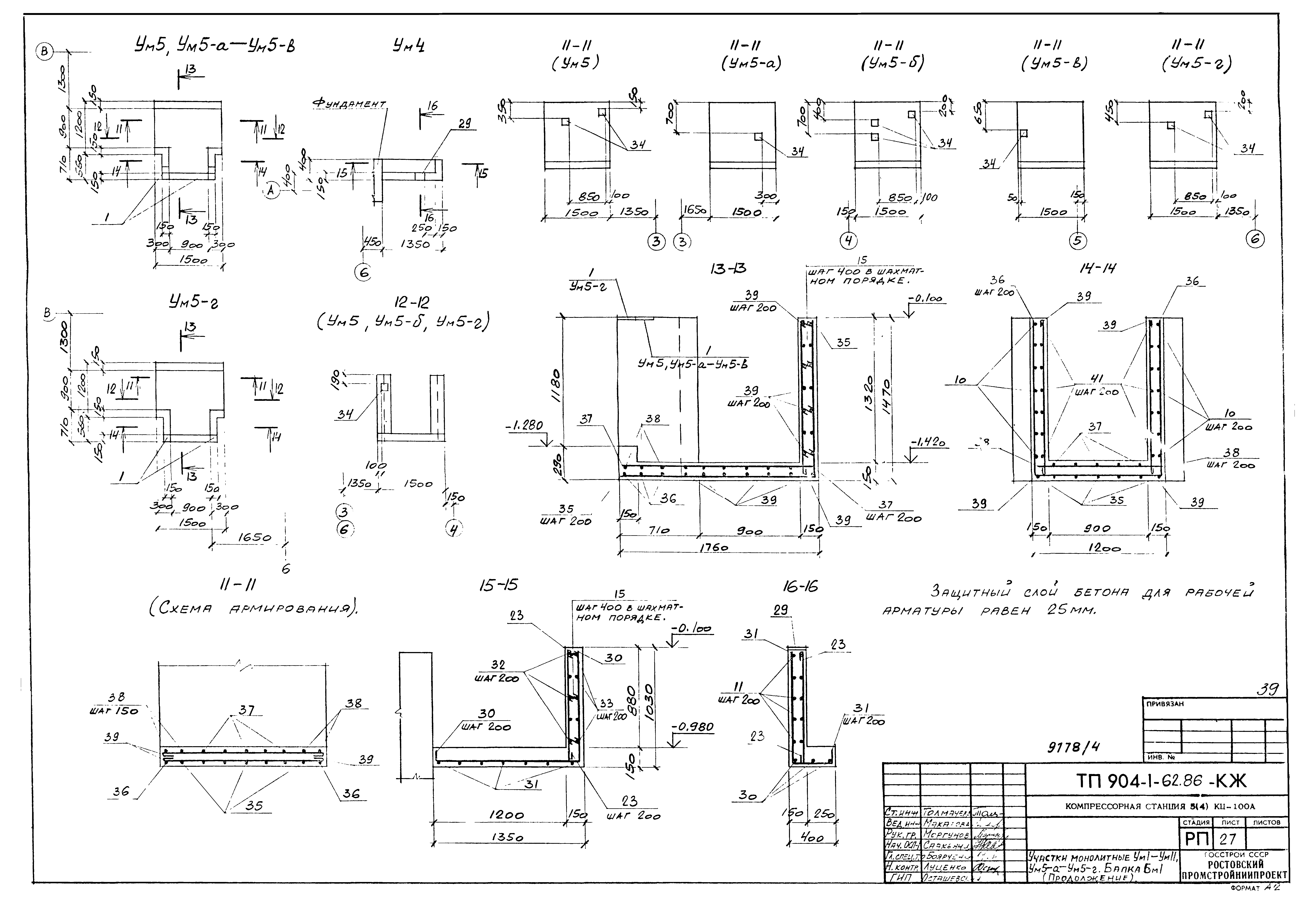
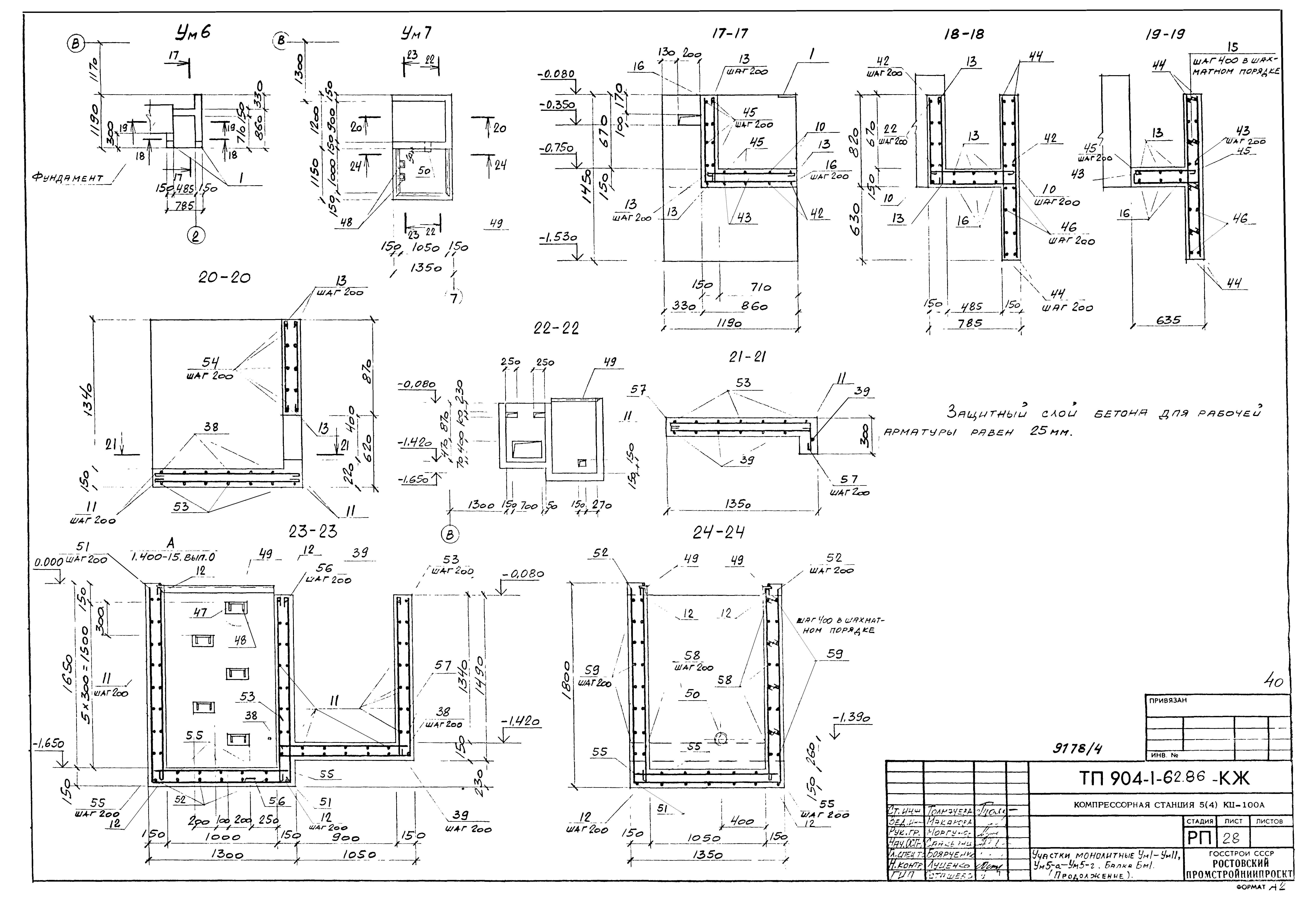
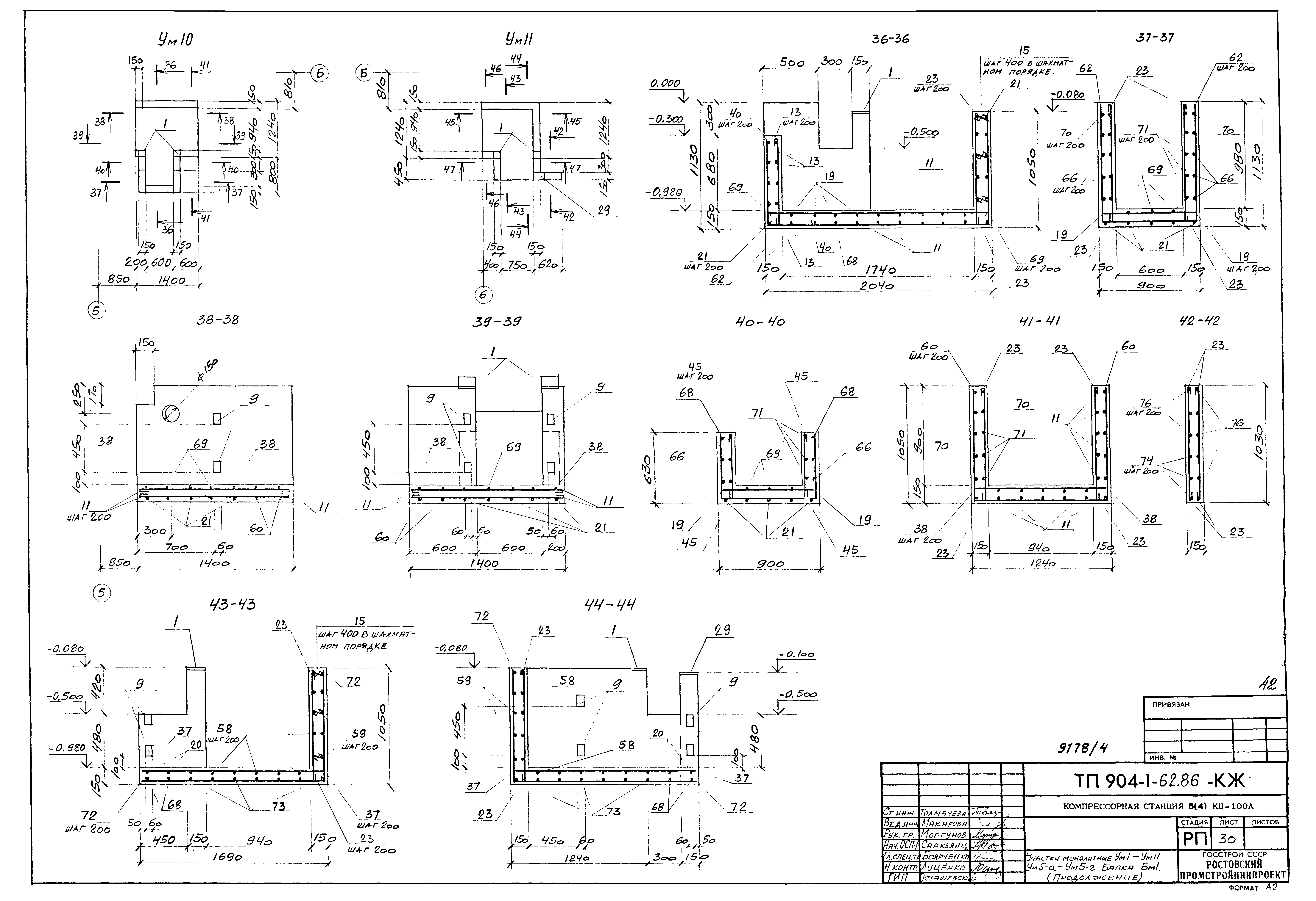
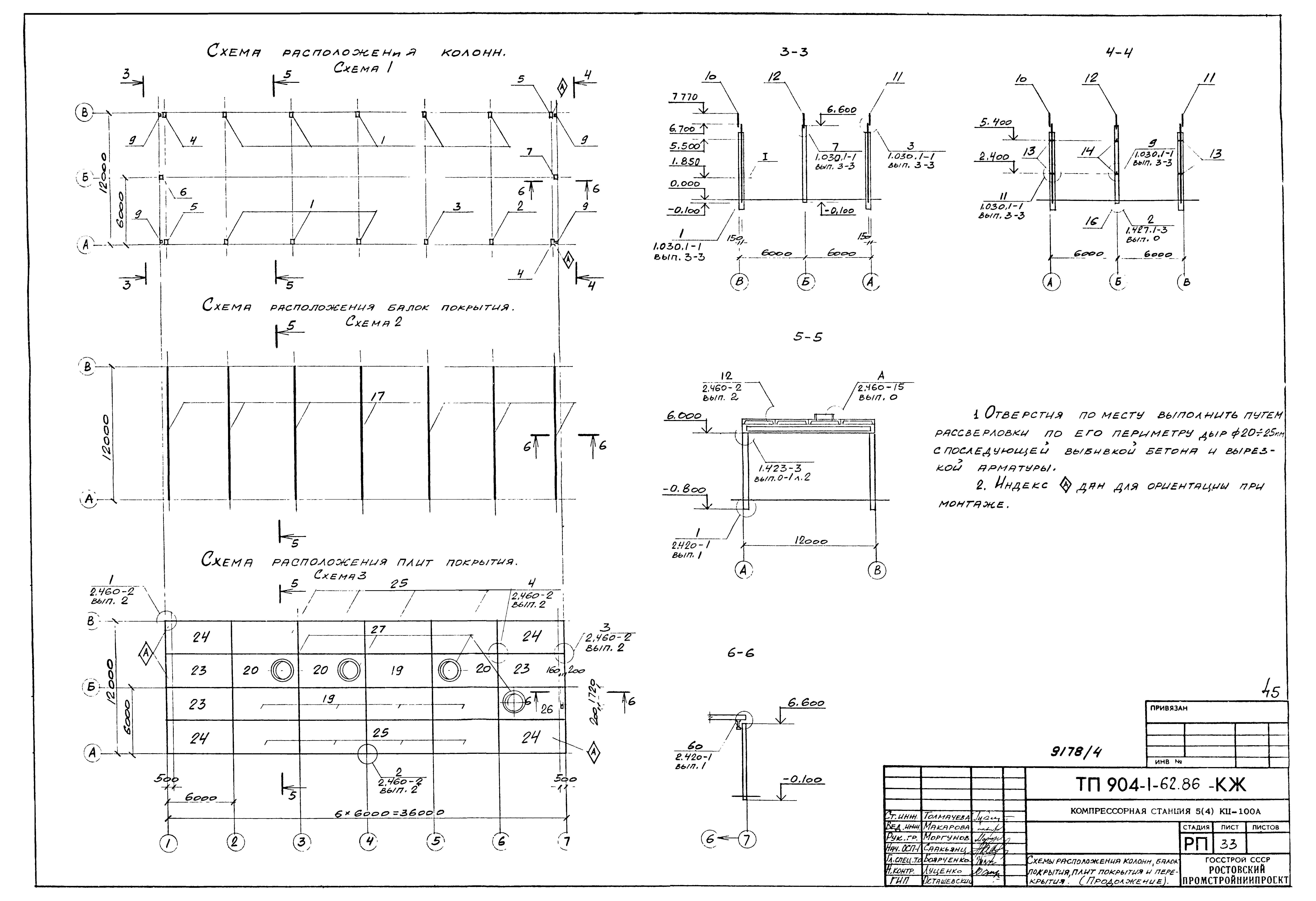
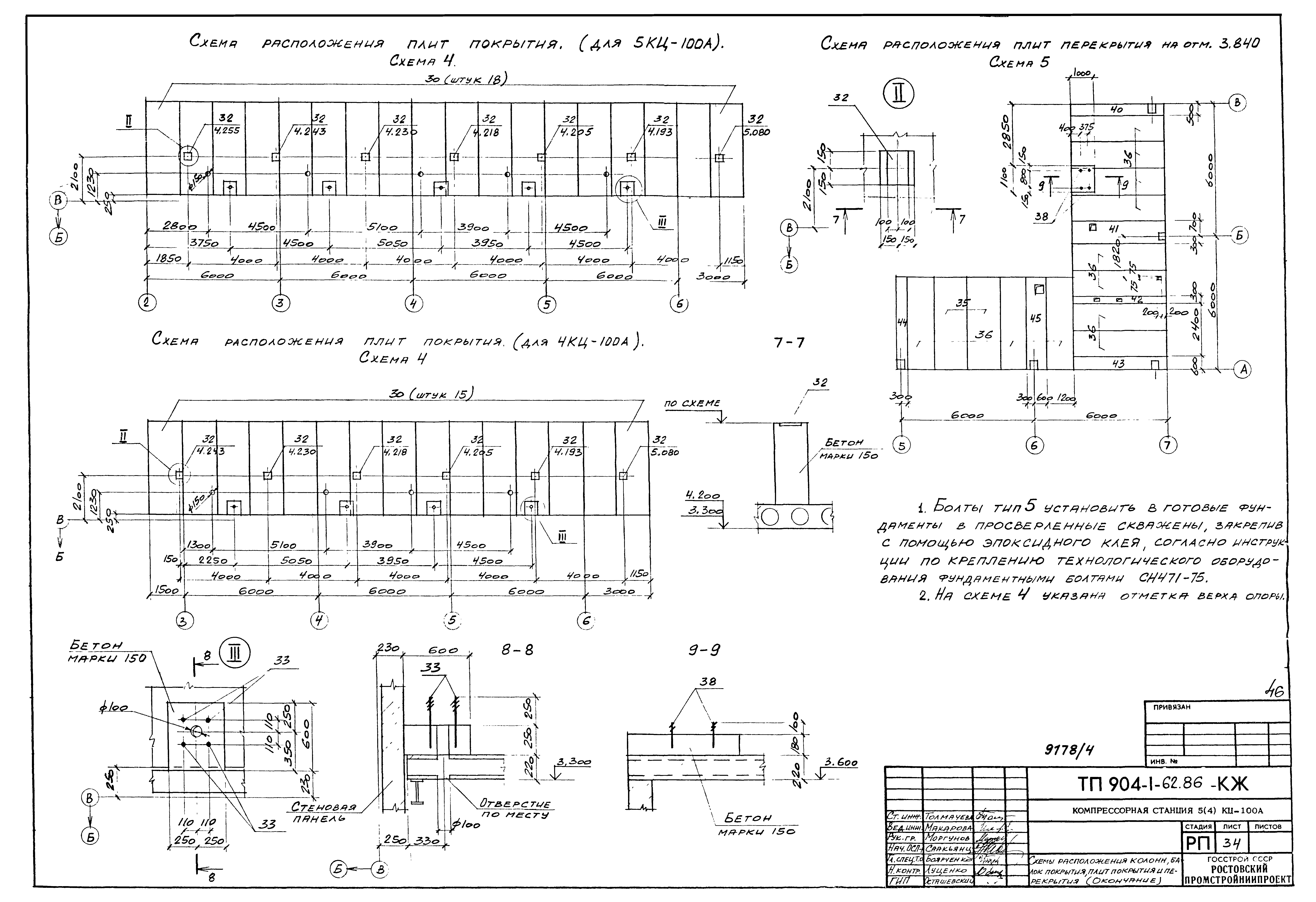
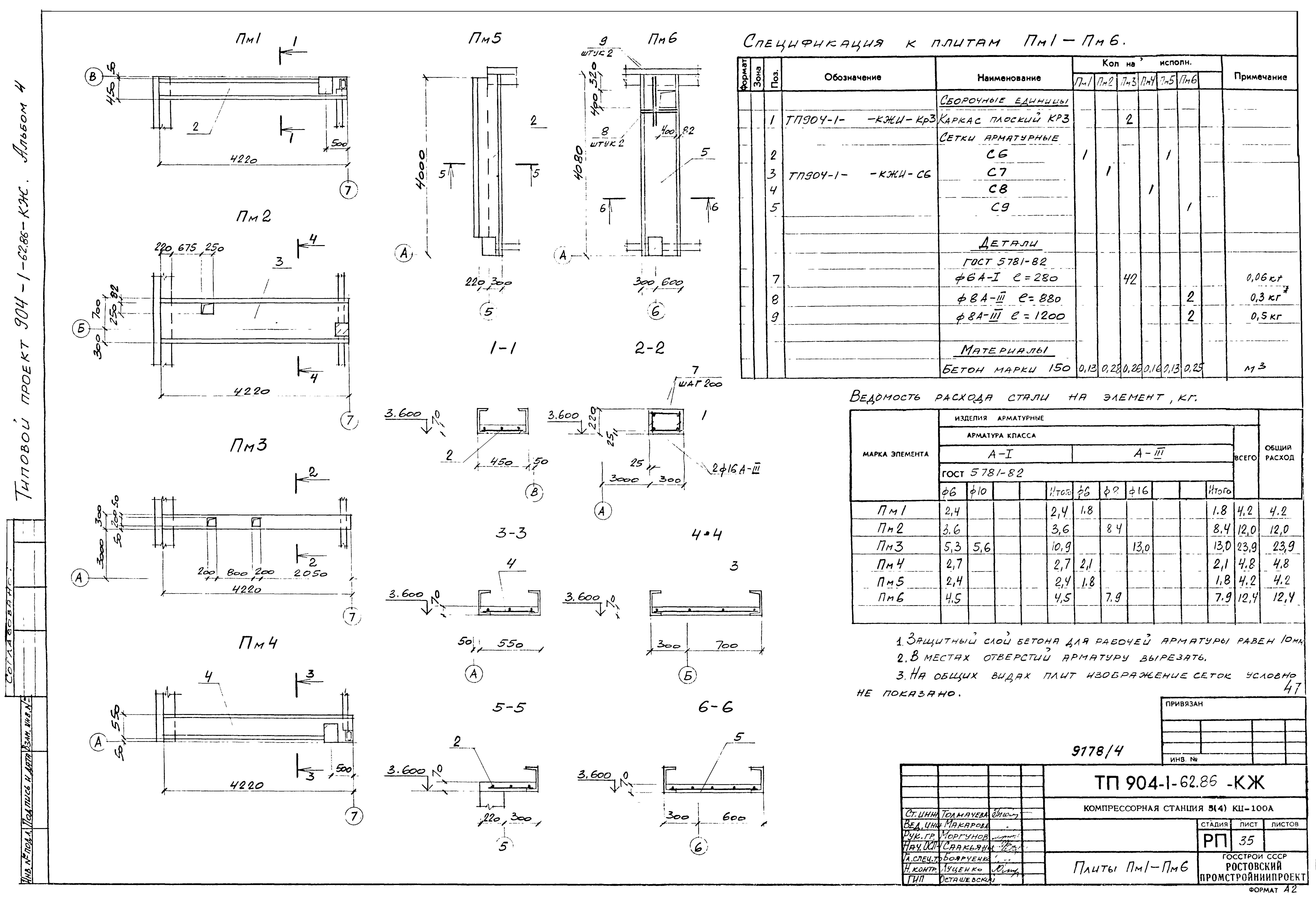
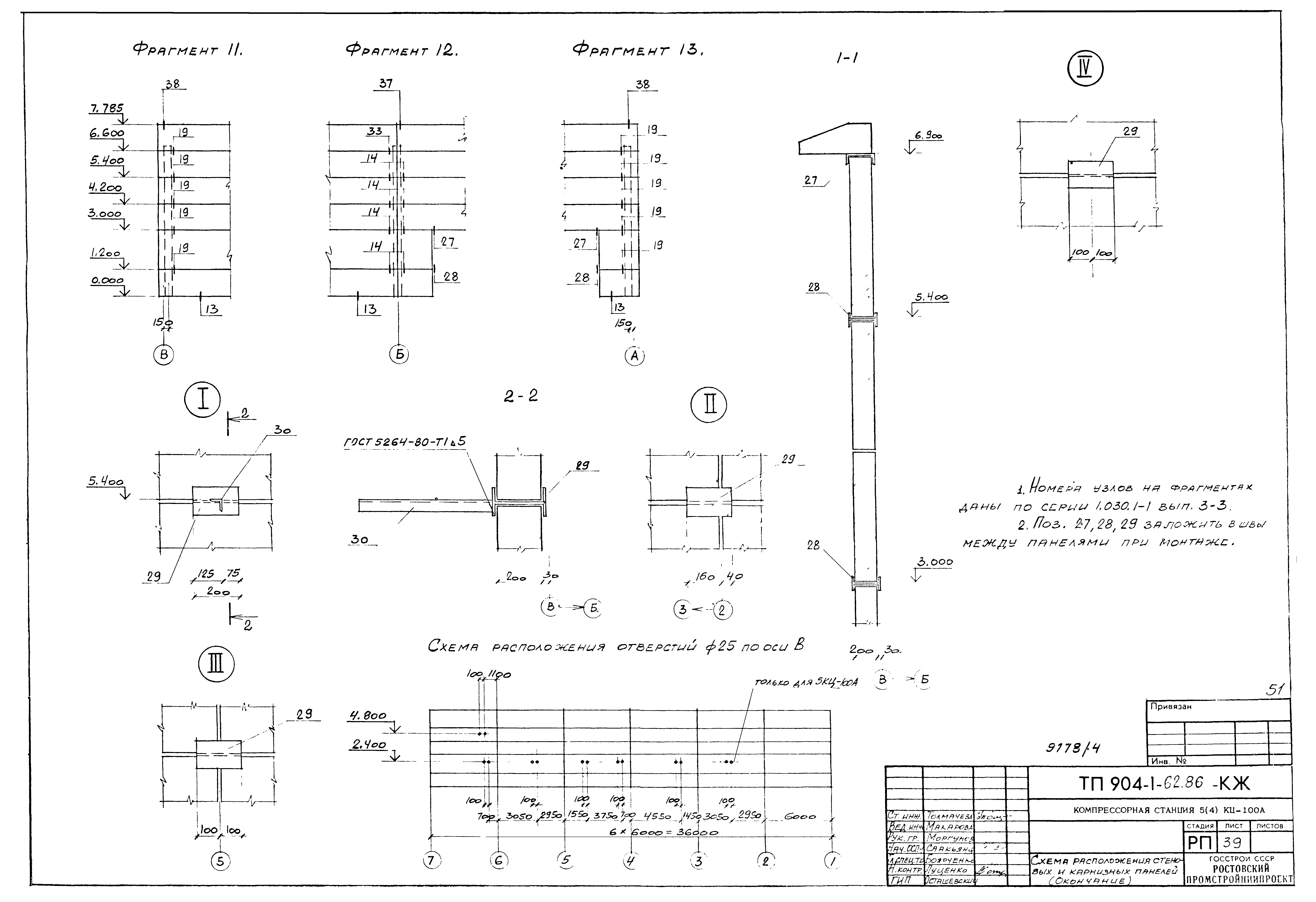
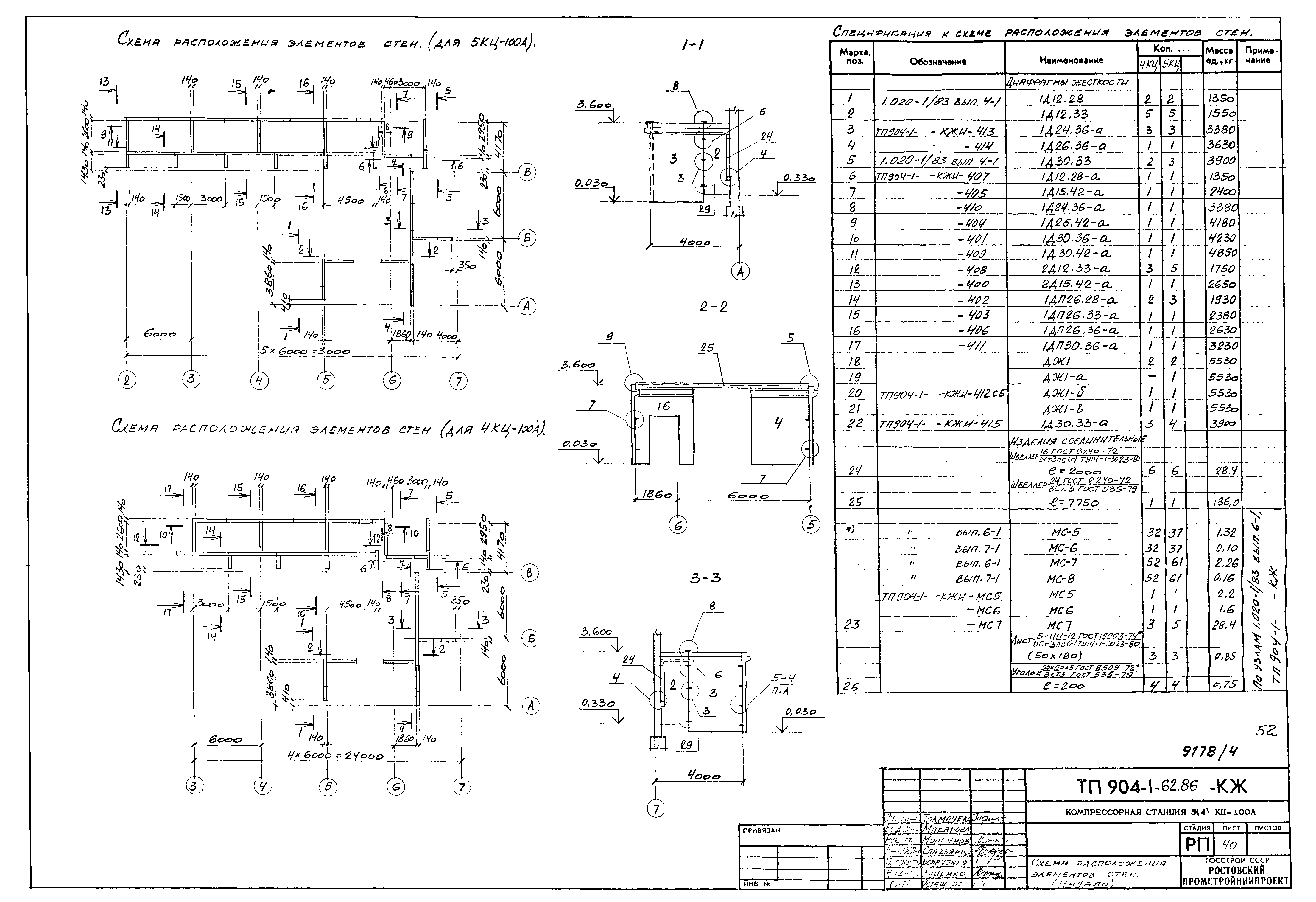
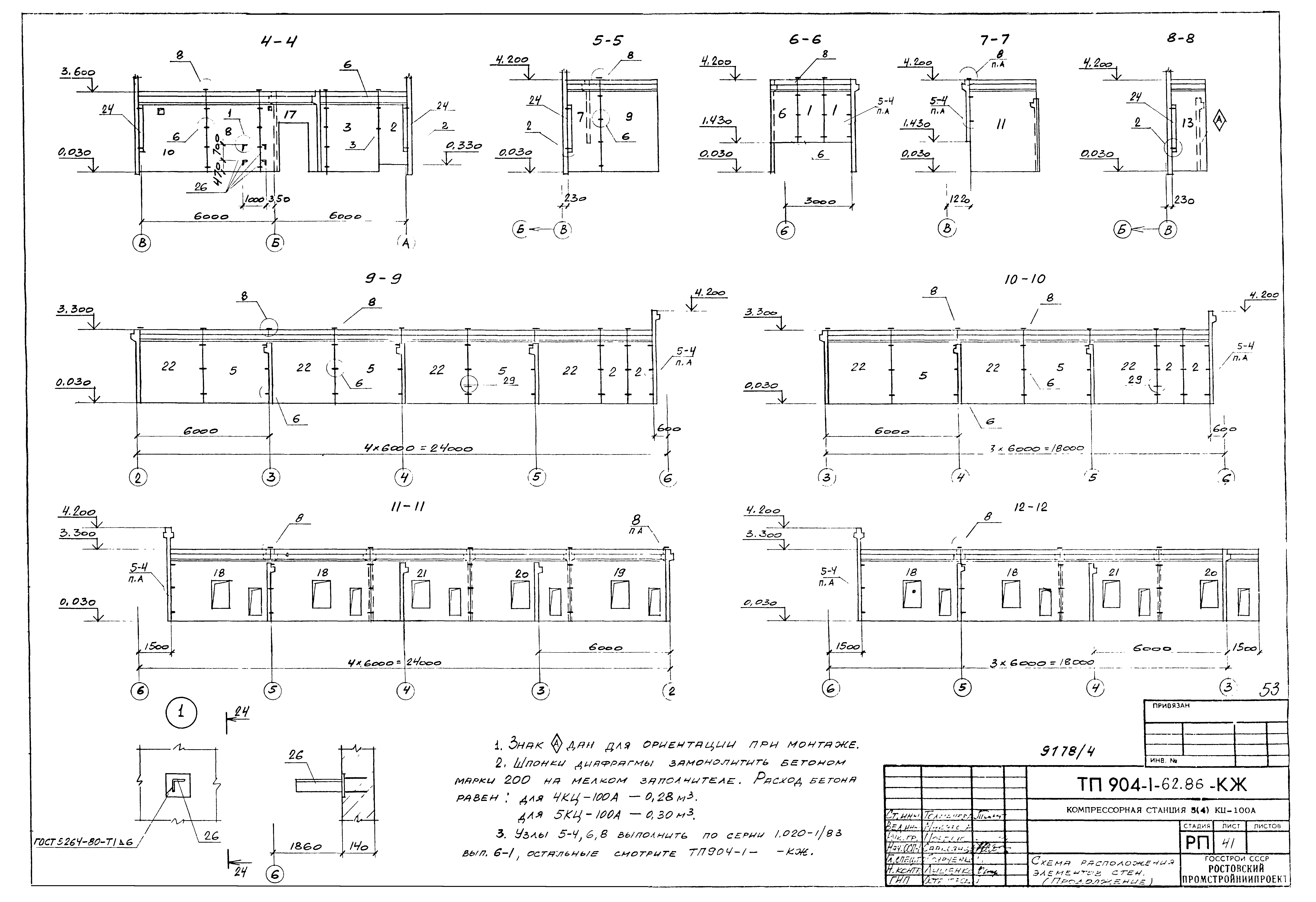
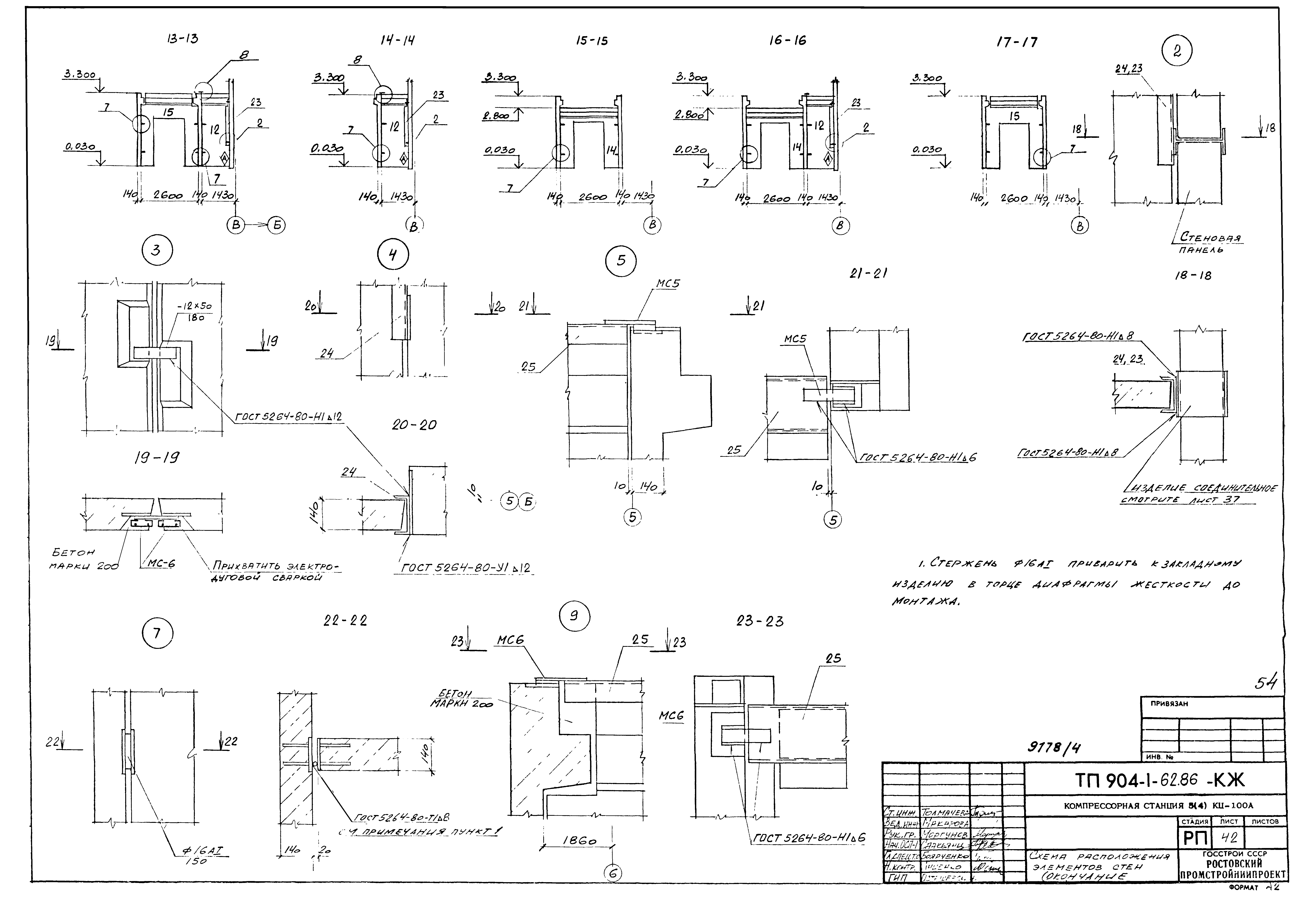
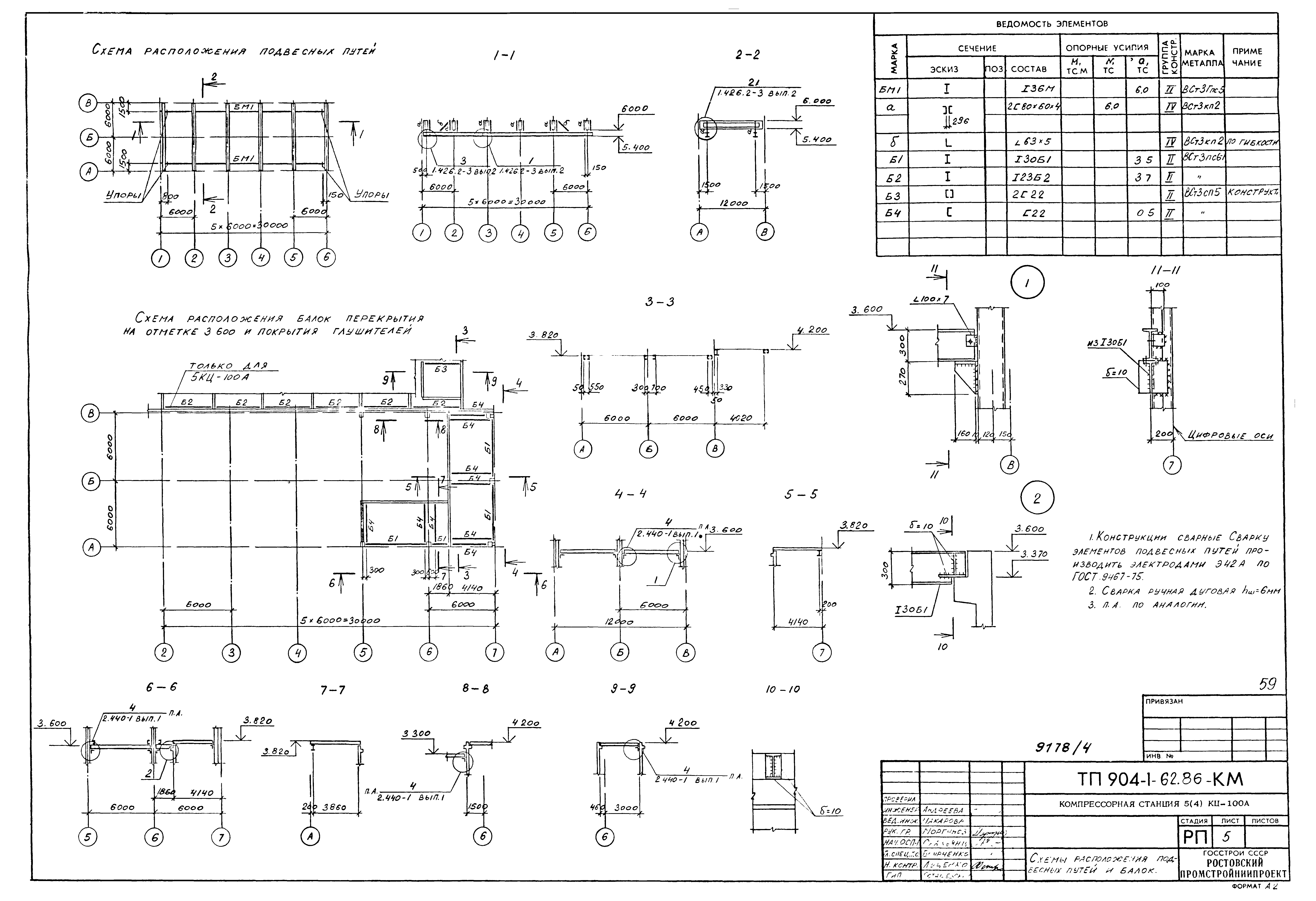
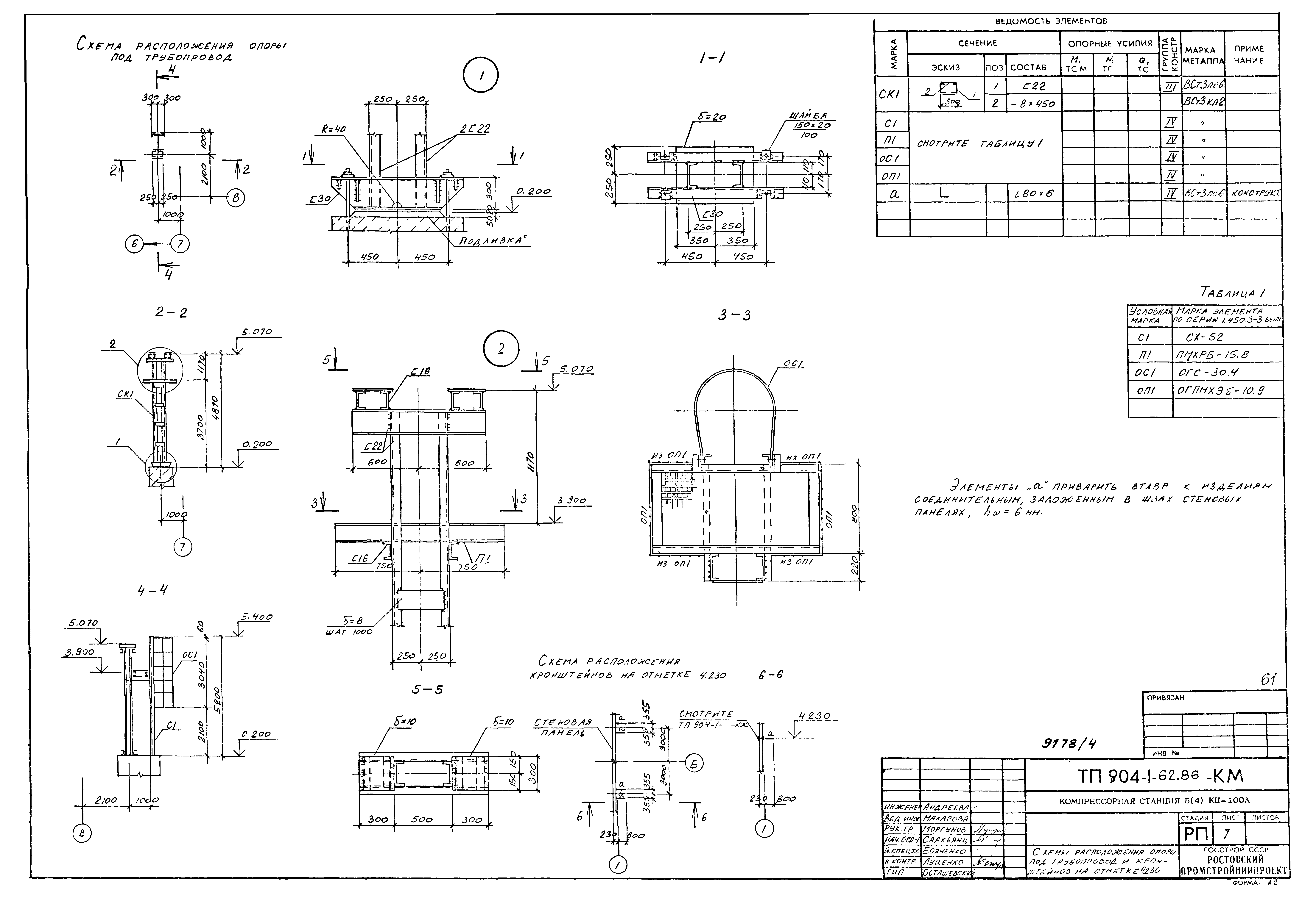
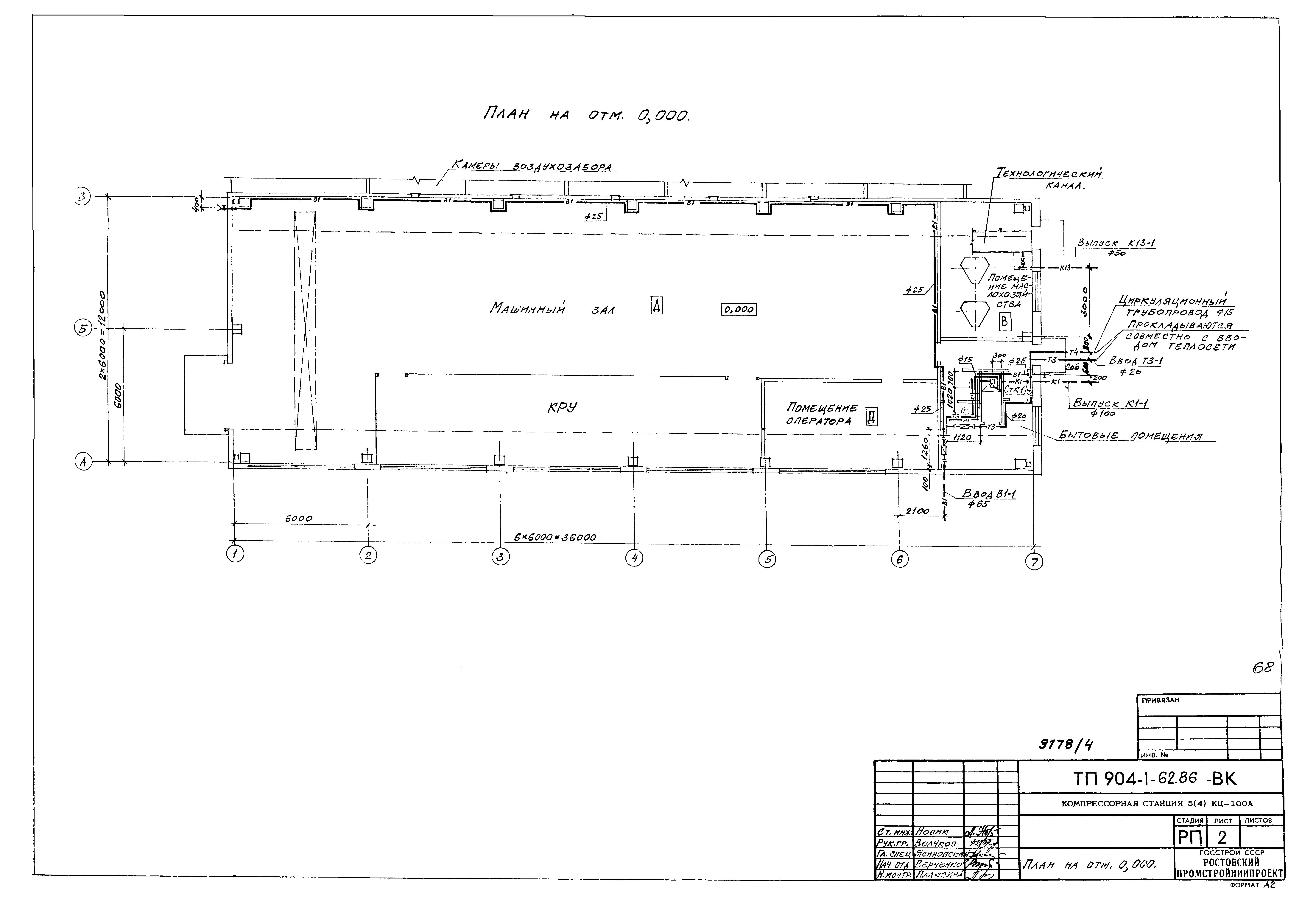
| Оглавление: | ТП 904-1-62.86-АР Архитектурные решения ТП 904-1-62.86-АР-1 Общие данные (начало) ТП 904-1-62.86-АР-2 Общие данные (окончание) ТП 904-1-62.86-АР-3 План на отм. 0.000 (начало) для 5КЦ-100А ТП 904-1-62.86-АР-4 План на отм. 0.000 (продолжение) для 5КЦ-100А ТП 904-1-62.86-АР-5 План на отм. 0.000 (начало) для 4КЦ-100А ТП 904-1-62.86-АР-6 План на отм. 0.000 (продолжение) для 4КЦ-100А ТП 904-1-62.86-АР-7 План на отм. 0.000 (окончание) ТП 904-1-62.86-АР-8 Разрезы 1-1-6-6 ТП 904-1-62.86-АР-9 Фасады. План кровли ТП 904-1-62.86-КЖ Конструкции железобетонные ТП 904-1-62.86-КЖ-1 Общие данные (начало) ТП 904-1-62.86-КЖ-2 Общие данные (продолжение) ТП 904-1-62.86-КЖ-3 Общие данные (окончание) ТП 904-1-62.86-КЖ-4 Схема расположения элементов фундаментов (начало) для 4КЦ-100А ТП 904-1-62.86-КЖ-5 Схема расположения элементов фундаментов (начало) для 5КЦ-100А ТП 904-1-62.86-КЖ-6 Схема расположения элементов фундаментов (окончание) для 4КЦ-100А ТП 904-1-62.86-КЖ-7 Схема расположения элементов фундаментов (окончание) для 5КЦ-100А ТП 904-1-62.86-КЖ-8 Фундаменты ФМ1-ФМ4 ТП 904-1-62.86-КЖ-9 Фундаменты ФМ5-ФМ8 ТП 904-1-62.86-КЖ-10 Фундаменты под оборудование ФОМ1,ФОМ2 ТП 904-1-62.86-КЖ-11 Фундаменты под оборудование ФОМ3-ФОМ12 ТП 904-1-62.86-КЖ-12 Схема расположения подземных конструкций для 4КЦ-100А ТП 904-1-62.86-КЖ-13 Схема расположения подземных конструкций для 5КЦ-100А ТП 904-1-62.86-КЖ-14 Схемы расположения элементов и плит перекрытия канала КН1 и колодца К1 (начало) для 4КЦ-100А ТП 904-1-62.86-КЖ-15 Схемы расположения элементов и плит перекрытия канала КН1 и колодца К1 (начало) для 5КЦ-100А ТП 904-1-62.86-КЖ-16 Схемы расположения элементов и плит перекрытия канала КН1 и колодца К1 (продолжение) для 4КЦ-100А ТП 904-1-62.86-КЖ-17 Схемы расположения элементов и плит перекрытия канала КН1 и колодца К1 (продолжение) для 5КЦ-100А ТП 904-1-62.86-КЖ-18 Схемы расположения элементов и плит перекрытия канала КН1 и колодца К1 (продолжение) для 4КЦ-100А ТП 904-1-62.86-КЖ-19 Схемы расположения элементов и плит перекрытия канала КН1 и колодца К1 (продолжение) для 5КЦ-100А ТП 904-1-62.86-КЖ-20 Схемы расположения элементов и плит перекрытия канала КН1 и колодца К1 (продолжение) для 4КЦ-100А ТП 904-1-62.86-КЖ-21 Схемы расположения элементов и плит перекрытия канала КН1 и колодца К1 (продолжение) для 5КЦ-100А ТП 904-1-62.86-КЖ-22 Схемы расположения элементов и плит перекрытия канала КН1 и колодца К1 (окончание) ТП 904-1-62.86-КЖ-23 Участки монолитные УМ1-УМ11,УМ5-а-УМ5-г. Балка БМ1 (начало) ТП 904-1-62.86-КЖ-24 Участки монолитные УМ1-УМ11,УМ5-а-УМ5-г. Балка БМ1 (продолжение) ТП 904-1-62.86-КЖ-25 Участки монолитные УМ1-УМ11,УМ5-а-УМ5-г. Балка БМ1 (продолжение) ТП 904-1-62.86-КЖ-26 Участки монолитные УМ1-УМ11,УМ5-а-УМ5-г. Балка БМ1 (продолжение) ТП 904-1-62.86-КЖ-27 Участки монолитные УМ1-УМ11,УМ5-а-УМ5-г. Балка БМ1 (продолжение) ТП 904-1-62.86-КЖ-28 Участки монолитные УМ1-УМ11,УМ5-а-УМ5-г. Балка БМ1 (продолжение) ТП 904-1-62.86-КЖ-29 Участки монолитные УМ1-УМ11,УМ5-а-УМ5-г. Балка БМ1 (продолжение) ТП 904-1-62.86-КЖ-30 Участки монолитные УМ1-УМ11,УМ5-а-УМ5-г. Балка БМ1 (продолжение) ТП 904-1-62.86-КЖ-31 Участки монолитные УМ1-УМ11,УМ5-а-УМ5-г. Балка БМ1 (окончание) ТП 904-1-62.86-КЖ-32 Схемы расположения колонн, балок покрытия, плит покрытия и перекрытия (начало) ТП 904-1-62.86-КЖ-33 Схемы расположения колонн, балок покрытия, плит покрытия и перекрытия (продолжение) ТП 904-1-62.86-КЖ-34 Схемы расположения колонн, балок покрытия, плит покрытия и перекрытия (окончание) ТП 904-1-62.86-КЖ-35 Плиты ПМ1-ПМ6 ТП 904-1-62.86-КЖ-36 Схема расположения стеновых и карнизных панелей (начало) для 4КЦ-100А ТП 904-1-62.86-КЖ-37 Схема расположения стеновых и карнизных панелей (начало) для 5КЦ-100А ТП 904-1-62.86-КЖ-38 Схема расположения стеновых и карнизных панелей (продолжение) ТП 904-1-62.86-КЖ-39 Схема расположения стеновых и карнизных панелей (окончание) ТП 904-1-62.86-КЖ-40 Схема расположения элементов стен (начало) ТП 904-1-62.86-КЖ-41 Схема расположения элементов стен (продолжение) ТП 904-1-62.86-КЖ-42 Схема расположения элементов стен (окончание) ТП 904-1-62.86-КМ Конструкции металлические ТП 904-1-62.86-КМ-1 Общие данные ТП 904-1-62.86-КМ-2 Техническая спецификация металла на объект (начало) ТП 904-1-62.86-КМ-3 Техническая спецификация металла на объект (окончание). Ведомость металлоконструкций по видам профилей ТП 904-1-62.86-КМ-4 Техническая спецификация металла на лестницы, площадки, ограждения ТП 904-1-62.86-КМ-5 Схемы расположения подвесных путей и балок ТП 904-1-62.86-КМ-6 Схемы расположения площадки, лестницы и перекрытия каналов ТП 904-1-62.86-КМ-7 Схемы расположения опоры под трубопровод и кронштейн на отметке 4.230 ТП 904-1-62.86-ОВ Отопление и вентиляция ТП 904-1-62.86-ОВ-1 Общие данные (начало) ТП 904-1-62.86-ОВ-2 Общие данные (окончание) ТП 904-1-62.86-ОВ-3 План отопления и вентиляции. Разрезы 1-1;2-2 ТП 904-1-62.86-ОВ-4 Система теплоснабжения установок А1 ТП 904-1-62.86-ОВ-5 Система отопления. Узел управления. Схема системы ВЕ1 ТП 904-1-62.86-ВК Внутренние водопровод и канализация ТП 904-1-62.86-ВК-1 Общие данные ТП 904-1-62.86-ВК-2 План на отм. 0.000 ТП 904-1-62.86-ВК-3 Схемы систем В1,Т3,Т4,К1,К13 |
| Разработан: | Ростовский Промстройниипроект Госстроя СССР |
| Утверждён: | 21.11.1985 Минстройдормаш (Minstroydormash 30/85) |






































































