Скачать Типовой проект 904-1-62.86 Альбом 5. Строительные конструкции и изделияДата актуализации: 01.01.2021
|
| Обозначение: | Типовой проект 904-1-62.86 |
| Обозначение англ: | 904-1-62.86 |
| Статус: | действует |
| Название рус.: | Альбом 5. Строительные конструкции и изделия |
| Дата добавления в базу: | 01.09.2013 |
| Дата актуализации: | 01.01.2021 |
| Дата введения: | 01.02.1986 |
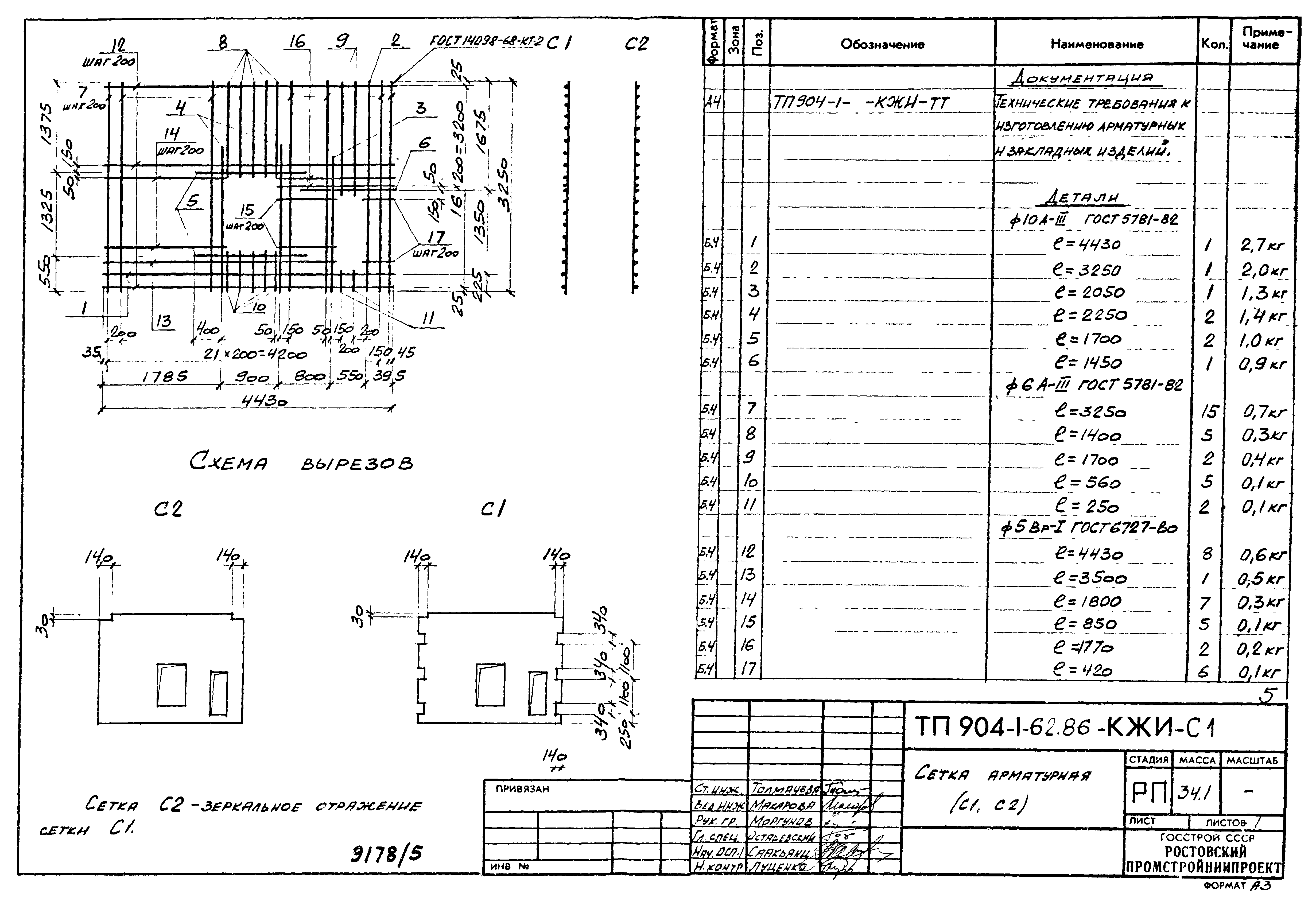
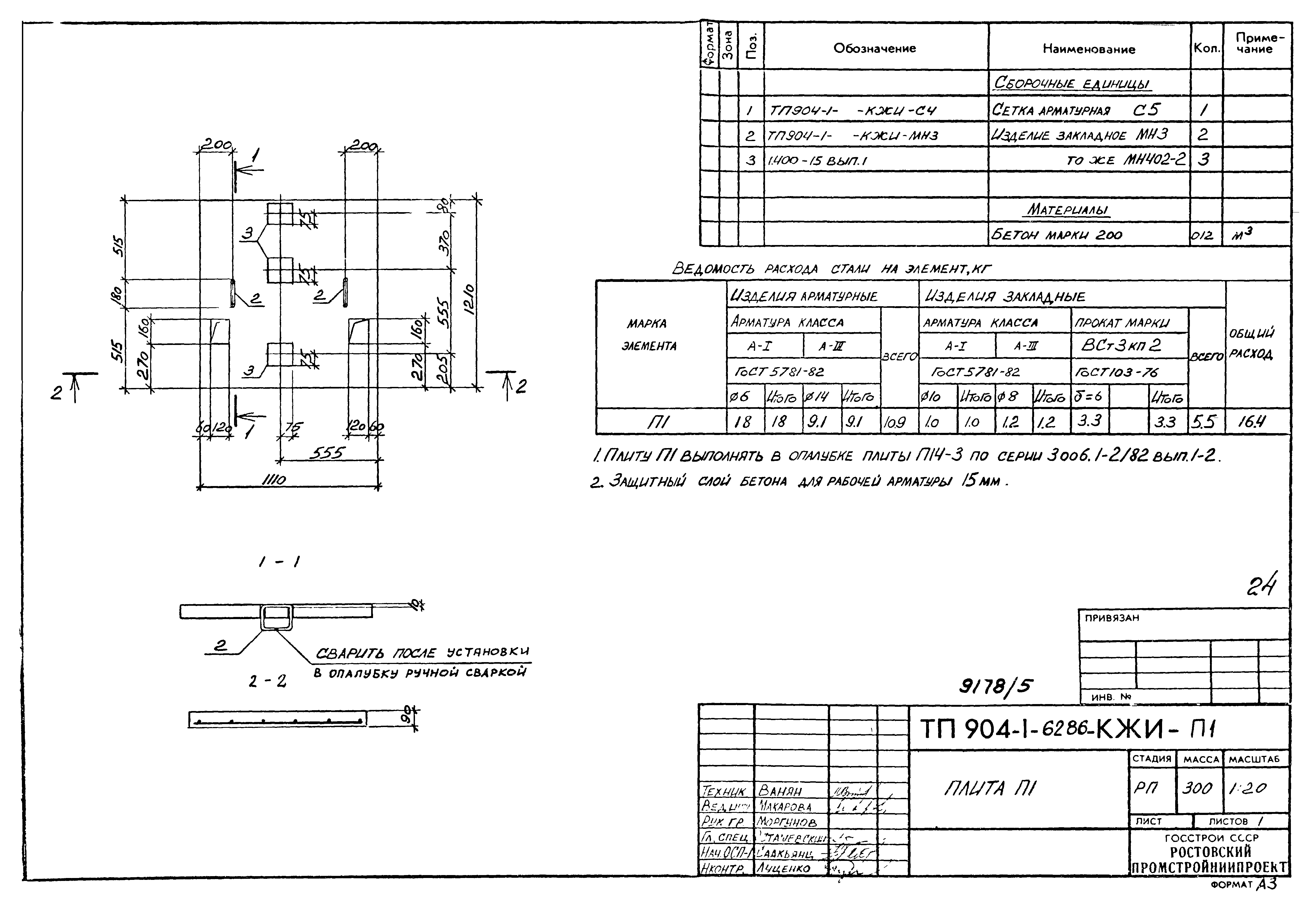
| Оглавление: | ТП 904-1-62.86-КЖИ-ТТ1 Технические требования к изготовлению сборных железобетонных изделий ТП 904-1-62.86-КЖИ-КП1 Каркас пространственный КП1 ТП 904-1-62.86-КЖИ-С1 Сетка арматурная С1 ТП 904-1-62.86-КЖИ-С3 Сетка арматурная С3 ТП 904-1-62.86-КЖИ-С4 Сетка арматурная (С4,С5) ТП 904-1-62.86-КЖИ-С6 Сетка арматурная (С6,С9) ТП 904-1-62.86-КЖИ-КР1 Каркас плоский КР1 ТП 904-1-62.86-КЖИ-КР2 Каркас плоский КР2 ТП 904-1-62.86-КЖИ-КР3 Каркас плоский КР3 ТП 904-1-62.86-КЖИ-РС1 Рамка стальная РС1 ТП 904-1-62.86-КЖИ-РС2 Рамка стальная РС2 ТП 904-1-62.86-КЖИ-МН1 Изделие закладное МН1 ТП 904-1-62.86-КЖИ-МН2 Изделие закладное МН2 ТП 904-1-62.86-КЖИ-МН4 Изделие закладное МН4 ТП 904-1-62.86-КЖИ-МН5 Изделие закладное МН5 ТП 904-1-62.86-КЖИ-МН6 Изделие закладное МН6 ТП 904-1-62.86-КЖИ-МН7 Изделие закладное МН7 ТП 904-1-62.86-КЖИ-МН3 Изделие закладное МН3 ТП 904-1-62.86-КЖИ-МС1 Изделие соединительное МС1 ТП 904-1-62.86-КЖИ-МС2 Изделие соединительное МС2 ТП 904-1-62.86-КЖИ-МС3 Изделие соединительное МС3 ТП 904-1-62.86-КЖИ-МС5 Изделие соединительное МС5 ТП 904-1-62.86-КЖИ-МС6 Изделие соединительное МС6 ТП 904-1-62.86-КЖИ-МС7 Изделие соединительное МС7 ТП 904-1-62.86-КЖИ-МС8 Изделие соединительное МС8 ТП 904-1-62.86-КЖИ-Л12д-3-1 Лоток Л12д-3-1 ТП 904-1-62.86-КЖИ-МС4 Изделие соединительное МС4 ТП 904-1-62.86-КЖИ-Л5д-8-1 Лоток (Л5д-8-1,Л9д-5-2,Л9д-5-3,Л9д-5-5,Л9д-5-6,Л9д-5-7,Л5д-8-4) ТП 904-1-62.86-КЖИ-Л5д-8-2 Лоток (Л5д-8-2,Л7д-5-1,Л9д-5-1,Л9д-5-8) ТП 904-1-62.86-КЖИ-Л9д-5-4 Лоток (Л9д-5-4,Л9д-5-9) ТП 904-1-62.86-КЖИ-Л5д-8-3 Лоток Л5д-8-3 ТП 904-1-62.86-КЖИ-Л27д-3-1 Лоток Л27д-3-1 ТП 904-1-62.86-КЖИ-Л8д-5-1 Лоток Л8д-5-1 ТП 904-1-62.86-КЖИ-П5д-8б Плита (П5д-8б,П7д-5б,П10д-5б,П14д-3б) ТП 904-1-62.86-КЖИ-П1 Плита П1 ТП 904-1-62.86-КЖИ-П2 Плита П2 ТП 904-1-62.86-КЖИ-К60-7-1 Колонна (К60-7-1,К60-7-2,К60-7-3) ТП 904-1-62.86-КЖИ-К60-7-4 Колонна (К60-7-4,К60-7-5) ТП 904-1-62.86-КЖИ-1КФ67-1-1 Колонна 1КФ67-1-1 ТП 904-1-62.86-КЖИ-1КФ67-1-2 Колонна 1КФ67-1-2 ТП 904-1-62.86-КЖИ-100 Балка 1БСП12-6АV-1 ТП 904-1-62.86-КЖИ-200 Плита покрытия (1ПГ-2АтVт-60-МПЖ-200П-1,1ПГ-2АтVт-60-МПЖ-200П-2,1ПГ-2АтVт-60-МПЖ-200П-3) ТП 904-1-62.86-КЖИ-300 Панель стеновая (ПС60.12.2.0-2.л-31-а,ПС60.12.2.0-2.л-31-б) ТП 904-1-62.86-КЖИ-301 Панель стеновая (ПС60.12.2.0-2.л-31-в) ТП 904-1-62.86-КЖИ-305 Панель стеновая (ПС60.18.2.0-3.л-31-г) ТП 904-1-62.86-КЖИ-302 Панель стеновая (ПС60.12.2.0-2.л-31-г,ПС60.12.2.0-2.л-31-д) ТП 904-1-62.86-КЖИ-303 Панель стеновая (ПС60.18.2.0-3.л-31-а) ТП 904-1-62.86-КЖИ-304 Панель стеновая (ПС60.18.2.0-3.л-31-б,ПС60.18.2.0-3.л-31-в) ТП 904-1-62.86-КЖИ-306 Панель стеновая ПС62.5.12.2.0-2.л-1.31-а ТП 904-1-62.86-КЖИ-307 Панель стеновая 2ПС17.12.2.0-л-73-а ТП 904-1-62.86-КЖИ-308 Панель стеновая 2ПС17.18.2.0-л-73-а ТП 904-1-62.86-КЖИ-309 Панель стеновая 2ПС15.12.2.0-л-а ТП 904-1-62.86-КЖИ-310 Панель стеновая 2ПС15.18.2.0-л-а ТП 904-1-62.86-КЖИ-311 Панель стеновая ПС62.5.18.2.0-3.л-2.33-а ТП 904-1-62.86-КЖИ-400 Диафрагма жесткости 2Д15.42-а ТП 904-1-62.86-КЖИ-401 Диафрагма жесткости 1Д30.36-а ТП 904-1-62.86-КЖИ-402 Диафрагма жесткости 1ДП26.28-а ТП 904-1-62.86-КЖИ-403 Диафрагма жесткости 1ДП26.33-а ТП 904-1-62.86-КЖИ-404 Диафрагма жесткости 1Д26.42-а ТП 904-1-62.86-КЖИ-405 Диафрагма жесткости 1Д15.42-а ТП 904-1-62.86-КЖИ-406 Диафрагма жесткости 1ДП26.36-а ТП 904-1-62.86-КЖИ-407 Диафрагма жесткости 1Д12.28-а ТП 904-1-62.86-КЖИ-408 Диафрагма жесткости 2Д12.33-а ТП 904-1-62.86-КЖИ-409 Диафрагма жесткости 1Д30.42-а ТП 904-1-62.86-КЖИ-410 Диафрагма жесткости 1Д24.36-а ТП 904-1-62.86-КЖИ-411 Диафрагма жесткости 1ДП30.36-а ТП 904-1-62.86-КЖИ-412 Диафрагма жесткости (ДЖ1,ДЖ1-а,ДЖ1-б,ДЖ1-в) ТП 904-1-62.86-КЖИ-412 СБ Диафрагма жесткости (ДЖ1,ДЖ1-а,ДЖ1-б,ДЖ1-в). Сборочный лист 1 ТП 904-1-62.86-КЖИ-412 СБ Диафрагма жесткости (ДЖ1,ДЖ1-а,ДЖ1-б,ДЖ1-в). Сборочный лист 2 ТП 904-1-62.86-КЖИ-412 СБ Диафрагма жесткости (ДЖ1,ДЖ1-а,ДЖ1-б,ДЖ1-в). Сборочный лист 3 ТП 904-1-62.86-КЖИ-201 Плита покрытия 1ПВ14-2АтVIт-60-МПЖ-200П-1 ТП 904-1-62.86-КЖИ-413 Диафрагма жесткости 1Д24.36-а ТП 904-1-62.86-КЖИ-414 Диафрагма жесткости 1Д26.36-а ТП 904-1-62.86-КЖИ-415 Диафрагма жесткости 1Д30.33-а |
| Разработан: | Ростовский Промстройниипроект Госстроя СССР |
| Утверждён: | 21.11.1985 Минстройдормаш (Minstroydormash 30/85) |


















































