Скачать Типовой проект 904-1-62.86 Альбом 10. Сметы на технологические решения для 4КЦ-100АДата актуализации: 01.01.2021
|
| Обозначение: | Типовой проект 904-1-62.86 |
| Обозначение англ: | 904-1-62.86 |
| Статус: | действует |
| Название рус.: | Альбом 10. Сметы на технологические решения для 4КЦ-100А |
| Дата добавления в базу: | 01.09.2013 |
| Дата актуализации: | 01.01.2021 |
| Дата введения: | 01.02.1986 |
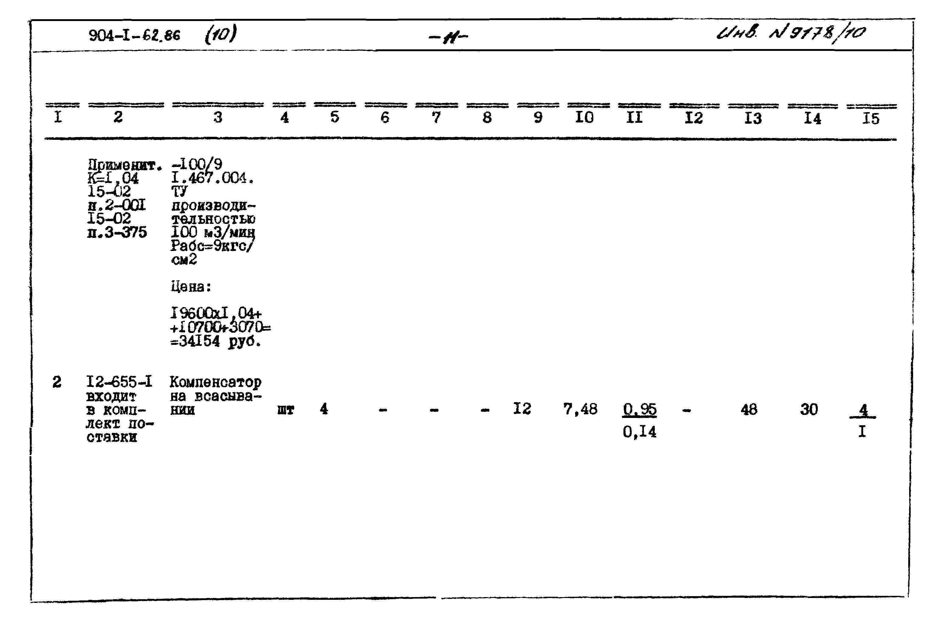
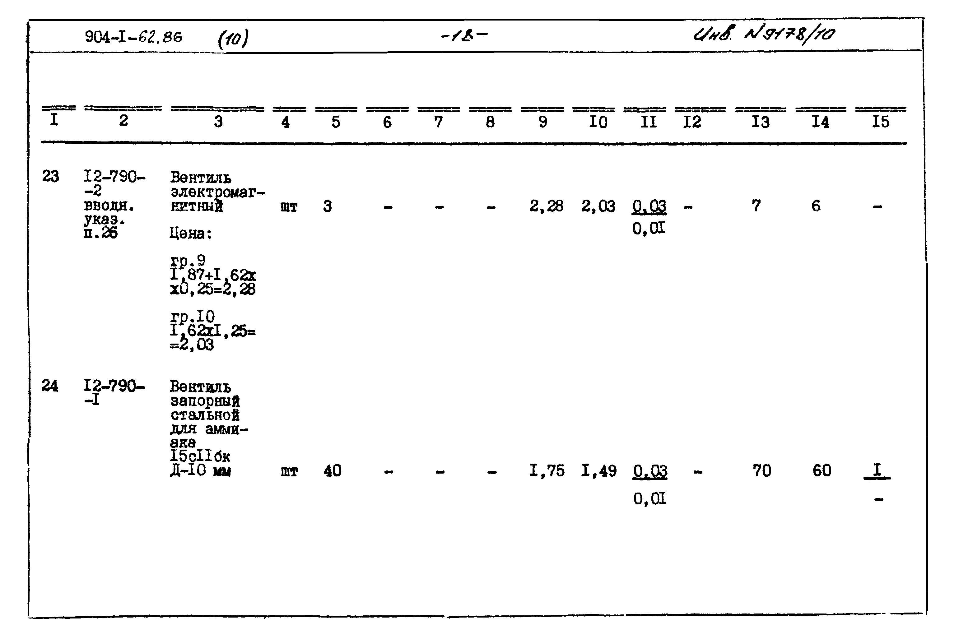
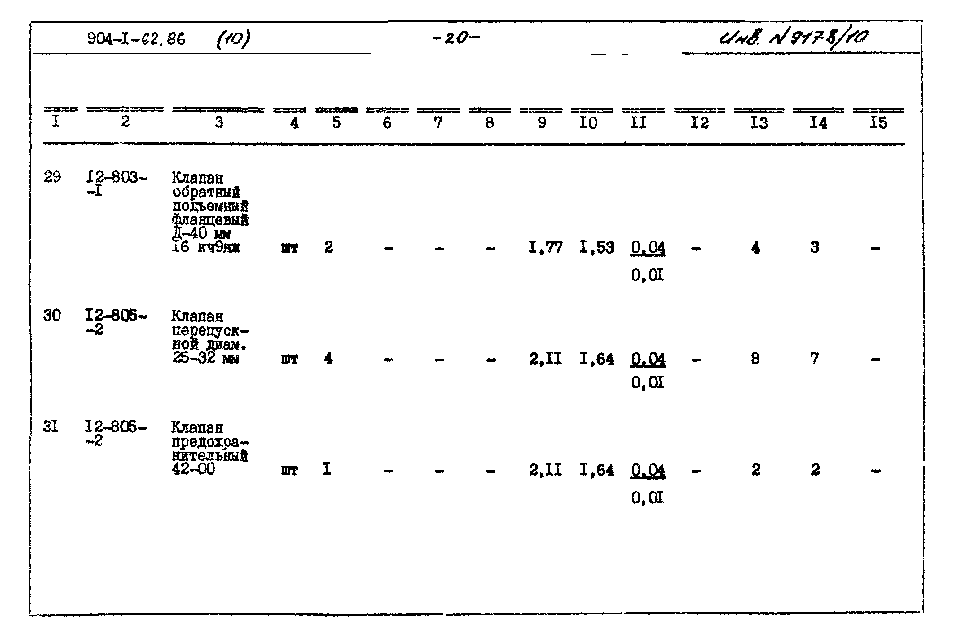
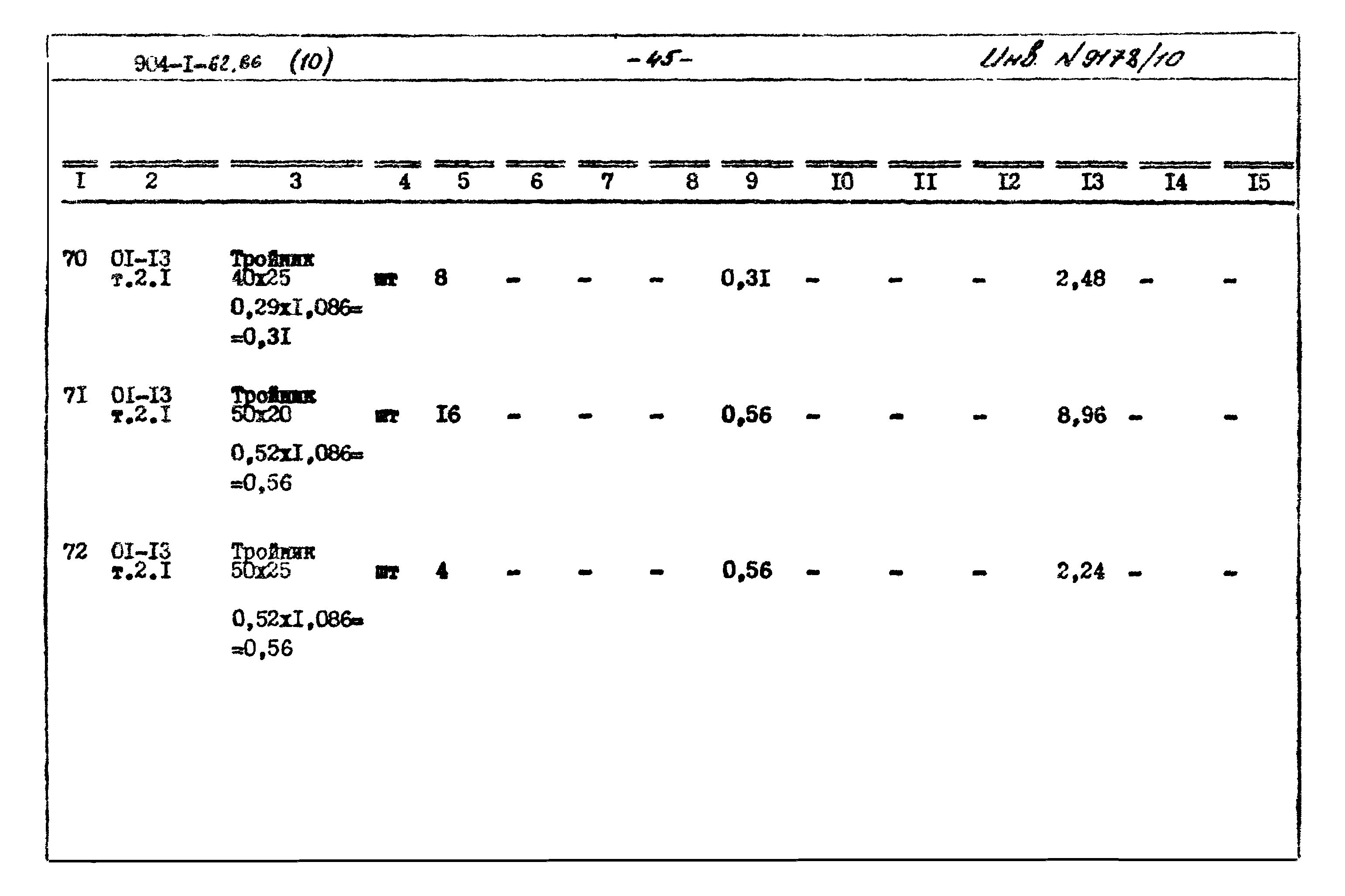
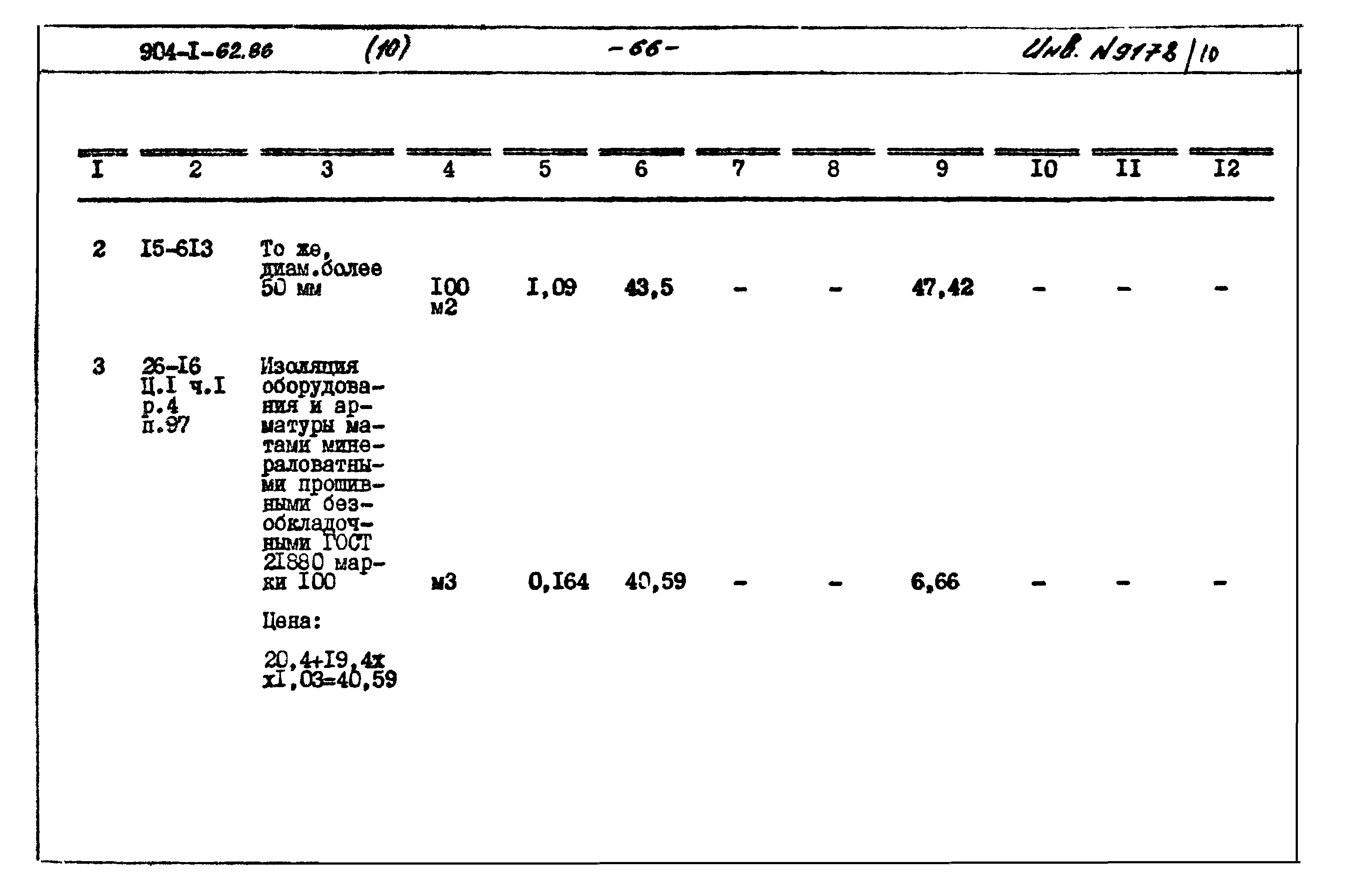
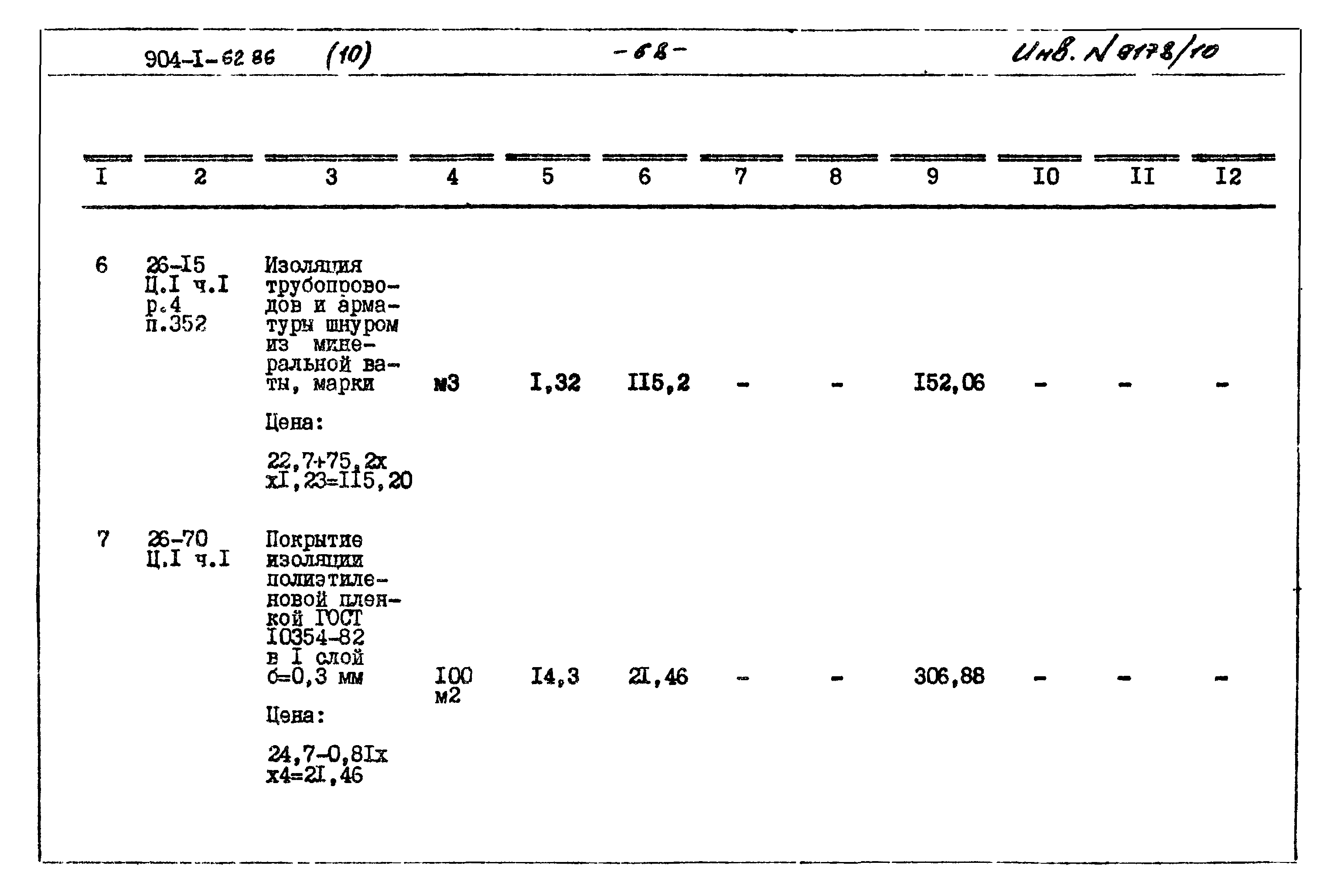
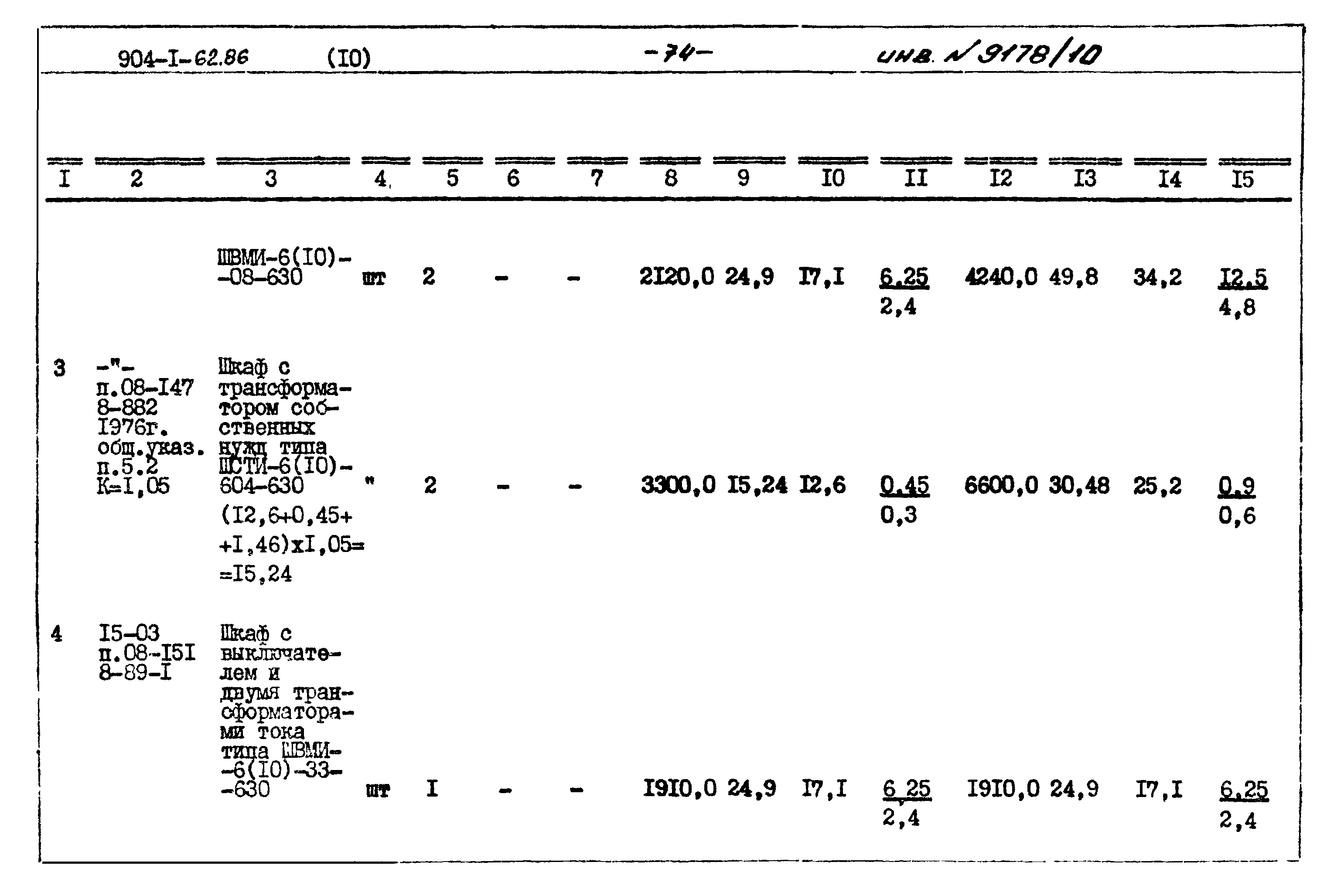
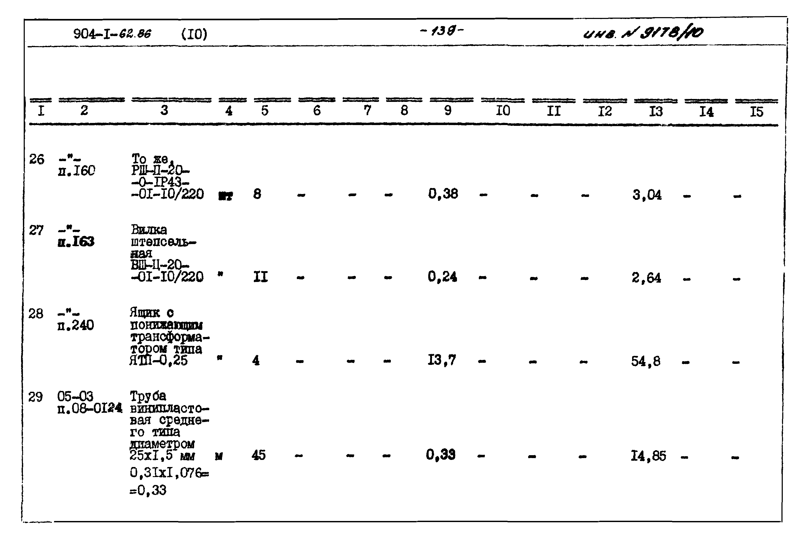
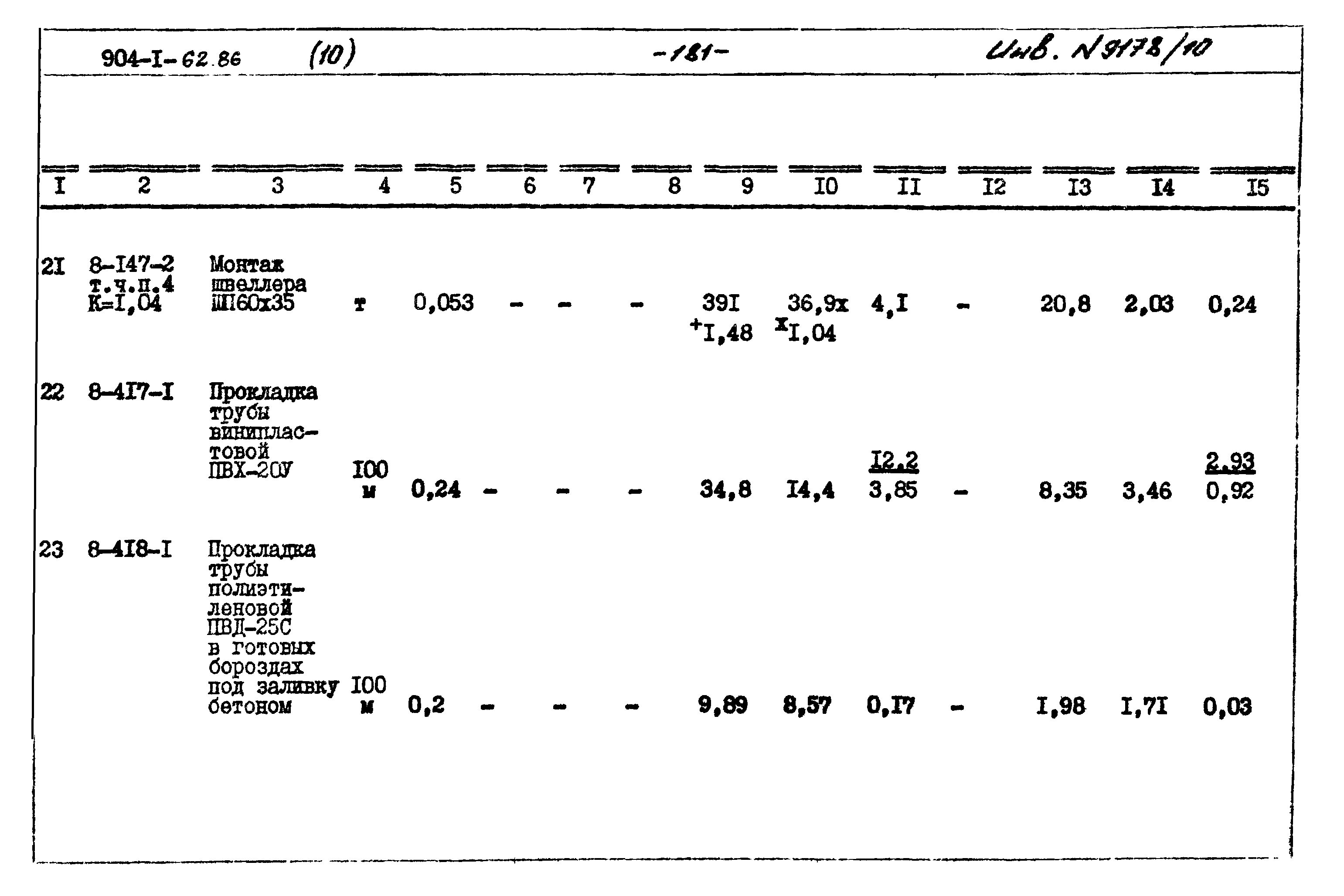
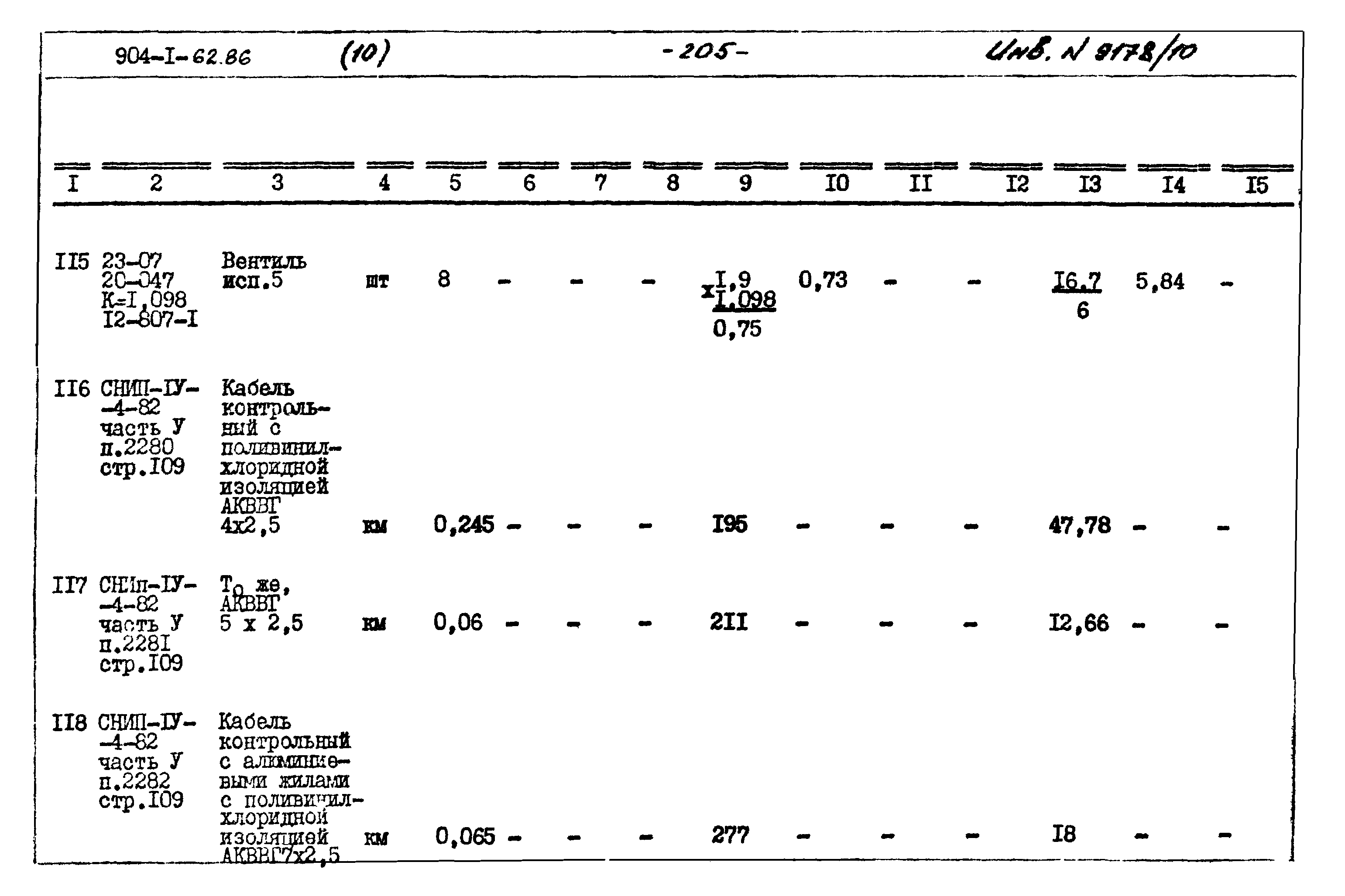
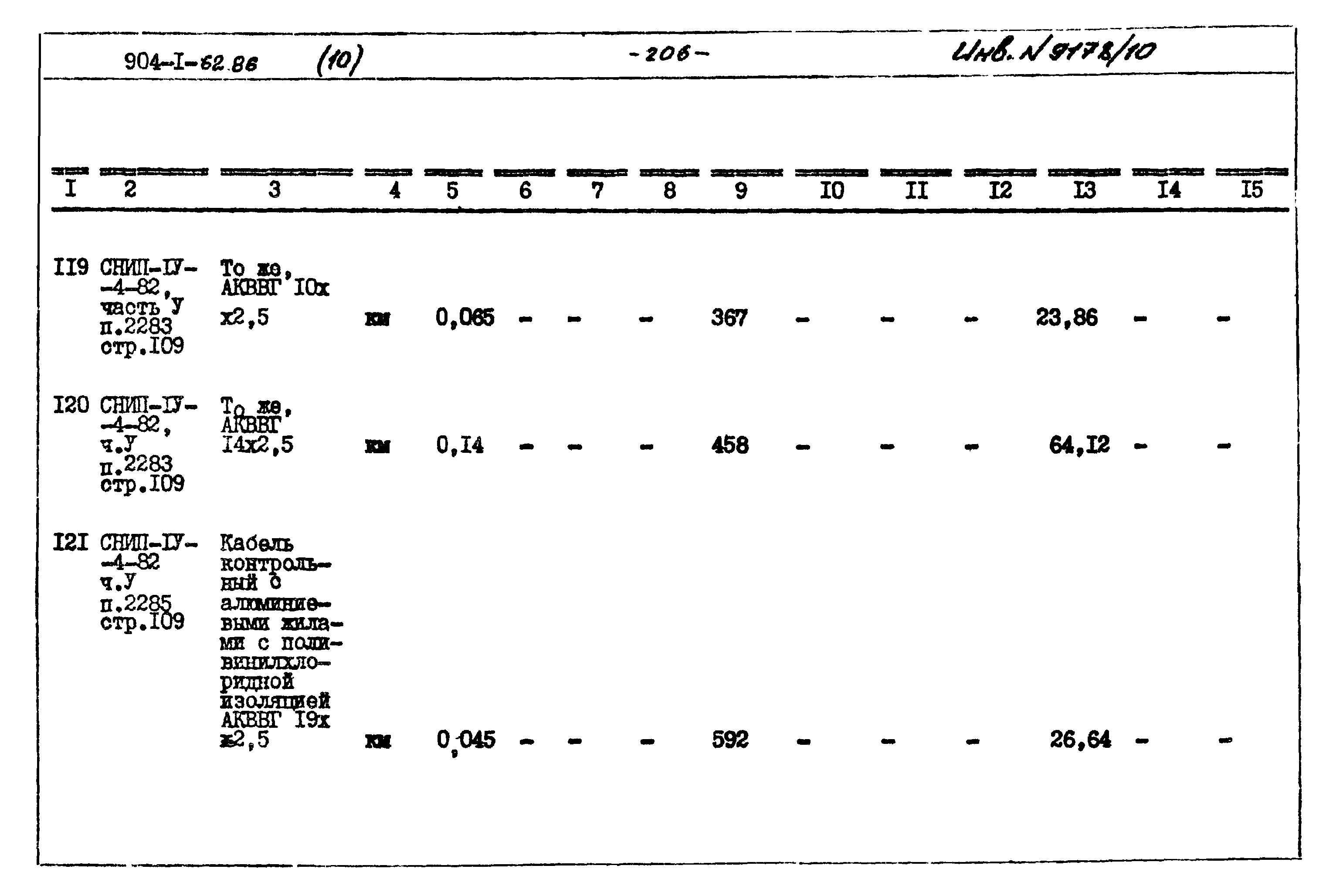
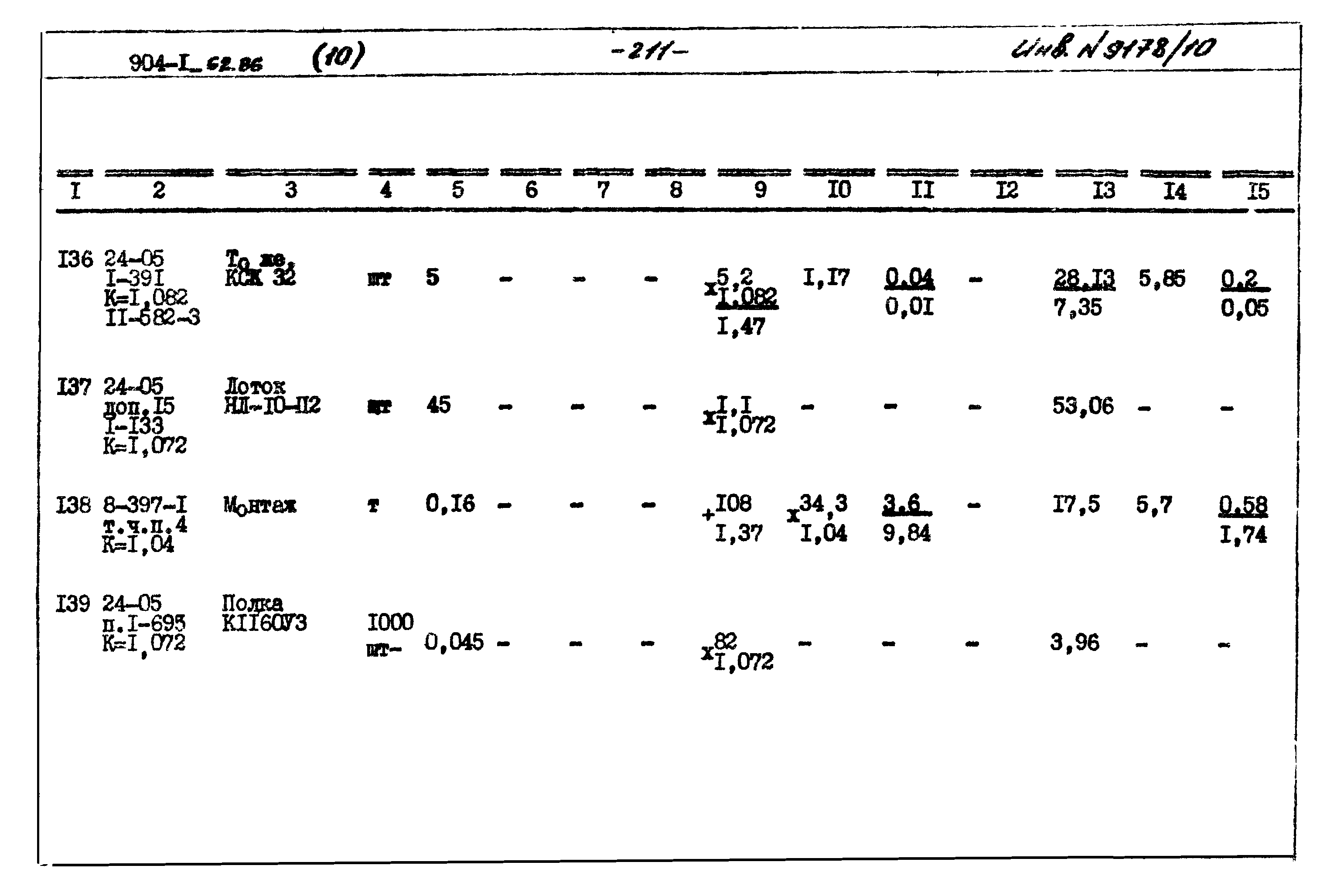
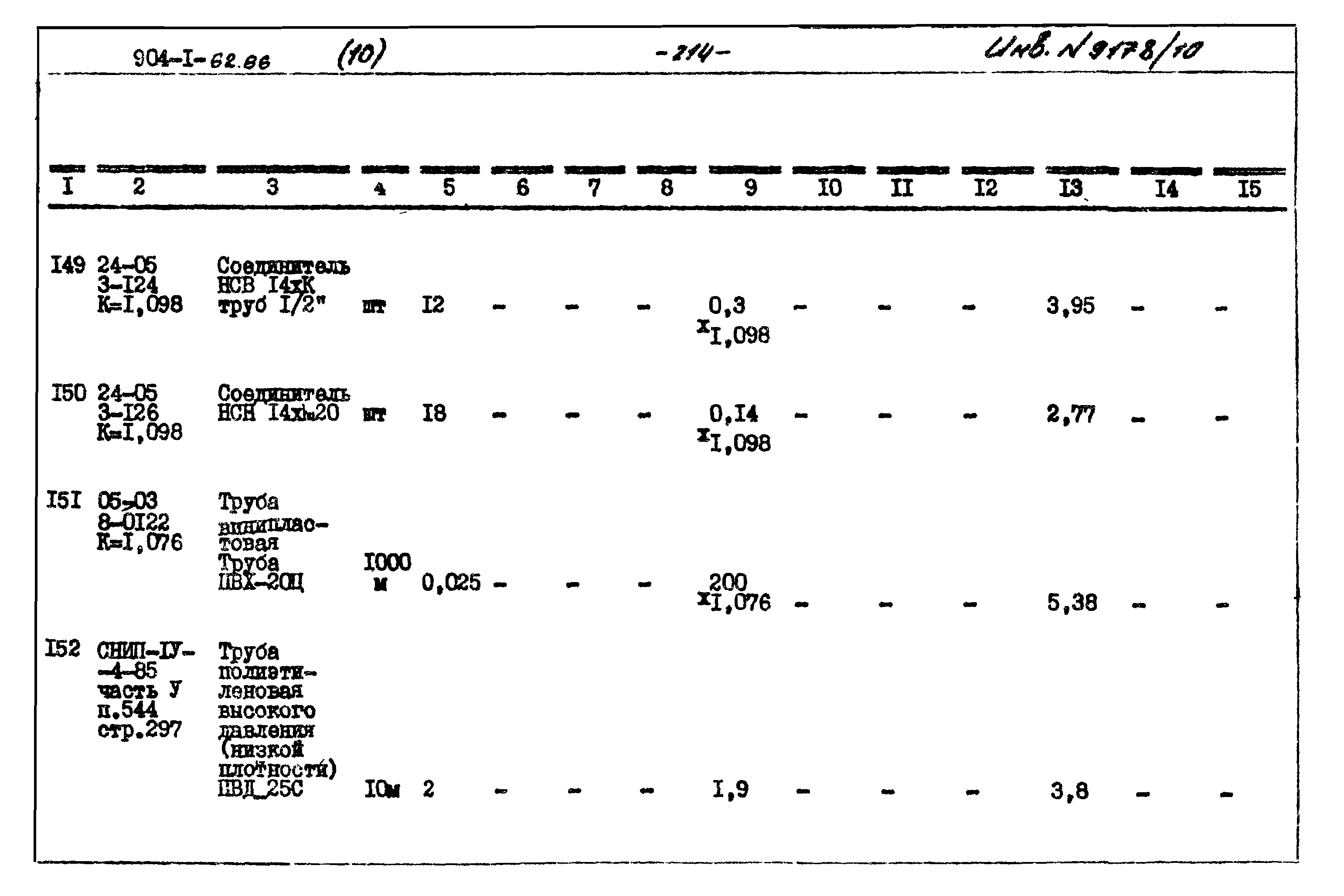
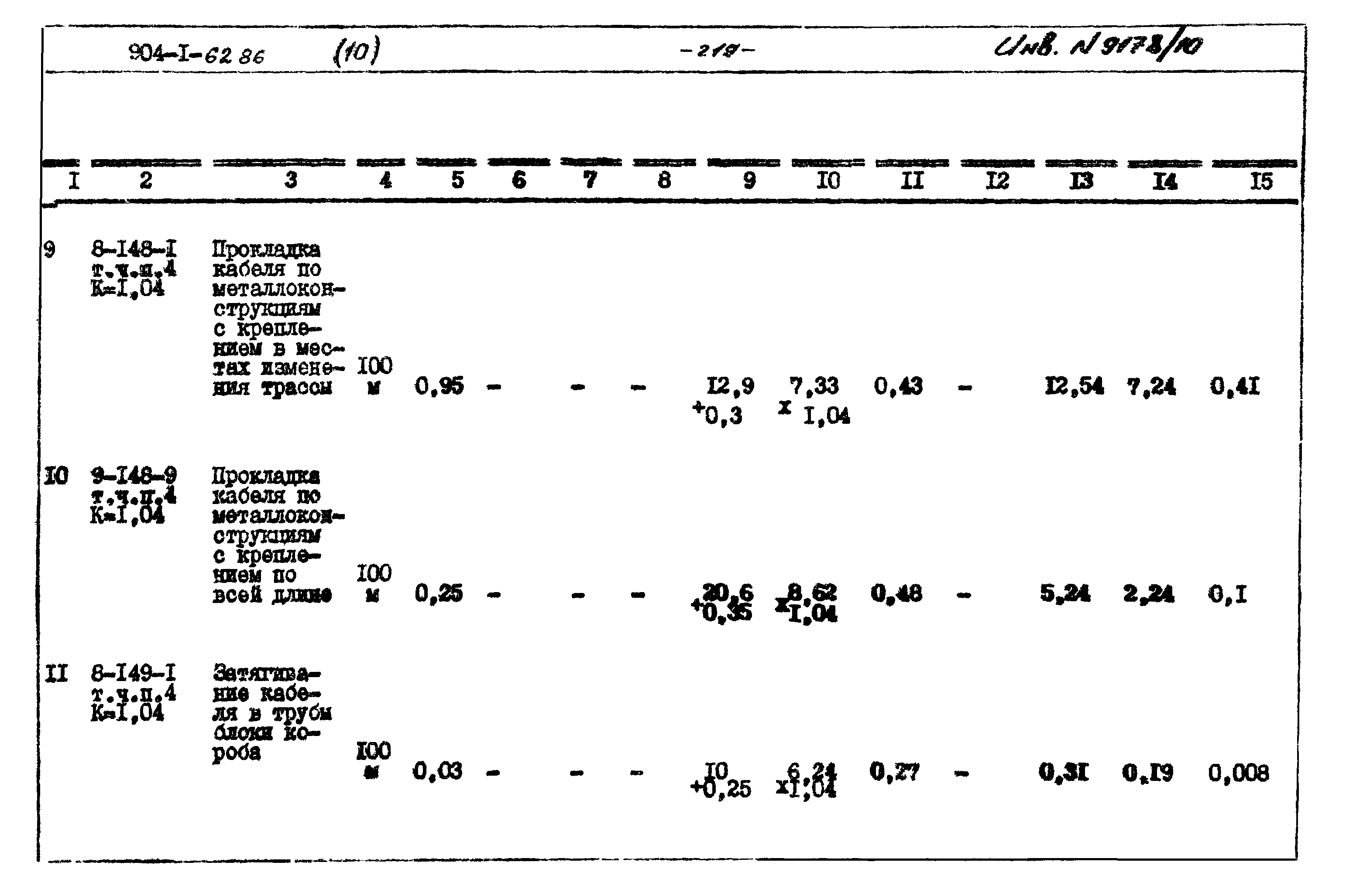
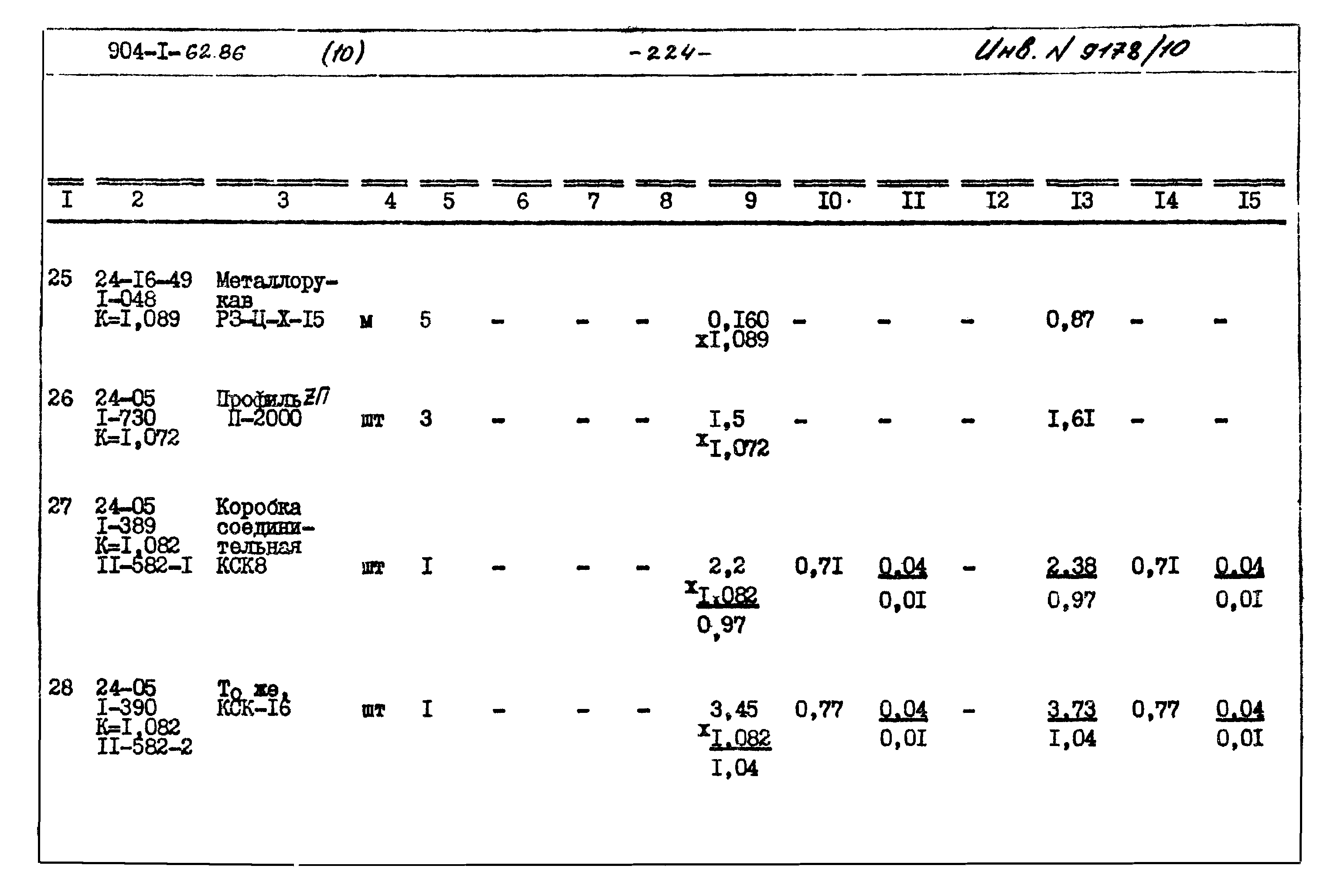
| Оглавление: | ТП 904-1-62.86 Пояснительная записка ТП 904-1-62.86 Объектная смета ТП 904-1-62.86 Смета № 1-ТХ. Приобретение и монтаж технологического оборудования ТП 904-1-62.86 Смета № 2-ТХ. Приобретение и монтаж технологических трубопроводов и арматуры ТП 904-1-62.86 Смета № 3-ТХ. Изготовление и монтаж нестандартизированного оборудования ТП 904-1-62.86 Смета № 4-ТХ. Теплоизоляционные работы ТП 904-1-62.86 Сметный расчет № 5-ТХ. Приобретение инструмента и производственного инвентаря ТП 904-1-62.86 Смета № 1-ЭС. Оборудование и монтаж распредустройства ТП 904-1-62.86 Смета № 1-ЭМ. Приобретение и монтаж силового электрооборудования ТП 904-1-62.86 Смета № 1-ЭО. Монтаж электроосвещения ТП 904-1-62.86 Смета № 1-СС. Монтаж сетей связи и сигнализации ТП 904-1-62.86 Смета № 2-СС. Оборудование и монтаж вызывной сигнализации ТП 904-1-62.86 Смета № А1. Приобретение и монтаж контрольно-измерительных приборов |
| Разработан: | Гипростройдормаш |
| Утверждён: | 21.11.1985 Минстройдормаш (Minstroydormash 30/85) |






































































































































































































































