Скачать Серия 4.900-8 Выпуск I. Трубы и их соединенияДата актуализации: 01.01.2021
|
| Обозначение: | Серия 4.900-8 |
| Обозначение англ: | Series 4.900-8 |
| Статус: | не действует |
| Название рус.: | Выпуск I. Трубы и их соединения |
| Дата добавления в базу: | 01.09.2013 |
| Дата актуализации: | 01.01.2021 |
| Дата введения: | 30.10.1977 |
| Дата окончания срока действия: | 01.07.1988 |
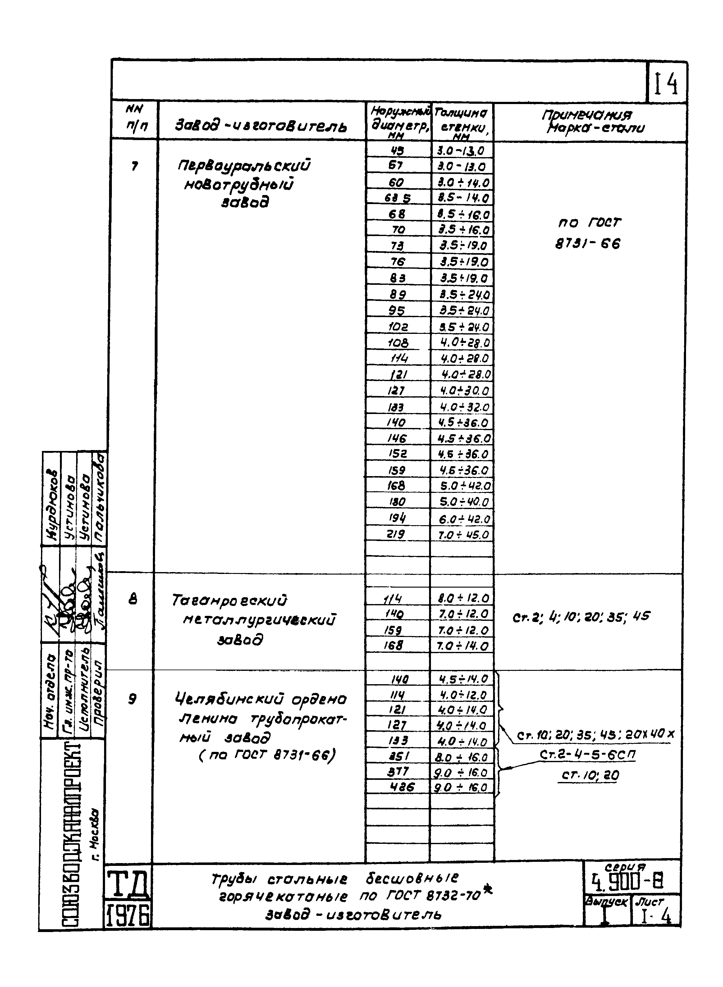
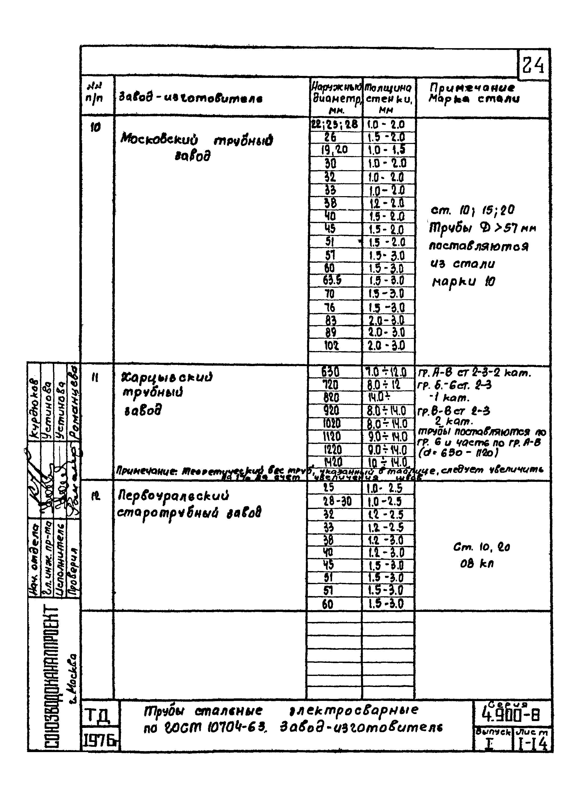
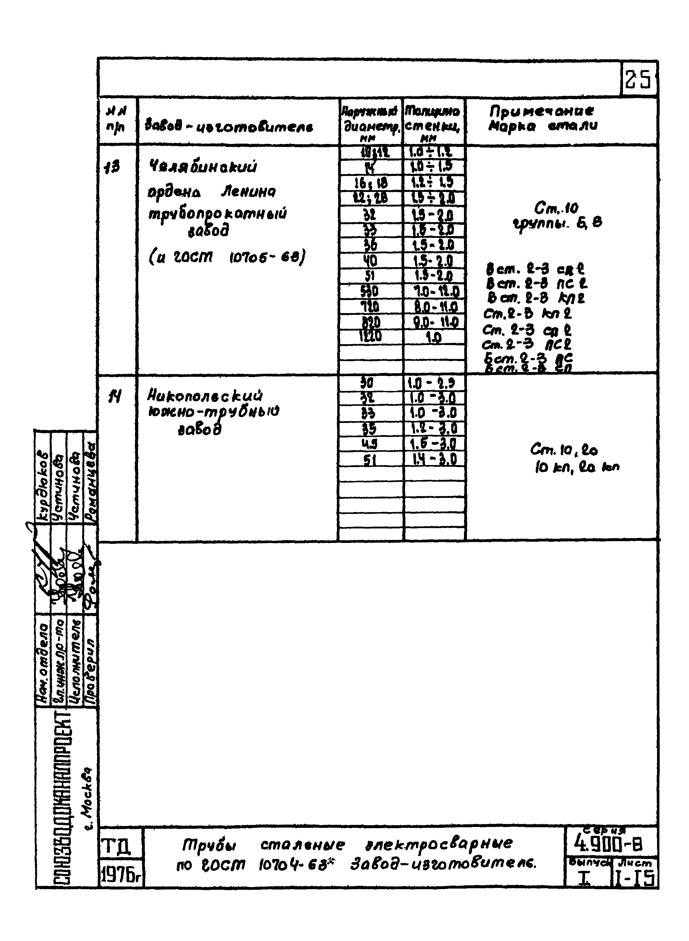
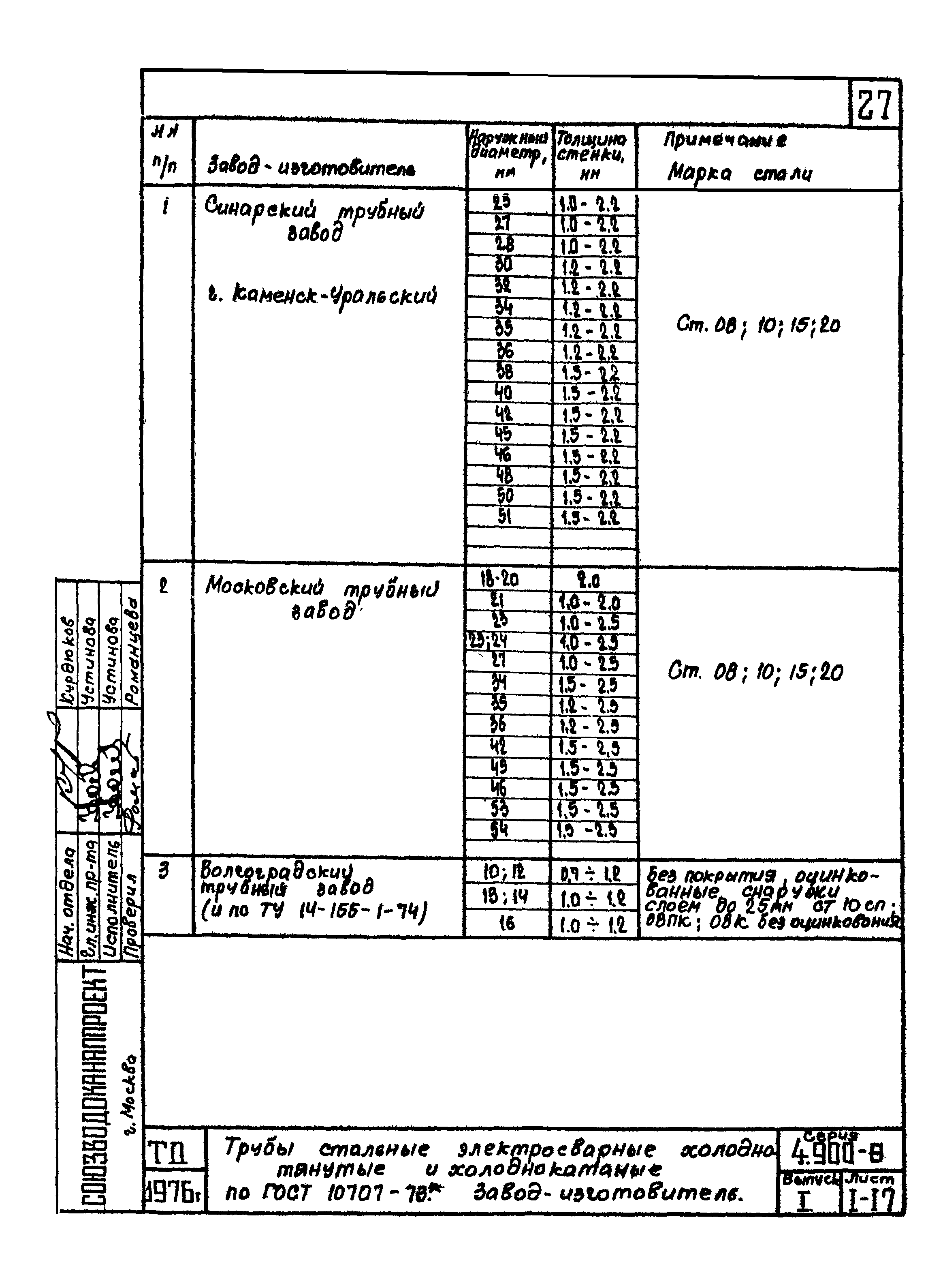
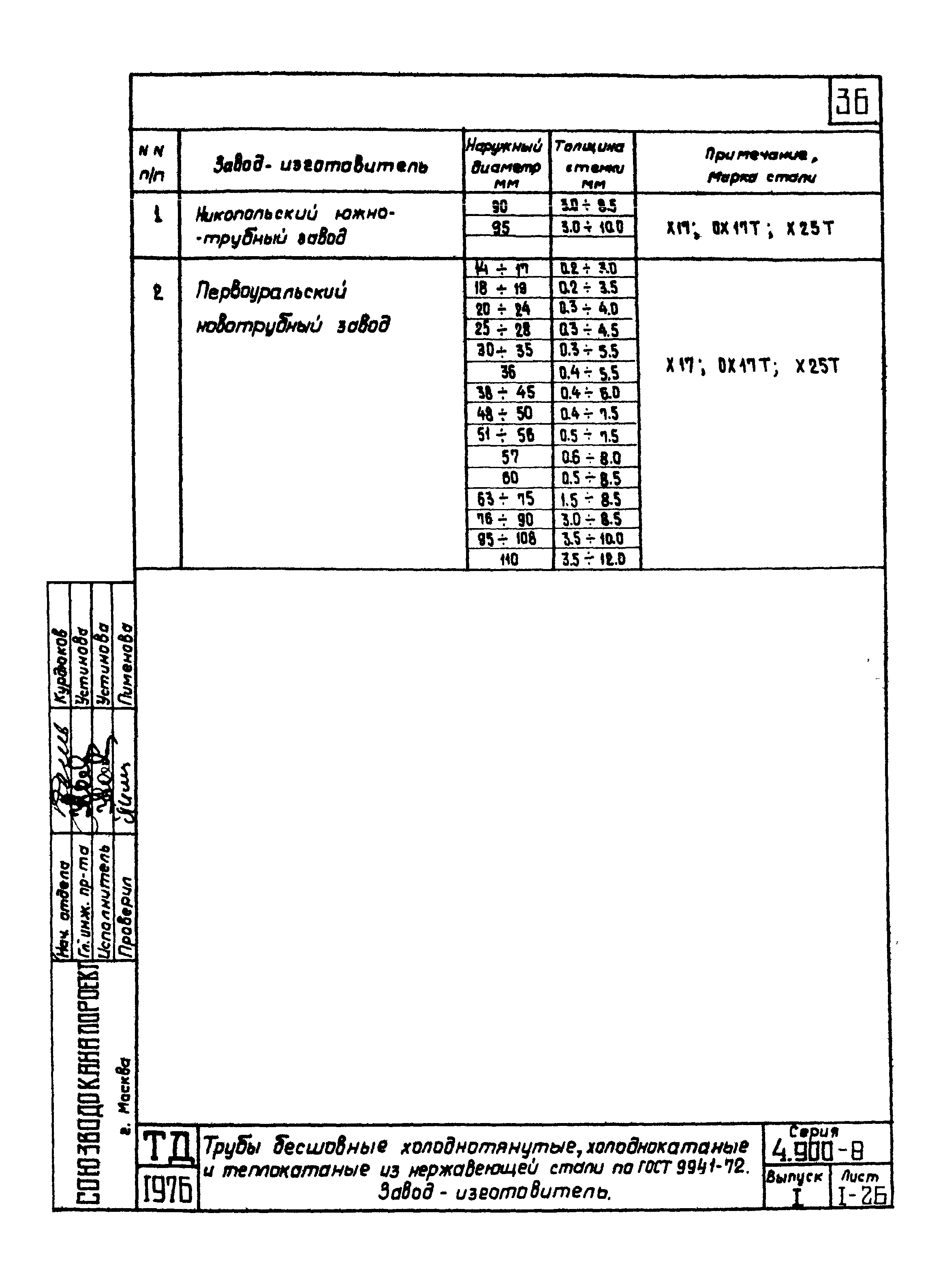
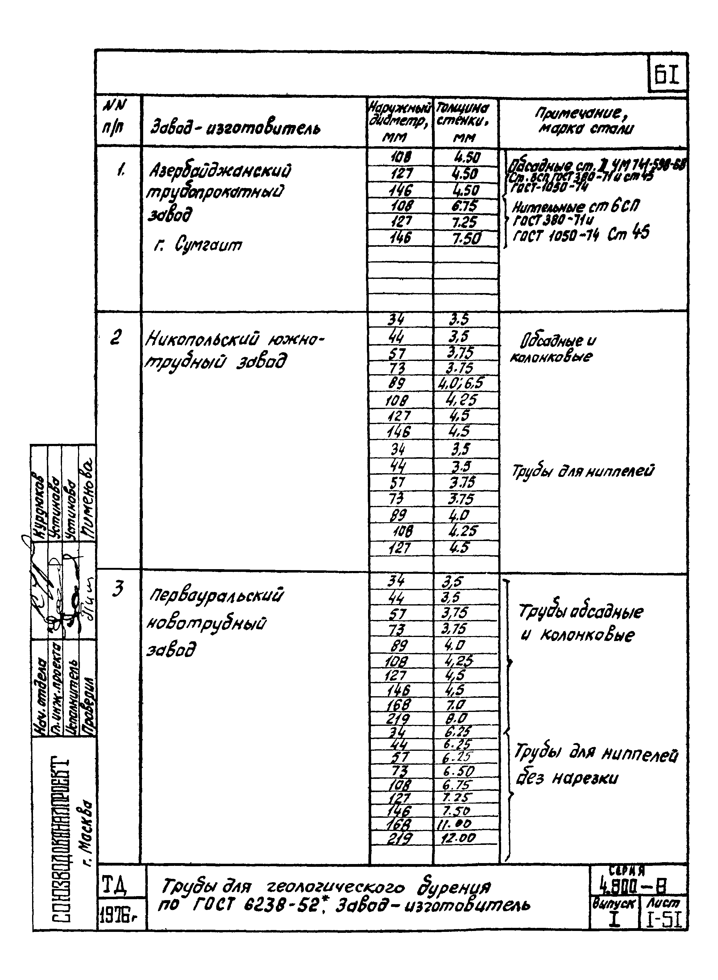
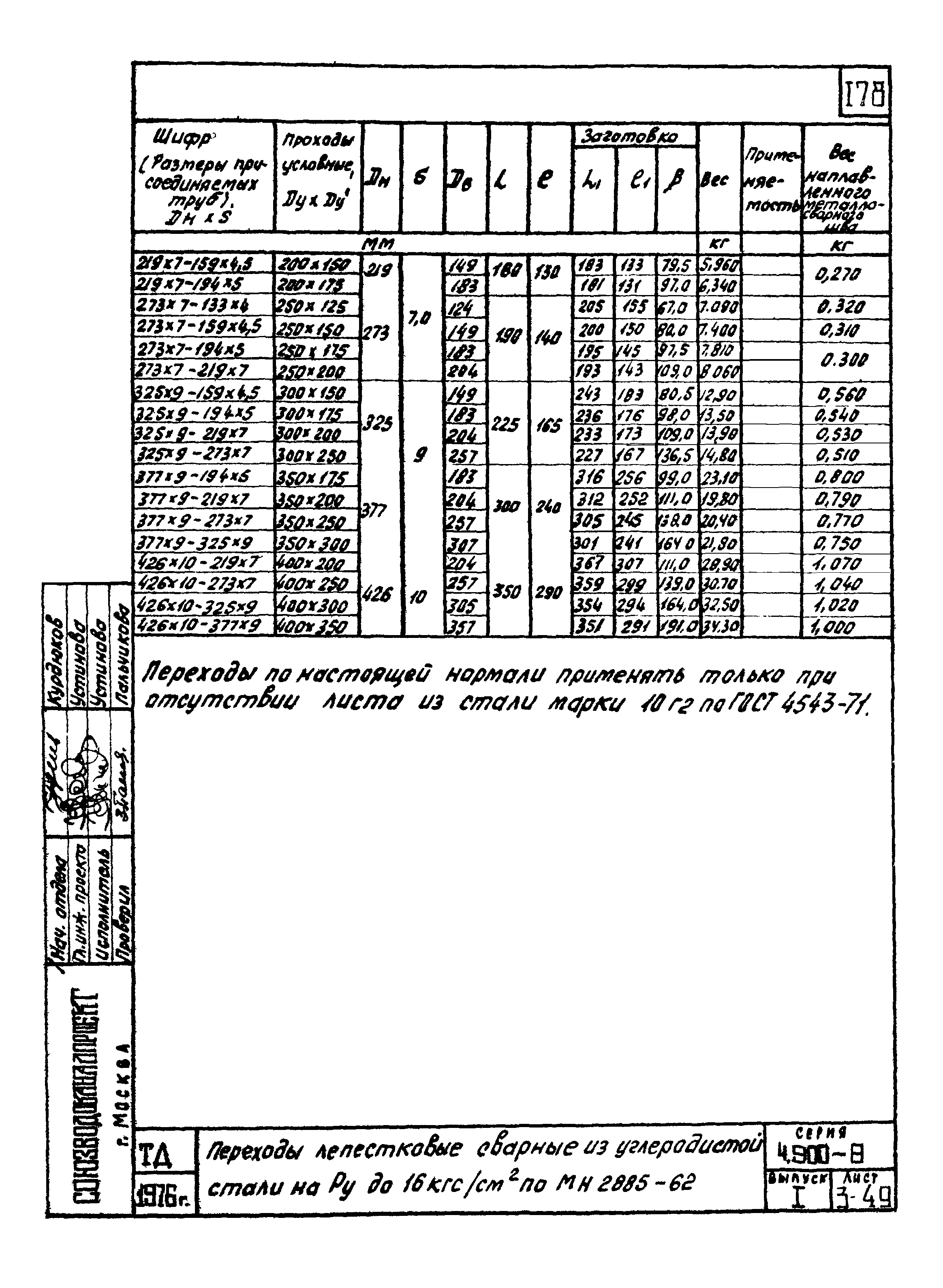
| Оглавление: | Раздел 1. Трубы металлические 4.900-8-1-1÷1-4 Трубы стальные бесшовные горячекатаные по ГОСТ 8732.70 4.900-8-1-5÷1-9 Трубы стальные бесшовные холоднотянутые и холоднокатаные по ГОСТ 8734-58 4.900-8-1-10÷1-15 Трубы стальные электросварные по ГОСТ 10704-63 4.900-8-1-16;1-17 Трубы стальные электросварные холоднотянутые и холоднокатаные по ГОСТ 10707-73 4.900-8-1-18÷1-20 Трубы стальные водогазопроводные (газовые) по ГОСТ 3262-75 4.900-8-1-21;1-22 Трубы стальные бесшовные горячекатаные из нержавеющей стали по ГОСТ 9940-72 4.900-8-1-23÷1-28 Трубы стальные бесшовные холоднотянутые и холоднокатаные и теплокатаные из нержавеющей стали по ГОСТ 9941-72 4.900-8-1-29 Трубы стальные футерованные изнутри полиэтиленом высокой плотности по 4МТУ 4.900-8-1-30÷1-33 Трубы стальные электросварные со спиральным швом по 4МТУ и ТУ 4.900-8-1-34÷1-38 Трубы чугунные напорные по ГОСТ 9583-75 и ГОСТ 5525-61 4.900-8-1-39 Трубы чугунные канализационные по ГОСТ 6942-0-30-69 4.900-8-1-40÷1-44 Трубы бурильные с высаженными концами внутрь и наружу и муфты к ним по ГОСТ 631-63 4.900-8-1-45÷1-47 Трубы обсадные и муфты к ним по ГОСТ 632-64 4.900-8-1-48÷1-51 Трубы для геологического бурения по ГОСТ 6238-52 4.900-8-1-52 Трубы обсадные укороченной длины для геологоразведочных работ по ТУ 14-3-90-72 Раздел 2. Трубы неметаллические 4.900-8-2-1÷2-4 Трубы асбестоцементные водопроводные по ГОСТ 539-73 4.900-8-2-5;2-6 Трубы асбестоцементные для безнапорных трубопроводов по ГОСТ 1839-72 4.900-8-2-7;2-8 Трубы керамические канализационные по ГОСТ 286-74 4.900-8-2-9 Трубы керамические дренажные по ГОСТ 8411-74 4.900-8-2-10 Трубы кислотоупорные керамические с раструбами по ГОСТ 585-67 4.900-8-2-11 Трубы фарфоровые фланцевые по МРТУ 21-26-67 4.900-8-2-12÷2-15 Трубы напорные из полиэтилена низкой плотности по ГОСТ 18599-73 4.900-8-2-16÷2-19 Трубы напорные из полиэтилена высокой плотности по ГОСТ 18599-73 4.900-8-2-20 Трубы канализационные из полиэтилена высокой плотности по ТУ 21-26-100-74 4.900-8-2-21 Трубы из неплаттифицированного поливинилхлорида по ТУ 6-09-1573-72 4.900-8-2-22 Трубы фаолитовые по ТУ 6-05-1170-76 4.900-8-2-23 Трубы из фторопласта-4 по ТУ 6-05-987-74 4.900-8-2-24 Трубы стеклянные для подземных трубопроводов по ГОСТ 8894-58 4.900-8-2-25 Трубы фанерные по ГОСТ 7017-64 4.900-8-2-26÷2-60 Трубы железобетонные напорные и безнапорные 4.900-8-2-61 Рукава резино-тканевые с металлическими спиралями по ГОСТ 8496-57 4.900-8-2-62÷2-65 Рукава резиновые напорные с текстильным каркасом по ГОСТ 18698-73 Раздел 3. Фасонные части для труб 4.900-8-3-1 Переходы концентрические из углеродистой стали и бесшовные приварные по ГОСТ 17378-72 4.900-8-3-2 Переходы эксцентрические из углеродистой стали и бесшовные приварные по ГОСТ 17378-72 4.900-8-3-3 Отводы крутоизогнутые с углами 45º,60º,90º из углеродистой стали бесшовные приварные по ГОСТ 17375-72 4.900-8-3-4 Тройники из углеродистой стали бесшовные приварные по ГОСТ 17376-72 4.900-8-3-5 Заглушки из углеродистой стали бесшовные приварные по ГОСТ 17379-72 4.900-8-3-6÷3-8 Стальные сварные вставки для железобетонных напорных труб (нестандартизированное оборудование) 4.900-8-3-9÷3-12 Отводы сварные из углеродистой стали с углом 30º на Ру до 64 кгс/см² по МН 2877-62 4.900-8-3-13÷3-16 Отводы сварные из углеродистой стали с углом 45º на Ру до 64 кгс/см² по МН 2878-62 4.900-8-3-17÷3-22 Отводы сварные из углеродистой стали с углом 60º на Ру до 64 кгс/см² по МН 2879-62 4.900-8-3-23÷3-28 Отводы сварные из углеродистой стали с углом 90º на Ру до 64 кгс/см² по МН 2880-62 4.900-8-3-29÷3-38 Переходы концентрические сварные из углеродистой стали на РУ до 40 кгс/см² по МН 2883-62 4.900-8-3-39÷3-47 Переходы эксцентрические сварные из углеродистой стали на РУ до 40 кгс/см² по МН 2884-62 4.900-8-3-48;3-49 Переходы лепестковые сварные из углеродистой стали на РУ до 16 кгс/см² по МН 2885-62 4.900-8-3-50÷3-54 Тройники проходные сварные из углеродистой стали на Ру до 100 кгс/см² по МН2886-62 4.900-8-3-55÷3-71 Тройники проходные сварные из углеродистой стали на Ру до 100 кгс/см² по МН2887-62 4.900-8-3-72÷3-76 Фланцы с соединительным выступом стальные плоские приварные Ру 2,5;6;10;16;25 по ГОСТ 1255-67 4.900-8-3-77 Фланцы стальные плоские приварные, квадратные на Ру 16;6;10 по ГОСТ 9938-62 4.900-8-3-78 Муфты асбестоцементные напорные по ГОСТ 539-73 4.900-8-3-79÷3-84 Муфты и соединительные детали чугунные для асбестоцементных напорных труб ГОСТ 17584-72 4.900-8-3-85 Муфты асбестоцементные для безнапорных трубопроводов по ГОСТ 1839-72 4.900-8-3-86;3-87 Фасонные части кислотоупорные керамические. Дуги, колена, тройники и крестовины с раструбами по ГОСТ 585-67 4.900-8-3-88÷3-92 Фасонные части фарфоровые фланцевые. Колена, тройники, крестовины, переходы, вставные кольца и заглушки по МРТУ 21-26-67 4.900-8-3-93÷3-101 Детали соединительные из полиэтилена низкой плотности для напорных труб, муфты, угольники, тройники, переходы и втулки по ГОСТ 6-05-367-74 4.900-8-3-102 Соединения напорных полиэтиленовых трубопроводов по ОСТ 6-05-367-74 4.900-8-3-103÷3-108 Фасонные части канализационные из полиэтилена высокой плотности. Тройники, крестовины, отводы, патрубки, ревизии, заглушки по ТУ 21-26-100-74 4.900-8-3-109÷3-116 Фасонные винипластовые части. Патрубки, фланцы, тройники, отводы, крестовины и переходы 4.900-8-3-117÷3-119 Фасонные части для фаолитовых труб. Отводы, угольники, крестовины, тройники и переходные муфты по ТУ 6-05-1170-76 4.900-8-3-120 Фланцевые соединения, фаолитовых труб и фасонных частей 4.900-8-3-121÷3-124 Фасонные части стеклянные термостойкие. Отступы, отводы, тройники, крестовины и переходы по ГОСТ 11192-65 4.900-8-3-125 Соединения стеклянных трубопроводов 4.900-8-3-126;3-127 Соединения фанерных труб по ГОСТ 7017-76 4.900-8-3-128 Муфты, фланцы, резиновые прокладки, обоймы и болты для соединения фанерных труб по ГОСТ 7017-76-77 4.900-8-3-129 Фланцы для соединения фанерных труб по ГОСТ 7017-76 4.900-8-3-130 Резиновые прокладки для соединения фанерных труб по ГОСТ 7017-76 4.900-8-3-131 Обоймы и болты для соединения фанерных труб по ГОСТ 7017-76 |
| Разработан: | Союзводоканалниипроект |
| Утверждён: | 05.10.1977 СоюзводоканалНИИпроект (SoyuzvodokanalNIIproject 262) |
| Чем заменён: |




































































































































































































































































