Скачать Типовой проект 902-2-324 Альбом III. Строительная частьДата актуализации: 01.01.2021
|
| Обозначение: | Типовой проект 902-2-324 |
| Обозначение англ: | 902-2-324 |
| Статус: | действует |
| Название рус.: | Альбом III. Строительная часть |
| Дата добавления в базу: | 01.09.2013 |
| Дата актуализации: | 01.01.2021 |
| Дата введения: | 12.11.1979 |
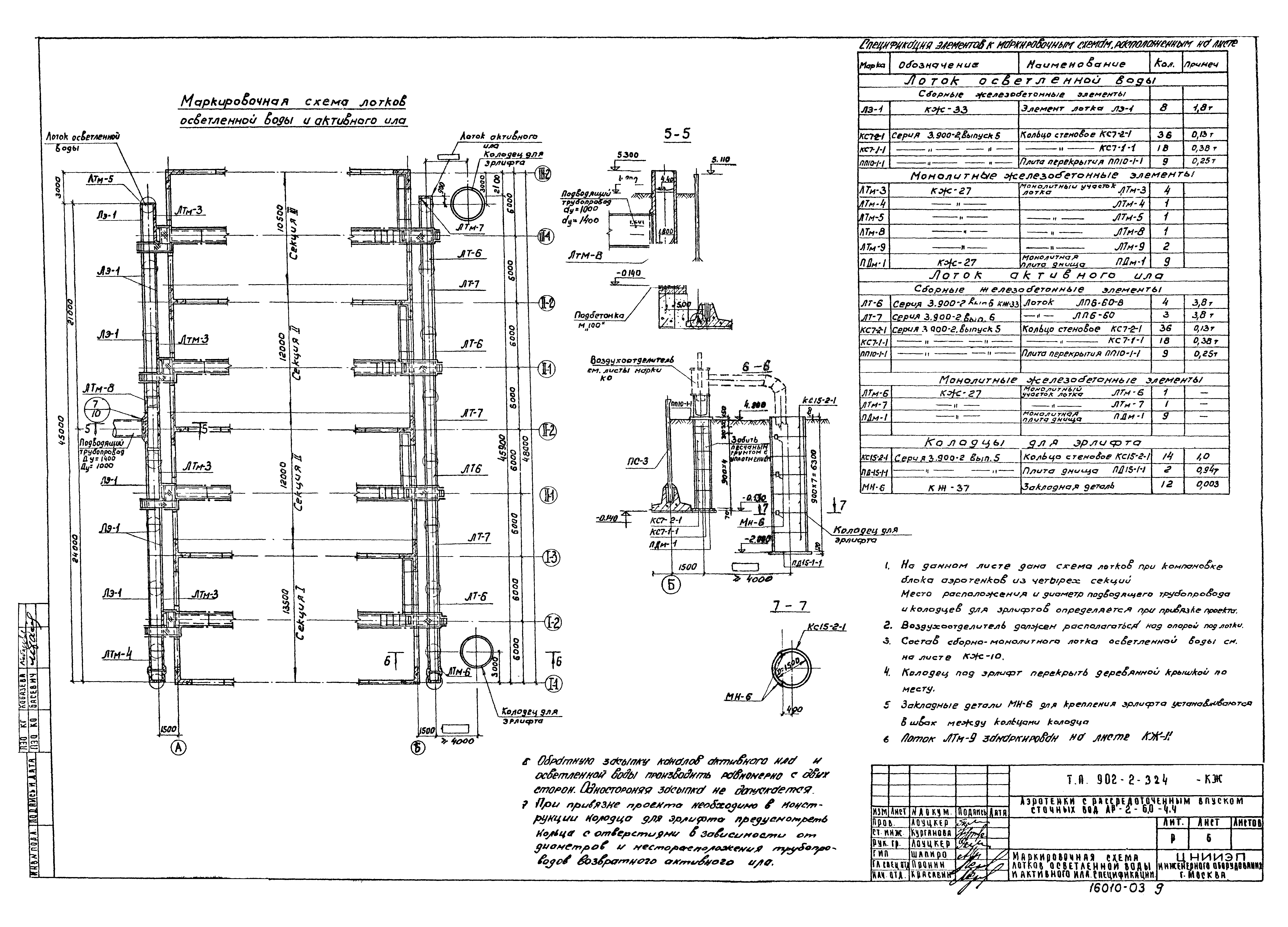
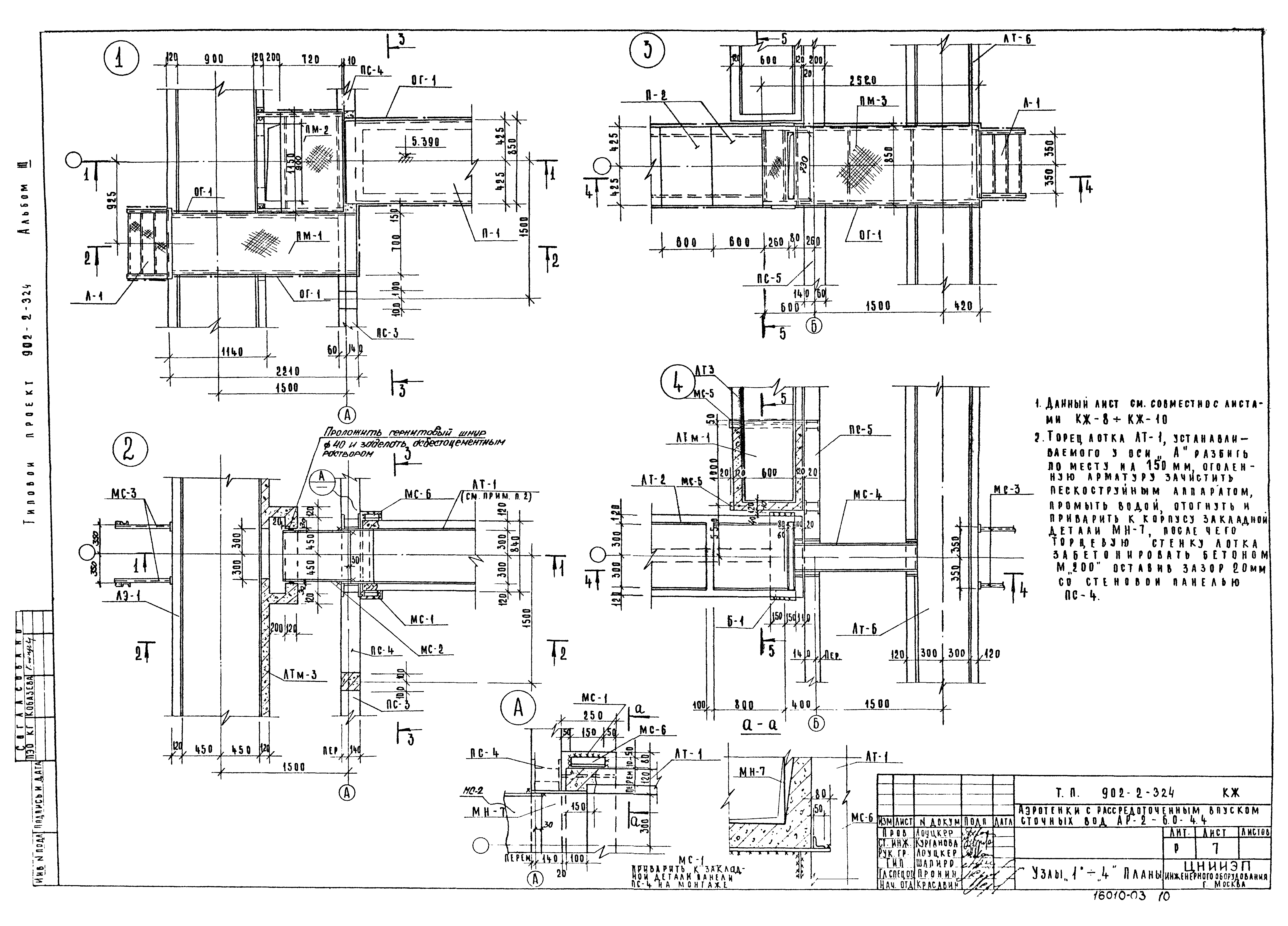
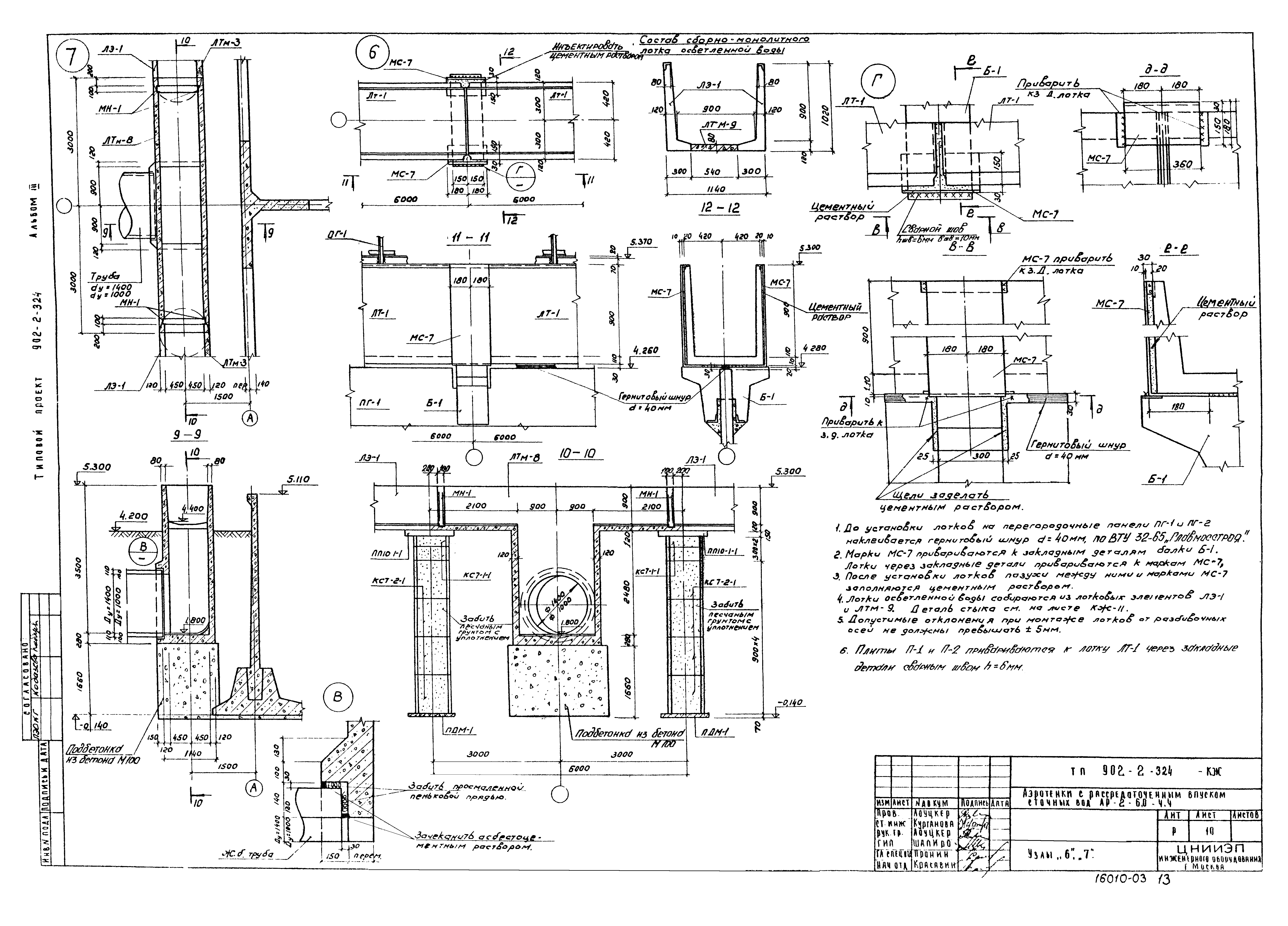
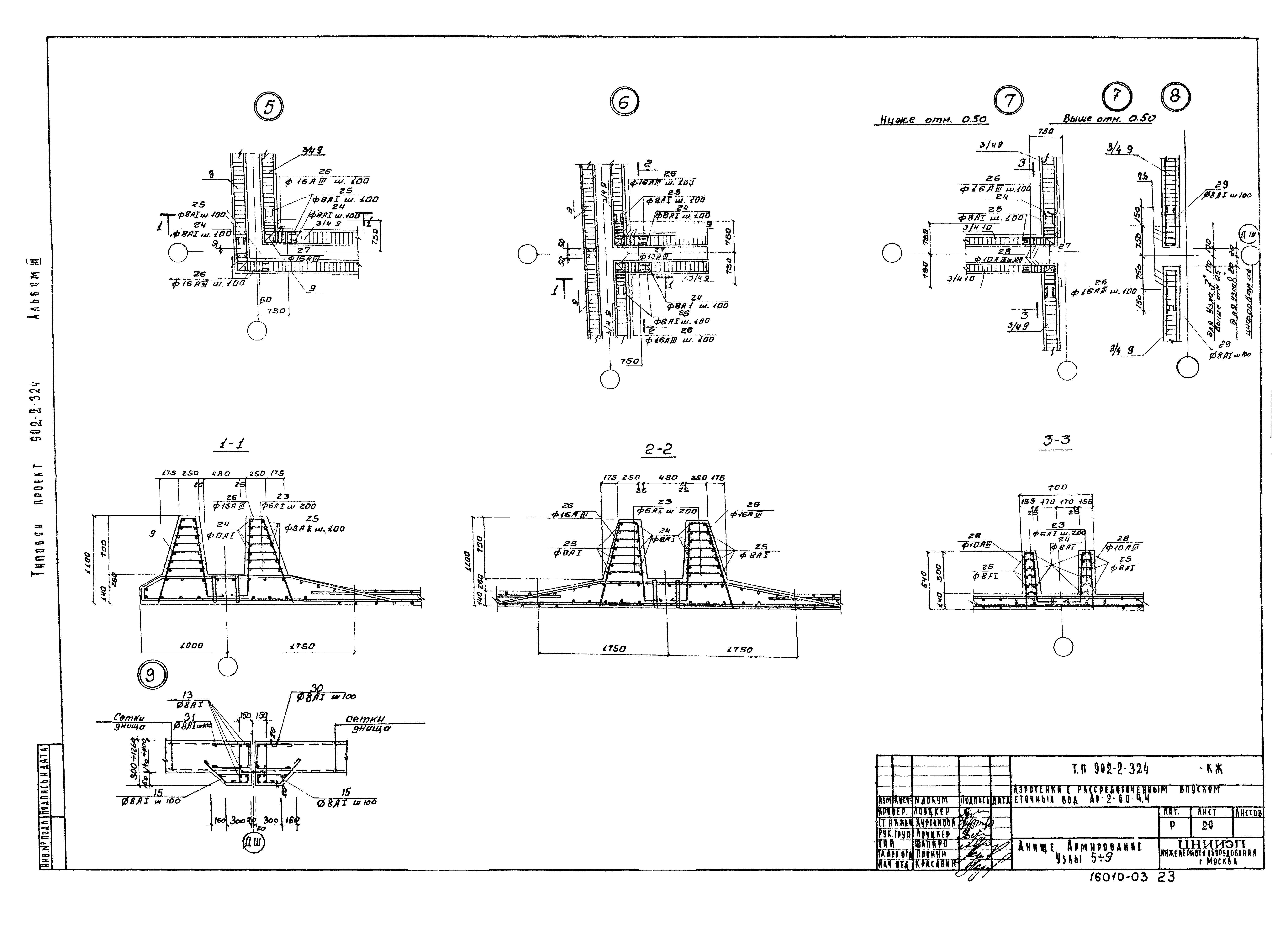
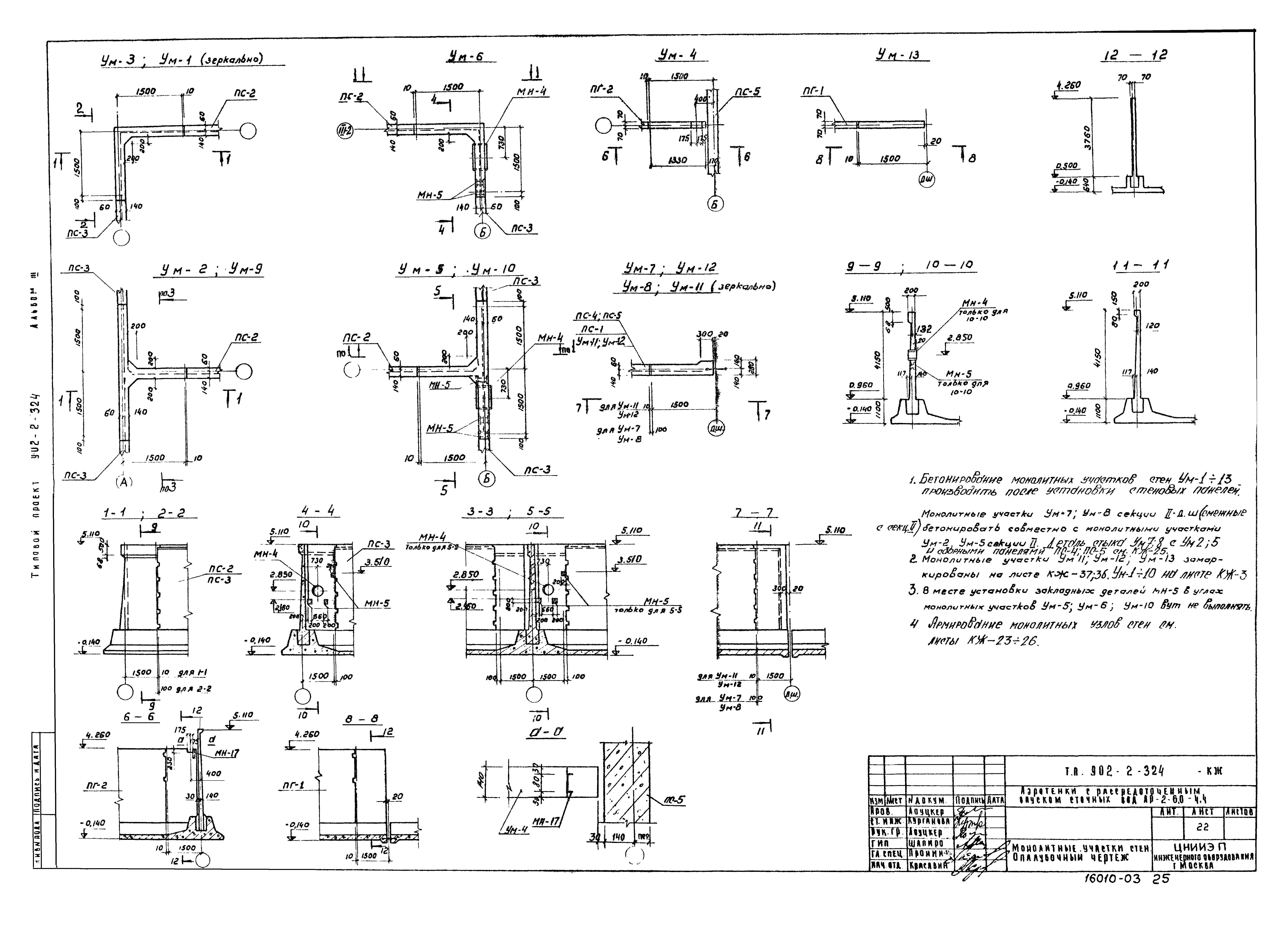
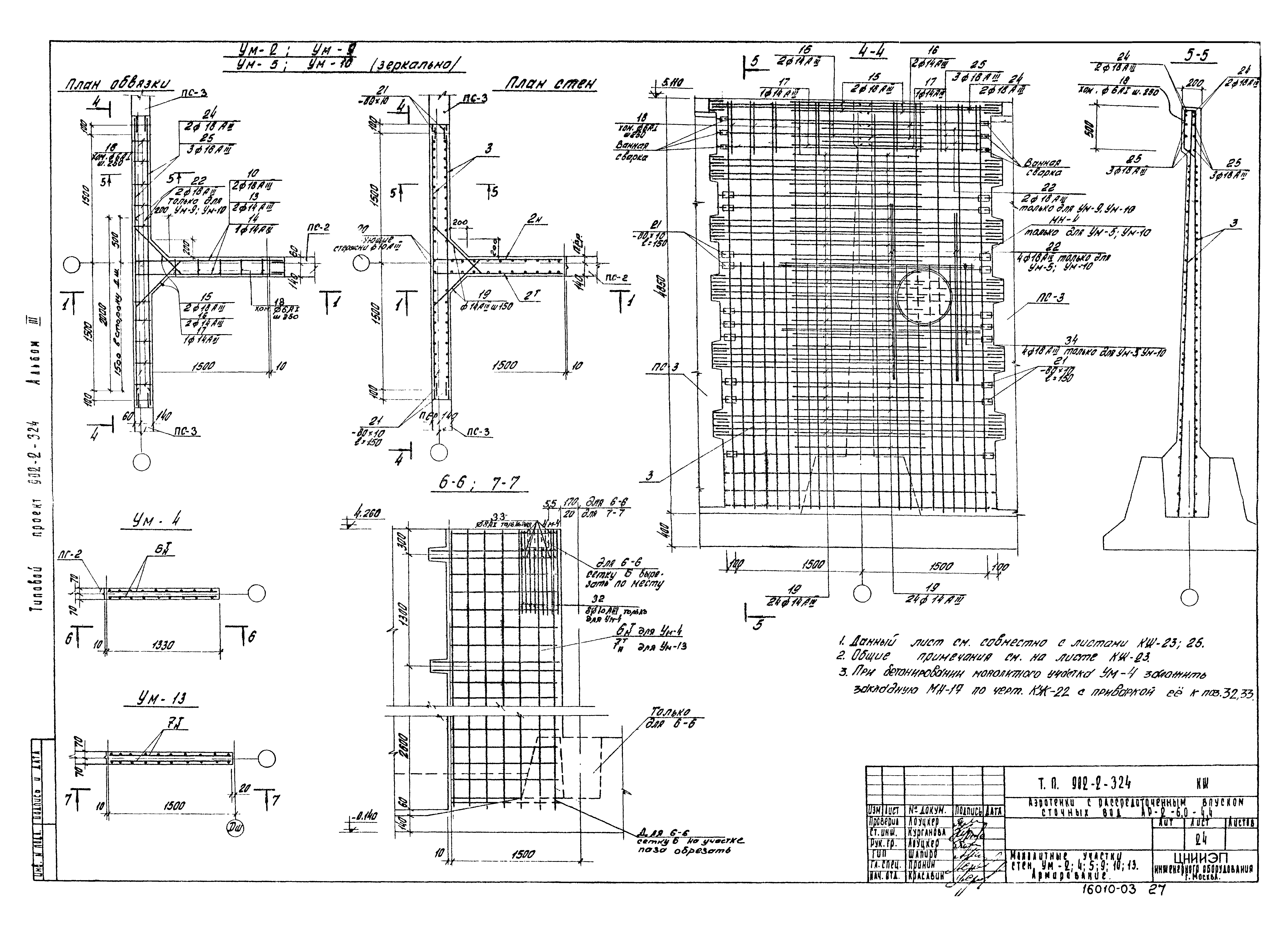
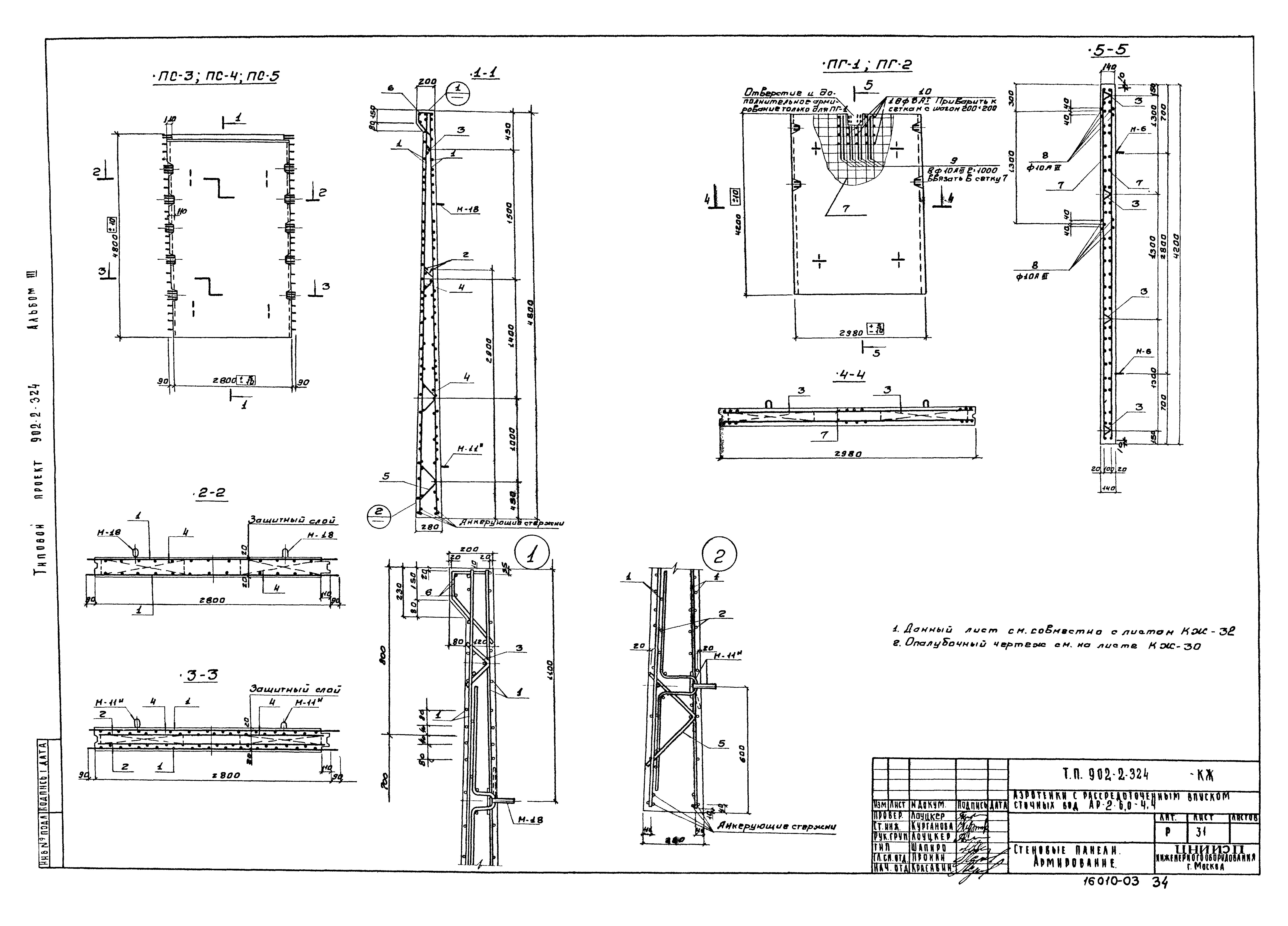
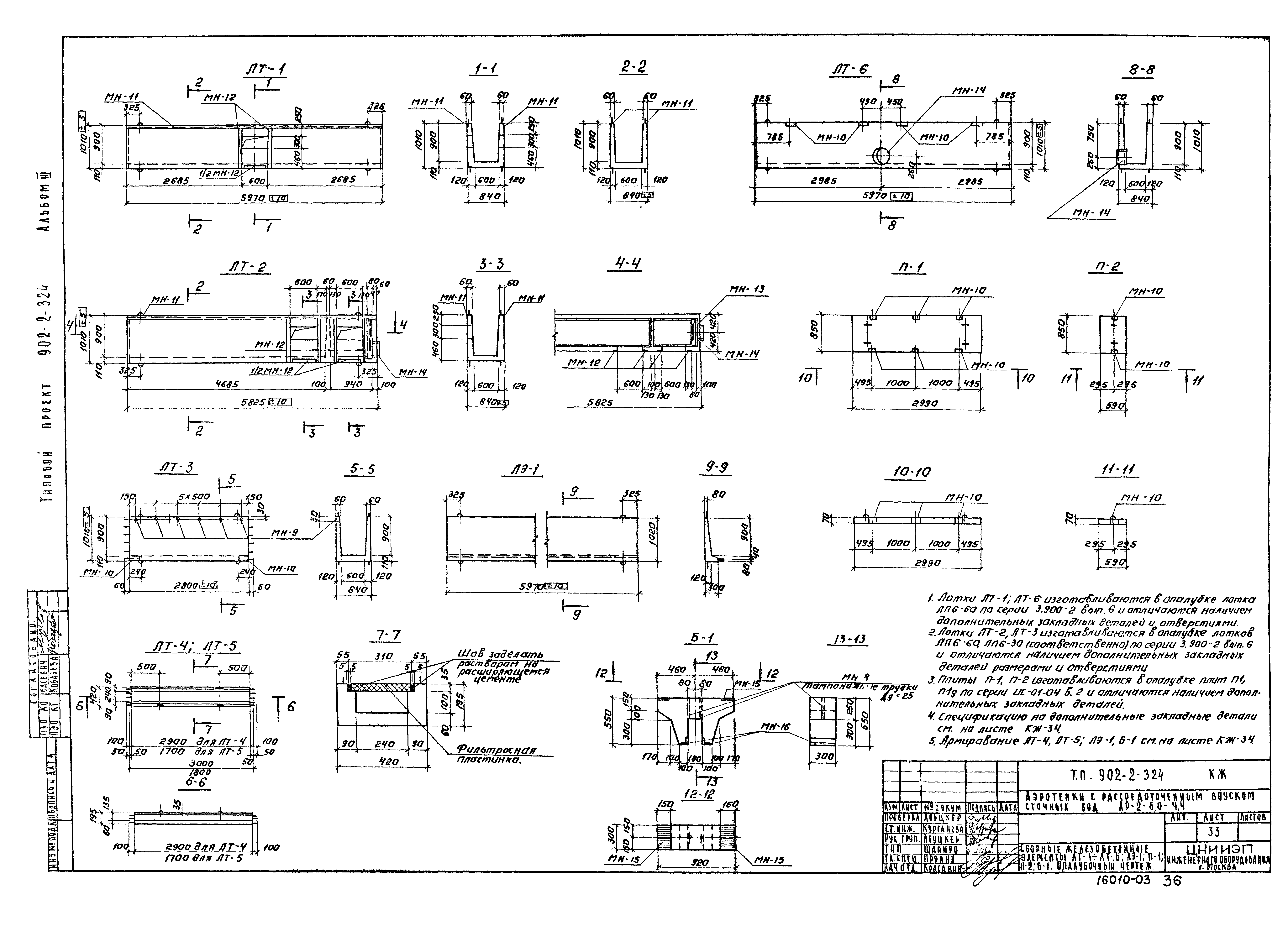
| Оглавление: | ТП 902-2-324 Содержание альбома ТП 902-2-324-КЖ-1 Общие данные ТП 902-2-324-КЖ-2 Примеры компоновки секций аэротенков ТП 902-2-324-КЖ-3 Маркировочные схемы стеновых панелей и фильтросных лотков ТП 902-2-324-КЖ-4 Маркировочные схемы лотков и балок. Разрезы 1-1÷4-4 ТП 902-2-324-КЖ-5 Планы мостиков. Спецификация ТП 902-2-324-КЖ-6 Маркировочная схема лотков осветленной воды и активного ила. Спецификация ТП 902-2-324-КЖ-7 Узлы "1"-"4". Планы ТП 902-2-324-КЖ-8 Узлы "1"-"4". Разрезы. Узел "5" ТП 902-2-324-КЖ-9 Узлы "1"-"5". Разрезы 4-4÷6-6 ТП 902-2-324-КЖ-10 Узлы "6","7" ТП 902-2-324-КЖ-11 Детали установки панелей, балок, лотков, подвижной опоры под воздуховод ТП 902-2-324-КЖ-12 Детали стыков стеновых панелей ТП 902-2-324-КЖ-13 Детали установки фильтросных лотков ТП 902-2-324-КЖ-14 Днище. Опалубочный чертеж. Разрезы. План чистого пола днища ТП 902-2-324-КЖ-15 Днище. Опалубочный чертеж. Узлы. Детали ТП 902-2-324-КЖ-16 Днище. Армирование. План раскладки нижних сеток. Разрезы 1-1;2-2 ТП 902-2-324-КЖ-17 Днище. Армирование. План раскладки верхних сеток ТП 902-2-324-КЖ-18 Днище. Армирование. План раскладки каркасов. Разрезы 3-3÷5-5 ТП 902-2-324-КЖ-19 Днище. Армирование. Узлы 1-4 ТП 902-2-324-КЖ-20 Днище. Армирование. Узлы 5-9 ТП 902-2-324-КЖ-21 Днище. Армирование. Арматурные сетки. Каркасы ТП 902-2-324-КЖ-22 Монолитные участки стен. Опалубочный чертеж ТП 902-2-324-КЖ-23 Монолитные участки стен УМ-1,УМ-3,УМ-6. Армирование ТП 902-2-324-КЖ-24 Монолитные участки стен УМ-2,4,5,9,10,13. Армирование ТП 902-2-324-КЖ-25 Монолитные участки стен УМ-1,8,11,12. Армирование ТП 902-2-324-КЖ-26 Монолитные участки стен. Арматурные сетки ТП 902-2-324-КЖ-27 Монолитные участки лотков. Опалубочный чертеж ТП 902-2-324-КЖ-28 Монолитные участки лотков. Армирование ТП 902-2-324-КЖ-29 Монолитные участки лотков. Армирование. Выборки. Спецификации ТП 902-2-324-КЖ-30 Стеновые панели. Опалубочный чертеж ТП 902-2-324-КЖ-31 Стеновые панели. Армирование ТП 902-2-324-КЖ-32 Стеновые панели. Арматурные сетки. Спецификации ТП 902-2-324-КЖ-33 Сборные железобетонные элементы ЛТ-1÷ЛТ-6; ЛЭ-1;П-1;П-2;Б-1. Опалубочный чертеж ТП 902-2-324-КЖ-34 Сборные железобетонные элементы ЛТ-4;ЛТ-5;ЛЭ-1;Б-1. Армирование ТП 902-2-324-КЖ-35 Сборные железобетонные элементы ЛТ-4;ЛТ-5;ЛЭ-1. Арматурные сетки ТП 902-2-324-КЖ-36 6ти метровая вставка ТП 902-2-324-КЖ-37 6ти метровая вставка с деформационным швом ТП 902-2-324-КЖ-38 Металлические площадки и соединительные элементы ТП 902-2-324-КЖ-39 Закладные детали |
| Разработан: | ЦНИИЭП |
| Утверждён: | 22.07.1974 Госгражданстрой (Gosgrazhdanstroy 164) |










































