Скачать Типовой проект 902-2-297 Альбом III. Заказные спецификацииДата актуализации: 01.01.2021
|
| Обозначение: | Типовой проект 902-2-297 |
| Обозначение англ: | 902-2-297 |
| Статус: | действует |
| Название рус.: | Альбом III. Заказные спецификации |
| Дата добавления в базу: | 01.09.2013 |
| Дата актуализации: | 01.01.2021 |
| Дата введения: | 25.02.1978 |
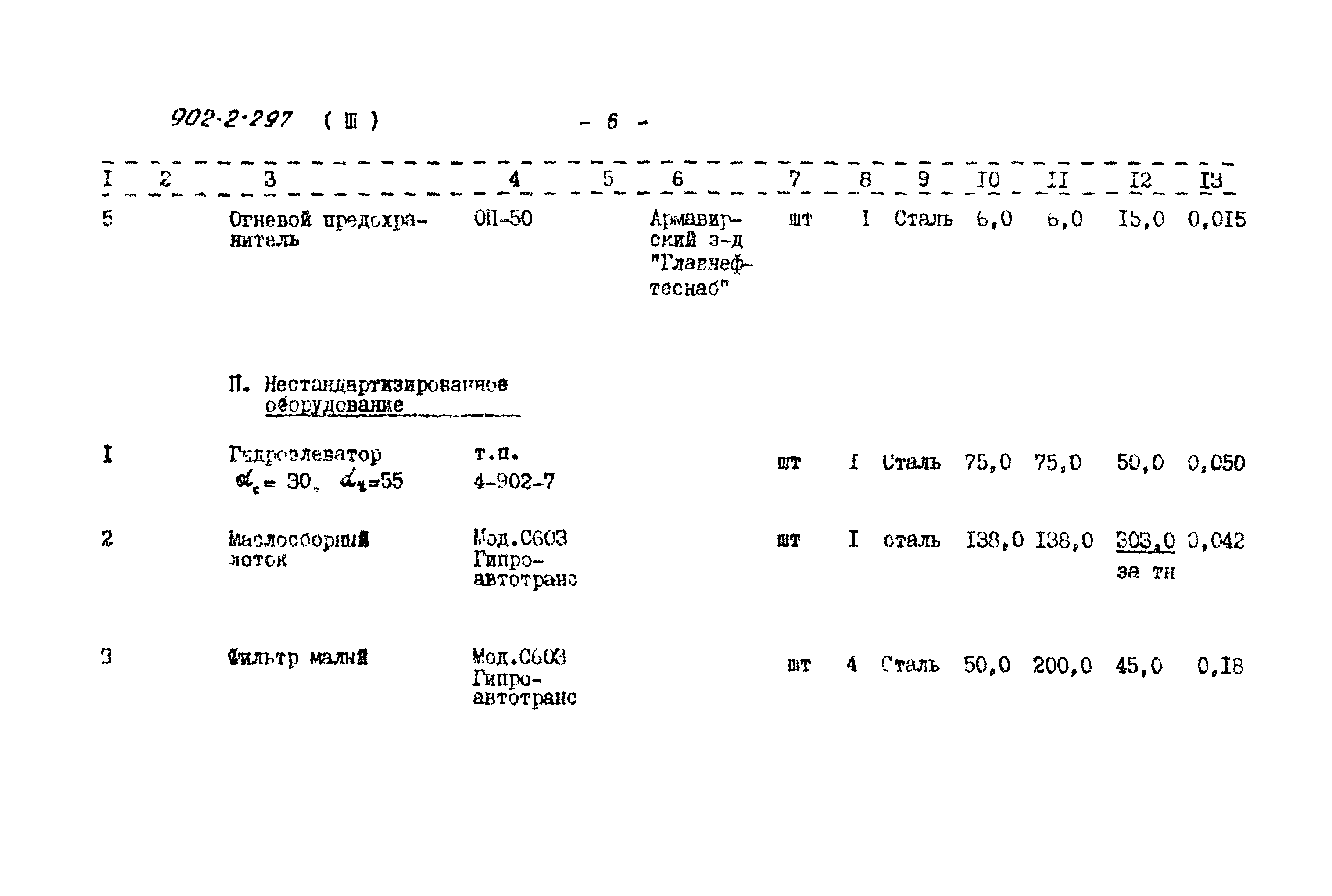
| Оглавление: | ТП 902-2-297 Заказная спецификация на технологическое оборудование, арматуру, контрольно-измерительные приборы и подъемно-транспортное устройство ТП 902-2-297 Заказная спецификация на оборудование, арматуру и контрольно-измерительные приборы для отопления и вентиляции ТП 902-2-297 Заказная спецификация на электрооборудование и материалы для электроосвещения ТП 902-2-297 Заказная спецификация на силовое электрооборудование ТП 902-2-297 Спецификация основных материалов, нe вошедших в заказные спецификации (трубы, металлы и монтажные материалы) на силовое электрооборудование ТП 902-2-297 Заказная спецификация на щиты и пульты для автоматизации ТП 902-2-297 Заказная спецификация на электроаппаратуру для автоматизации ТП 902-2-297 Заказная спецификация приборов и средств автоматизации ТП 902-2-297 Спецификация кабелей и проводов для автоматизации ТП 902-2-297 Спецификация основных материалов и труб для автоматизации |
| Разработан: | Гипроавтотранс |
| Утверждён: | 13.06.1977 Минавтотранс РСФСР (Russian Federation Minavtotrans 122) |





































