Скачать Типовой проект 902-2-298 Альбом IV. СметыДата актуализации: 01.01.2021
|
| Обозначение: | Типовой проект 902-2-298 |
| Обозначение англ: | 902-2-298 |
| Статус: | действует |
| Название рус.: | Альбом IV. Сметы |
| Дата добавления в базу: | 01.09.2013 |
| Дата актуализации: | 01.01.2021 |
| Дата введения: | 25.02.1978 |
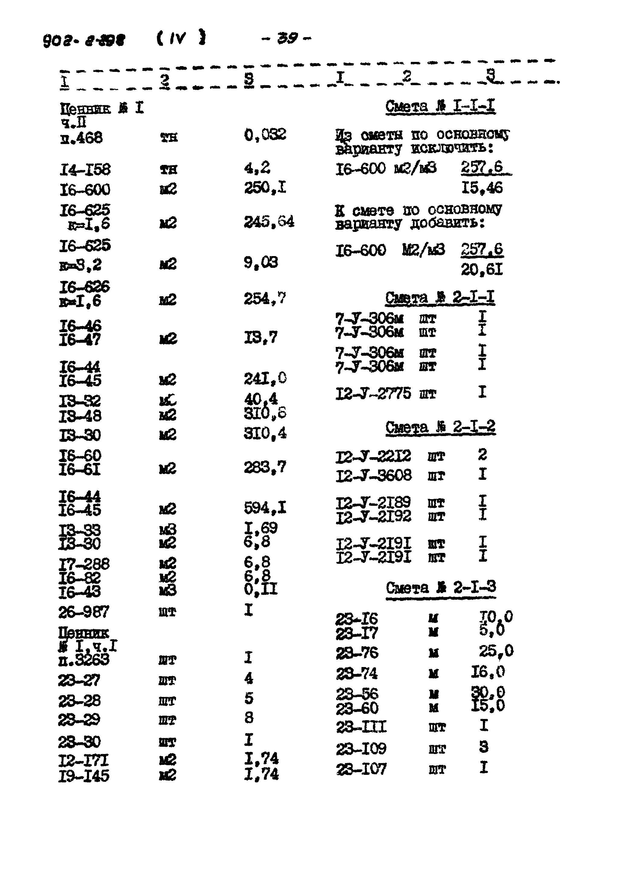
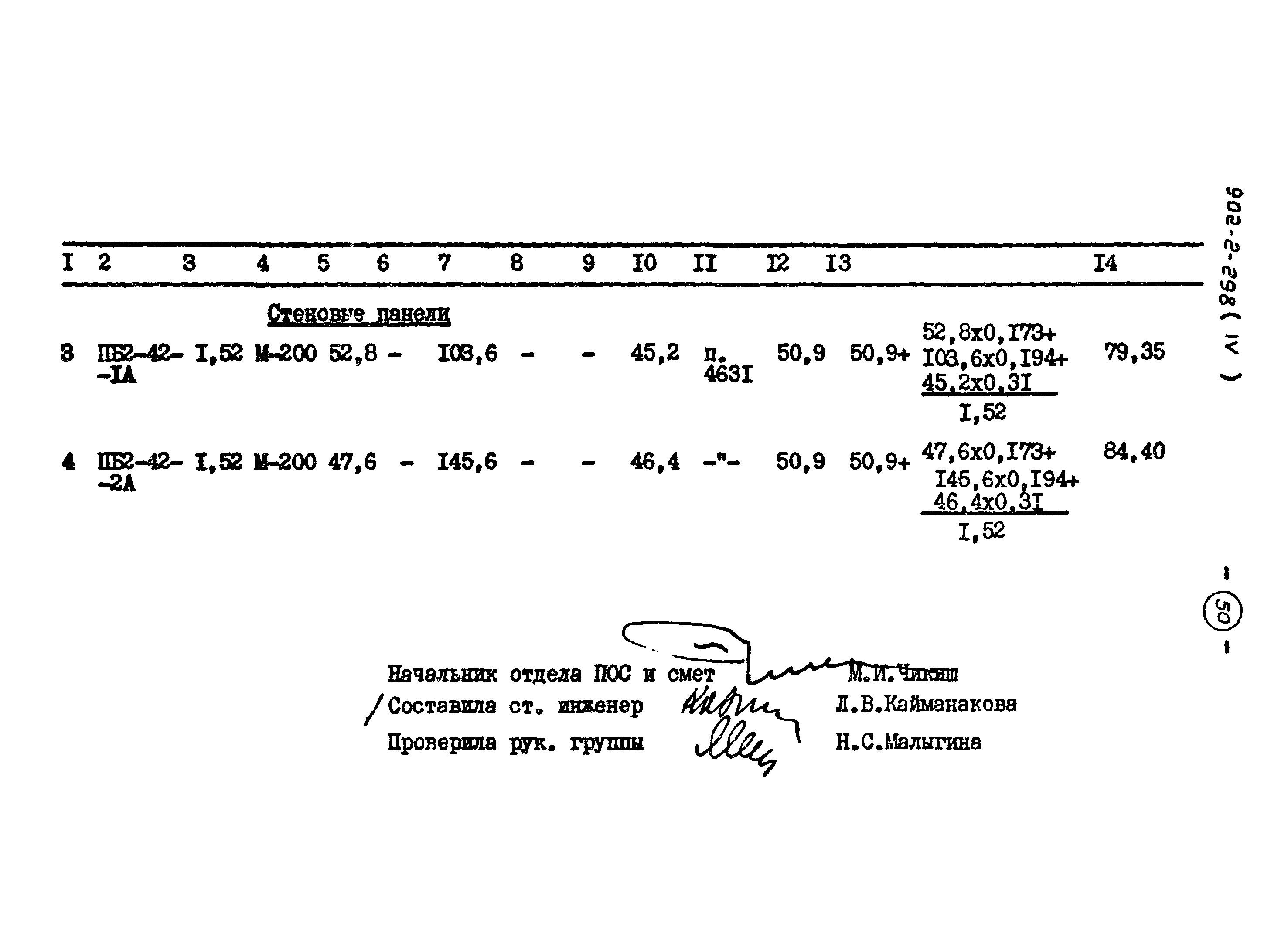
| Оглавление: | ТП 902-2-298 Пояснительная записка ТП 902-2-298 Объектная смета № 1 на строительство очистных сооружений от мойки автомобилей с расходом воды 20 л/сек при оборотном водоснабжении (вариант для Т= - 30°) ТП 902-2-298 Сводка объемов и стоимости работ (вариант для Т= - 30°) ТП 902-2-298 Смета № 1-1-1 Общестроительные работы ТП 902-2-298 Смета № 2-1-1 Оборудование и монтаж ТП 902-2-298 Смета № 2-1-2 Монтаж арматуры ТП 902-2-298 Смета № 2-1-3 Сантехнические работы ТП 902-2-298 Смета № 2-1-4 Центральное отопление (санитарно-технические работы) ТП 902-2-298 Смета № 2-1-5 Теплоснабжение калориферов (санитарно-технические работы) ТП 902-2-298 Смета № 2-1-6 Теплоснабжение калориферов (оборудование) ТП 902-2-298 Смета № 2-1-7 Вентиляция (сантехнические работы) ТП 902-2-298 Смета № 2-1-8 Вентиляция (сантехническое оборудование) ТП 902-2-298 Смета № 3-1-1 Устройство электроосвещения ТП 902-2-298 Смета № 3-1-2 Приобретение и монтаж силового электрооборудования ТП 902-2-298 Смета № 4-1-1 Приобретение и монтаж средств автоматизации ТП 902-2-298 Ведомость объемов строительных и монтажных работ (вариант для Т= - 30°) ТП 902-2-298 Ведомость объемов строительных и монтажных работ (вариант для Т= - 40°) ТП 902-2-298 Сводная ведомость потребности в производственных ресурсах ТП 902-2-298 Расчет сметной стоимости ж/б изделий |
| Разработан: | Гипроавтотранс |
| Утверждён: | 13.06.1977 Минавтотранс РСФСР (Russian Federation Minavtotrans 122) |



















































