Скачать Типовой проект 902-2-382.84 Альбом I. Технологическая часть, строительная часть, электрооборудование и автоматикаДата актуализации: 01.01.2021
|
| Обозначение: | Типовой проект 902-2-382.84 |
| Обозначение англ: | 902-2-382.84 |
| Статус: | не определен законодательством |
| Название рус.: | Альбом I. Технологическая часть, строительная часть, электрооборудование и автоматика |
| Дата добавления в базу: | 01.09.2013 |
| Дата актуализации: | 01.01.2021 |
| Дата введения: | 13.07.1984 |
| Дата окончания срока действия: | 30.06.2003 |
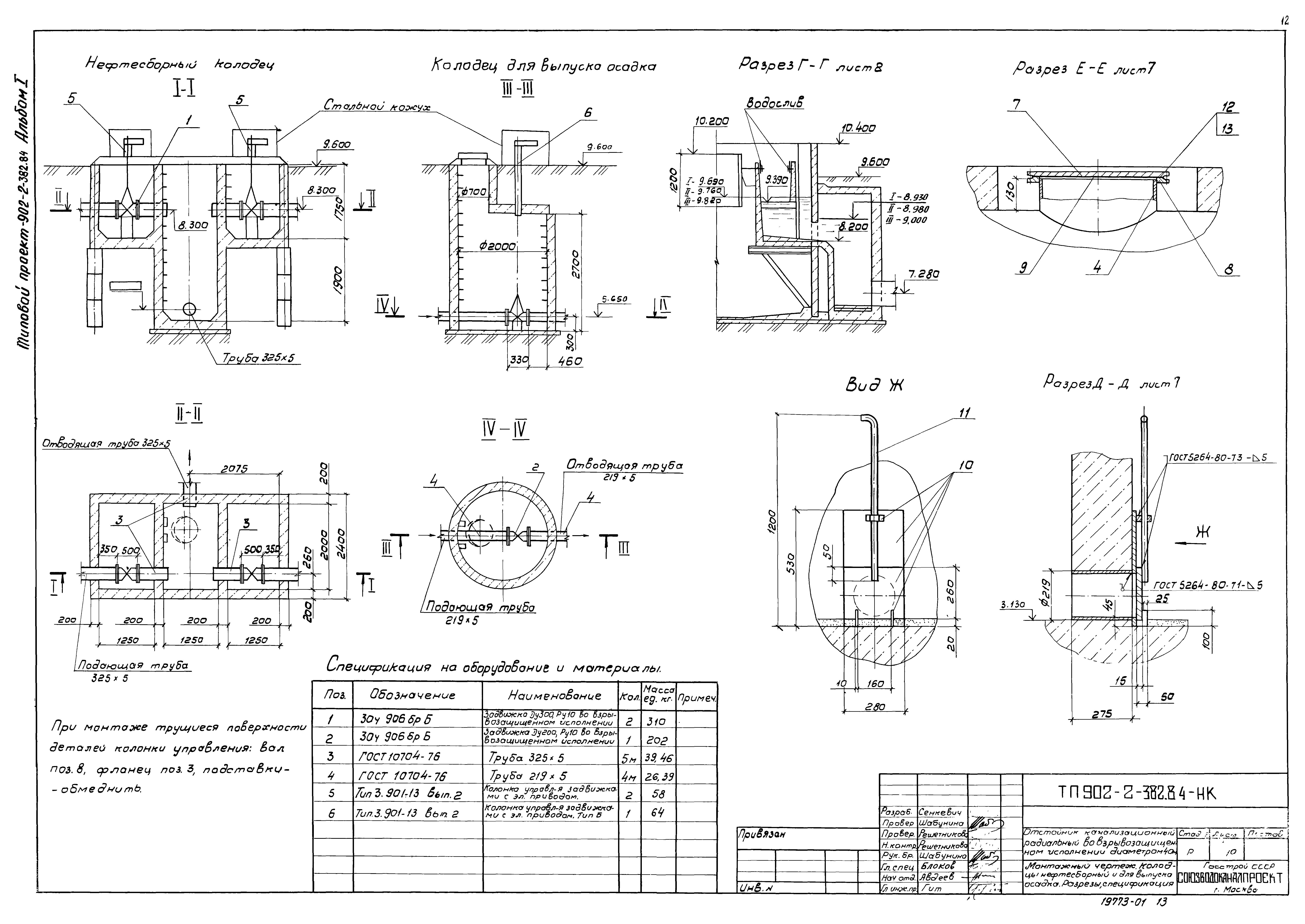
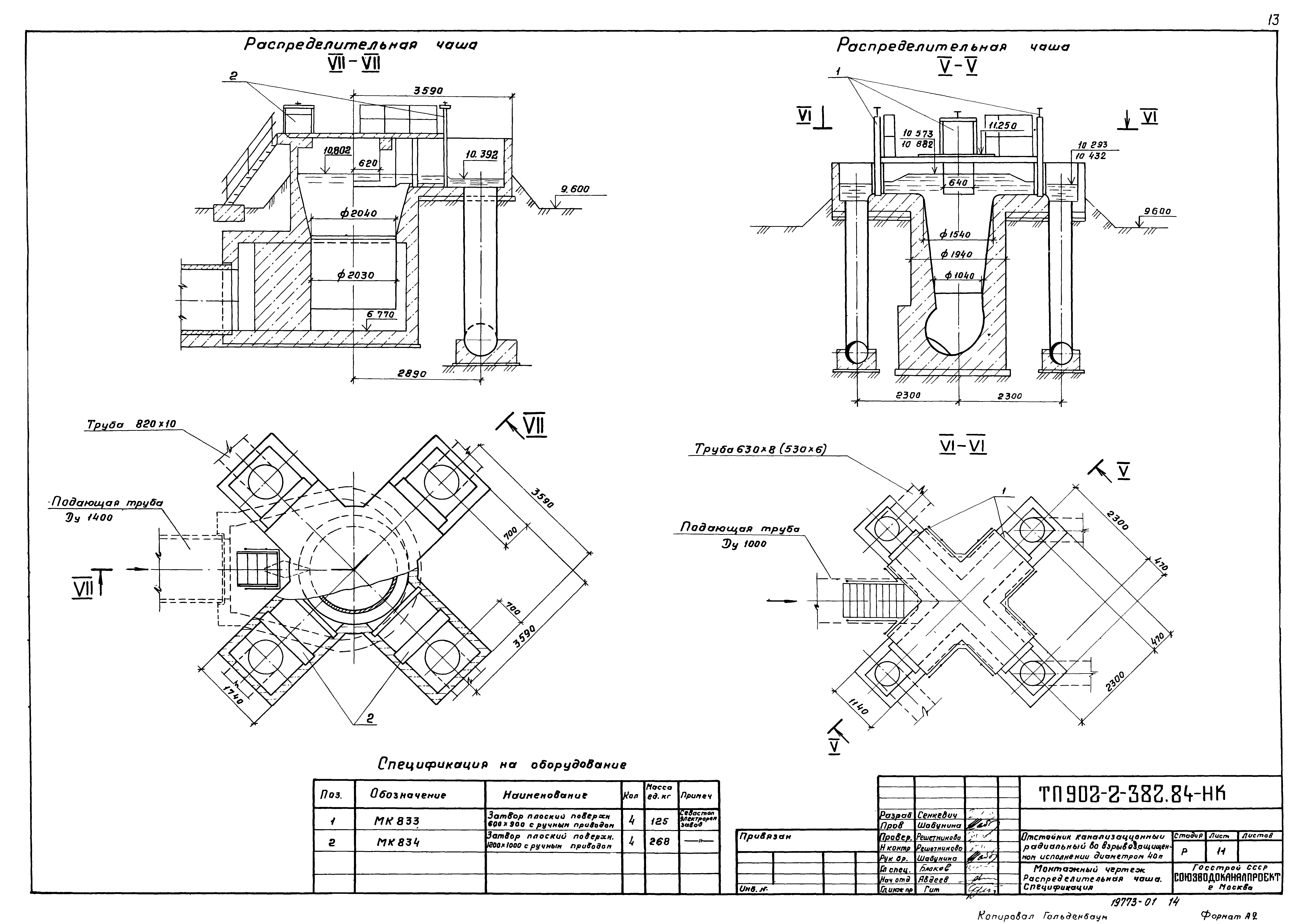
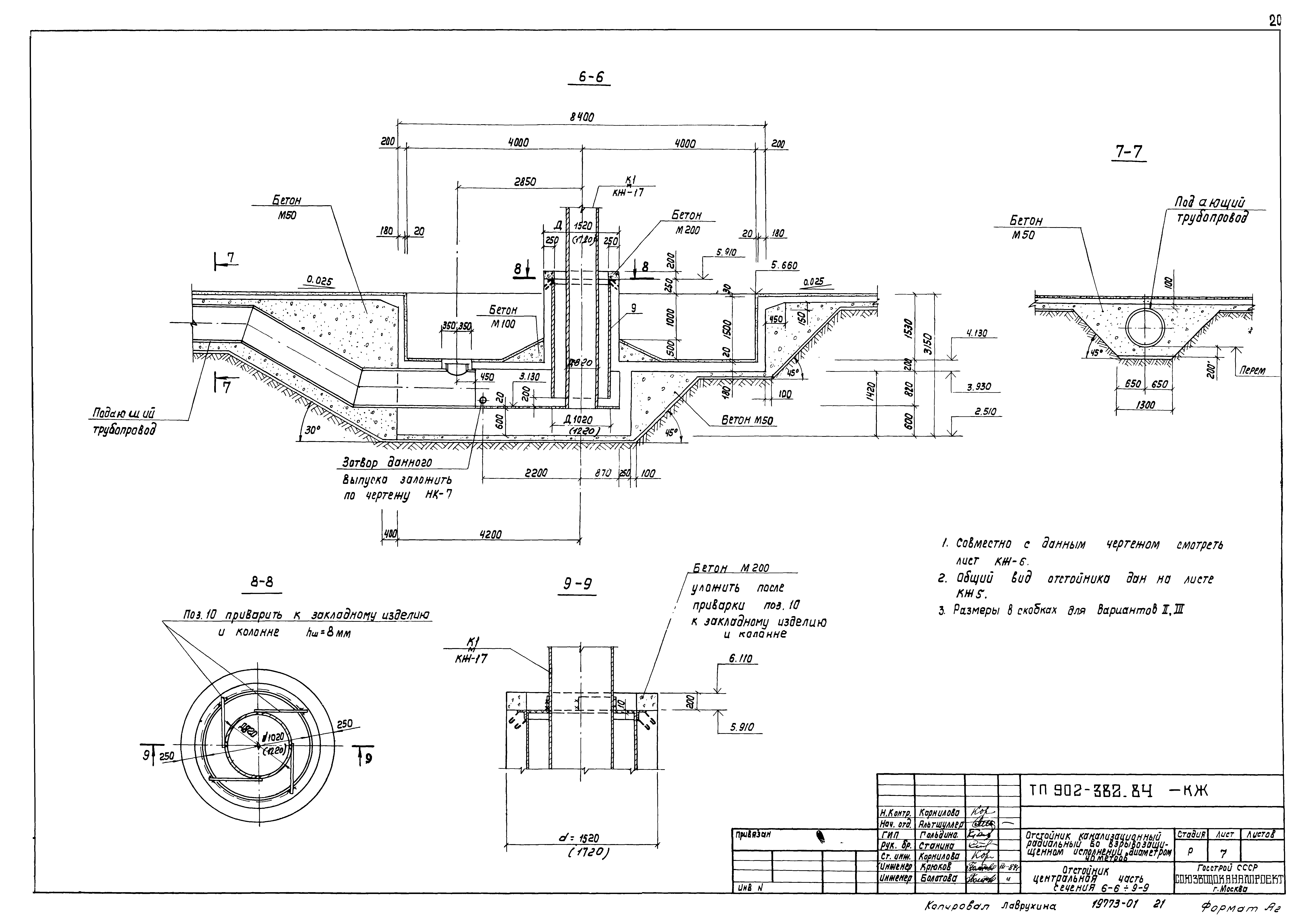
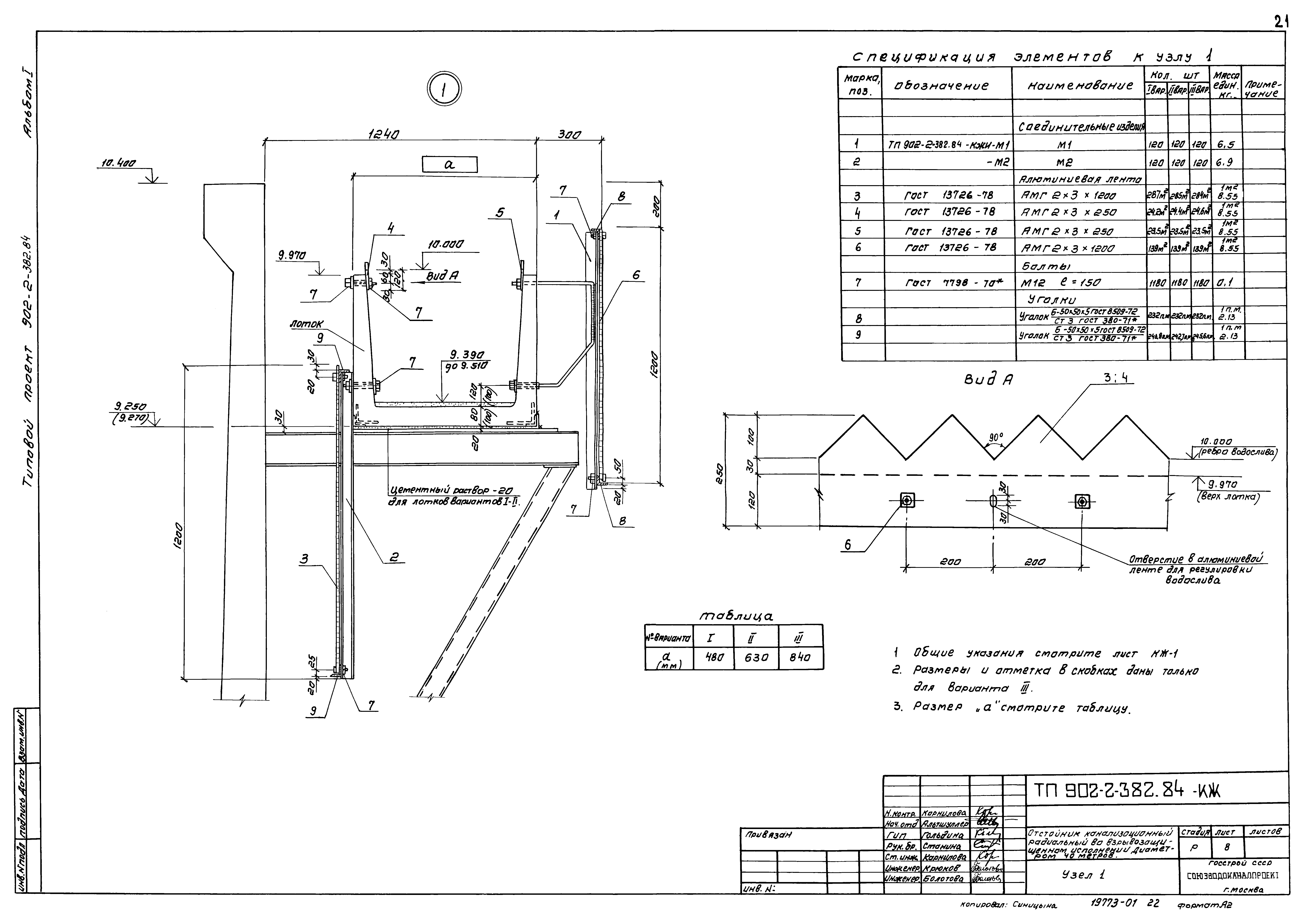
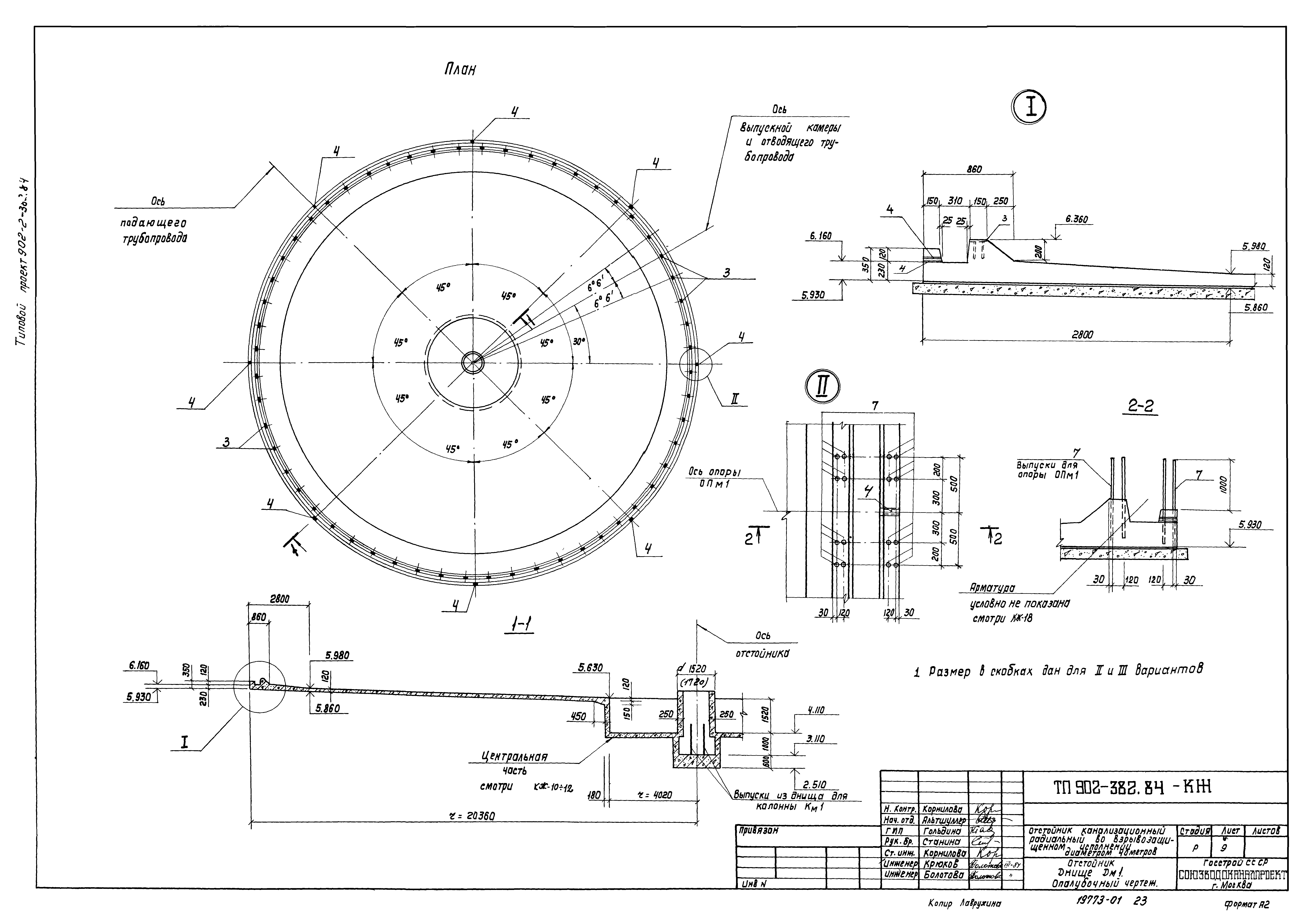
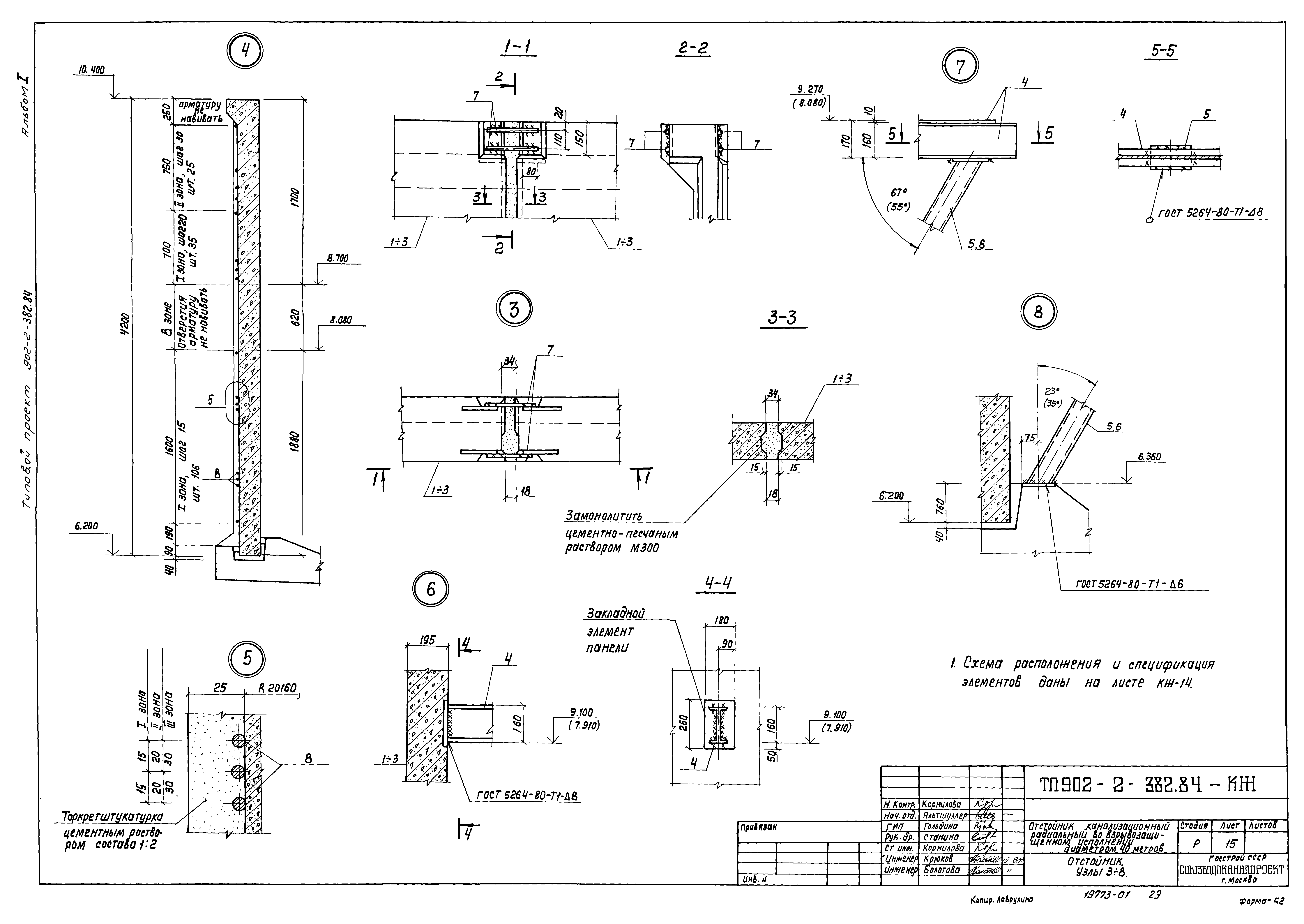
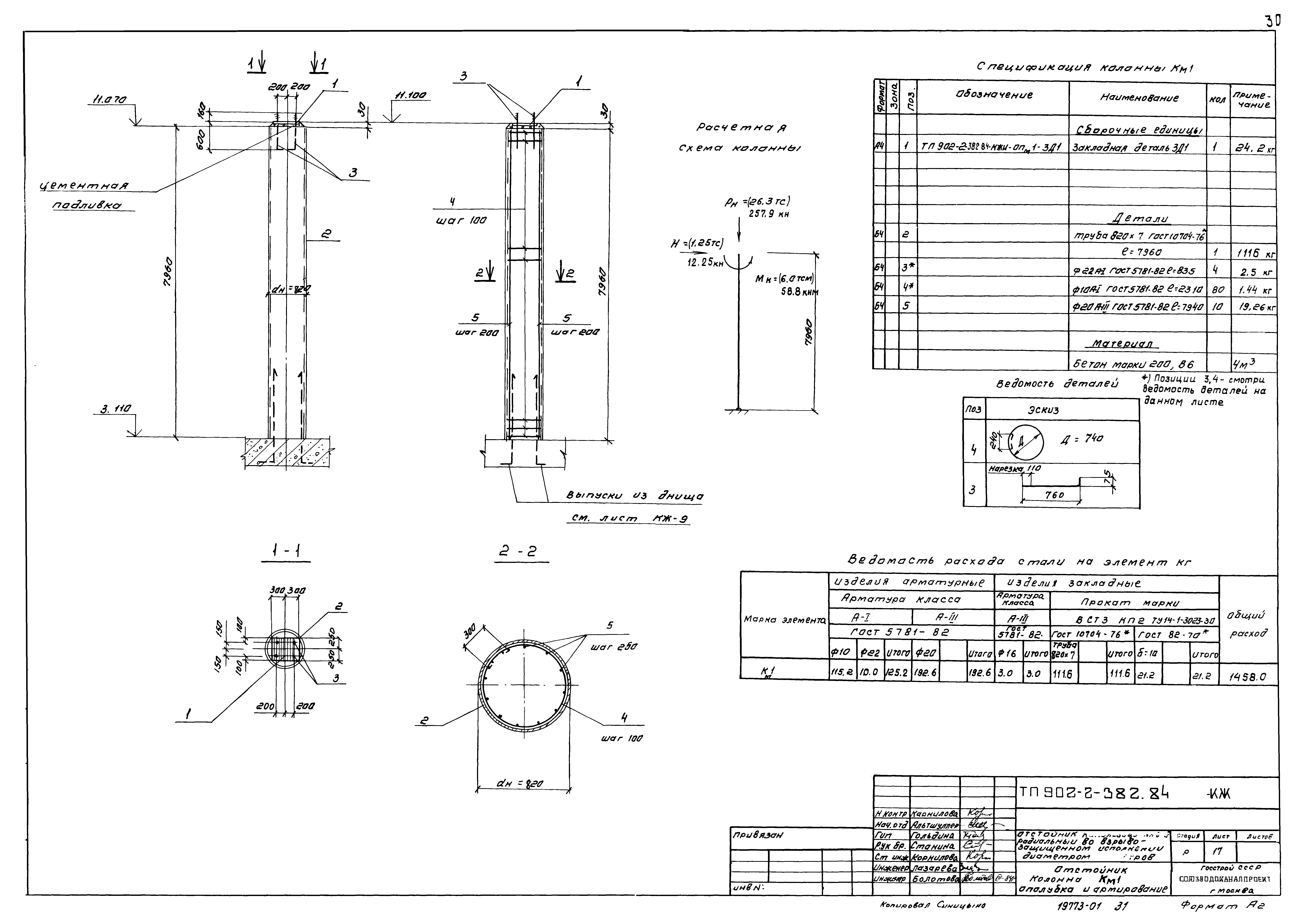
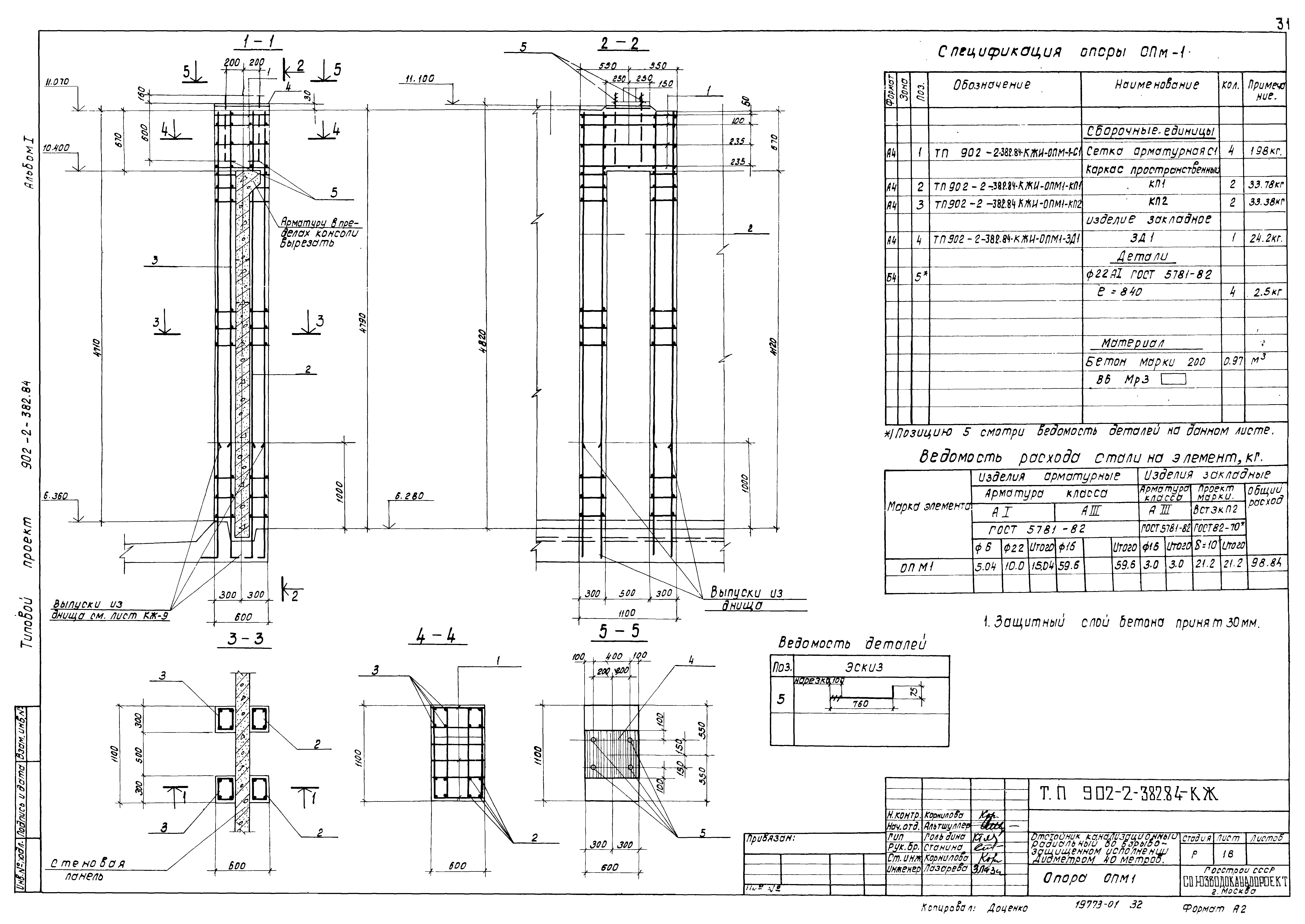
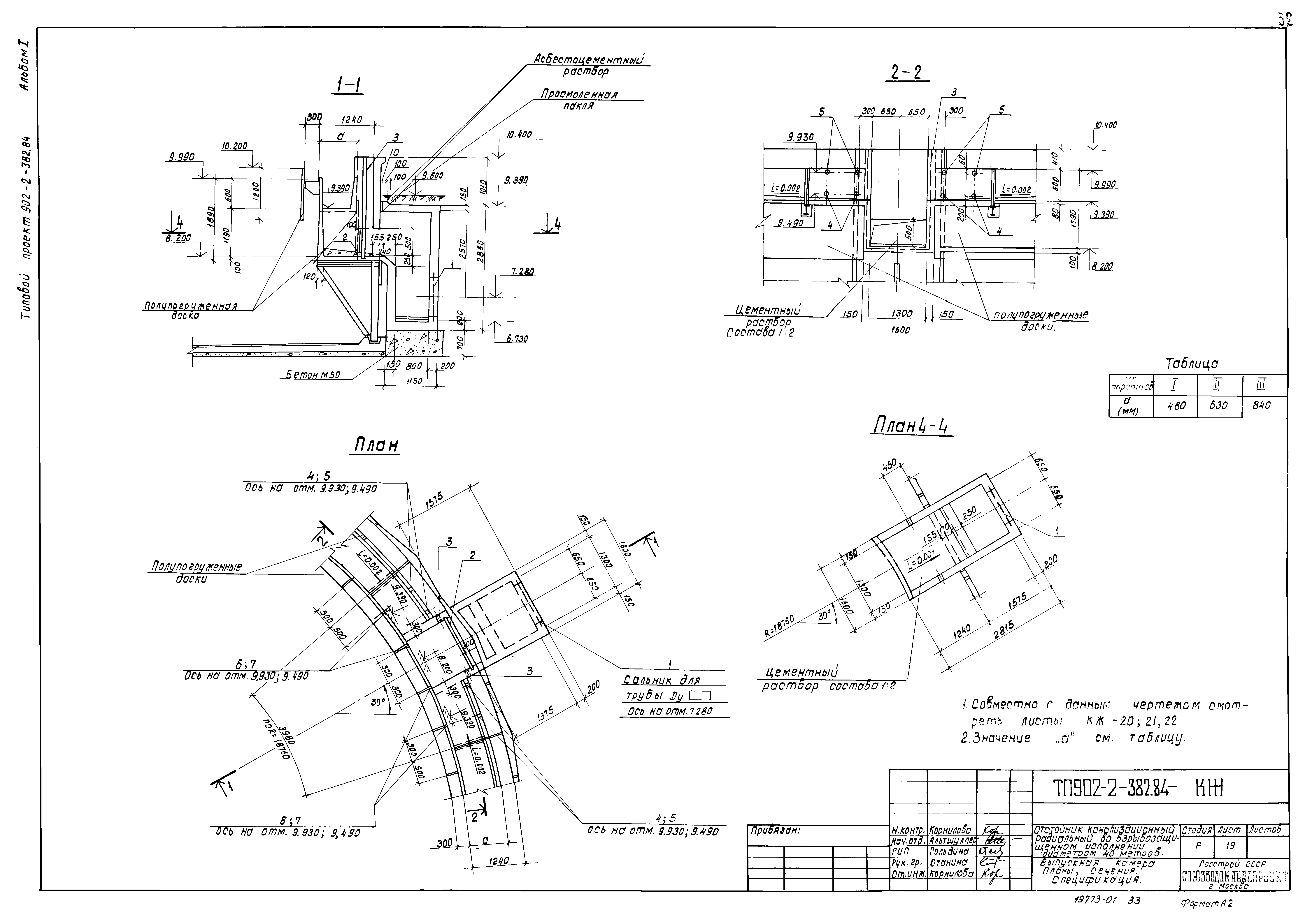
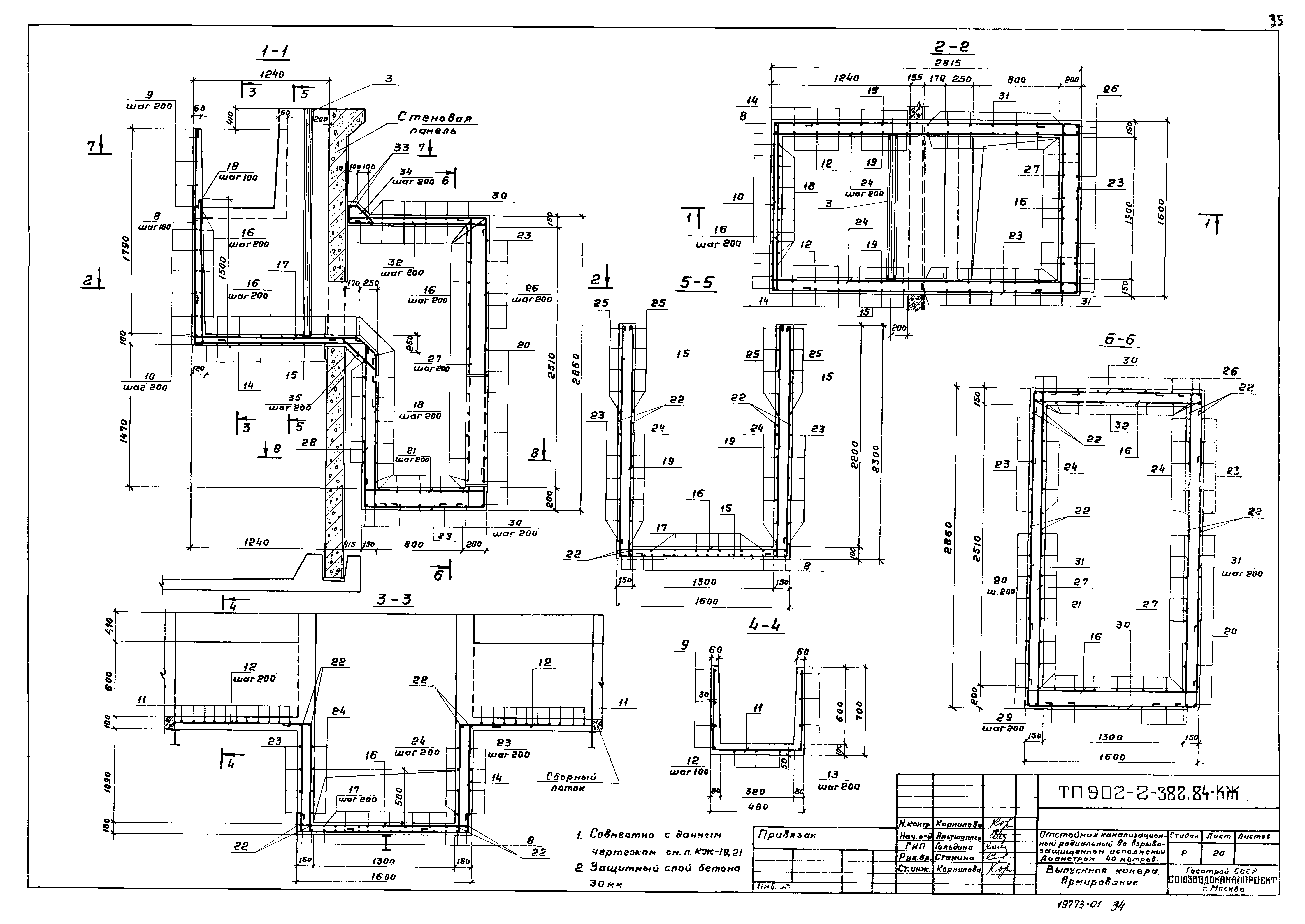
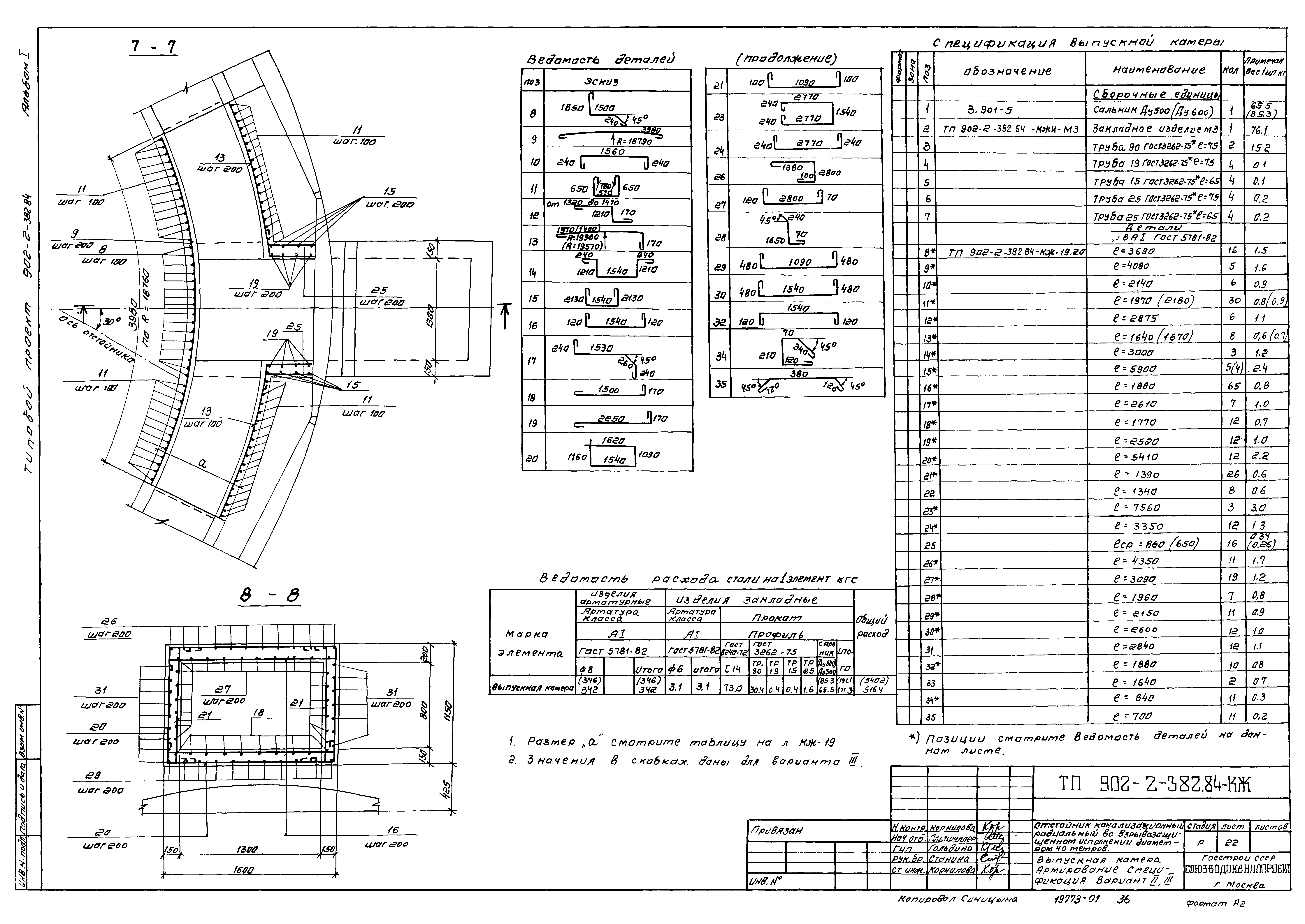
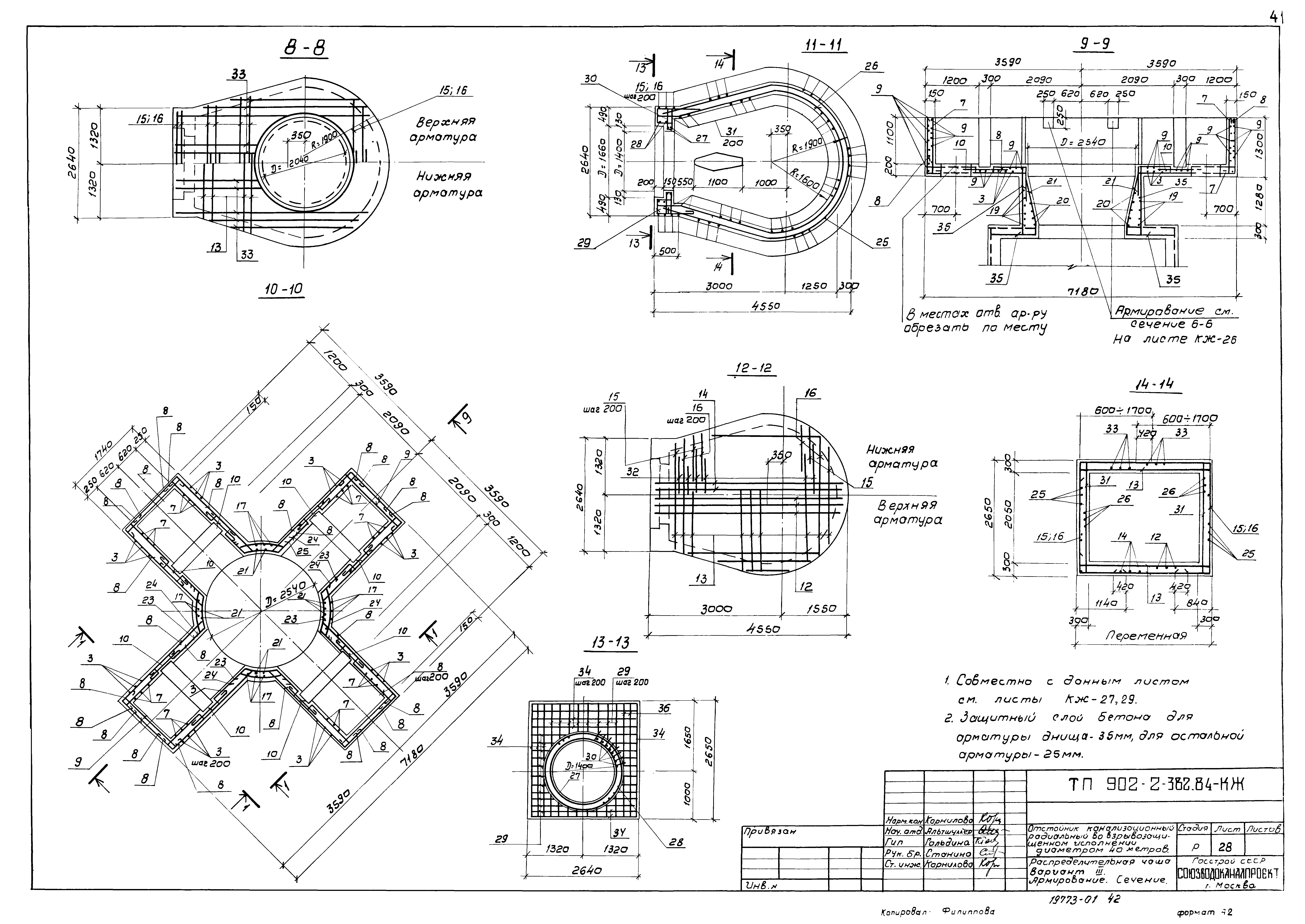
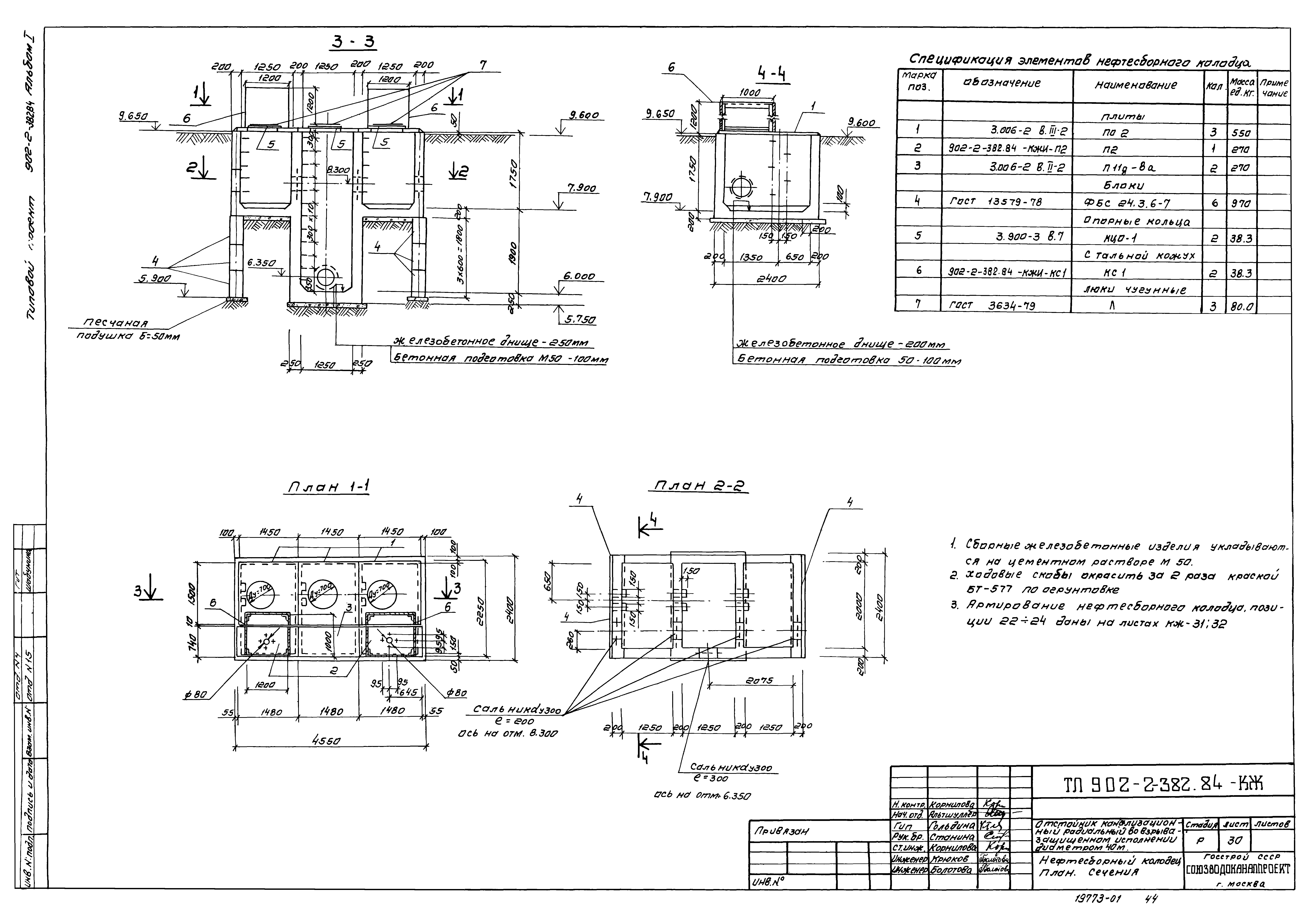
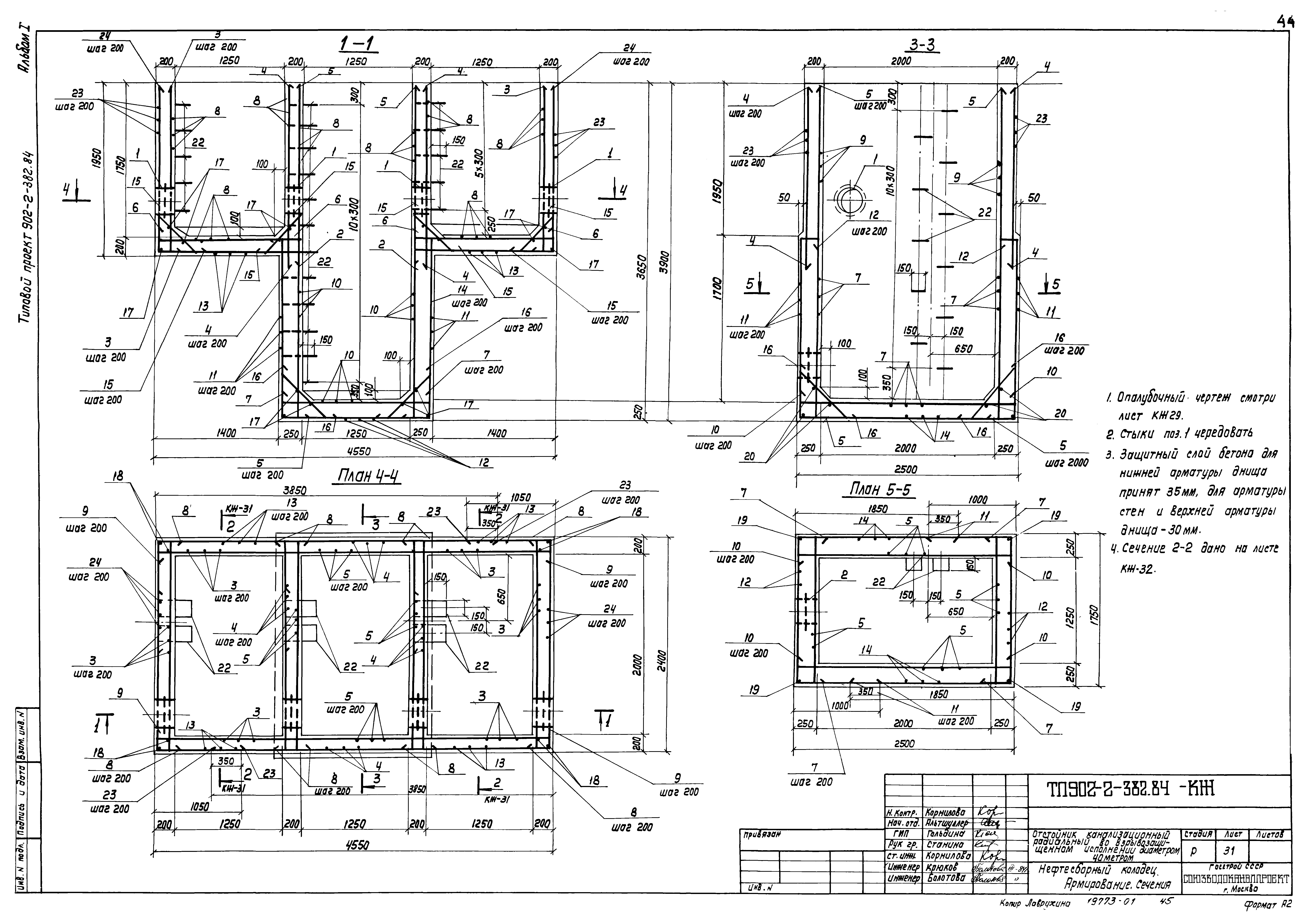
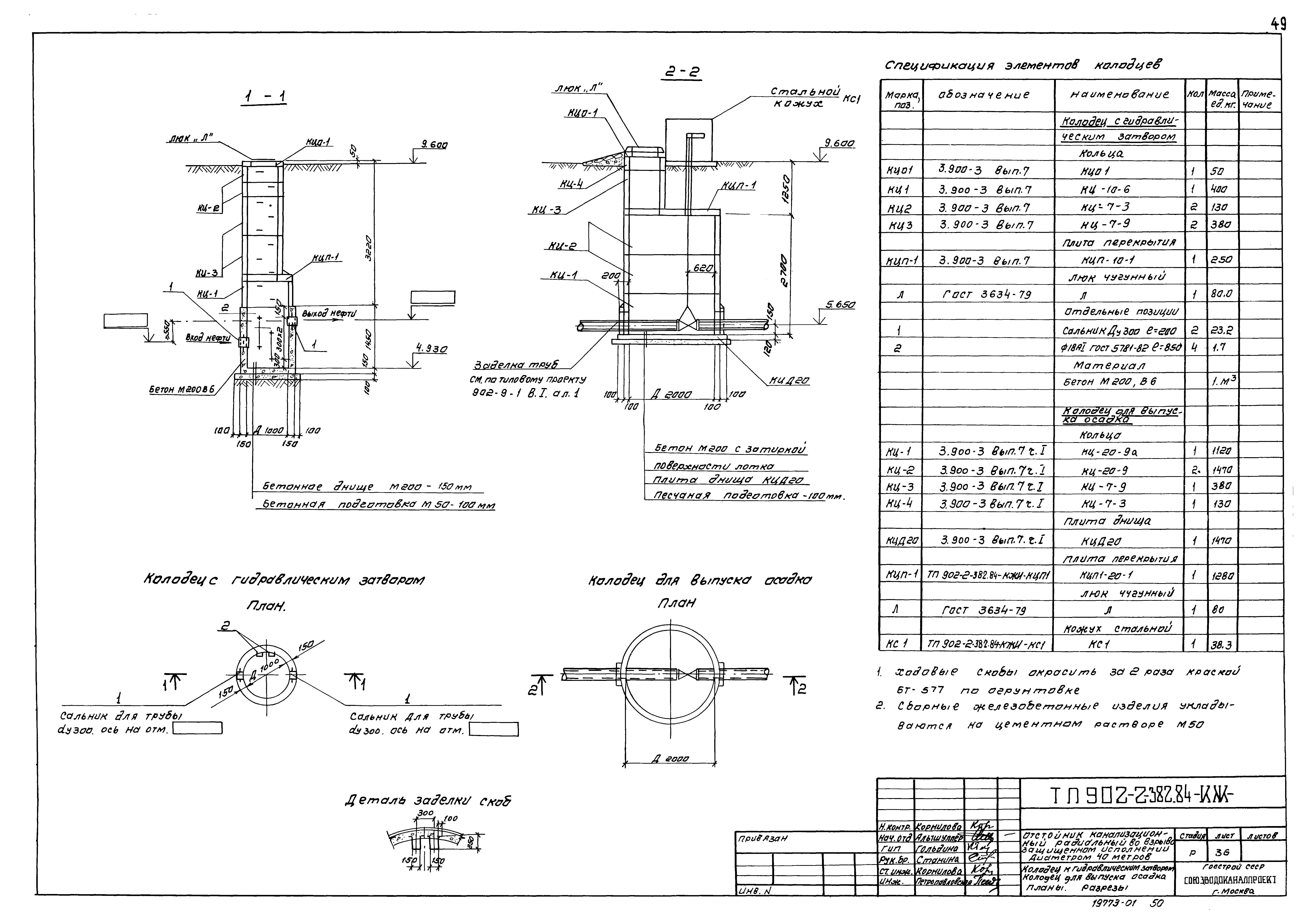
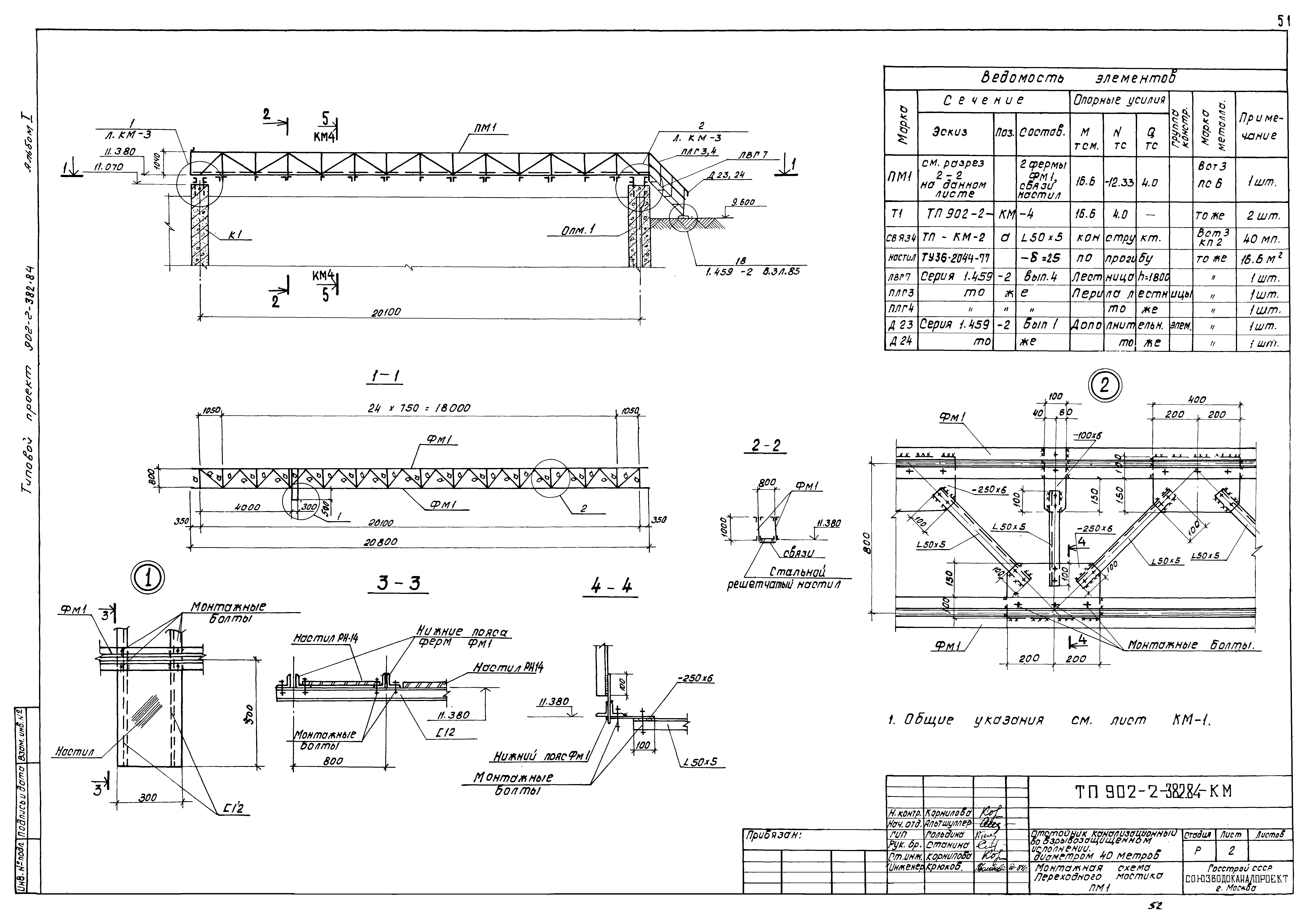
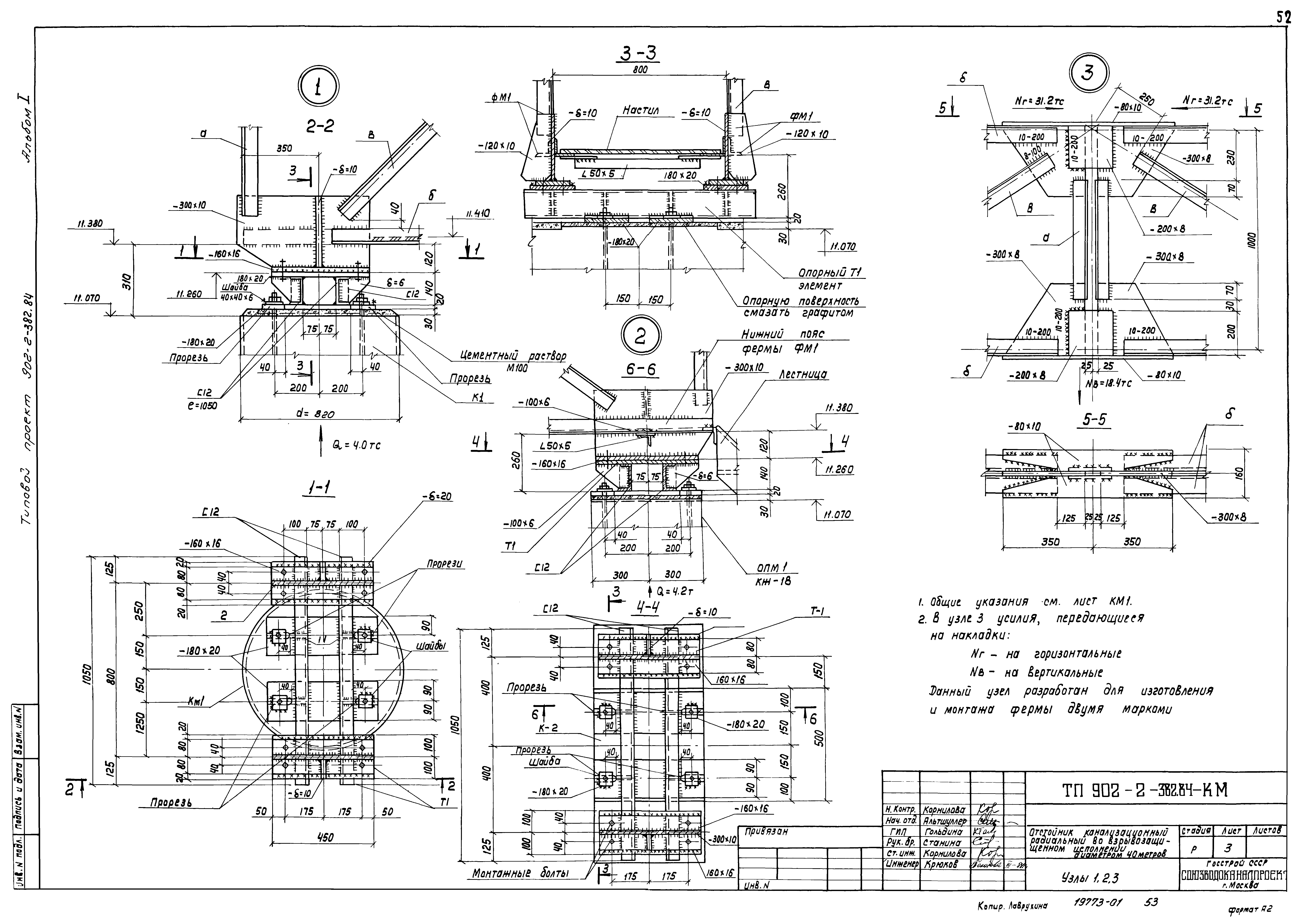
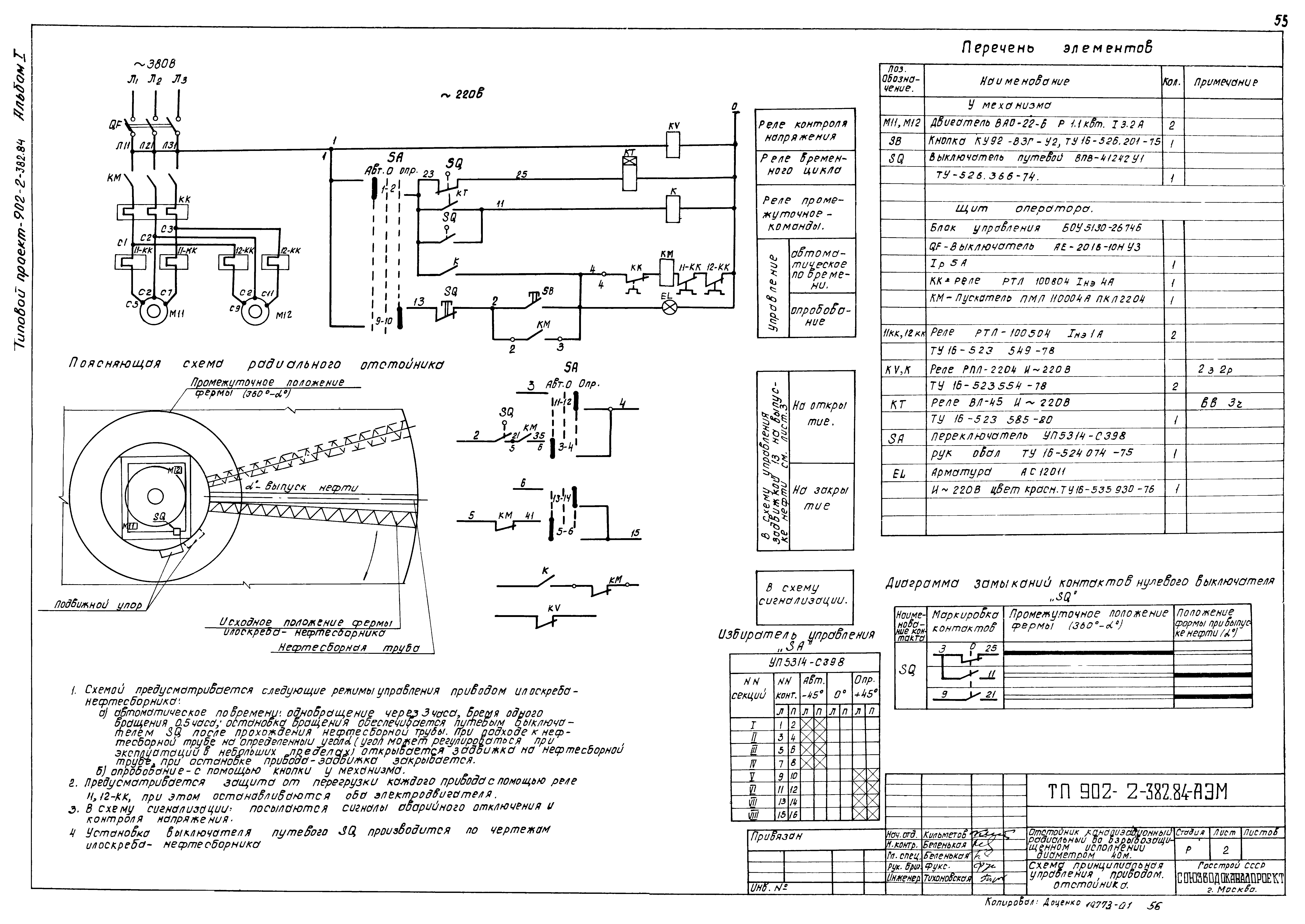
| Оглавление: | ТП 902-2-382.84 Титульный лист ТП 902-2-382.84 Содержание альбома ТП 902-2-382.84-НК Технологическая часть ТП 902-2-382.84-НК-1÷НК-6 Общие данные ТП 902-2-382.84-НК-7 Монтажный чертеж. Разрезы. Спецификация ТП 902-2-382.84-НК-8 Монтажный чертеж. План ТП 902-2-382.84-НК-9 Монтажный чертеж. Водораспределитель шайбовый ТП 902-2-382.84-НК-10 Колодцы для выпуска нефти и осадка. Разрезы. Спецификация ТП 902-2-382.84-НК-11 Распределительная чаша. Спецификация ТП 902-2-382.84-КЖ,КМ Строительная часть ТП 902-2-382.84-КЖ-1÷КЖ-4 Общие данные ТП 902-2-382.84-КЖ-5 Отстойник. Общий вид. План, сечения ТП 902-2-382.84-КЖ-6 Отстойник. Центральная часть. План. Сечения 4-4;5-5 ТП 902-2-382.84-КЖ-7 Отстойник. Центральная часть. Сечения 6-6÷9-9 ТП 902-2-382.84-КЖ-8 Отстойник. Узел 1 ТП 902-2-382.84-КЖ-9 Отстойник. Днище ДМ-1. Опалубочный чертеж ТП 902-2-382.84-КЖ-10 Отстойник. Днище ДМ-1. Армирование ТП 902-2-382.84-КЖ-11 Отстойник. Центральная часть. Армирование. Спецификация ТП 902-2-382.84-КЖ-12 Отстойник. Центральная часть. Армирование. Сечения 1-1÷4-4 ТП 902-2-382.84-КЖ-13 Отстойник. Центральная часть. Армирование. План. Сечения 5-5÷7-7 ТП 902-2-382.84-КЖ-14 Отстойник. Схема расположения панелей, подкосов и ригелей. Сечение. Узлы 1,2 ТП 902-2-382.84-КЖ-15 Отстойник. Узлы 3-8 ТП 902-2-382.84-КЖ-16 Отстойник. Схема расположения лотков. Узлы ТП 902-2-382.84-КЖ-17 Колонна КМ1. Опалубка и армирование ТП 902-2-382.84-КЖ-18 Опора ОПМ1. Опалубка и армирование ТП 902-2-382.84-КЖ-19 Выпускная камера. План, сечения ТП 902-2-382.84-КЖ-20 Выпускная камера. Армирование ТП 902-2-382.84-КЖ-21 Выпускная камера. Армирование. Спецификация. Вариант 1 ТП 902-2-382.84-КЖ-22 Выпускная камера. Армирование. Спецификация. Вариант 2,3 ТП 902-2-382.84-КЖ-23 Распределительная чаша. Вариант 1,2. Планы, сечения ТП 902-2-382.84-КЖ-24 Распределительная чаша. Вариант 1,2. Армирование. Спецификация, ведомость ТП 902-2-382.84-КЖ-25 Распределительная чаша. Вариант 1,2. Армирование. Сечения ТП 902-2-382.84-КЖ-26 Распределительная чаша. Вариант 3. Планы. Сечения ТП 902-2-382.84-КЖ-27,КЖ-28 Распределительная чаша. Вариант 3. Армирование. Сечения ТП 902-2-382.84-КЖ-29 Распределительная чаша. Вариант 3. Спецификация, ведомость ТП 902-2-382.84-КЖ-30 Нефтесборный колодец. План. Сечения ТП 902-2-382.84-КЖ-31 Нефтесборный колодец. Армирование. Сечения ТП 902-2-382.84-КЖ-32 Нефтесборный колодец. Армирование. Сечения 2-2. Спецификация и ведомости ТП 902-2-382.84-КЖ-33 Камеры ОП1 и ОП2. Планы, сечения ТП 902-2-382.84-КЖ-34 Камера ОП1. Армирование. Сечения ТП 902-2-382.84-КЖ-35 Камера ОП2. Армирование. Сечения ТП 902-2-382.84-КЖ-36 Колодец для выпуска осадка. Колодец с гидравлическим затвором ТП 902-2-382.84-КМ-1 Общие данные ТП 902-2-382.84-КМ-2 Монтажная схема переходного мостика ПМ1 ТП 902-2-382.84-КМ-3 Узлы 1,2,3 ТП 902-2-382.84-КМ-4 Металлическая ферма ФМ1. Узлы ТП 902-2-382.84-АЭМ Электрооборудование и автоматика ТП 902-2-382.84-АЭМ-1 Общие данные ТП 902-2-382.84-АЭМ-2 Схема принципиальная управления приводом отстойника ТП 902-2-382.84-АЭМ-3 Схема принципиальная управления задвижкой на выпуске нефти ТП 902-2-382.84-АЭМ-4 Схема принципиальная управления задвижкой на выпуске осадка ТП 902-2-382.84-АЭМ-5 Схема подключения электрооборудования ТП 902-2-382.84-АЭМ-6 Кабельный журнал ТП 902-2-382.84-АЭМ-7 Расположение электрооборудования и прокладка труб |
| Разработан: | Союзводоканалниипроект |
| Утверждён: | 13.02.1981 Главпромстройпроект Госстроя СССР (19/5-488) |




























































