Скачать Типовой проект 705-1-201.86 Альбом II. Строительные изделия (из ТП 705-1-199.86)Дата актуализации: 01.01.2021
|
| Обозначение: | Типовой проект 705-1-201.86 |
| Обозначение англ: | 705-1-201.86 |
| Статус: | не определен законодательством |
| Название рус.: | Альбом II. Строительные изделия (из ТП 705-1-199.86) |
| Дата добавления в базу: | 01.09.2013 |
| Дата актуализации: | 01.01.2021 |
| Дата введения: | 16.04.1986 |
| Дата окончания срока действия: | 30.06.2003 |
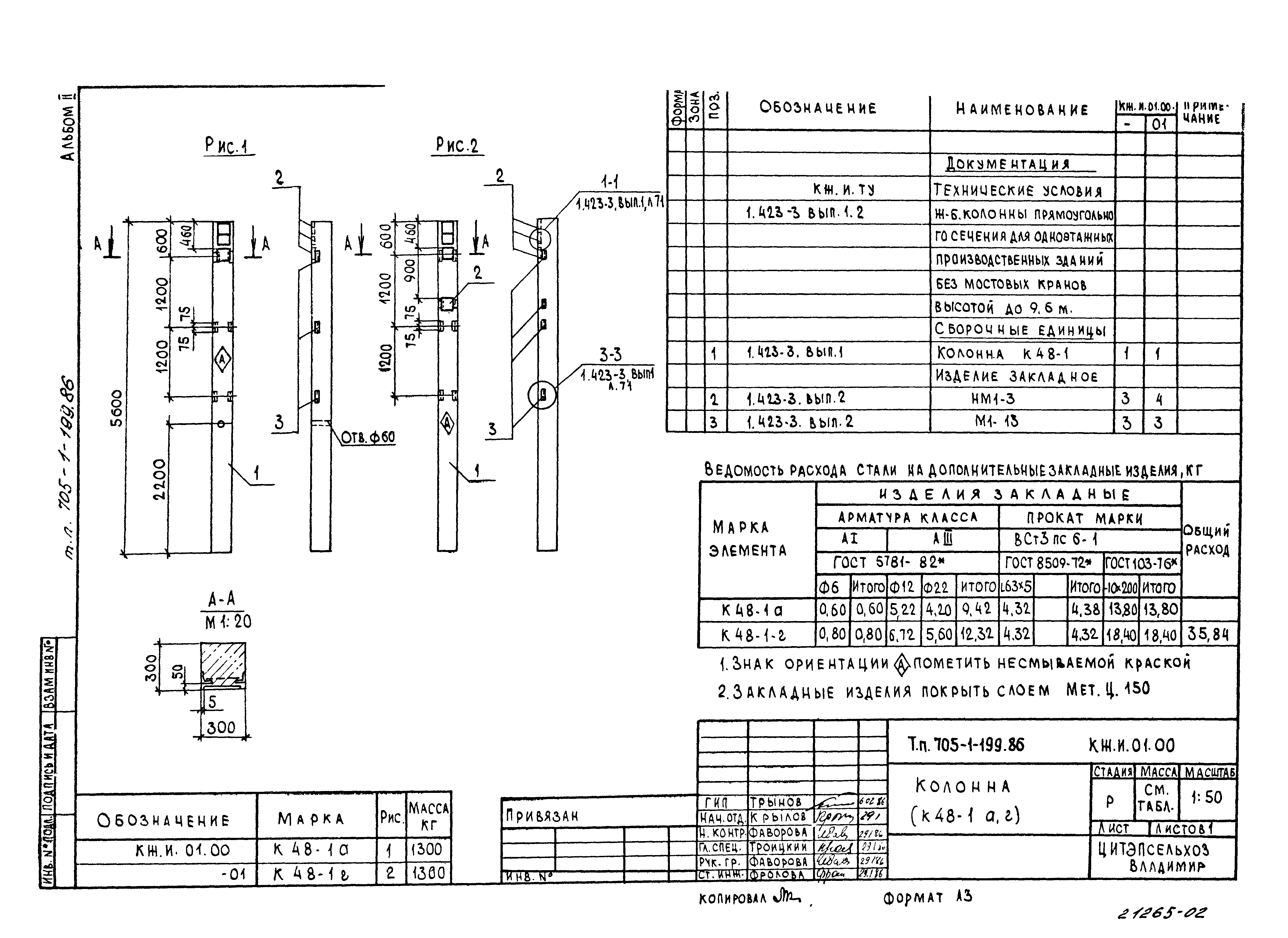
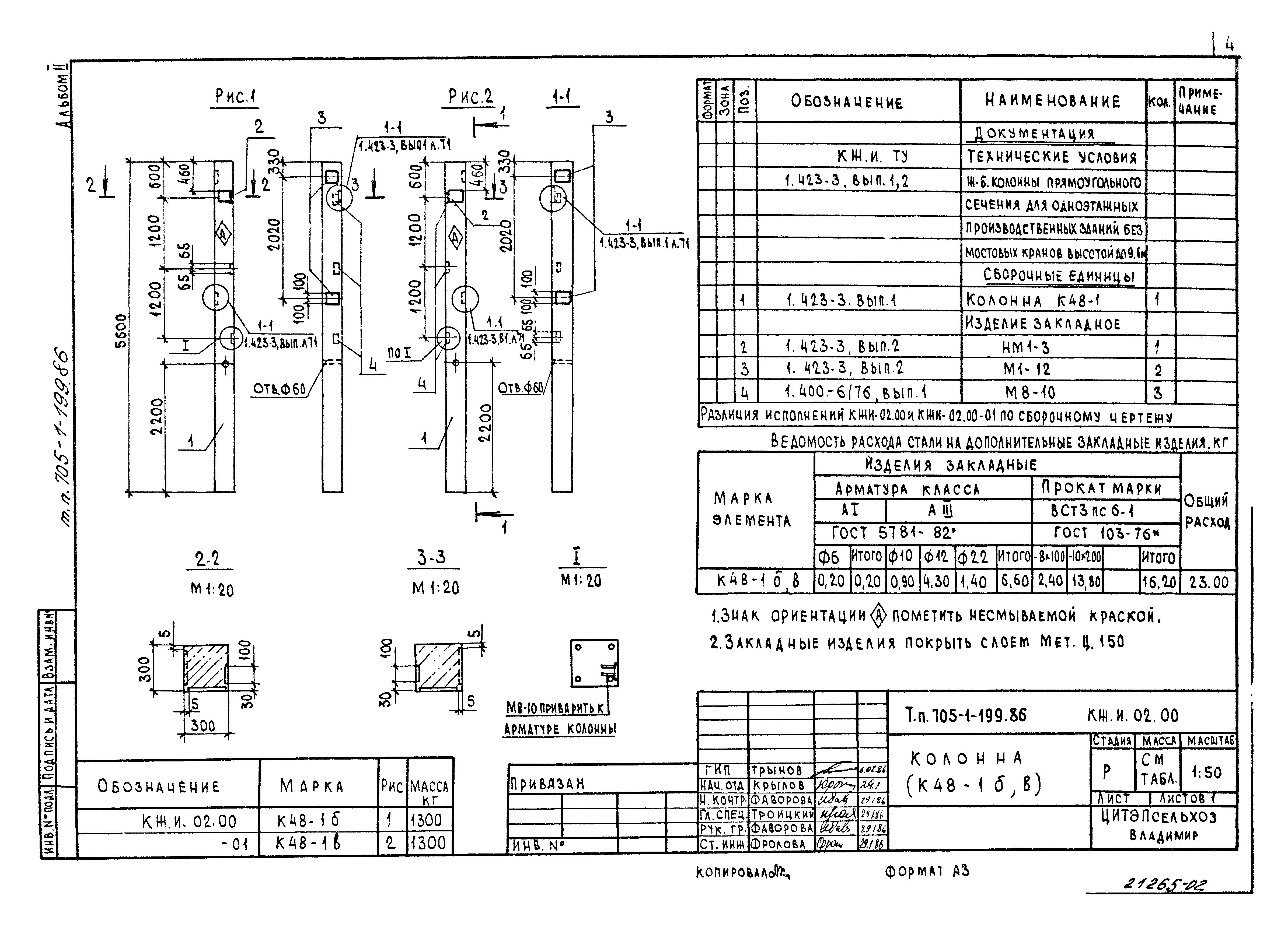
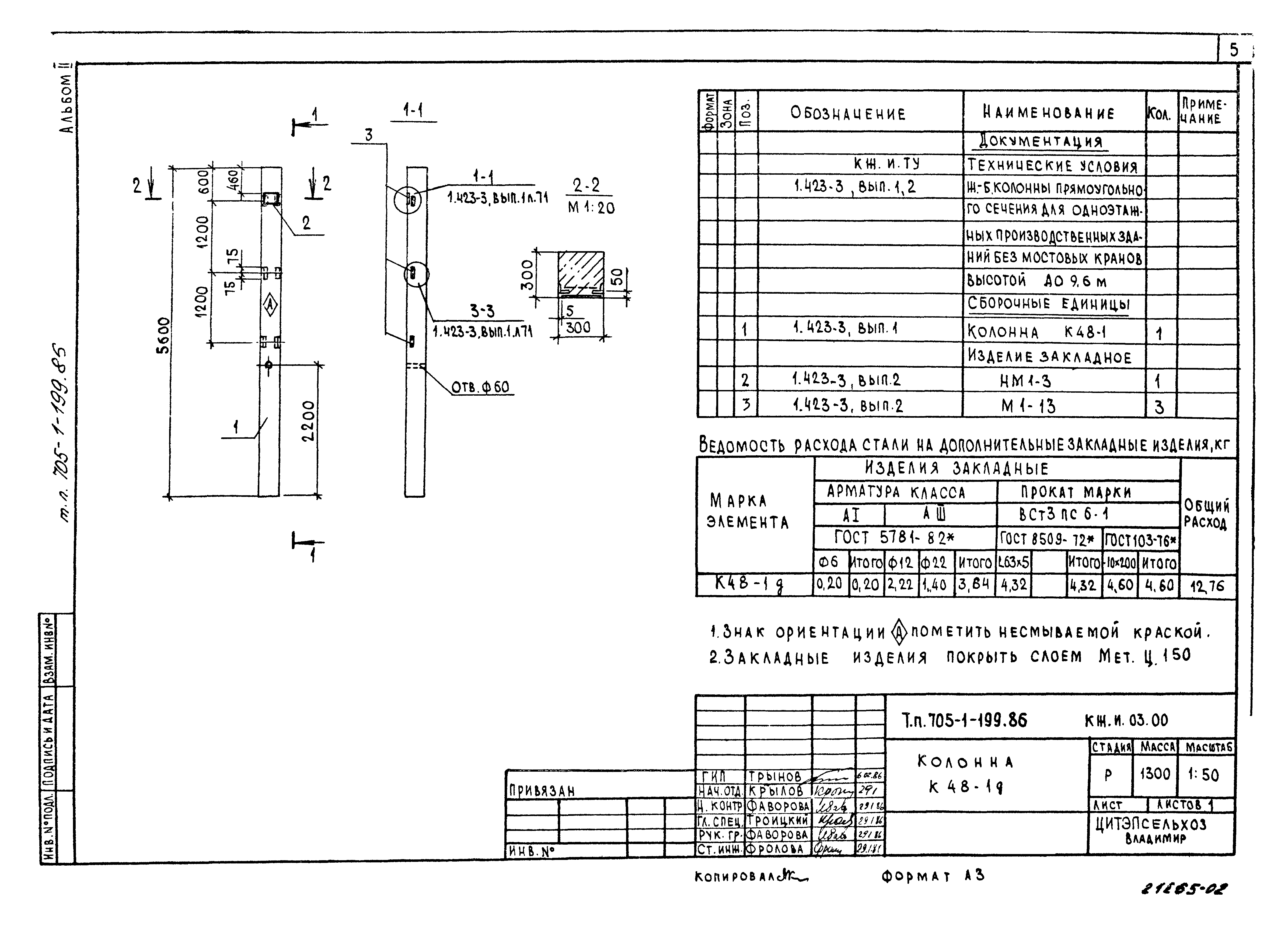
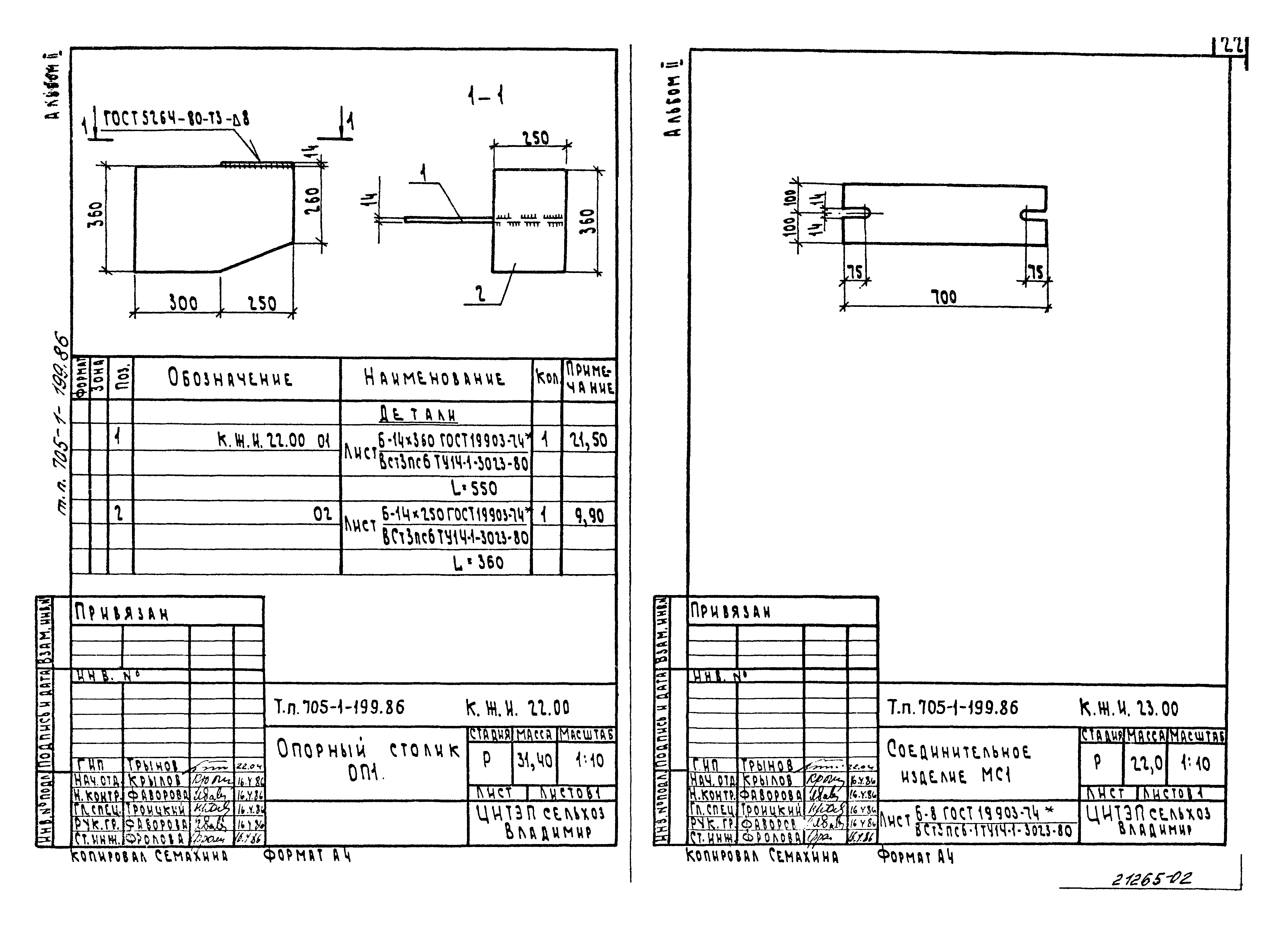
| Оглавление: | ТП 705-1-199.86 Содержание альбома ТП 705-1-199.86-КЖИ.ТУ Технические условия ТП 705-1-199.86-КЖИ.01.00 Колонна (К48-1а,г) ТП 705-1-199.86-КЖИ.02.00 Колонна (К48-1б,в) ТП 705-1-199.86-КЖИ.03.00 Колонна К48-1д ТП 705-1-199.86-КЖИ.04.00 Колонна К48-24а ТП 705-1-199.86-КЖИ.05.00 Колонна 1КФ52-1-1а ТП 705-1-199.86-КЖИ.06.00 Балка 3БСО12-2АIVа ТП 705-1-199.86-КЖИ.07.00 Балка (2БН6-1а,б) ТП 705-1-199.86-КЖИ.08.00 Балка (1БН4,5-1а,б) ТП 705-1-199.86-КЖИ.09.00 Плита (ПГ2АIVТа,б) ТП 705-1-199.86-КЖИ.10.00 Плита (ПГ2АIVТв,г) ТП 705-1-199.86-КЖИ.11.00 Панель ПС600.18-7АIV-Т-1а ТП 705-1-199.86-КЖИ.12.00 Панель ПС600.12-1АIV-Т-1а ТП 705-1-199.86-КЖИ.13.00 Панель ПС600.12-1АIV-Т-11а ТП 705-1-199.86-КЖИ.14.00 Панель ПС600.12-1АIV-Т-12а ТП 705-1-199.86-КЖИ.15.00 Панель ПС600.18-1АIV-Т-11а ТП 705-1-199.86-КЖИ.16.00 Панель ПС600.18-7АIV-Т-12а ТП 705-1-199.86-КЖИ.17.00 Плита лицевая (ПЛ1-1а,б) ТП 705-1-199.86-КЖИ.18.00 Насадка (НУ1,НУ2) ТП 705-1-199.86-КЖИ.19.00 Элемент крепления Т13 ТП 705-1-199.86-КЖИ.20.00 Насадка НФ2 ТП 705-1-199.86-КЖИ.21.00 Насадка НФ3 ТП 705-1-199.86-КЖИ.22.00 Опорный столик ОП1 ТП 705-1-199.86-КЖИ.23.00 Соединительное изделие МС1 ТП 705-1-199.86-КЖИ.24.00 Колонна (К48-1е,ж) ТП 705-1-199.86-КЖИ.25.00 Колонна К48-24б |
| Разработан: | ЦИТЭПсельхозпром |
| Утверждён: | 12.12.1985 Минсельхоз СССР (USSR Minselkhoz 110-ЭГ) |

























