Скачать Типовой проект 705-1-206.86 Альбом I. Общая пояснительная записка. Технологические чертежи. Чертежи по автоматизации производства. Электротехнические чертежи. Чертежи по связи и сигнализацииДата актуализации: 01.01.2021
|
| Обозначение: | Типовой проект 705-1-206.86 |
| Обозначение англ: | 705-1-206.86 |
| Статус: | действует |
| Название рус.: | Альбом I. Общая пояснительная записка. Технологические чертежи. Чертежи по автоматизации производства. Электротехнические чертежи. Чертежи по связи и сигнализации |
| Дата добавления в базу: | 01.09.2013 |
| Дата актуализации: | 01.01.2021 |
| Дата введения: | 14.08.1985 |
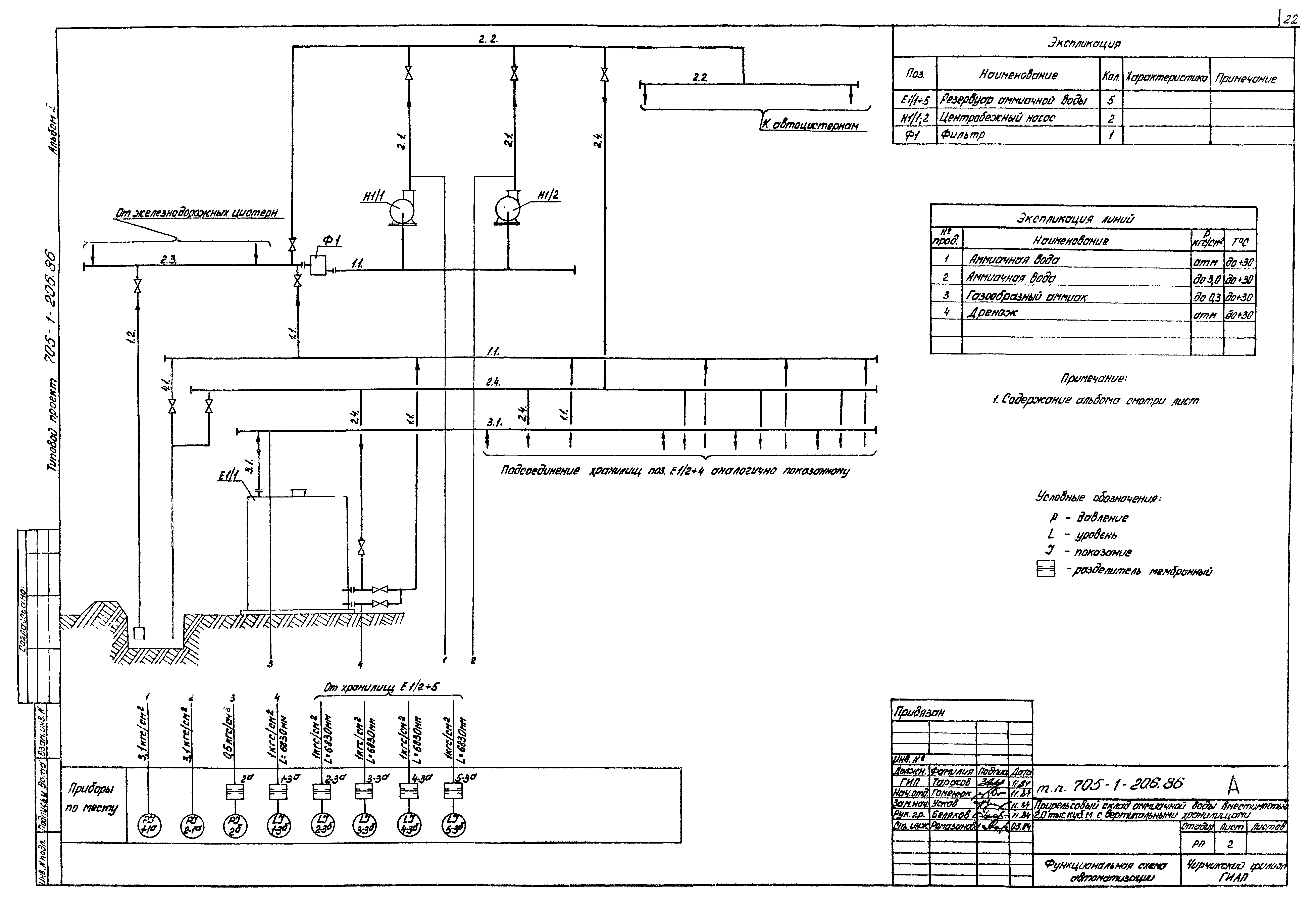
| Оглавление: | ТП 705-1-206.86-ТХ-1,2 Общие данные ТП 705-1-206.86-ТХ-3 Схема генерального плана ТП 705-1-206.86-ТХ-4-6 Пояснительная записка ТП 705-1-206.86-ТХ-7 Монтажно-технологическая схема с точками КИПиА ТП 705-1-206.86-ТХ-8 Компоновка технологического оборудования. План ТП 705-1-206.86-ТХ-9 Компоновка технологического оборудования. Разрез А-А ТП 705-1-206.86-ТХ-10 Резервуарный парк. План. Разрезы А-А,Б-Б. Монтажный чертеж трубопроводов ТП 705-1-206.86-ТХ-11 Узел 1. План. Разрезы А-А,Б-Б. Монтажный чертеж трубопроводов ТП 705-1-206.86-ТХ-12 Резервуарный парк. Узел 2. План. Разрезы А-А,Б-Б. Монтажный чертеж трубопроводов ТП 705-1-206.86-ТХ-13 Насосная. Разрезы А-А,Б-Б. План. Монтажный чертеж трубопроводов ТП 705-1-206.86-ТХ-14 Эстакада слива. План. Монтажный чертеж трубопроводов ТП 705-1-206.86-ТХ-15 Эстакада слива. Разрез А-А,Б-Б. Монтажный чертеж трубопроводов ТП 705-1-206.86-ТХ-16 Эстакада налива. План. Монтажный чертеж трубопроводов ТП 705-1-206.86-ТХ-17 Эстакада налива. Разрез А-А. Монтажный чертеж трубопроводов ТП 705-1-206.86-ТХ-18,19 Монтажная спецификация ТП 705-1-206.86-А-1 Технологические чертежи ТП 705-1-206.86-А-2 Функциональная схема автоматизации ТП 705-1-206.86-А-3 Схема внешних соединений ТП 705-1-206.86-Э-1 Общие данные. Начало ТП 705-1-206.86-Э-2 Общие данные. Окончание ТП 705-1-206.86-Э-3 Силовое электрооборудование. Схема сети 380/220 В. ШР1 ТП 705-1-206.86-Э-4 Силовое электрооборудование. Схема управления насосом. Схема подключений ТП 705-1-206.86-Э-5 Силовое электрооборудование. Расположение электрооборудования и прокладка кабелей. План ТП 705-1-206.86-Э-6 Задание заводу-изготовителю. Шкаф учета. Технические данные аппаратов ТП 705-1-206.86-Э-7 Задание заводу-изготовителю. Шкаф учета. Общий вид ТП 705-1-206.86-Э-8 Задание заводу-изготовителю. Шкаф учета. Схема электрическая соединений ТП 705-1-206.86-Э-9 Электроосвещение. Молниезащита. План ТП 705-1-206.86-Э-10 Ведомость объемов электромонтажных и строительных работ. Ведомость изделий МЭЗ ТП 705-1-206.86-СС-1 Связь и сигнализация. Общие данные ТП 705-1-206.86-СС-2 Связь и сигнализация. План и схемы скелетные кабельных сетей ТП 705-1-206.86-СС-3 Ведомость объемов работ на системы связи и сигнализации |
| Разработан: | ЦНИИпроектстальконструкция Гипронефтеспецмонтаж Минмонтажспецстроя СССР (Giproneftespetsmontazh, Minmontazhspetsstroy (USSR) ) Чирчикский филиал ГИАП |
| Утверждён: | 07.02.1984 Минсельхоз СССР (USSR Minselkhoz 6-ЭГ) |



































