Скачать Типовой проект 902-2-343 Альбом III. ИзделияДата актуализации: 01.01.2021
|
| Обозначение: | Типовой проект 902-2-343 |
| Обозначение англ: | 902-2-343 |
| Статус: | не определен законодательством |
| Название рус.: | Альбом III. Изделия |
| Дата добавления в базу: | 01.09.2013 |
| Дата актуализации: | 01.01.2021 |
| Дата введения: | 01.03.1981 |
| Дата окончания срока действия: | 30.06.2003 |
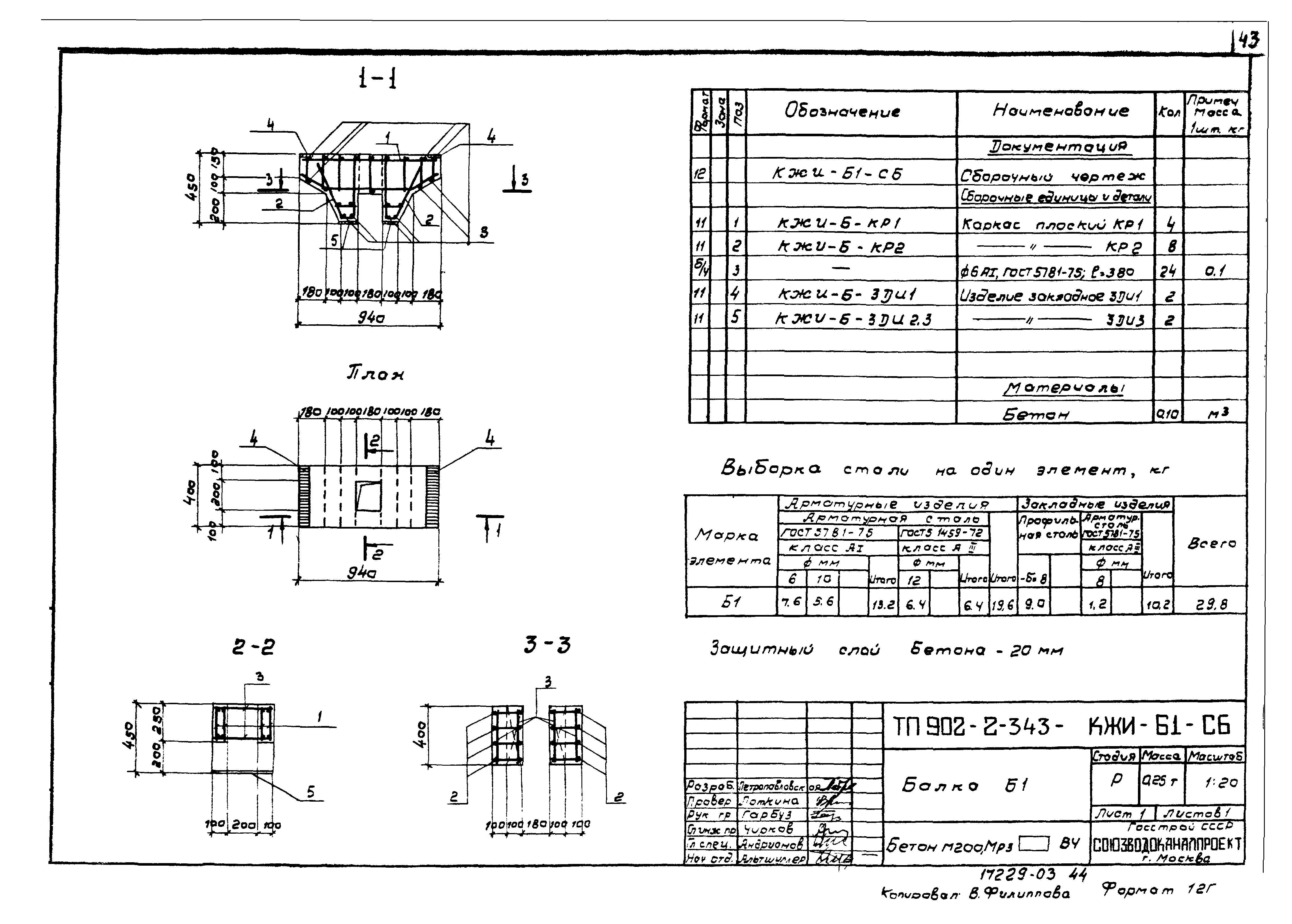
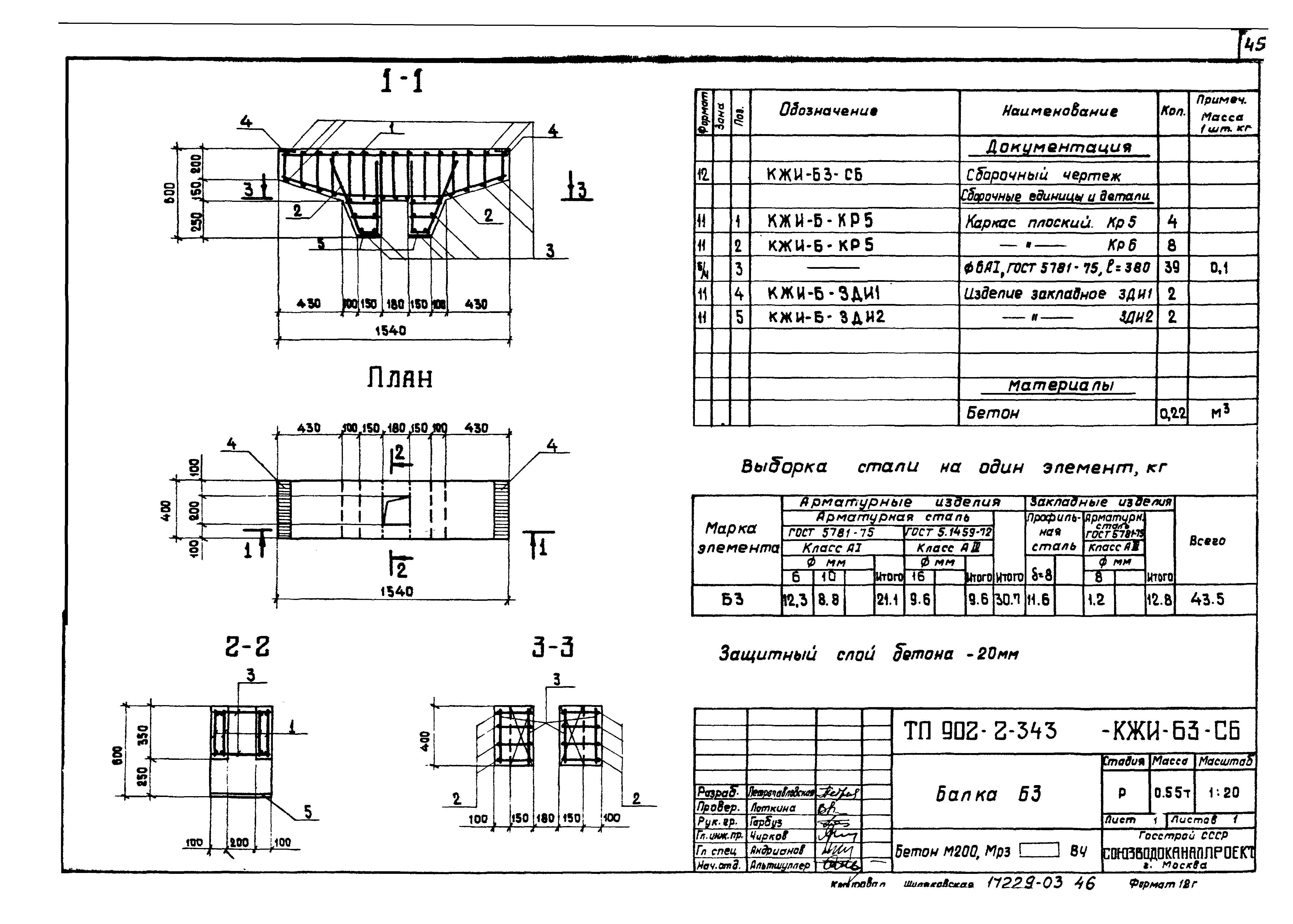
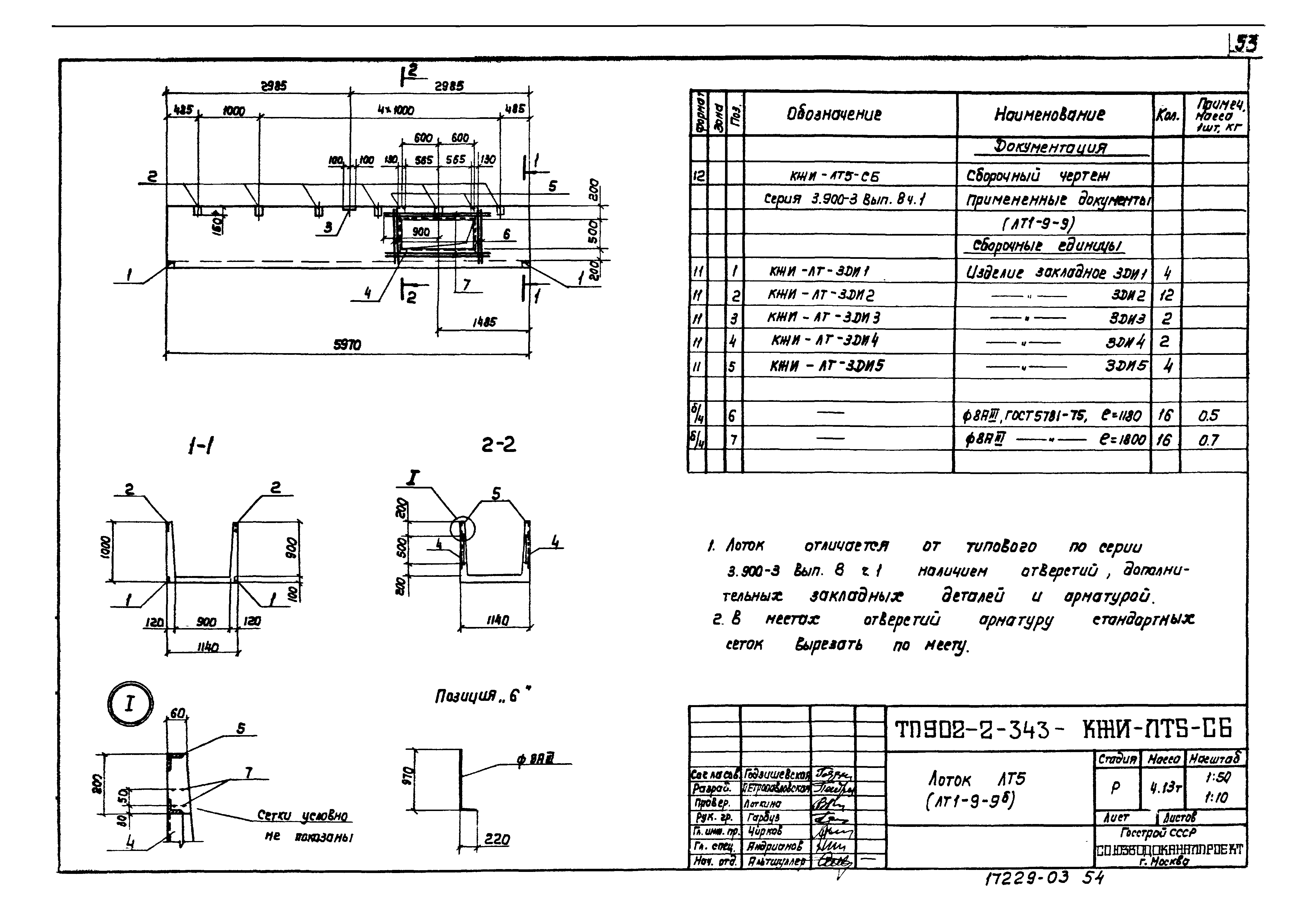
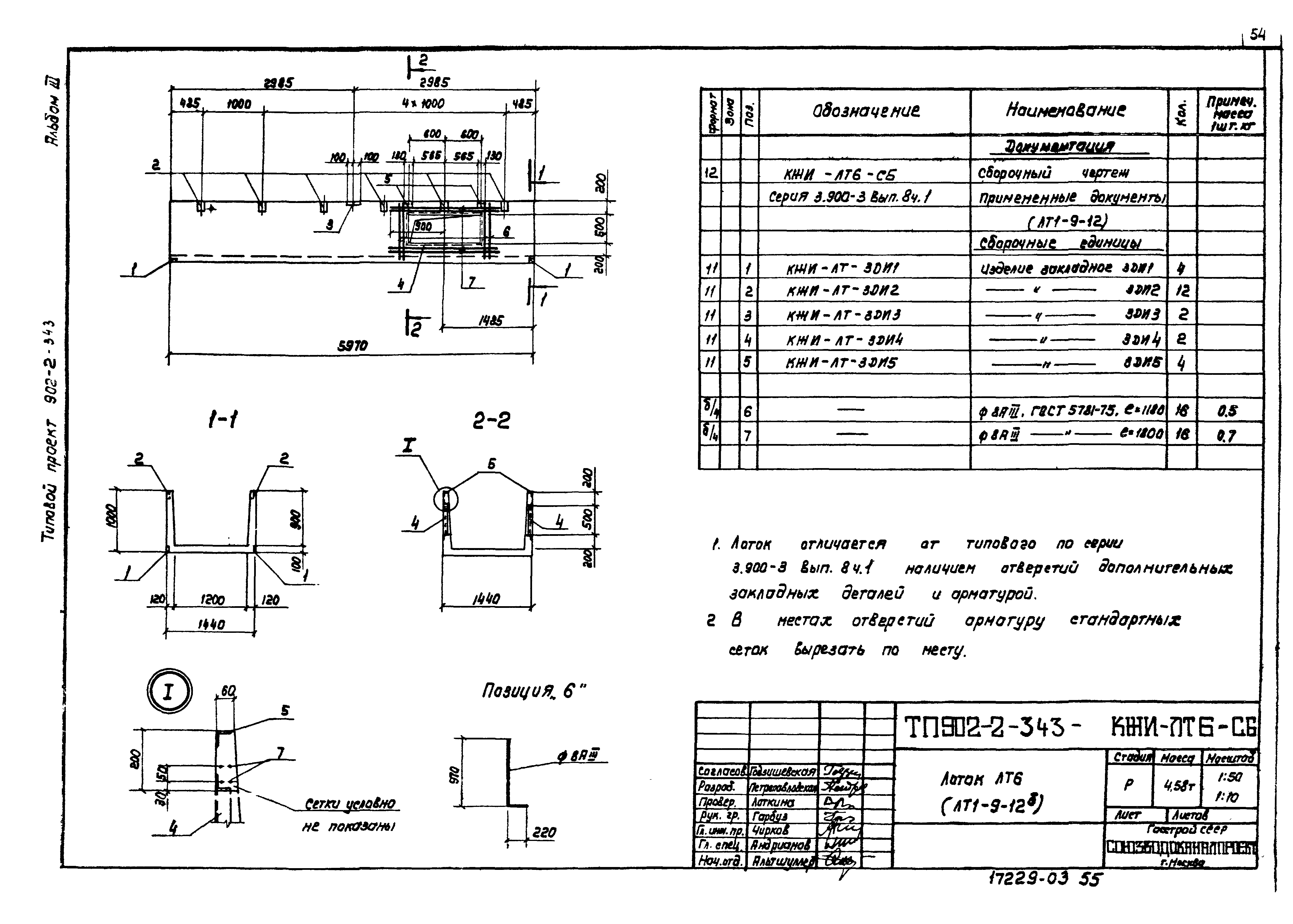
| Оглавление: | ТП 902-2-343-КЖИ Содержание альбома (начало) ТП 902-2-343-КЖИ Содержание альбома (продолжение) ТП 902-2-343-КЖИ Содержание альбома (окончание) ТП 902-2-343-КЖИ Днище ТП 902-2-343-КЖИ-С1,7 Сетка арматурная С1,С7 ТП 902-2-343-КЖИ-С2,8 Сетка арматурная С2,С8 ТП 902-2-343-КЖИ-С3,4 Сетка арматурная С3,С4 ТП 902-2-343-КЖИ-С5,6 Сетка арматурная С5,С6 ТП 902-2-343-КЖИ-С9,10 Сетка арматурная С9,С10 ТП 902-2-343-КЖИ-С11 Сетка арматурная С11 ТП 902-2-343-КЖИ-С12,24 Сетка арматурная С12,С24 ТП 902-2-343-КЖИ-С13,20 Сетка арматурная С13,С20 ТП 902-2-343-КЖИ-С14,15 Сетка арматурная С14,С15 ТП 902-2-343-КЖИ-С16,17 Сетка арматурная С16,С17 ТП 902-2-343-КЖИ-С18,19 Сетка арматурная С18,С19 ТП 902-2-343-КЖИ-С21 Сетка арматурная С21 ТП 902-2-343-КЖИ-С22 Сетка арматурная С22 ТП 902-2-343-КЖИ-С23 Сетка арматурная С23 ТП 902-2-343-КЖИ-С25,26 Сетка арматурная С25,С26 ТП 902-2-343-КЖИ-С27 Сетка арматурная С27 ТП 902-2-343-КЖИ-С28,29 Сетка арматурная С28,С29 ТП 902-2-343-КЖИ-КР1 Каркас плоский КР1 ТП 902-2-343-КЖИ-КП1,2 Каркасы пространственные КП1,КП2 ТП 902-2-343-КЖИ-КП3,4,5 Каркасы пространственные КП3,КП4,КП5 ТП 902-2-343-КЖИ-КП6,7 Каркасы пространственные КП6,КП7 ТП 902-2-343-КЖИ-КП8,9 Каркасы пространственные КП8,КП9 ТП 902-2-343-КЖИ-КП10,11 Каркасы пространственные КП10,КП11 ТП 902-2-343-КЖИ-КП12 Каркасы пространственные КП12 ТП 902-2-343-КЖИ-КП13,14 Каркасы пространственные КП13,КП14 ТП 902-2-343-КЖИ-МН1,2,3,7,8 Набетонка днища. Изделия МН1,2,3,7,8 ТП 902-2-343-КЖИ-МН4,5,6 Набетонка днища. Изделия МН4,5,6 ТП 902-2-343-КЖИ Панели стеновые и перегородочные ТП 902-2-343-КЖИ-ПС3-СБ ПС3(ПС2-54-К2а) ТП 902-2-343-КЖИ-ПС4-СБ ПС4(ПС2-54-К12а) ТП 902-2-343-КЖИ-ПС5-СБ ПС5(ПС2-54-К2б) ТП 902-2-343-КЖИ-ПС6-СБ ПС6(ПС2-54-К12б) ТП 902-2-343-КЖИ-ПС7-СБ ПС7(ПС2-54-К2в) ТП 902-2-343-КЖИ-ПС8-СБ ПС8(ПС2-54-К2г) ТП 902-2-343-КЖИ-ПС9-СБ ПС9(ПС2-54-К2д) ТП 902-2-343-КЖИ-ПС10-СБ ПС10(ПС2-54-К12в) ТП 902-2-343-КЖИ-ПС11-СБ ПС11(ПС2-54-К12г) ТП 902-2-343-КЖИ-ПГ2-СБ ПГ2(ПГ-45-2а) ТП 902-2-343-КЖИ-ПГ3-СБ ПГ3(ПГ-45-2б) ТП 902-2-343-КЖИ-ПГ4-СБ ПГ4(ПГ-45-2в) ТП 902-2-343-КЖИ-ПГ5-СБ ПГ5(ПГ-45-2г) ТП 902-2-343-КЖИ-ПГ6-СБ ПГ6(ПГ-45-2д) ТП 902-2-343-КЖИ-ПГ7-СБ ПГ7(ПГ-45-2е) ТП 902-2-343-КЖИ-ПГ8-СБ ПГ8(ПГ-54-2а) ТП 902-2-343-КЖИ-ПС12,13,14-СБ ПС12,13,14(ПС2-54-К2е,2и,2к) ТП 902-2-343-КЖИ-ПС-С1 Сетка С1 ТП 902-2-343-КЖИ-ПС-С2 Сетка С2 ТП 902-2-343-КЖИ-ПС-С3 Сетка С3 ТП 902-2-343-КЖИ-ПС-С4 Сетка С4 ТП 902-2-343-КЖИ-ПС-С5 Сетка С5 ТП 902-2-343-КЖИ-ПС-ЗДИ7,8 Изделие закладное ЗДИ7,ЗДИ8 ТП 902-2-343-КЖИ-ПС-ЗДИ1 Изделие закладное ЗДИ1 ТП 902-2-343-КЖИ-ПС-ЗДИ2 Изделие закладное ЗДИ2 ТП 902-2-343-КЖИ-ПС-ЗДИ3 Изделие закладное ЗДИ3 ТП 902-2-343-КЖИ-ПС-ЗДИ3-КРИ1 Каркас плоский КРИ1 ТП 902-2-343-КЖИ-ПС-ЗДИ4,5 Изделия закладные ЗДИ4,ЗДИ5 ТП 902-2-343-КЖИ-ПС-ЗДИ4,5-КРИ2,3 Каркасы плоские КРИ2,КРИ3 ТП 902-2-343-КЖИ-ПС-ЗДИ6 Изделие закладное ЗДИ6 ТП 902-2-343-КЖИ-ПС-ЗДИ6-КРИ4 Каркас плоский КРИ4 ТП 902-2-343-КЖИ Монолитные участки стен ТП 902-2-343-КЖИ-С30 Сетка арматурная С30 ТП 902-2-343-КЖИ-ЗДИ1 Изделие закладное ЗДИ1 ТП 902-2-343-КЖИ-ЗДИ2 Изделие закладное ЗДИ2 ТП 902-2-343-КЖИ-ЗДИ3 Изделие закладное ЗДИ3 ТП 902-2-343-КЖИ Балки ТП 902-2-343-КЖИ-Б1-СБ Балка Б1 ТП 902-2-343-КЖИ-Б2-СБ Балка Б2 ТП 902-2-343-КЖИ-Б3-СБ Балка Б3 ТП 902-2-343-КЖИ-Б-КР1 Каркас плоский КР1 ТП 902-2-343-КЖИ-Б-КР2 Каркас плоский КР2 ТП 902-2-343-КЖИ-Б-КР3 Каркас плоский КР3 ТП 902-2-343-КЖИ-Б-КР4 Каркас плоский КР4 ТП 902-2-343-КЖИ-Б-КР5 Каркас плоский КР5 ТП 902-2-343-КЖИ-Б-КР6 Каркас плоский КР6 ТП 902-2-343-КЖИ-Б-ЗДИ1 Изделие закладное ЗДИ1 ТП 902-2-343-КЖИ-Б-ЗДИ2,3 Изделия закладные ЗДИ2,ЗДИ3 ТП 902-2-343-КЖИ Лотки ТП 902-2-343-КЖИ-ЛТ1-СБ Лоток ЛТ1(ЛТ1-9-6а) ТП 902-2-343-КЖИ-ЛТ2-СБ Лоток ЛТ2(ЛТ1-9-9а) ТП 902-2-343-КЖИ-ЛТ3-СБ Лоток ЛТ3(ЛТ1-9-12а) ТП 902-2-343-КЖИ-ЛТ10-СБ Лоток ЛТ10(ЛТ1-9-6г) ТП 902-2-343-КЖИ-ЛТ4-СБ Лоток ЛТ4(ЛТ1-9-6б) ТП 902-2-343-КЖИ-ЛТ5-СБ Лоток ЛТ5(ЛТ1-9-9б) ТП 902-2-343-КЖИ-ЛТ6-СБ Лоток ЛТ6(ЛТ1-9-12б) ТП 902-2-343-КЖИ-ЛТ7-СБ Лоток ЛТ7(ЛТ1-9-6в) ТП 902-2-343-КЖИ-ЛТ8-СБ Лоток ЛТ8(ЛТ1-9-9в) ТП 902-2-343-КЖИ-ЛТ9-СБ Лоток ЛТ9(ЛТ1-9-12в) ТП 902-2-343-КЖИ-ЛТ11-СБ Лоток ЛТ11(ЛТ1-9-9г) ТП 902-2-343-КЖИ-ЛТ12-СБ Лоток ЛТ12(ЛТ1-9-12г) ТП 902-2-343-КЖИ-ЛТ-ЗДИ1 Изделие закладное ЗДИ1 ТП 902-2-343-КЖИ-ЛТ-ЗДИ2 Изделие закладное ЗДИ2 ТП 902-2-343-КЖИ-ЛТ-ЗДИ3 Изделие закладное ЗДИ3 ТП 902-2-343-КЖИ-ЛТ-ЗДИ4 Изделие закладное ЗДИ4 ТП 902-2-343-КЖИ-ЛТ-ЗДИ5 Изделие закладное ЗДИ5 ТП 902-2-343-КЖИ-ЛТ-ЗДИ6 Изделие закладное ЗДИ6 ТП 902-2-343-КЖИ-ЛТ-ЗДИ7 Изделие закладное ЗДИ7 ТП 902-2-343-КЖИ-ЛТ-ЗДИ8 Изделие закладное ЗДИ8 ТП 902-2-343-КЖИ Монолитные участки лотков ТП 902-2-343-КЖИ-УМ-26-С1 Сетка арматурная С1 ТП 902-2-343-КЖИ-УМ-27-С2 Сетка арматурная С2 ТП 902-2-343-КЖИ-УМ-28-С3 Сетка арматурная С3 ТП 902-2-343-КЖИ-УМ-26-28-ЗДИ1 Изделие закладное ЗДИ1 ТП 902-2-343-КЖИ Плиты ТП 902-2-343-КЖИ-П1-СБ Плита П1 ТП 902-2-343-КЖИ-П1а-СБ Плита П1а ТП 902-2-343-КЖИ-П8-СБ Плита П8(ПТ-15-8а) ТП 902-2-343-КЖИ-П6,7-СБ Плита П6(ПТ-9-6а), П7(ПТ-12-6а) ТП 902-2-343-КЖИ-П5-СБ Плита П5(ПТ-6-6а) ТП 902-2-343-КЖИ-П-ЗДИ-3 Изделие закладное ЗДИ-3 ТП 902-2-343-КЖИ-П-С1 Сетка арматурная С1 ТП 902-2-343-КЖИ-П-ЗДИ1,2 Изделия закладные ЗДИ1,ЗДИ2 ТП 902-2-343-КЖИ Фильтросные каналы ТП 902-2-343-КЖИ-ФЛ1-СБ Лоток ФЛ1 ТП 902-2-343-КЖИ-ФЛ2-СБ Лоток ФЛ2 ТП 902-2-343-КЖИ-ФЛ1-С2 Сетка арматурная С1 ТП 902-2-343-КЖИ-ФЛ2-С1 Сетка арматурная С1 ТП 902-2-343-КЖИ Площадки ТП 902-2-343-КЖИ-ПМ1 Площадка ПМ1 ТП 902-2-343-КЖИ-ПМ2 Площадка ПМ2 ТП 902-2-343-КЖИ-ПМ3 Площадка ПМ3 ТП 902-2-343-КЖИ-ПМ4 Площадка ПМ4 ТП 902-2-343-КЖИ-ПМ5,6,7 Площадки ПМ5,ПМ6,ПМ7 ТП 902-2-343-КЖИ-ПМ8 Площадка ПМ8 ТП 902-2-343-КЖИ-ПМ9 Площадка ПМ9 ТП 902-2-343-КЖИ Камеры распределения ила ТП 902-2-343-КЖИ-К-С1 Сетка арматурная С1 ТП 902-2-343-КЖИ-К-С2 Сетка арматурная С2 ТП 902-2-343-КЖИ-К-С3 Сетка арматурная С3 ТП 902-2-343-КЖИ-К-С4,5 Сетки арматурные С4,С5 ТП 902-2-343-КЖИ-К-С6,7 Сетки арматурные С6,С7 ТП 902-2-343-КЖИ-К-С8,9 Сетки арматурные С8,С9 ТП 902-2-343-КЖИ-К-С10,11 Сетки арматурные С10,С11 ТП 902-2-343-КЖИ-К-С12,13 Сетки арматурные С12,С13 ТП 902-2-343-КЖИ-К-С14,15 Сетки арматурные С14,С15 ТП 902-2-343-КЖИ-К-С16,17 Сетки арматурные С16,С17 ТП 902-2-343-КЖИ-К-С18,19 Сетки арматурные С18,С19 ТП 902-2-343-КЖИ-К-С20,21 Сетки арматурные С20,С21 ТП 902-2-343-КЖИ-К-С22,23 Сетки арматурные С22,С23 ТП 902-2-343-КЖИ-К-С24,25 Сетки арматурные С24,С25 ТП 902-2-343-КЖИ-К-С26,27 Сетки арматурные С26,С27 ТП 902-2-343-КЖИ-К-С28,32 Сетки арматурные С28,С32 ТП 902-2-343-КЖИ-К-С29 Сетка арматурная С29 ТП 902-2-343-КЖИ-К-С30,31 Сетки арматурные С30,С31 ТП 902-2-343-КЖИ-К-С33,34 Сетки арматурные С33,С34 ТП 902-2-343-КЖИ-К-С35 Сетка арматурная С35 ТП 902-2-343-КЖИ-К-С36 Сетка арматурная С36 ТП 902-2-343-КЖИ-К-С37 Сетка арматурная С37 ТП 902-2-343-КЖИ-К-С38 Сетка арматурная С38 ТП 902-2-343-КЖИ-К-С39,49 Сетки арматурные С39,С49 ТП 902-2-343-КЖИ-К-С40,50 Сетки арматурные С40,С50 ТП 902-2-343-КЖИ-К-С41,51 Сетки арматурные С41,С51 ТП 902-2-343-КЖИ-К-С42 Сетка арматурная С42 ТП 902-2-343-КЖИ-К-С43 Сетка арматурная С43 ТП 902-2-343-КЖИ-К-С44,52 Сетки арматурные С44,С52 ТП 902-2-343-КЖИ-К-С45 Сетка арматурная С45 ТП 902-2-343-КЖИ-К-С46 Сетка арматурная С46 ТП 902-2-343-КЖИ-К-С47 Сетка арматурная С47 ТП 902-2-343-КЖИ-К-С48 Сетка арматурная С48 ТП 902-2-343-КЖИ-К-С53 Сетка арматурная С53 ТП 902-2-343-КЖИ-К-ЗДИ1 Изделие закладное ЗДИ1 ТП 902-2-343-КЖИ-К-ЗДИ2 Изделие закладное ЗДИ2 ТП 902-2-343-КЖИ-К-ЗДИ3 Изделие закладное ЗДИ3 ТП 902-2-343-КЖИ-К-ЗДИ4 Изделие закладное ЗДИ4 ТП 902-2-343-КЖИ-К-П1,2-СБ Плиты П1(ПТ-15-6а),П2(ПТ-12-6а) ТП 902-2-343-КЖИ-К-П-ЗДИ1,2 Изделия закладные ЗДИ1,ЗДИ2 ТП 902-2-343-КЖИ-К-П3-СБ Плита П3 ТП 902-2-343-КЖИ-К-П3-С1 Сетка арматурная С1 |
| Разработан: | Союзводоканалниипроект |
| Утверждён: | 27.10.1980 СоюзводоканалНИИпроект (SoyuzvodokanalNIIproject 73) |




































































































