Скачать Типовой проект 902-2-343 Альбом IV. Электротехническая частьДата актуализации: 01.01.2021
|
| Обозначение: | Типовой проект 902-2-343 |
| Обозначение англ: | 902-2-343 |
| Статус: | не определен законодательством |
| Название рус.: | Альбом IV. Электротехническая часть |
| Дата добавления в базу: | 01.09.2013 |
| Дата актуализации: | 01.01.2021 |
| Дата введения: | 01.03.1981 |
| Дата окончания срока действия: | 30.06.2003 |
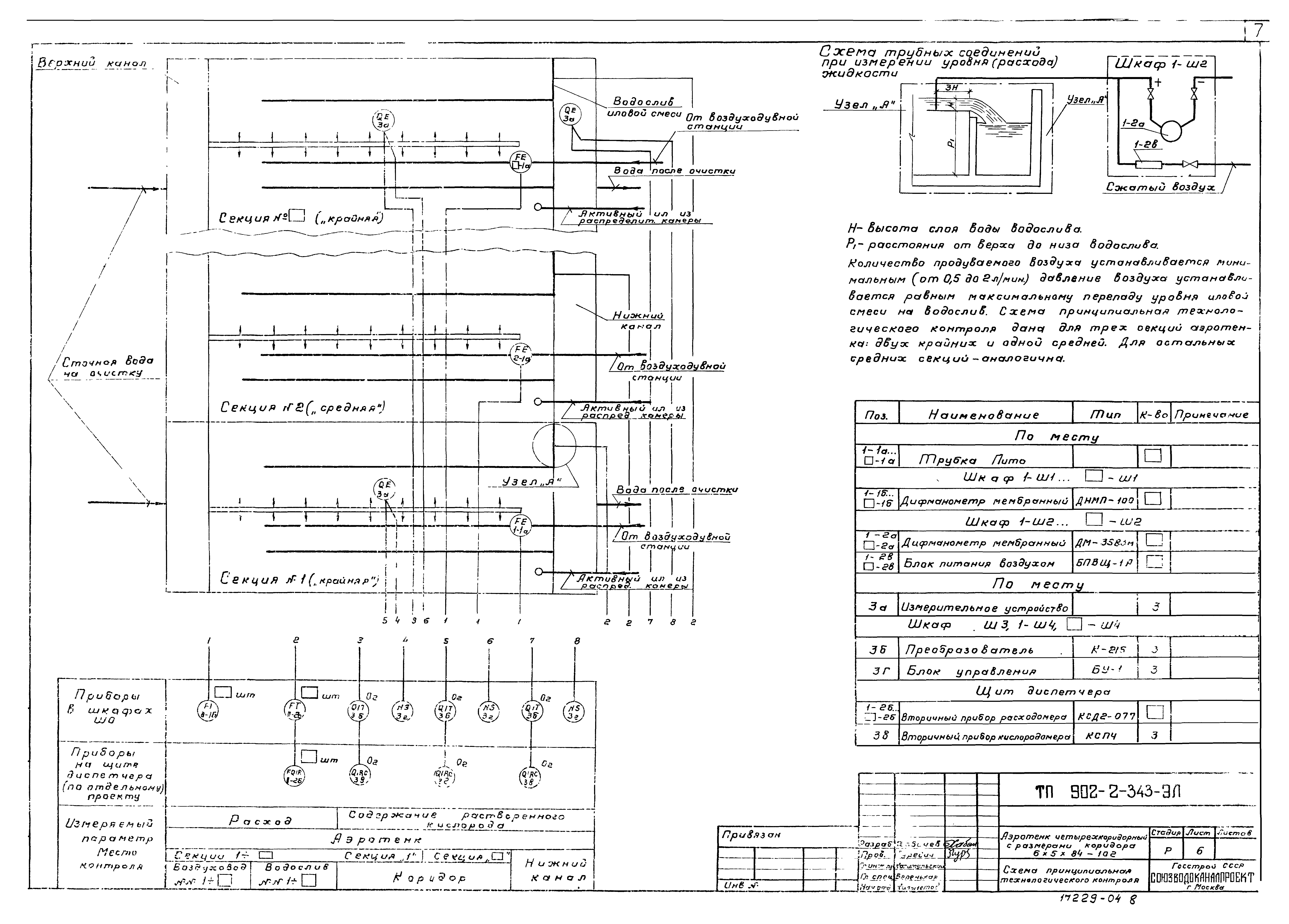
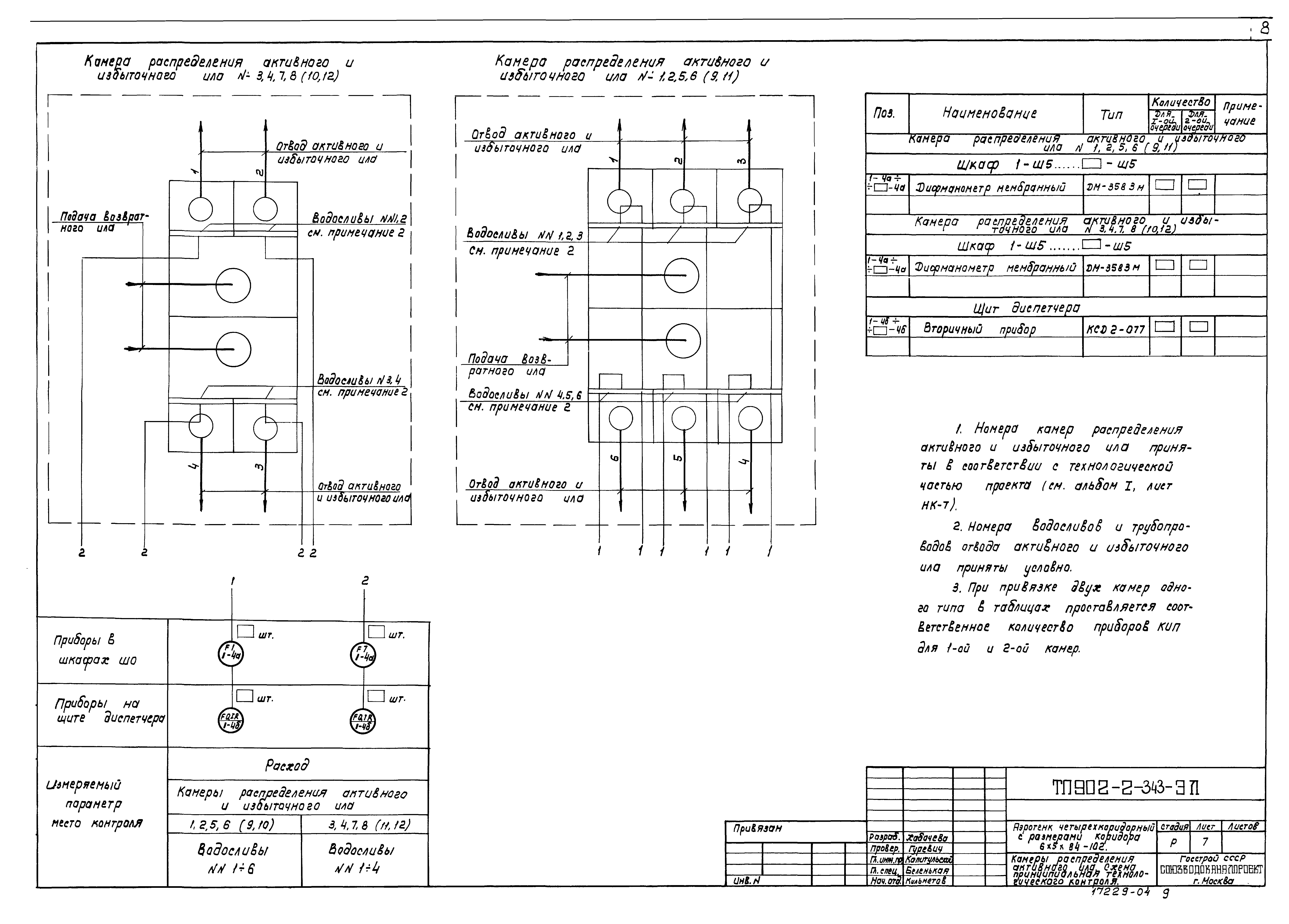
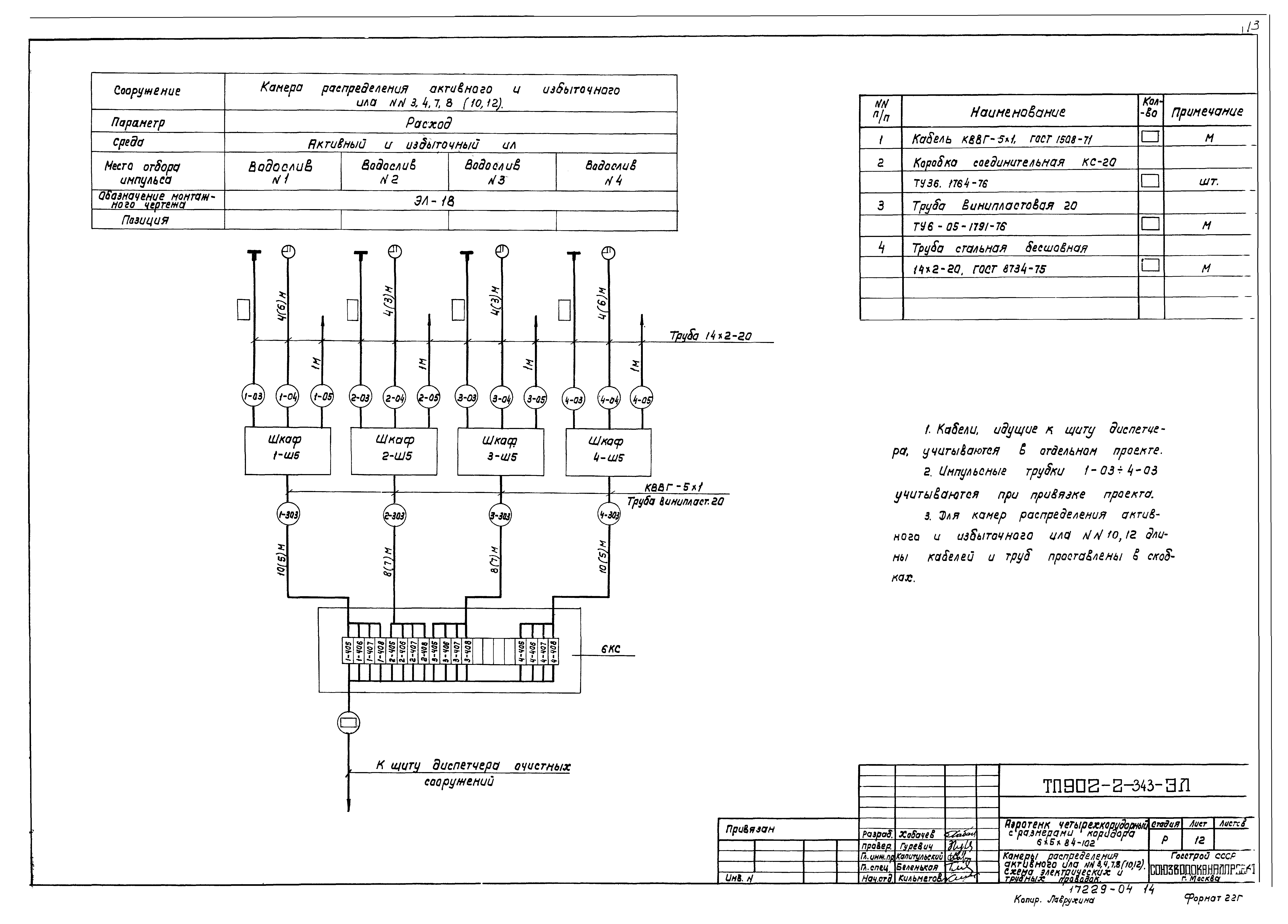
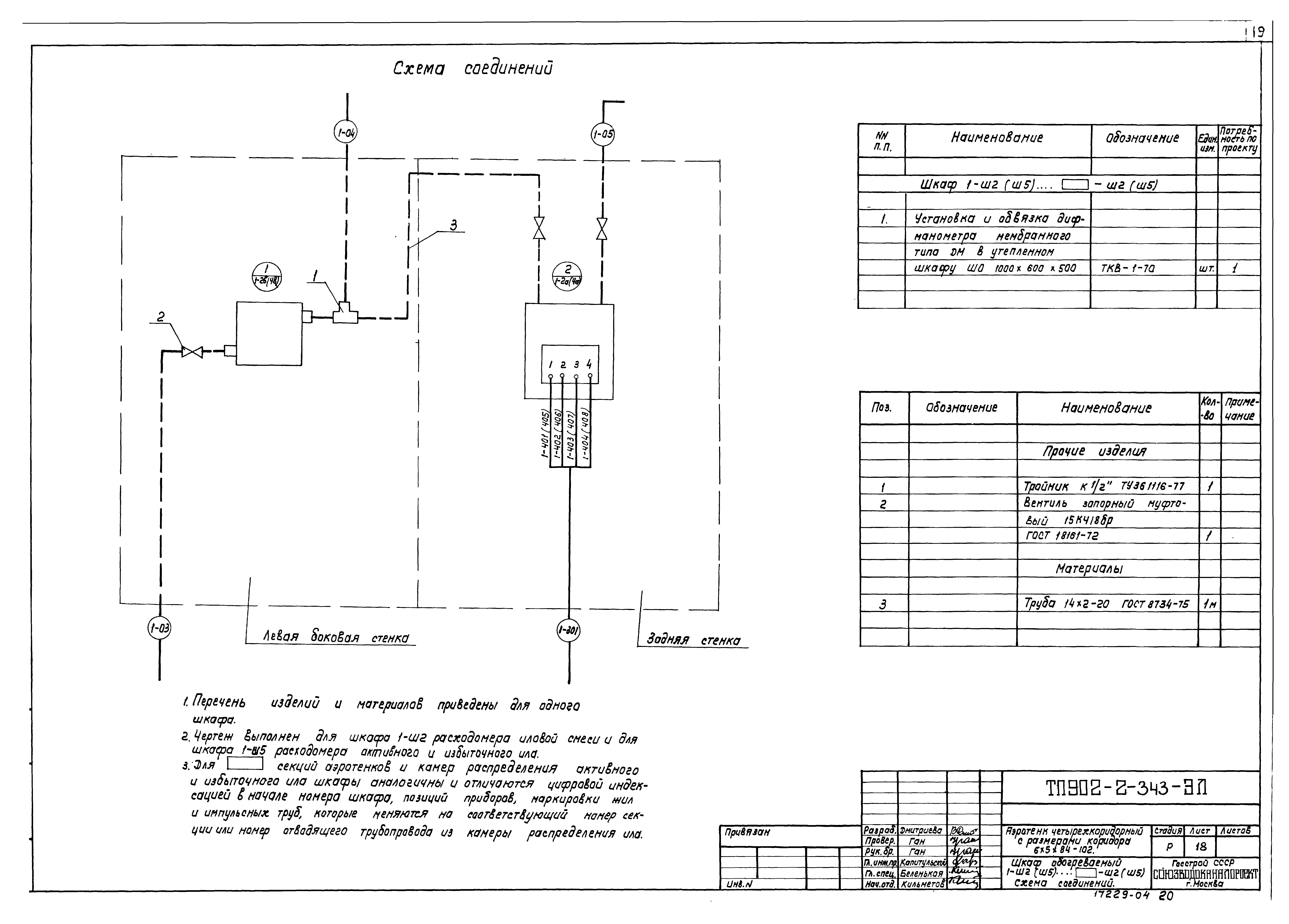
| Оглавление: | ТП 902-2-343-ЭЛ-1 Общие данные (начало) ТП 902-2-343-ЭЛ-2 Общие данные (продолжение) ТП 902-2-343-ЭЛ-3 Общие данные (продолжение) ТП 902-2-343-ЭЛ-4 Общие данные (продолжение) ТП 902-2-343-ЭЛ-5 Общие данные (окончание) ТП 902-2-343-ЭЛ-6 Схема принципиальная технологического контроля ТП 902-2-343-ЭЛ-7 Камеры распределения активного ила. Схема принципиальная технологического контроля ТП 902-2-343-ЭЛ-8 Схема электрических проводок ТП 902-2-343-ЭЛ-9 Секции №№ 1-6. Схема электрических и трубных проводок ТП 902-2-343-ЭЛ-10 Секции №№ 7-9. Схема электрических и трубных проводок ТП 902-2-343-ЭЛ-11 Камера распределения активного ила № 1,2,5,6,(9,11). Схема электрических и трубных проводок ТП 902-2-343-ЭЛ-12 Камера распределения активного ила № 3,4,7,8,(10,12). Схема электрических и трубных проводок ТП 902-2-343-ЭЛ-13 Расположение оборудования КИП и прокладка кабелей и труб (начало) ТП 902-2-343-ЭЛ-14 Расположение оборудования КИП и прокладка кабелей и труб (окончание) ТП 902-2-343-ЭЛ-15 Расположение оборудования КИП и прокладка кабелей и труб в камерах распределения ила № 3,4,7,8 и № 1,2,5,6 ТП 902-2-343-ЭЛ-16 Расположение оборудования КИП и прокладка кабелей и труб в камерах распределения ила № 10,12 и № 9,11 ТП 902-2-343-ЭЛ-17 Электроосвещение ТП 902-2-343-ЭЛ-18 Шкаф обогреваемый 1-Ш2(Ш5) □ -Ш2(Ш5). Общий вид и схема соединений ТП 902-2-343-ЭЛ-19 Шкаф обогреваемый Ш3,1-Ш4 □ -Ш4. Общий вид и схема соединений ТП 902-2-343-ЭЛ-20 Установка преобразователя К-215 и блока управления БУ-1 в обогреваемом шкафу ТП 902-2-343-ЭЛ-21 Установка дифманометра ДНМП-100 в обогреваемом шкафу ТП 902-2-343-ЭЛ-22 Опросный лист для заказа дифманометра-расходомера жидкости |
| Разработан: | Союзводоканалниипроект |
| Утверждён: | 27.10.1980 СоюзводоканалНИИпроект (SoyuzvodokanalNIIproject 73) |
























