Скачать Типовой проект 902-2-397.86 Альбом VIII. Часть 3. СметыДата актуализации: 01.01.2021
|
| Обозначение: | Типовой проект 902-2-397.86 |
| Обозначение англ: | 902-2-397.86 |
| Статус: | не определен законодательством |
| Название рус.: | Альбом VIII. Часть 3. Сметы |
| Дата добавления в базу: | 01.09.2013 |
| Дата актуализации: | 01.01.2021 |
| Дата введения: | 09.01.1986 |
| Дата окончания срока действия: | 30.06.2003 |
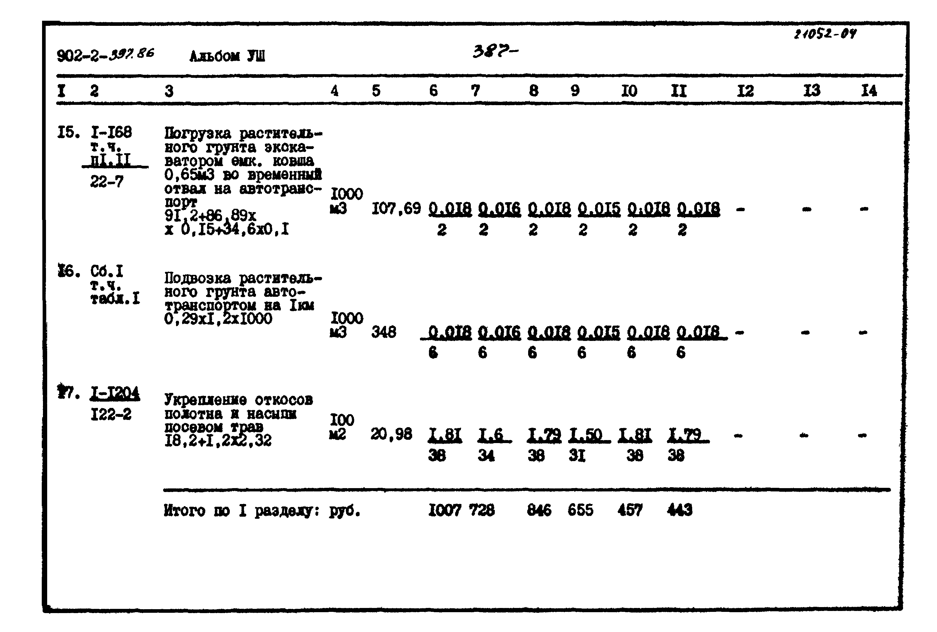
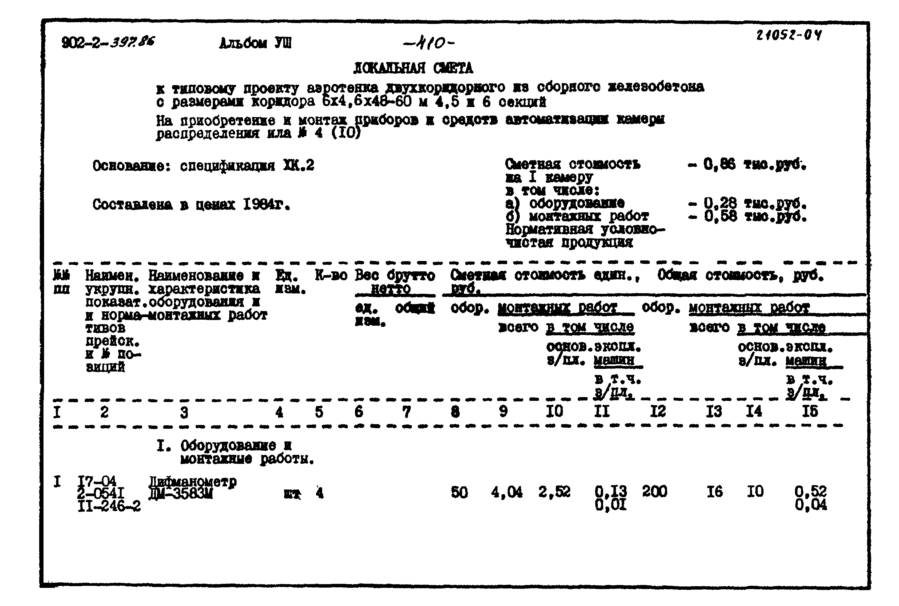
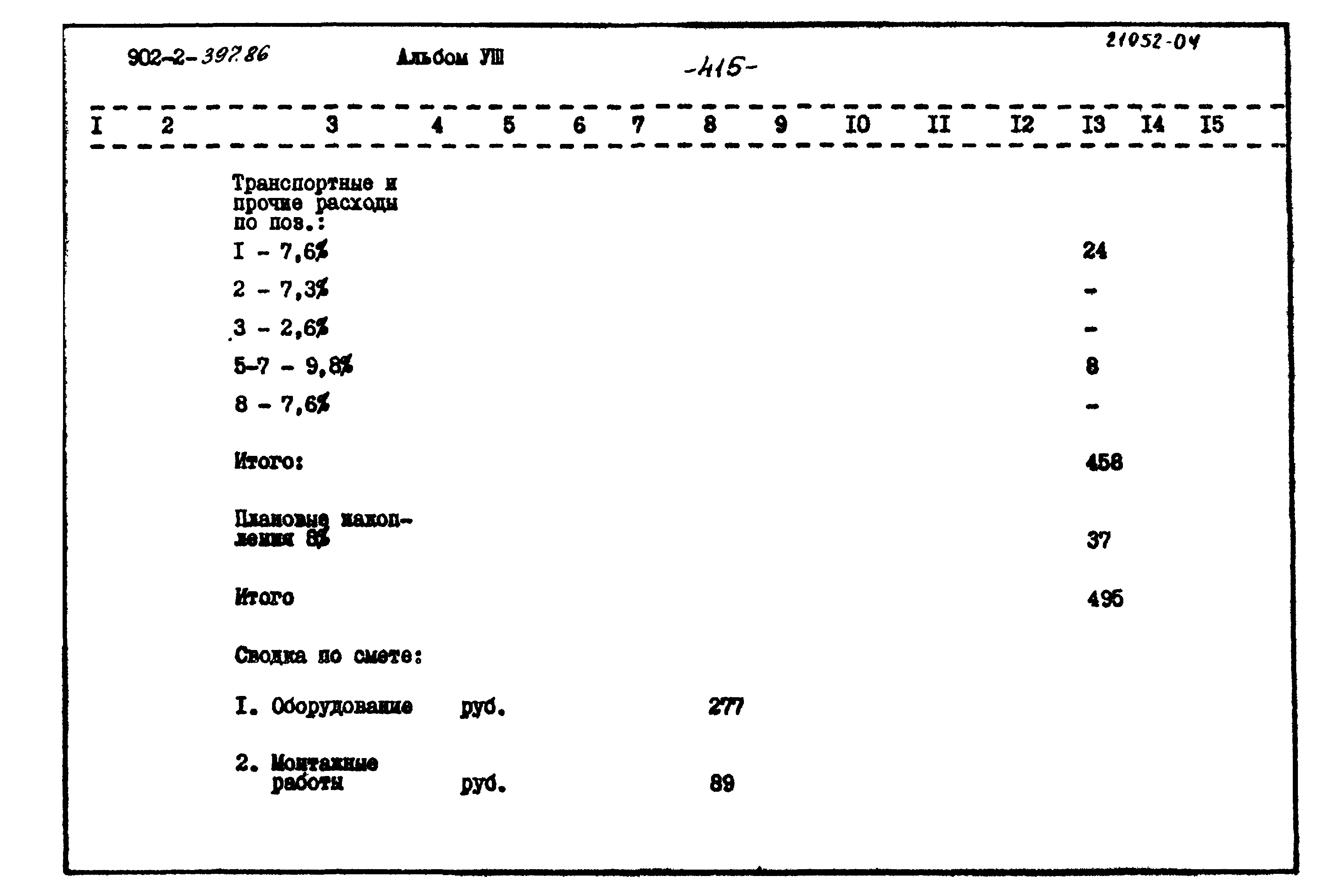
| Оглавление: | ТП 902-2-397.86 Локальная смета. На общестроительные работы номер № 1-7,9,10,12 ТП 902-2-397.86 Локальная смета. На приобретение и монтаж приборов и средств автоматизации камер 3,6,9 ТП 902-2-397.86 Локальная смета. На технологические трубопроводы подачи ила для камер № 1-7, 9-10,12 ТП 902-2-397.86 Локальная смета. На технологическое оборудование и трубопроводы камер № 1-7, 9-10,12 ТП 902-2-397.86 Локальная смета. На технологические трубопроводы аэротенков при 6 рядах аэраторов и длиной 48-60 м ТП 902-2-397.86 Локальная смета. На общестроительные работы аэраторов при варианте с фильтросными пластинами при 6 рядах аэраторов и длиной 48-60 м ТП 902-2-397.86 Локальная смета. На общестроительные работы аэраторов при варианте с керамическими трубами при 4 и 6 рядах аэраторов при длине 48-60 м ТП 902-2-397.86 Локальная смета. На фильтросные пластины при 4-6 рядах аэраторов длиной 48-60 м ТП 902-2-397.86 Локальная смета. На установку затворов при сеч. 300x600, 450x600, 900x900 и длиной 48-60 м ТП 902-2-397.86 Локальная смета. На керамические трубы аэротенков при 4 и 6 рядах аэраторов и длиной 48-60 м ТП 902-2-397.86 Ведомость потребности в производственных ресурсах |
| Разработан: | Союзводоканалниипроект |
| Утверждён: | 20.09.1984 СоюзводоканалНИИпроект (SoyuzvodokanalNIIproject 46) |
| Заменяет собой: |
|




















































































































































































