Скачать Типовой проект 903-1-214.84 Альбом I. Тепломеханическая часть. Компоновки. Трубопроводы КПВГ-1А. ГазоснабжениеДата актуализации: 01.01.2021
|
| Обозначение: | Типовой проект 903-1-214.84 |
| Обозначение англ: | 903-1-214.84 |
| Статус: | не действует |
| Название рус.: | Альбом I. Тепломеханическая часть. Компоновки. Трубопроводы КПВГ-1А. Газоснабжение |
| Дата добавления в базу: | 01.09.2013 |
| Дата актуализации: | 01.01.2021 |
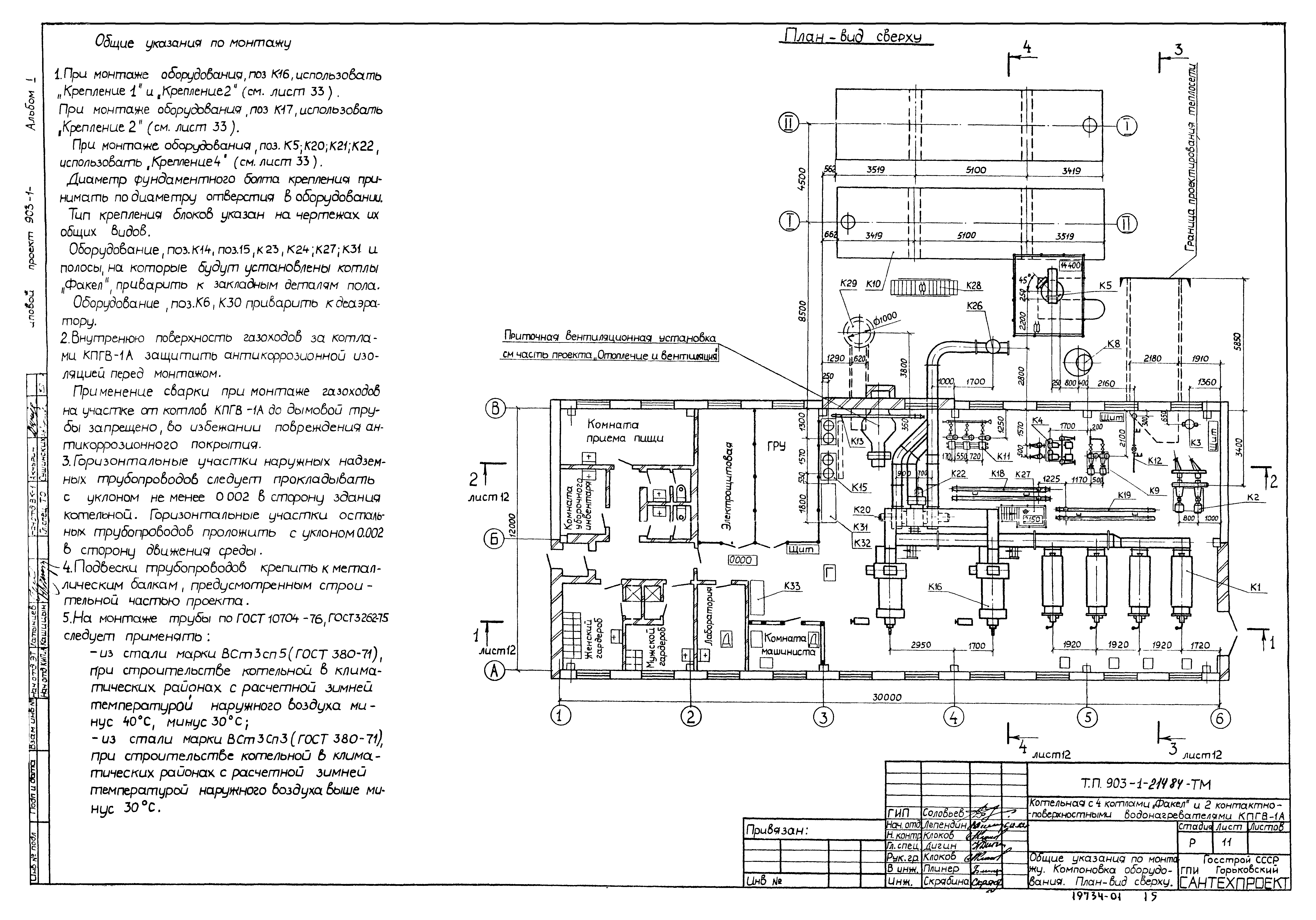
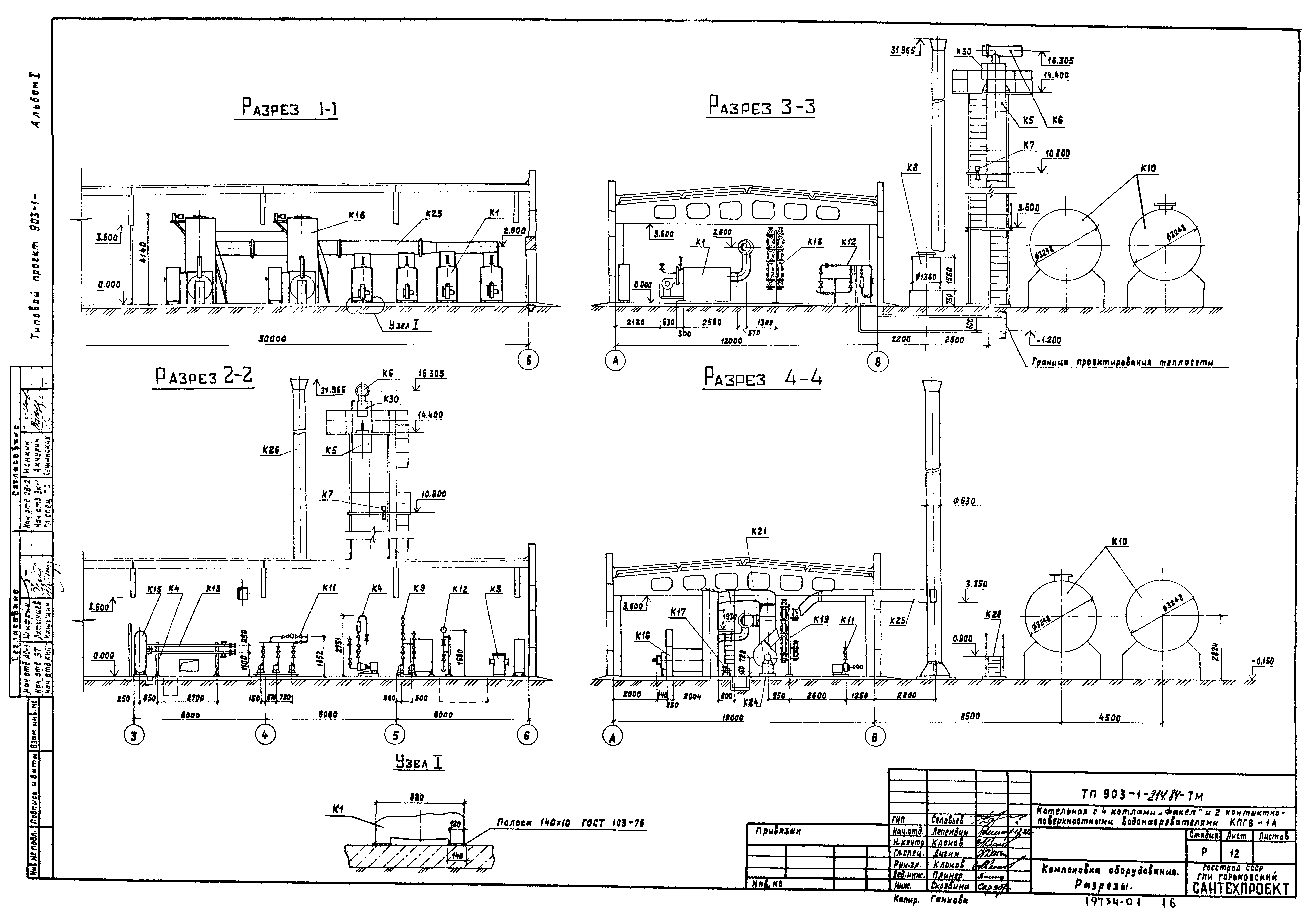
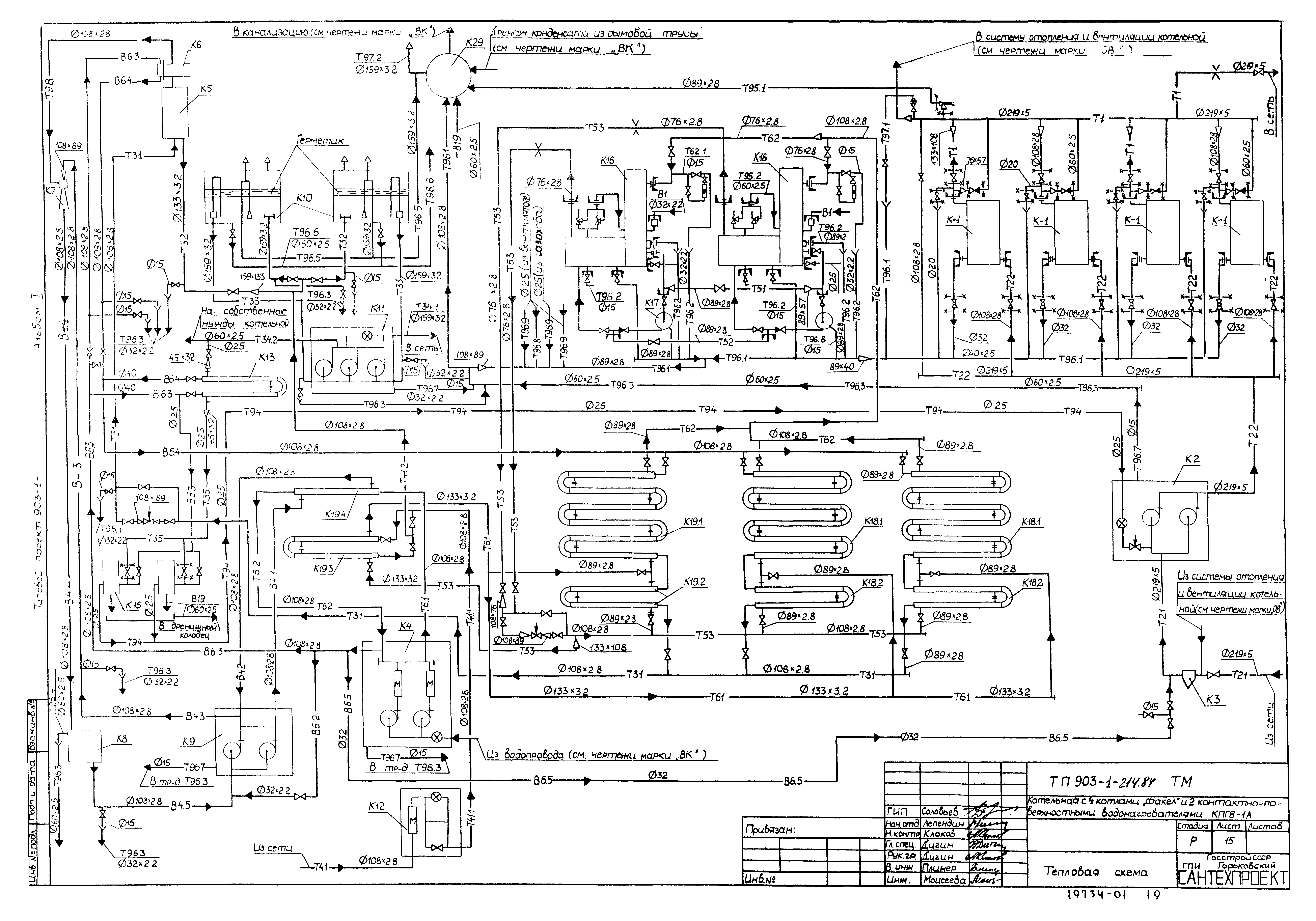
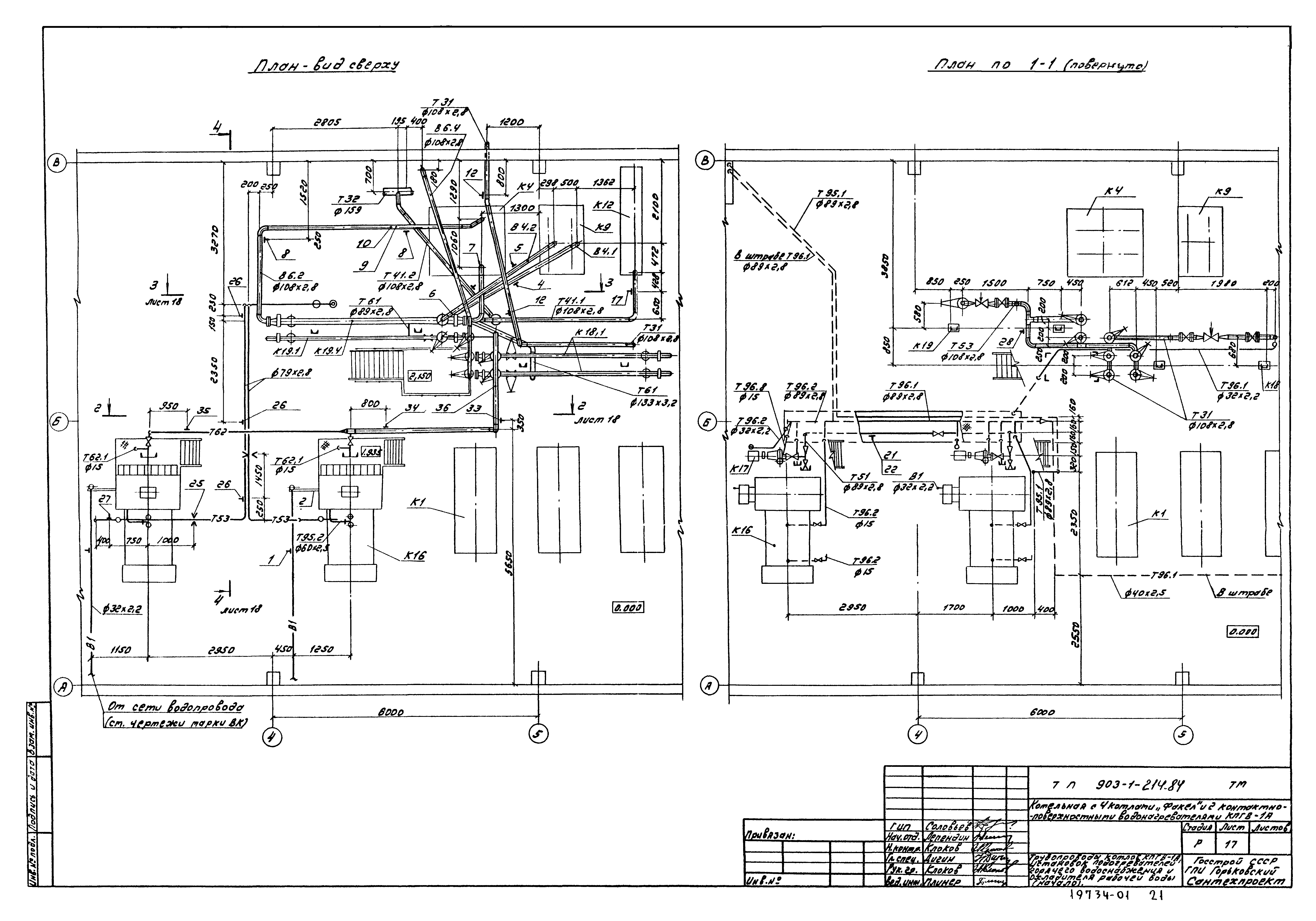
| Оглавление: | ТП 903-1-214.84 Содержание альбома 1 ТП 903-1-214.84 Общая пояснительная записка. Указание по применению ТП 903-1-214.84-ТМ Тепломеханическая часть. Чертежи марки ТМ ТП 903-1-214.84-ТМ-1 Общие данные (начало) ТП 903-1-214.84-ТМ-2 Общие данные (продолжение) ТП 903-1-214.84-ТМ-3 Общие данные (продолжение) ТП 903-1-214.84-ТМ-4 Общие данные (продолжение) ТП 903-1-214.84-ТМ-5 Общие данные (продолжение) ТП 903-1-214.84-ТМ-6 Общие данные (продолжение) ТП 903-1-214.84-ТМ-7 Общие данные (продолжение) ТП 903-1-214.84-ТМ-8 Общие данные (продолжение) ТП 903-1-214.84-ТМ-9 Общие данные (продолжение) ТП 903-1-214.84-ТМ-10 Общие данные (окончание) ТП 903-1-214.84-ТМ-11 Общие указания по монтажу. Компоновка оборудования. План-вид сверху ТП 903-1-214.84-ТМ-12 Компоновка оборудования. Разрезы ТП 903-1-214.84-ТМ-13 Установка подогревателей горячего водоснабжения (К21) ТП 903-1-214.84-ТМ-14 Установка подогревателей горячего водоснабжения и охладителя рабочей воды (К22) ТП 903-1-214.84-ТМ-15 Тепловая схема ТП 903-1-214.84-ТМ-16 Трубопроводы дренажа конденсата дымовых газов ТП 903-1-214.84-ТМ-17 Трубопроводы котлов КПГВ-1А, установок горячего водоснабжения и охладителя рабочей воды (начало) ТП 903-1-214.84-ТМ-18 Трубопроводы котлов КПГВ-1А, установок горячего водоснабжения и охладителя рабочей воды (продолжение) ТП 903-1-214.84-ТМ-19 Трубопроводы котлов КПГВ-1А, установок горячего водоснабжения и охладителя рабочей воды (окончание) ТП 903-1-214.84-ГС Газоснабжение. Чертежи марки ГС ТП 903-1-214.84-ГС-1 Общие данные ТП 903-1-214.84-ГС-2 Указания по монтажу. Спецификация ТП 903-1-214.84-ГС-3 Схема газоснабжения. Условные обозначения ТП 903-1-214.84-ГС-4 Газопроводы. План. Разрезы 1-1;2-2,3-3 ТП 903-1-214.84-ГС-5 Газопроводы. Узел 1. Разрезы 4-4;5-5 ТП 903-1-214.84-ГС-6 Газопроводы. Разрез 6-6. Крепление трубопровода к трубопроводу большего диаметра ТП 903-1-214.84-ГС-7 Крепление ГРУ-1. Крепление ГРУ-2 |
| Разработан: | ГПИ Горьковский Сантехпроект |
| Утверждён: | 03.02.1984 Главпромстройпроект Госстроя СССР (4) |






























