Скачать Типовой проект 902-2-363.83 Альбом V. Задание заводу-изготовителюДата актуализации: 01.01.2021
|
| Обозначение: | Типовой проект 902-2-363.83 |
| Обозначение англ: | 902-2-363.83 |
| Статус: | не действует |
| Название рус.: | Альбом V. Задание заводу-изготовителю |
| Дата добавления в базу: | 01.09.2013 |
| Дата актуализации: | 01.01.2021 |
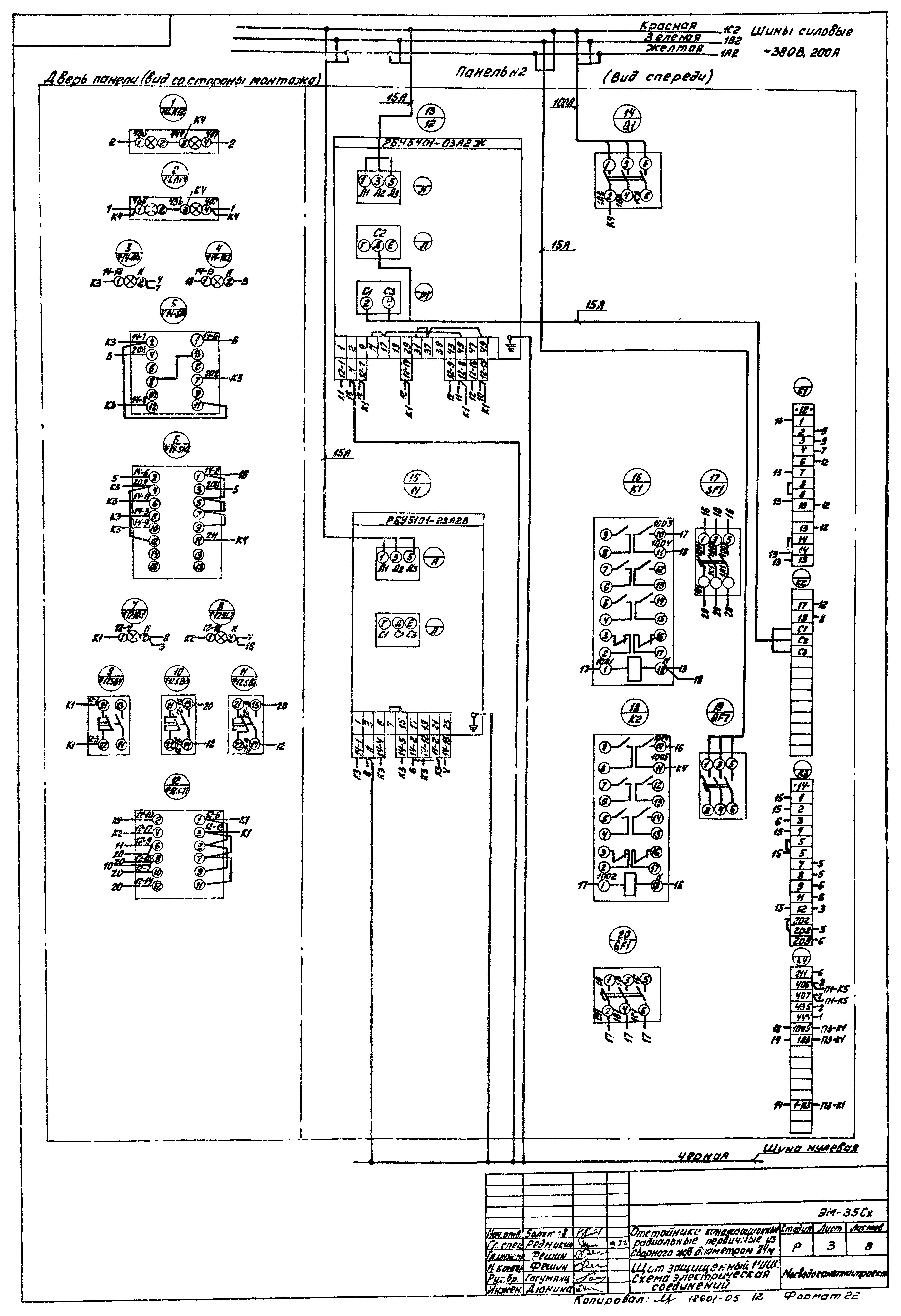
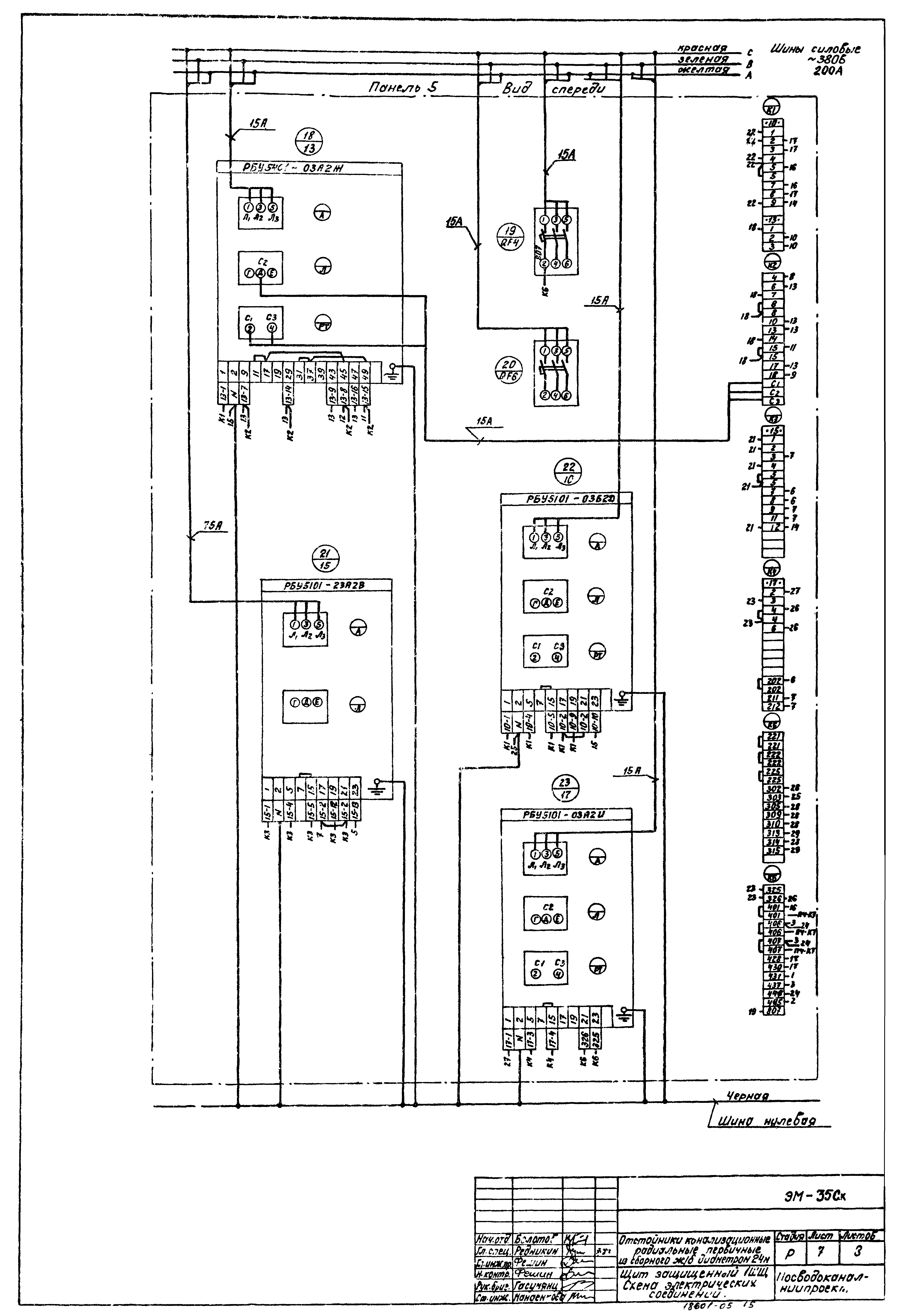
| Оглавление: | ТП 902-2-379.83 Щиты по ОСТ 16.0.800.485-77 ТП 902-2-363.83-ЭМ-34 КУ Перечень комплектных устройств ТП 902-2-363.83-ЭМ-35 ТД Щит защищенный 1ШЩ. Технические данные аппаратов. Лист 1-3 ТП 902-2-363.83-ЭМ-35 ТД Щит защищенный 1ШЩ. Технические данные аппаратов. Лист 4-7 ТП 902-2-363.83-ЭМ-35 ТД Щит защищенный 1ШЩ. Технические данные аппаратов. Лист 8,9 ТП 902-2-363.83-ЭМ-35 ОВ Щит защищенный 1ШЩ. Чертеж общего вида. Лист 2 ТП 902-2-363.83-ЭМ-35 ОВ Щит защищенный 1ШЩ. Чертеж общего вида. Лист 1 ТП 902-2-363.83-ЭМ-35 ОВ Щит защищенный 1ШЩ. Чертеж общего вида. Лист 3,4 ТП 902-2-363.83-ЭМ-35 ОВ Щит защищенный 1ШЩ. Чертеж общего вида. Лист 5,6 ТП 902-2-363.83-ЭМ-35 СХ Щит защищенный 1ШЩ. Схема электрическая соединений. Лист 1 ТП 902-2-363.83-ЭМ-35 СХ Щит защищенный 1ШЩ. Схема электрическая соединений. Лист 2 ТП 902-2-363.83-ЭМ-35 СХ Щит защищенный 1ШЩ. Схема электрическая соединений. Лист 3 ТП 902-2-363.83-ЭМ-35 СХ Щит защищенный 1ШЩ. Схема электрическая соединений. Лист 4 ТП 902-2-363.83-ЭМ-35 СХ Щит защищенный 1ШЩ. Схема электрическая соединений. Лист 5 ТП 902-2-363.83-ЭМ-35 СХ Щит защищенный 1ШЩ. Схема электрическая соединений. Лист 6 ТП 902-2-363.83-ЭМ-35 СХ Щит защищенный 1ШЩ. Схема электрическая соединений. Лист 7 ТП 902-2-363.83-ЭМ-35 СХ Щит защищенный 1ШЩ. Схема электрическая соединений. Лист 8 ТП 902-2-363.83-ЭМ-35 ПН Щит защищенный 1ШЩ. Таблица перечня надписей. Лист 1-4 ТП 902-2-363.83-ЭМ-35 ПН Щит защищенный 1ШЩ. Таблица перечня надписей. Лист 5-7 ТП 902-2-363.83-ЭМ-36 ТД Щит защищенный 2ШЩ. Технические данные аппаратуры. Лист 1-4 ТП 902-2-363.83-ЭМ-36 ОВ Щит защищенный 2ШЩ. Чертеж общего вида. Лист 1 ТП 902-2-363.83-ЭМ-36 ОВ Щит защищенный 2ШЩ. Чертеж общего вида. Лист 2,3 ТП 902-2-363.83-ЭМ-36 СХ Щит защищенный 2ШЩ. Схема электрическая соединений. Лист 1 ТП 902-2-363.83-ЭМ-36 СХ Щит защищенный 2ШЩ. Схема электрическая соединений. Лист 2,4 ТП 902-2-363.83-ЭМ-36 СХ Щит защищенный 2ШЩ. Схема электрическая соединений. Лист 3 ТП 902-2-363.83-ЭМ-36 ПН Щит защищенный 2ШЩ. Таблица перечня надписей. Лист 1-4 ТП 902-2-363.83-ЭМ-37 ТД Ящик 1Я(2Я,3Я,4Я). Технические данные аппаратов. Лист 1,2 ТП 902-2-363.83-ЭМ-37 ОВ Ящик 1Я(2Я,3Я,4Я). Чертеж общего вида. Лист 1 ТП 902-2-363.83-ЭМ-37 ОВ Ящик 1Я(2Я,3Я,4Я). Чертеж общего вида. Лист 2 ТП 902-2-363.83-ЭМ-37 ПН Ящик 1Я(2Я,3Я,4Я). Таблица перечня надписей ТП 902-2-363.83-ЭМ-37 СХ Ящик 1Я(2Я,3Я,4Я). Схема электрическая соединений ТП 902-2-363.83 Щиты по ОСТ 36.13-76 ТП 902-2-363.83-АМ-6 Ведомость документов ТП 902-2-363.83-АМ-7 Заказная спецификация щитов. Лист 1 ТП 902-2-363.83-АМ-7 Заказная спецификация щитов. Лист 2 ТП 902-2-363.83-АМ-8 Щит КИП. Общий вид. Лист 1,2 ТП 902-2-363.83-АМ-8 Щит КИП. Общий вид. Лист 3,4,6 ТП 902-2-363.83-АМ-8 Щит КИП. Общий вид. Лист 5,7,8 ТП 902-2-363.83-АМ-8 Щит КИП. Общий вид. Лист 9-12 ТП 902-2-363.83-АМ-8 Щит КИП. Общий вид. Лист 13,14 |
| Разработан: | МосводоканалНИИпроект |
| Утверждён: | 17.11.1982 МосводоканалНИИпроект (192) |


































