Скачать Серия 1.141-КР-1 Выпуск 7. Рабочие чертежи сборных железобетонных панелей 0,49 м (БПК8-27.5 - БПК8-75.5)Дата актуализации: 01.01.2021
|
| Обозначение: | Серия 1.141-КР-1 |
| Обозначение англ: | Series 1.141-КР-1 |
| Статус: | действует |
| Название рус.: | Выпуск 7. Рабочие чертежи сборных железобетонных панелей 0,49 м (БПК8-27.5 - БПК8-75.5) |
| Дата добавления в базу: | 01.09.2013 |
| Дата актуализации: | 01.01.2021 |
| Дата введения: | 01.01.1981 |
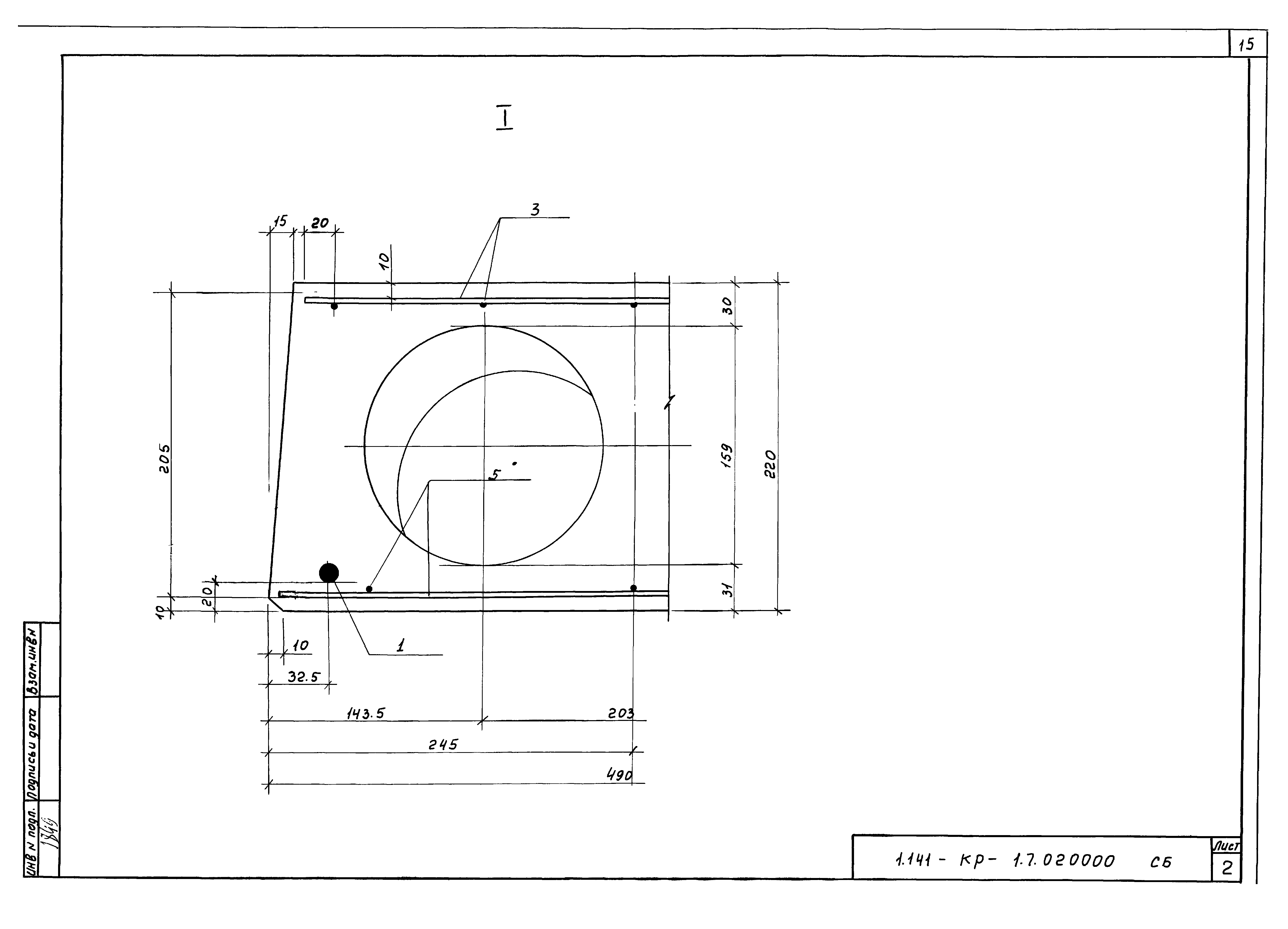
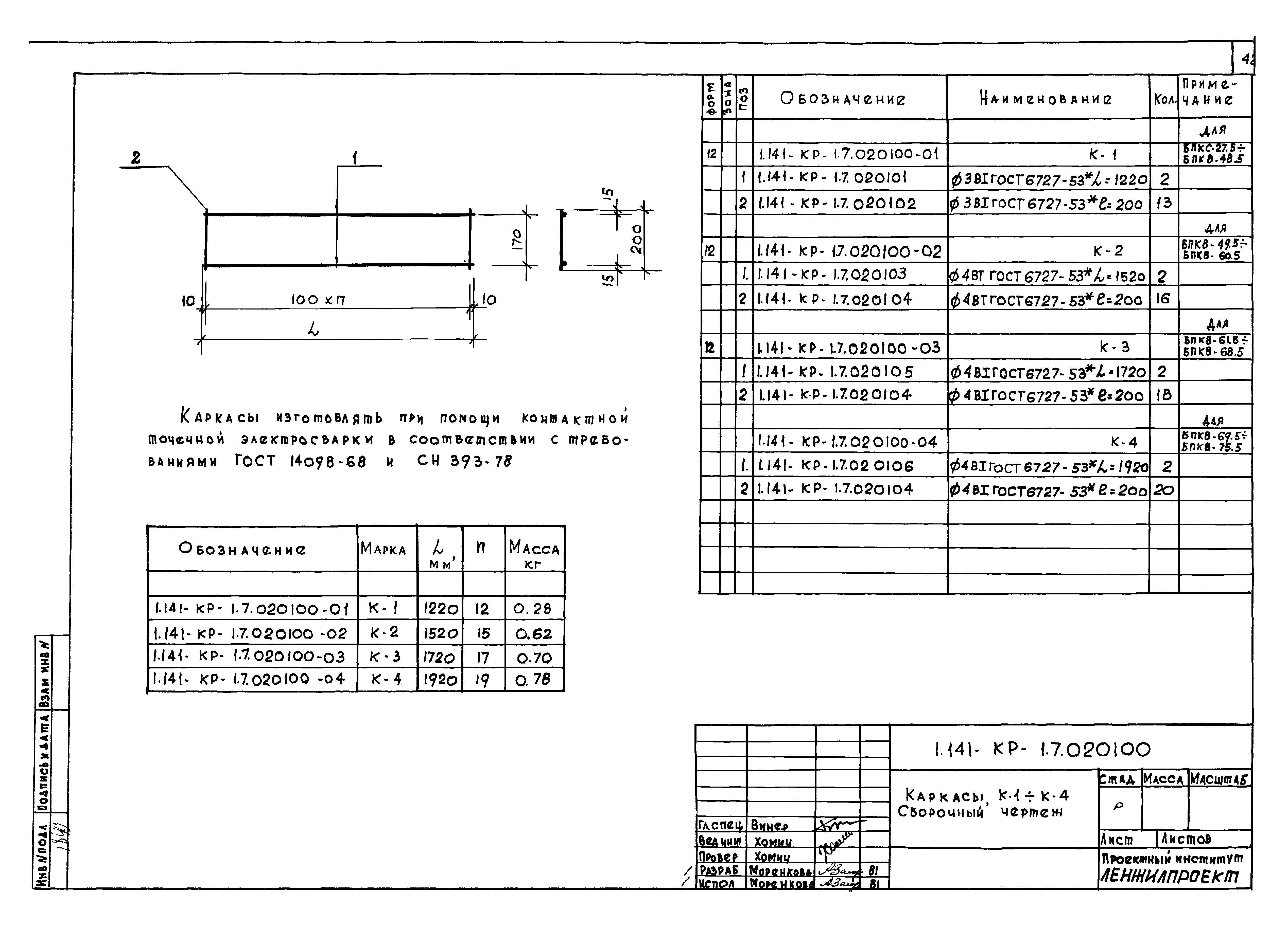
| Оглавление: | 1.141-КР-1.7.000000 С Содержание 1.141-КР-1.7.000000 ТО Техническое описание 1.141-КР-1.7.000000 ВД Ведомость ссылочных документов 1.141-КР-1.7.000000 ВС Выборка стали 1.141-КР-1.7.010000 Номенклатура многопустотных панелей БПК8-27.5-БПК8-75.5 1.141-КР-1.7.020000 Опалубочный чертеж многопустотных панелей БПК8-27.5-БПК8-75.5 1.141-КР-1.7.020000 СБ Армирование панелей БПК8-27.5-БПК8-75.5 1.141-КР-1.7.030000 Панель перекрытия многопустотная БПК8-27.5. Спецификация 1.141-КР-1.7.040000 Панель перекрытия многопустотная БПК8-28.5. Спецификация 1.141-КР-1.7.050000 Панель перекрытия многопустотная БПК8-29.5. Спецификация 1.141-КР-1.7.060000 Панель перекрытия многопустотная БПК8-30.5. Спецификация 1.141-КР-1.7.070000 Панель перекрытия многопустотная БПК8-31.5. Спецификация 1.141-КР-1.7.080000 Панель перекрытия многопустотная БПК8-32.5. Спецификация 1.141-КР-1.7.090000 Панель перекрытия многопустотная БПК8-33.5. Спецификация 1.141-КР-1.7.100000 Панель перекрытия многопустотная БПК8-34.5. Спецификация 1.141-КР-1.7.110000 Панель перекрытия многопустотная БПК8-35.5. Спецификация 1.141-КР-1.7.120000 Панель перекрытия многопустотная БПК8-36.5. Спецификация 1.141-КР-1.7.130000 Панель перекрытия многопустотная БПК8-37.5. Спецификация 1.141-КР-1.7.140000 Панель перекрытия многопустотная БПК8-38.5. Спецификация 1.141-КР-1.7.150000 Панель перекрытия многопустотная БПК8-39.5. Спецификация 1.141-КР-1.7.160000 Панель перекрытия многопустотная БПК8-40.5. Спецификация 1.141-КР-1.7.170000 Панель перекрытия многопустотная БПК8-41.5. Спецификация 1.141-КР-1.7.180000 Панель перекрытия многопустотная БПК8-42.5. Спецификация 1.141-КР-1.7.190000 Панель перекрытия многопустотная БПК8-43.5. Спецификация 1.141-КР-1.7.200000 Панель перекрытия многопустотная БПК8-44.5. Спецификация 1.141-КР-1.7.210000 Панель перекрытия многопустотная БПК8-45.5. Спецификация 1.141-КР-1.7.220000 Панель перекрытия многопустотная БПК8-46.5. Спецификация 1.141-КР-1.7.230000 Панель перекрытия многопустотная БПК8-47.5. Спецификация 1.141-КР-1.7.240000 Панель перекрытия многопустотная БПК8-48.5. Спецификация 1.141-КР-1.7.250000 Панель перекрытия многопустотная БПК8-49.5. Спецификация 1.141-КР-1.7.260000 Панель перекрытия многопустотная БПК8-50.5. Спецификация 1.141-КР-1.7.270000 Панель перекрытия многопустотная БПК8-51.5. Спецификация 1.141-КР-1.7.280000 Панель перекрытия многопустотная БПК8-52.5. Спецификация 1.141-КР-1.7.290000 Панель перекрытия многопустотная БПК8-53.5. Спецификация 1.141-КР-1.7.300000 Панель перекрытия многопустотная БПК8-54.5. Спецификация 1.141-КР-1.7.310000 Панель перекрытия многопустотная БПК8-55.5. Спецификация 1.141-КР-1.7.320000 Панель перекрытия многопустотная БПК8-56.5. Спецификация 1.141-КР-1.7.330000 Панель перекрытия многопустотная БПК8-57.5. Спецификация 1.141-КР-1.7.340000 Панель перекрытия многопустотная БПК8-58.5. Спецификация 1.141-КР-1.7.350000 Панель перекрытия многопустотная БПК8-59.5. Спецификация 1.141-КР-1.7.360000 Панель перекрытия многопустотная БПК8-60.5. Спецификация 1.141-КР-1.7.370000 Панель перекрытия многопустотная БПК8-61.5. Спецификация 1.141-КР-1.7.380000 Панель перекрытия многопустотная БПК8-62.5. Спецификация 1.141-КР-1.7.390000 Панель перекрытия многопустотная БПК8-63.5. Спецификация 1.141-КР-1.7.400000 Панель перекрытия многопустотная БПК8-64.5. Спецификация 1.141-КР-1.7.410000 Панель перекрытия многопустотная БПК8-65.5. Спецификация 1.141-КР-1.7.420000 Панель перекрытия многопустотная БПК8-66.5. Спецификация 1.141-КР-1.7.430000 Панель перекрытия многопустотная БПК8-67.5. Спецификация 1.141-КР-1.7.440000 Панель перекрытия многопустотная БПК8-68.5. Спецификация 1.141-КР-1.7.450000 Панель перекрытия многопустотная БПК8-69.5. Спецификация 1.141-КР-1.7.460000 Панель перекрытия многопустотная БПК8-70.5. Спецификация 1.141-КР-1.7.470000 Панель перекрытия многопустотная БПК8-71.5. Спецификация 1.141-КР-1.7.480000 Панель перекрытия многопустотная БПК8-72.5. Спецификация 1.141-КР-1.7.490000 Панель перекрытия многопустотная БПК8-73.5. Спецификация 1.141-КР-1.7.500000 Панель перекрытия многопустотная БПК8-74.5. Спецификация 1.141-КР-1.7.510000 Панель перекрытия многопустотная БПК8-75.5. Спецификация 1.141-КР-1.7.020001 Стержни напрягаемые Т1-Т49 1.141-КР-1.7.020100 Каркасы К-1÷К-4. Сборочный чертеж 1.141-КР-1.7.020200 Сетки С1-01÷С1-49 1.141-КР-1.7.020300 Сетка С-2 1.141-КР-1.7.020400 Сетка С-3 1.141-КР-1.7.020002 Петля П-1 1.141-КР-1.7.000000 ДИ Данные для испытания |
| Разработан: | ЛенжилНИИпроект |
| Утверждён: | ЛенжилНИИпроект |

















































