Скачать Серия 1.110-КР-1 Выпуск 1. Материалы по проектированию, монтажные схемы, узлыДата актуализации: 01.01.2021
|
| Обозначение: | Серия 1.110-КР-1 |
| Обозначение англ: | Series 1.110-КР-1 |
| Статус: | действует |
| Название рус.: | Выпуск 1. Материалы по проектированию, монтажные схемы, узлы |
| Дата добавления в базу: | 01.09.2013 |
| Дата актуализации: | 01.01.2021 |
| Дата введения: | 01.01.1988 |
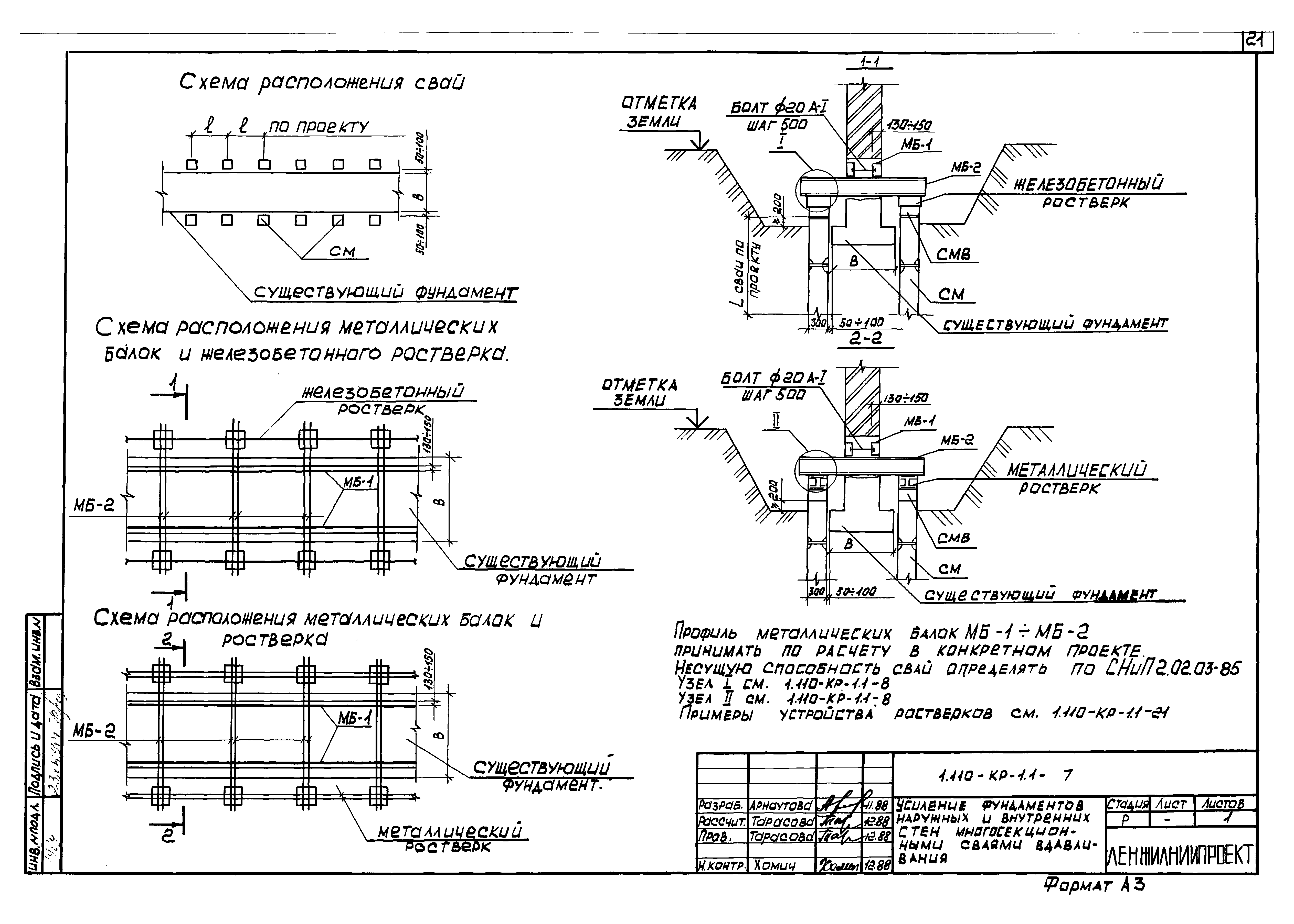
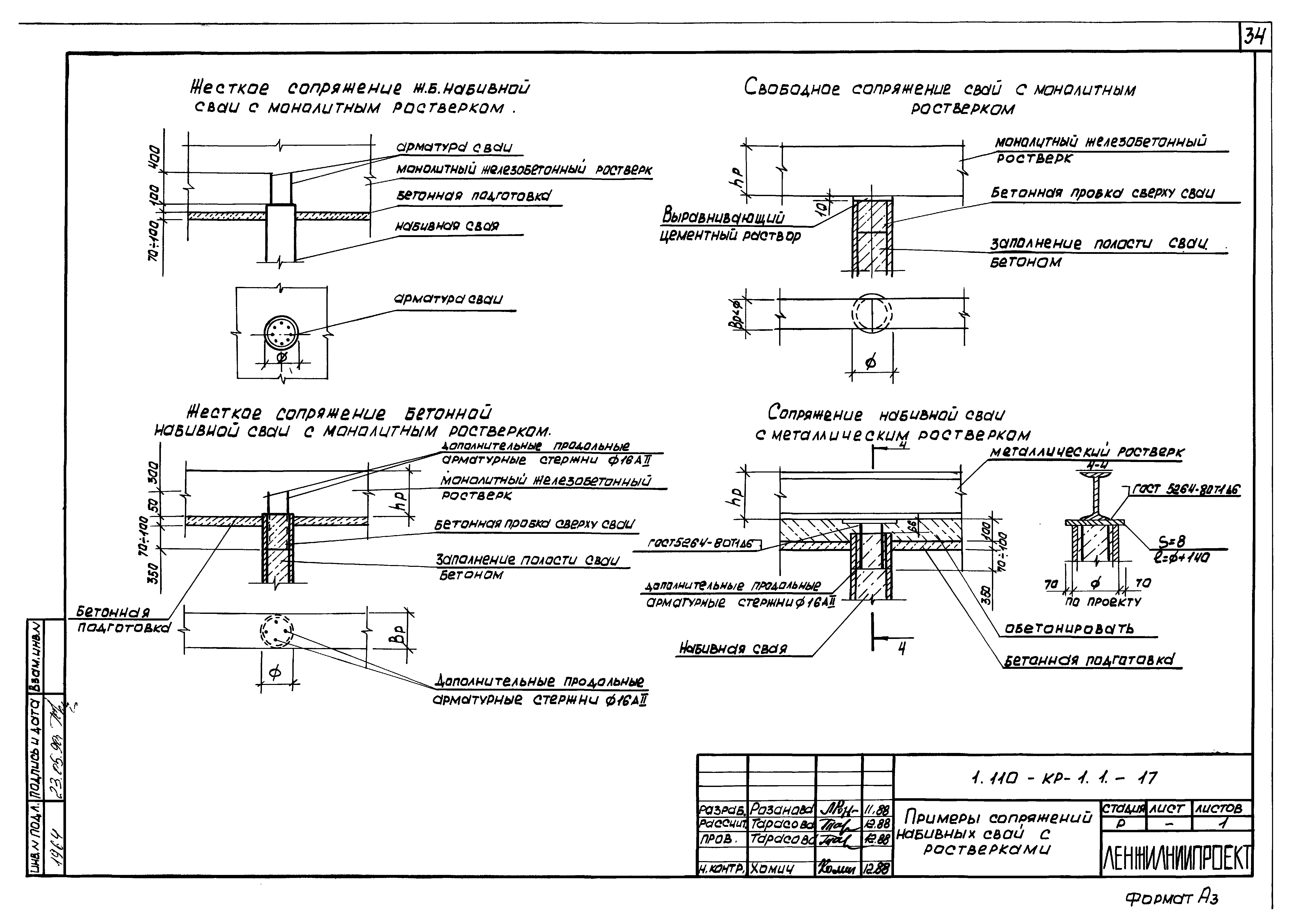
| Оглавление: | 1.110-КР-1.1 Обложка 1.110-КР-1.1 Титульный лист 1.110-КР-1.1 СС Состав серии 1.110-КР-1.1 ИК Информационная карта 1.110-КР-1.1 С Содержание 1.110-КР-1.1 ПЗ Пояснительная записка 1.110-КР-1.1 НИ Номенклатура многосекционных железобетонных свай 1.110-КР-1.1 НИ Номенклатура многосекционных металлических свай 1.110-КР-1.1 Раздел 1. Усиление фундаментов многосекционными сваями. Вдавливание 1.110-КР-1.1-1 Общие указания к разделу 1 1.110-КР-1.1-2 Технология вдавливания свай 1.110-КР-1.1-3 Схема погружения свай при отсутствии пространства под упорным элементом 1.110-КР-1.1-4 Схема погружения свай при наличии пространства под упорным элементом 1.110-КР-1.1-5 Последовательность работ по устройству свай вдавливания 1.110-КР-1.1-6 Схемы последовательности работ по устройству свай вдавливания 1.110-КР-1.1-7 Усиление фундаментов наружных и внутренних многосекционными сваями вдавливания 1.110-КР-1.1-8 Узел 1, узел 2 1.110-КР-1.1-9 Свая многосекционная. Узел 1, узел 2 1.110-КР-1.1 Раздел 2. Усиление оснований и фундаментов набивными сваями 1.110-КР-1.1-10 Глубинное уплотнение грунтов 1.110-КР-1.1-11 Технология формования пневмопробойником бетонных свай 1.110-КР-1.1-12 Технология формования пневмопробойником ж/б свай 1.110-КР-1.1-13 Устройство коротких набивных свай повышенной несущей способности с применением специальной насадки 1.110-КР-1.1-14 Таблица наружных диаметров набивных свай 1.110-КР-1.1-15 Усиление оснований фундаментов, полов, перегородок, подпольных каналов пневмопробойниками 1.110-КР-1.1-16 Варианты усиления фундаментов набивными сваями 1.110-КР-1.1-17 Примеры сопряжений набивных свай с ростверками 1.110-КР-1.1 Раздел 3. Усиление фундаментов сваями, используемыми в качестве рычажных опор 1.110-КР-1.1-18 Общие указания к разделу 3 1.110-КР-1.1-19 Варианты усиления фундаментов сваями, используемыми в качестве рычажных опор 1.110-КР-1.1-20 Узел 1, узел 2, узел 3, узел 4 1.110-КР-1.1-21 Примеры устройства ростверков |
| Разработан: | ЛенжилНИИпроект |
| Утверждён: | ЛенжилНИИпроект |






































