Скачать Серия 1.110-КР-1 Выпуск 2. Изделия заводского изготовления. Рабочие чертежиДата актуализации: 01.01.2021
|
| Обозначение: | Серия 1.110-КР-1 |
| Обозначение англ: | Series 1.110-КР-1 |
| Статус: | действует |
| Название рус.: | Выпуск 2. Изделия заводского изготовления. Рабочие чертежи |
| Дата добавления в базу: | 01.09.2013 |
| Дата актуализации: | 01.01.2021 |
| Дата введения: | 01.01.1988 |
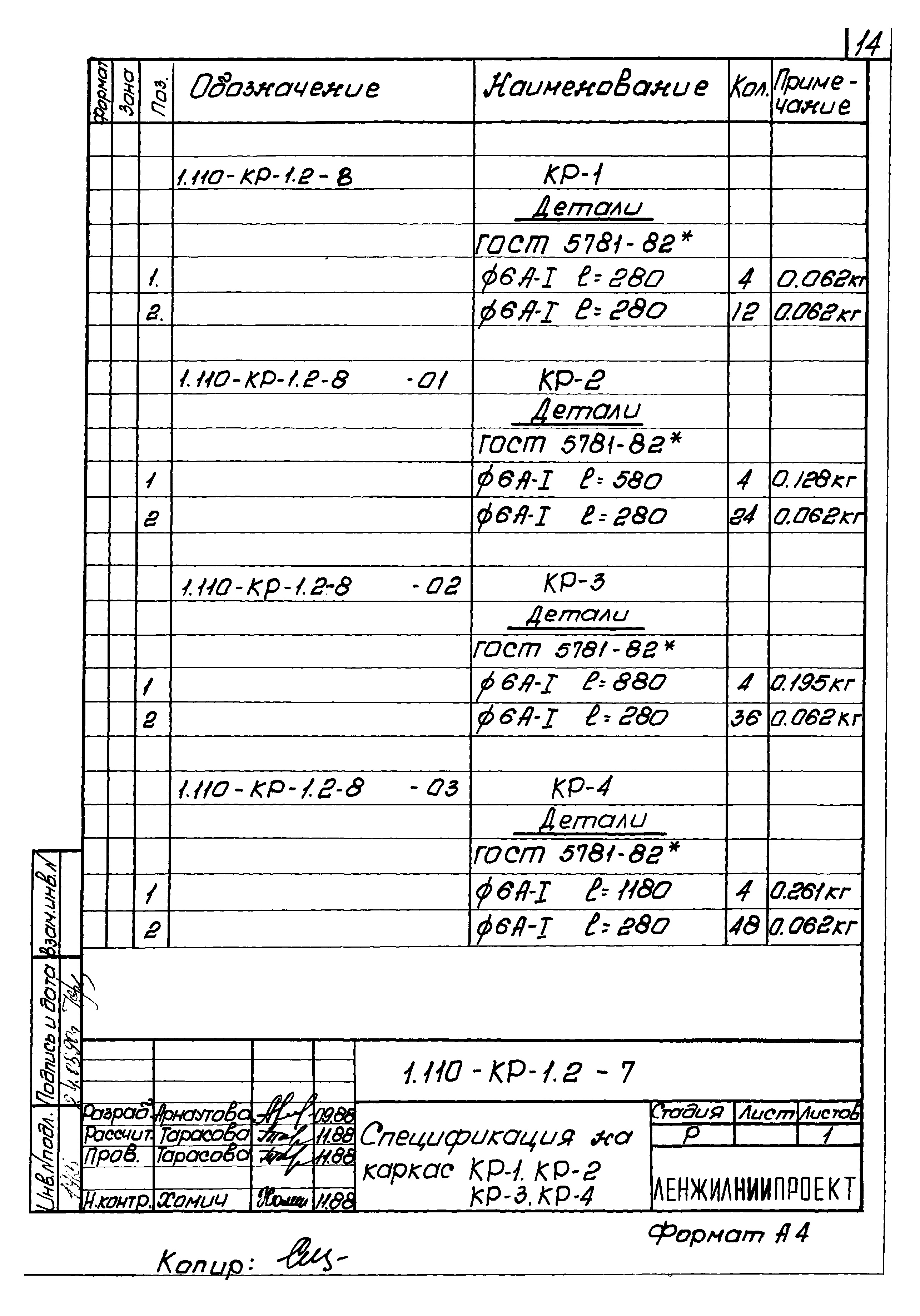
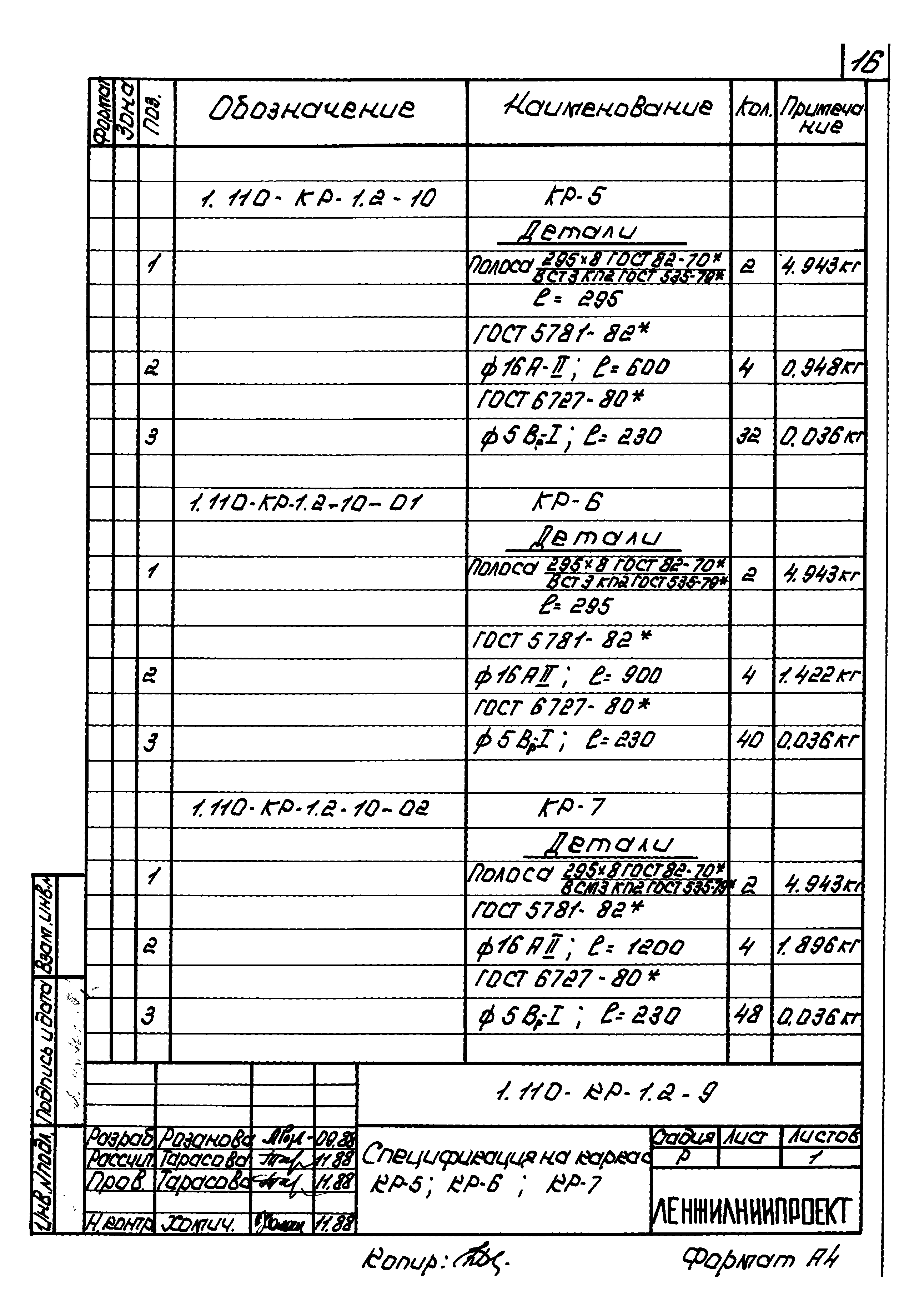
| Оглавление: | 1.110-КР-1.2 Обложка 1.110-КР-1.2 Титульный лист 1.110-КР-1.2 СС Состав серии 1.110-КР-1.2 ИК Информационная карта 1.110-КР-1.2 С Содержание 1.110-КР-1.2 ТУ Технические условия 1.110-КР-1.2-1 Свая многосекционная с болтовым стыком рядовая 1.110-КР-1.2-2 Свая многосекционная с болтовым стыком верхняя 1.110-КР-1.2-3 Свая многосекционная с болтовым стыком нижняя 1.110-КР-1.2-4 Свая многосекционная с штыревым стыком нижняя 1.110-КР-1.2-5 Спецификация арматуры на многосекционную сваю со штыревым стыком рядовую 1.110-КР-1.2-6 Свая многосекционная с штыревым стыком рядовая 1.110-КР-1.2-7 Спецификация на каркас КР-1,КР-2,КР-3,КР-4 1.110-КР-1.2-8 Каркас объемный КР-1,КР-2,КР-3,КР-4 1.110-КР-1.2-9 Спецификация на каркас КР-5,КР-6,КР-7 1.110-КР-1.2-10 Каркас объемный КР-5,КР-6,КР-7 1.110-КР-1.2-11 Каркас объемный КР-8,КР-9 1.110-КР-1.2-12 Каркас объемный КР-10 1.110-КР-1.2-13 Каркас объемный КР-11,КР-12 1.110-КР-1.2-14 Свая многосекционная металлическая рядовая 1.110-КР-1.2-15 Свая многосекционная металлическая нижняя 1.110-КР-1.2-16 Ведомость расхода стали 1.110-КР-1.2-17 Ведомость расхода цемента и инертных материалов |
| Разработан: | ЛенжилНИИпроект |
| Утверждён: | ЛенжилНИИпроект |























