Скачать СТ 019 Установка шибера на котле Тула-3. Рабочая документацияДата актуализации: 01.01.2021
|
| Обозначение: | СТ 019 |
| Обозначение англ: | СТ 019 |
| Статус: | действует |
| Название рус.: | Установка шибера на котле "Тула-3". Рабочая документация |
| Дата добавления в базу: | 01.09.2013 |
| Дата актуализации: | 01.01.2021 |
| Дата введения: | 01.01.1978 |
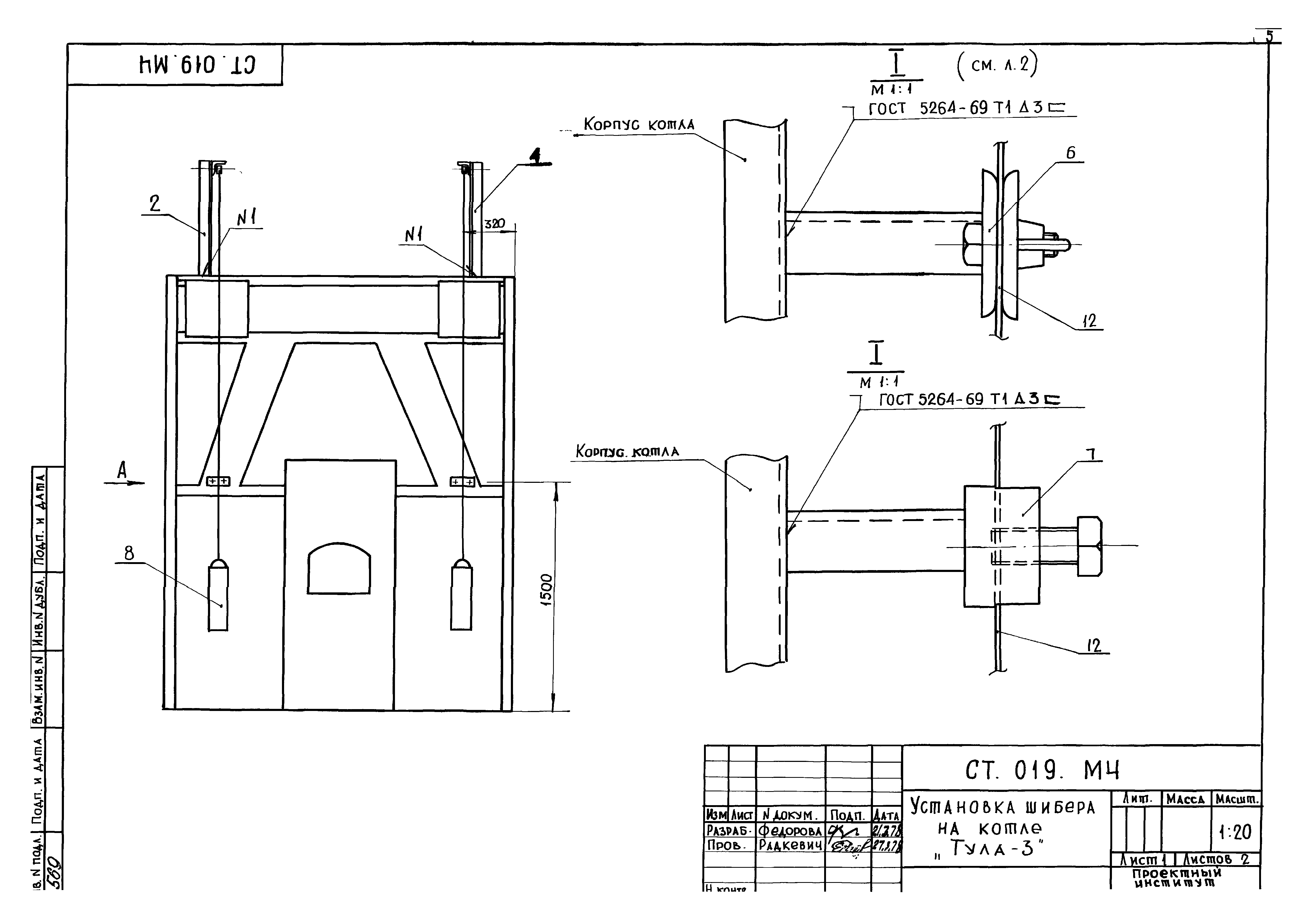
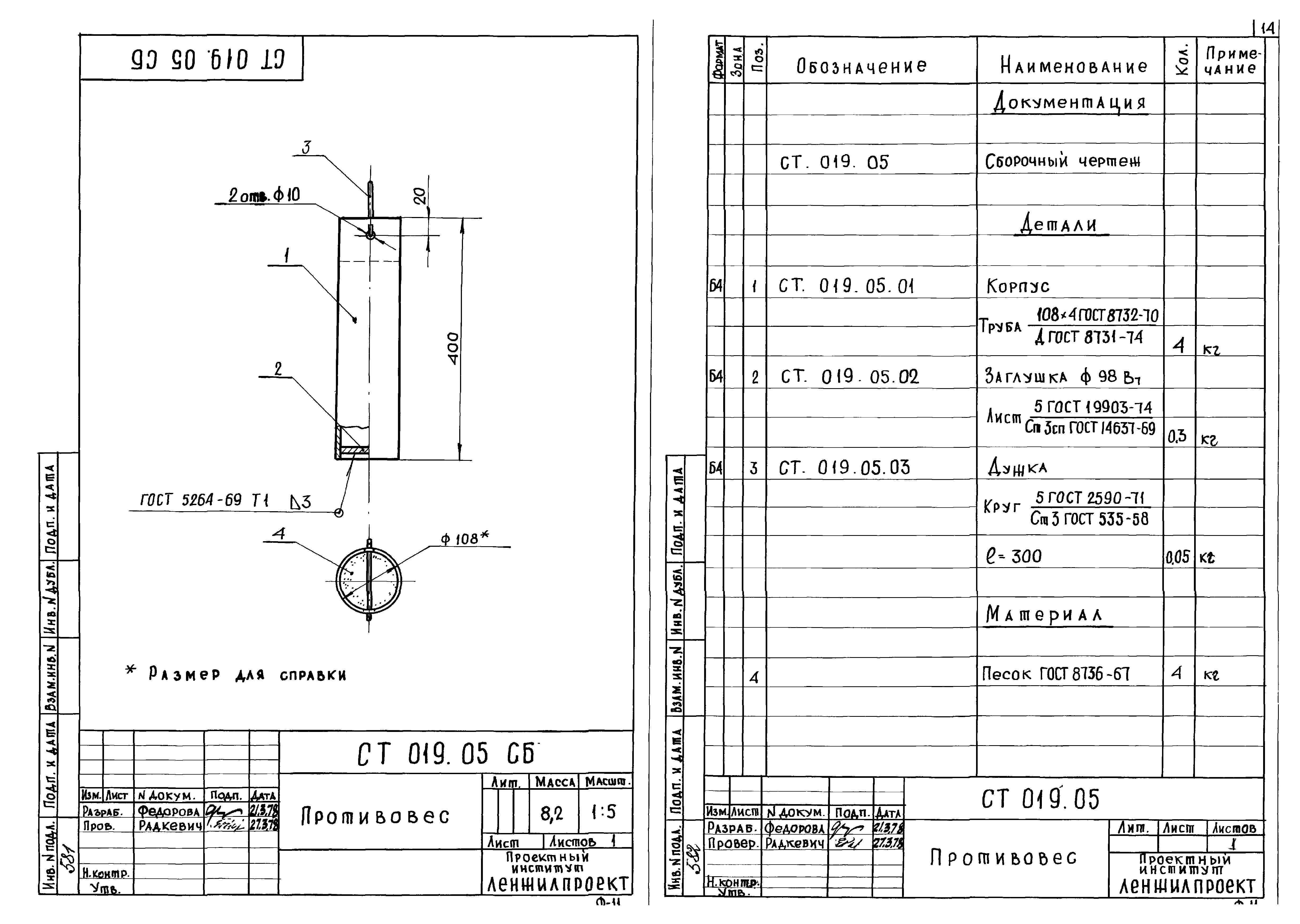
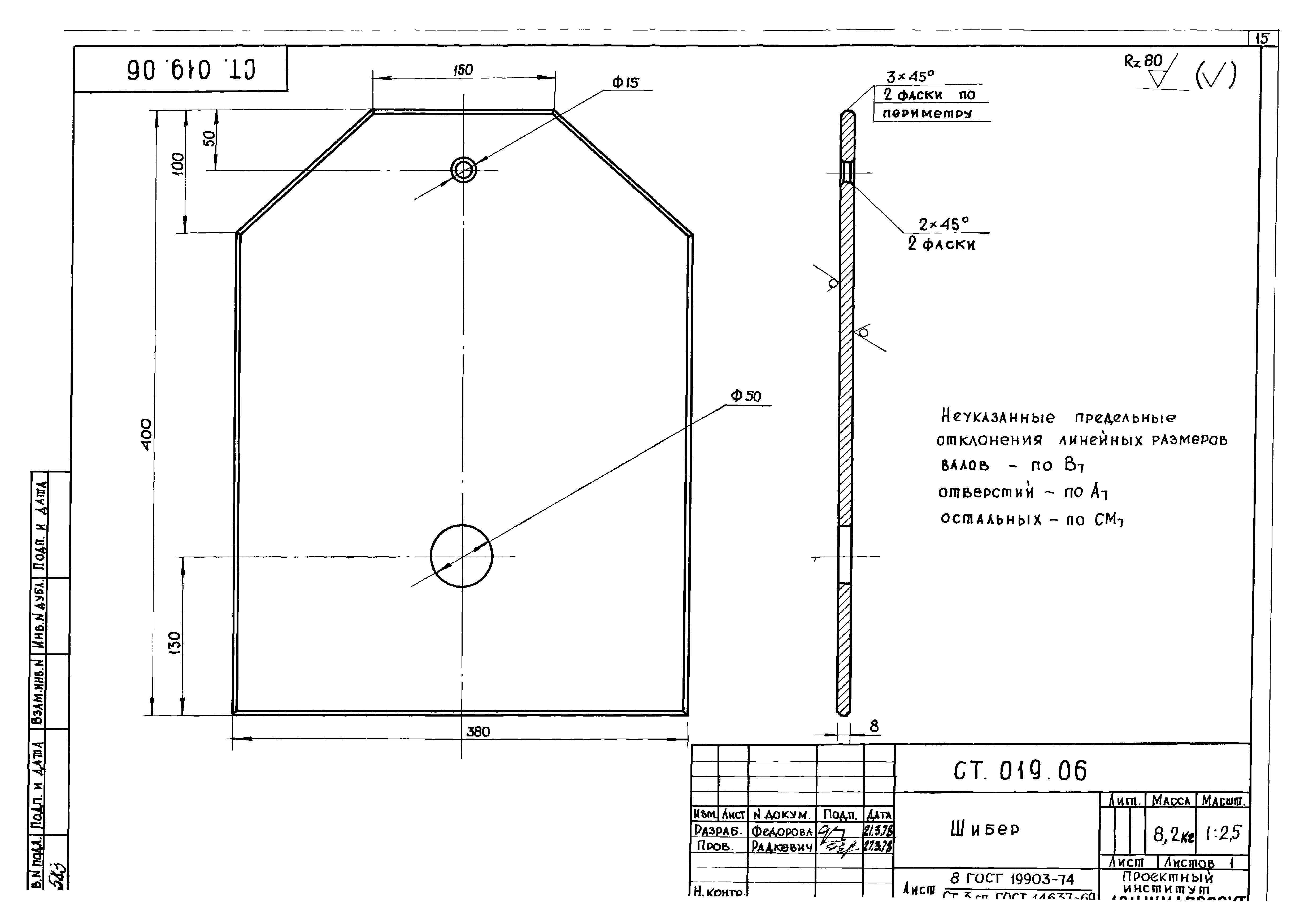
| Оглавление: | СТ 019 ТП Ведомость СТ 019 Установка шибера на котле "Тула-3" СТ 019 М4 Установка шибера на котле "Тула-3" СТ 019.01 Газоход под шибер СТ 019.01 СБ Газоход под шибер СТ 019.02 Кронштейн с роликом СТ 019.02 СБ Кронштейн с роликом СТ 019.03 Фиксатор СТ 019.03 СБ Фиксатор СТ 019.04 Фиксатор СТ 019.04 СБ Фиксатор СТ 019.04.01 Корпус фиксатора СТ 019.05 Противовес СТ 019.05 СБ Противовес СТ 019.06 Шибер СТ 019.01.01 Короб фланцевый СТ 019.01.01.01 Фланец СТ 019.01.01.02 Короб СТ 019.01.01 СБ Короб фланцевый СТ 019.01.01.01 СБ Фланец СТ 019.01.02 Рама СТ 019.01.02 СБ Рама СТ 019.02.01 Кронштейн СТ 019.02.01 СБ Кронштейн СТ 019.02.02 Ось СТ 019.02.03 Ролик СТ 019.03.01 Опора фиксатора шибера СТ 019.03.01 СБ Опора фиксатора шибера СТ 019.02.01.01 Планка СТ 019.03.01.01 Планка |
| Разработан: | ЛенжилНИИпроект |
| Утверждён: | ЛенжилНИИпроект |






















