Скачать Типовой проект 902-2-370.83 Альбом II. Технологическая, архитектурно-строительная, санитарно-техническая, электротехническая части, задание заводу-изготовителю, нестандартизированное оборудованиеДата актуализации: 01.01.2021
|
| Обозначение: | Типовой проект 902-2-370.83 |
| Обозначение англ: | 902-2-370.83 |
| Статус: | не действует |
| Название рус.: | Альбом II. Технологическая, архитектурно-строительная, санитарно-техническая, электротехническая части, задание заводу-изготовителю, нестандартизированное оборудование |
| Дата добавления в базу: | 01.09.2013 |
| Дата актуализации: | 01.01.2021 |
| Дата введения: | 30.12.1982 |
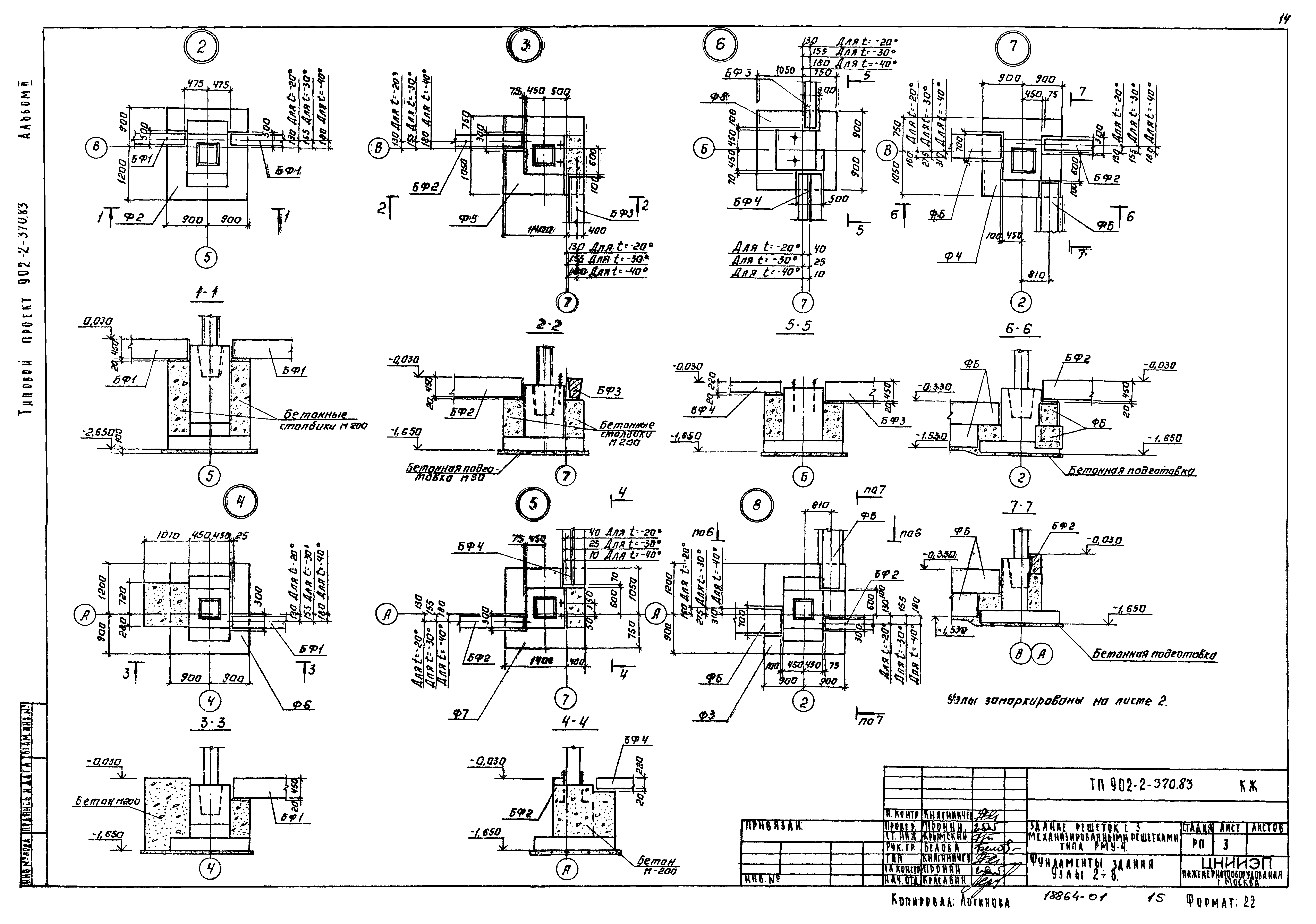
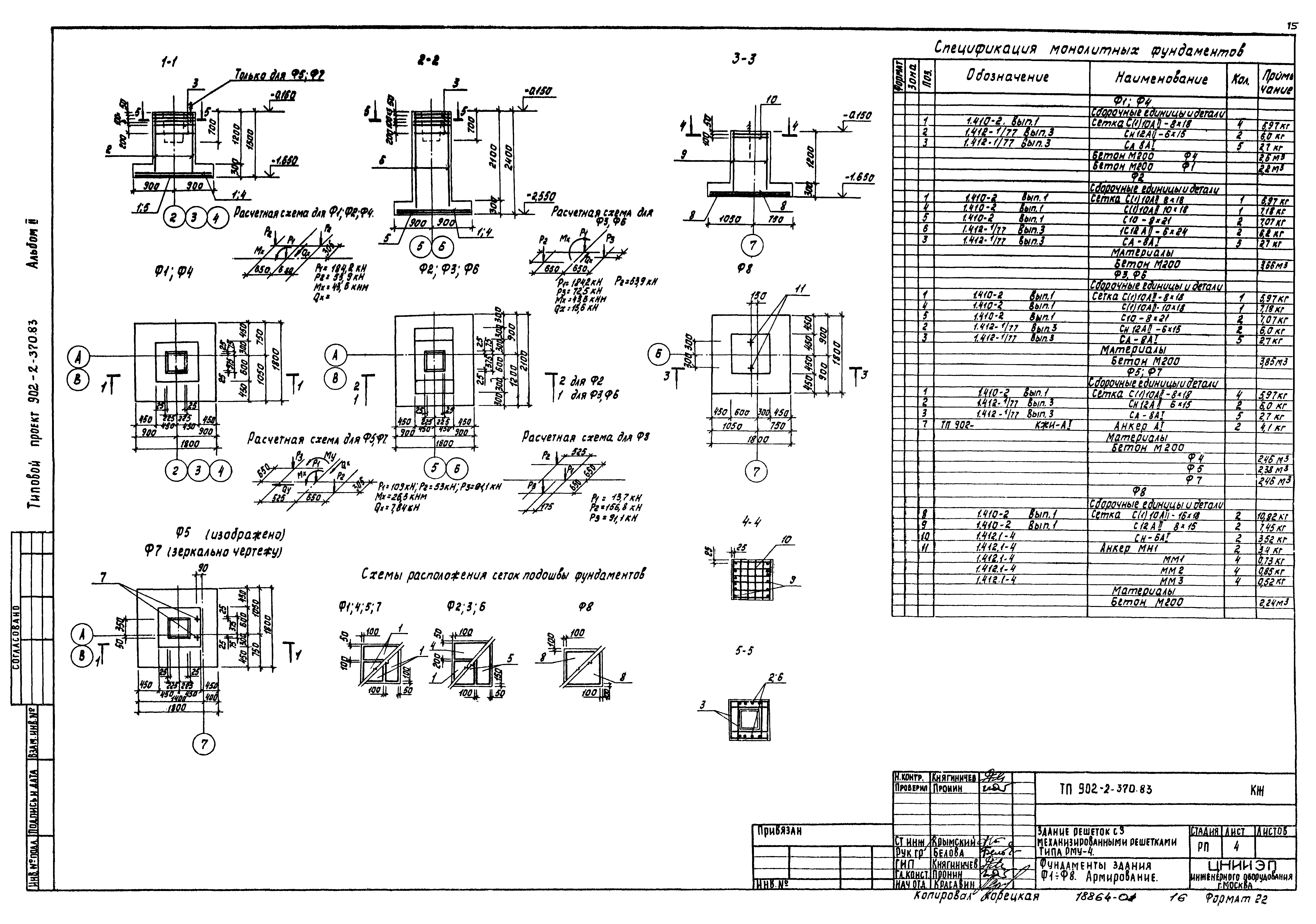
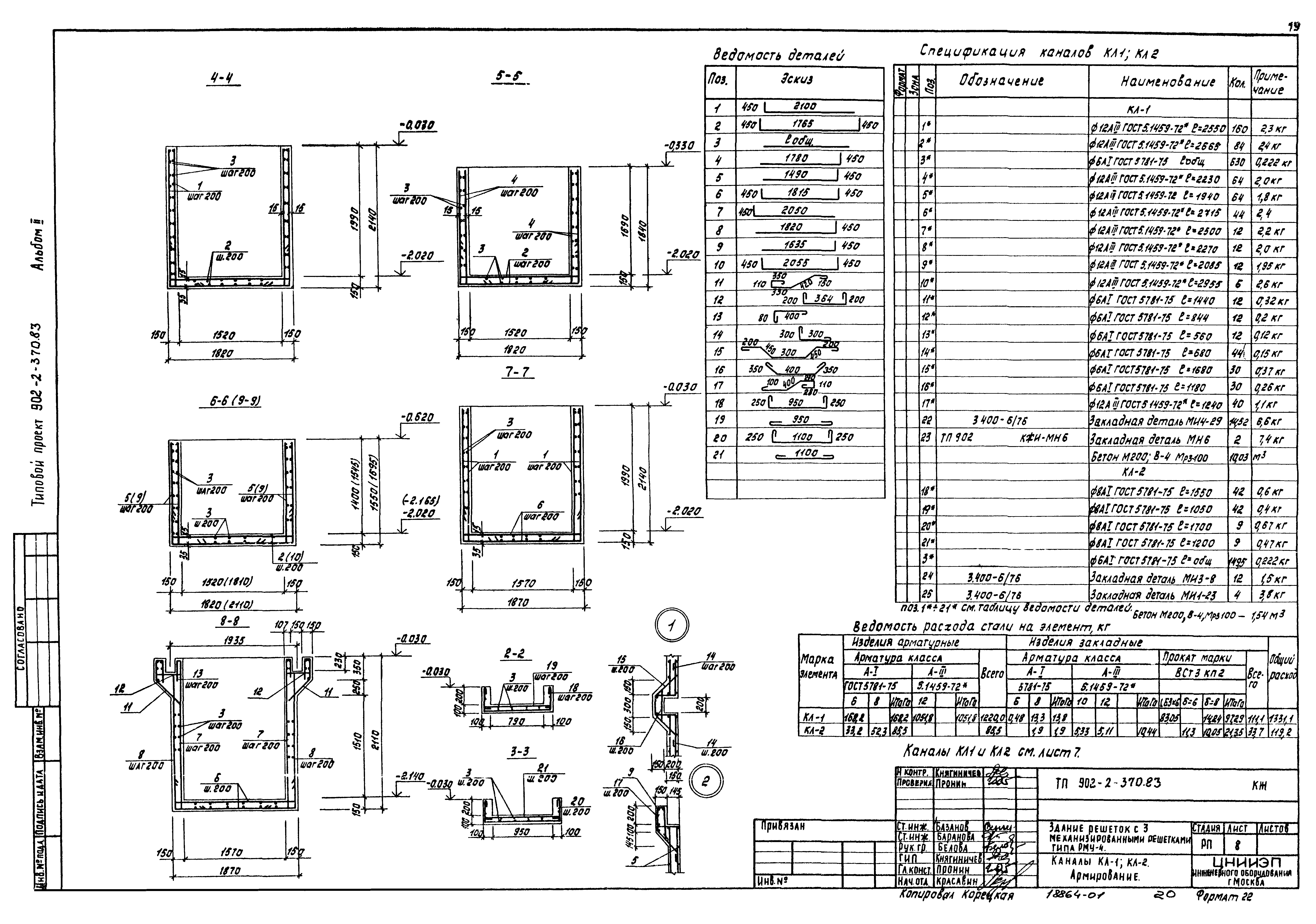
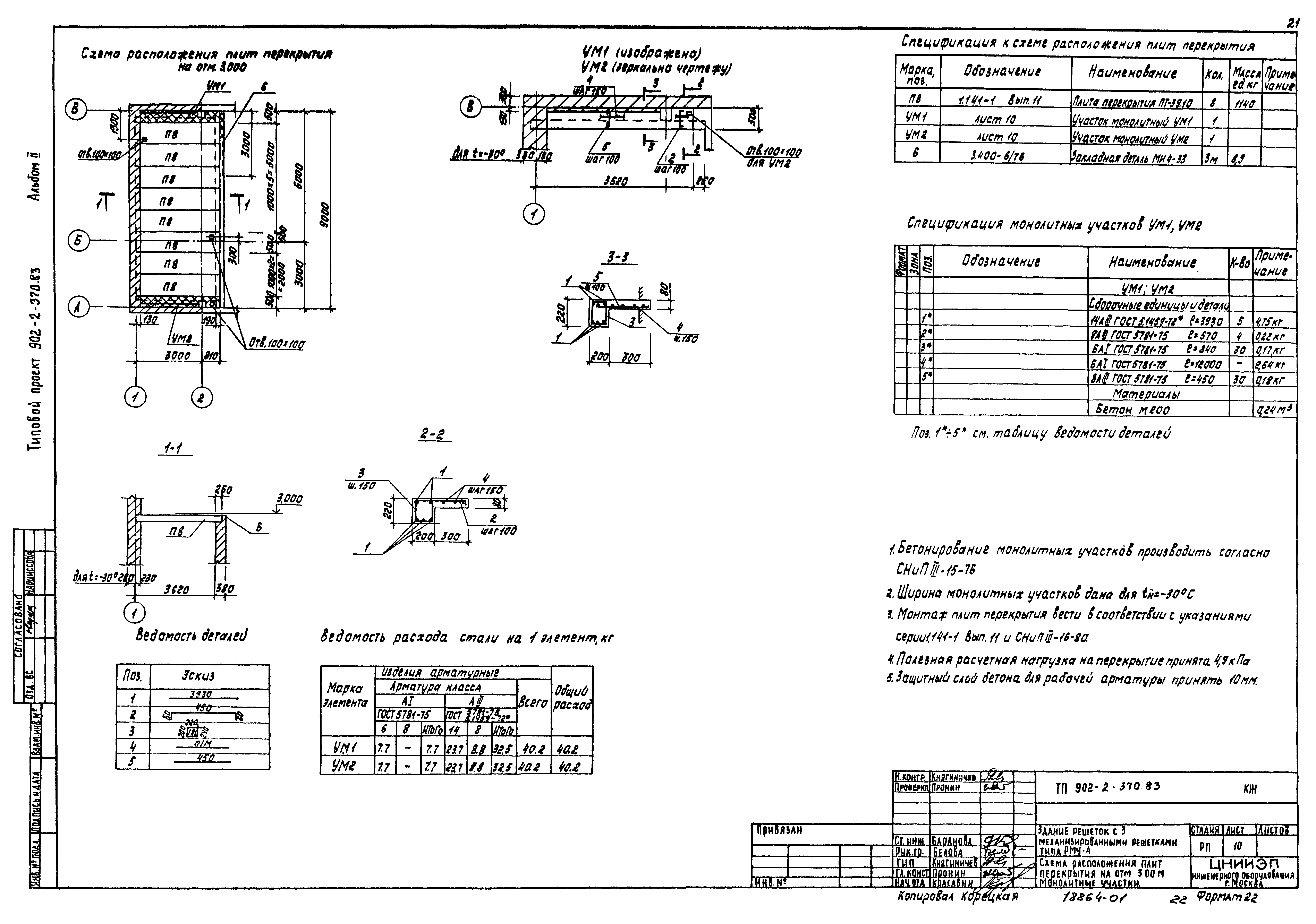
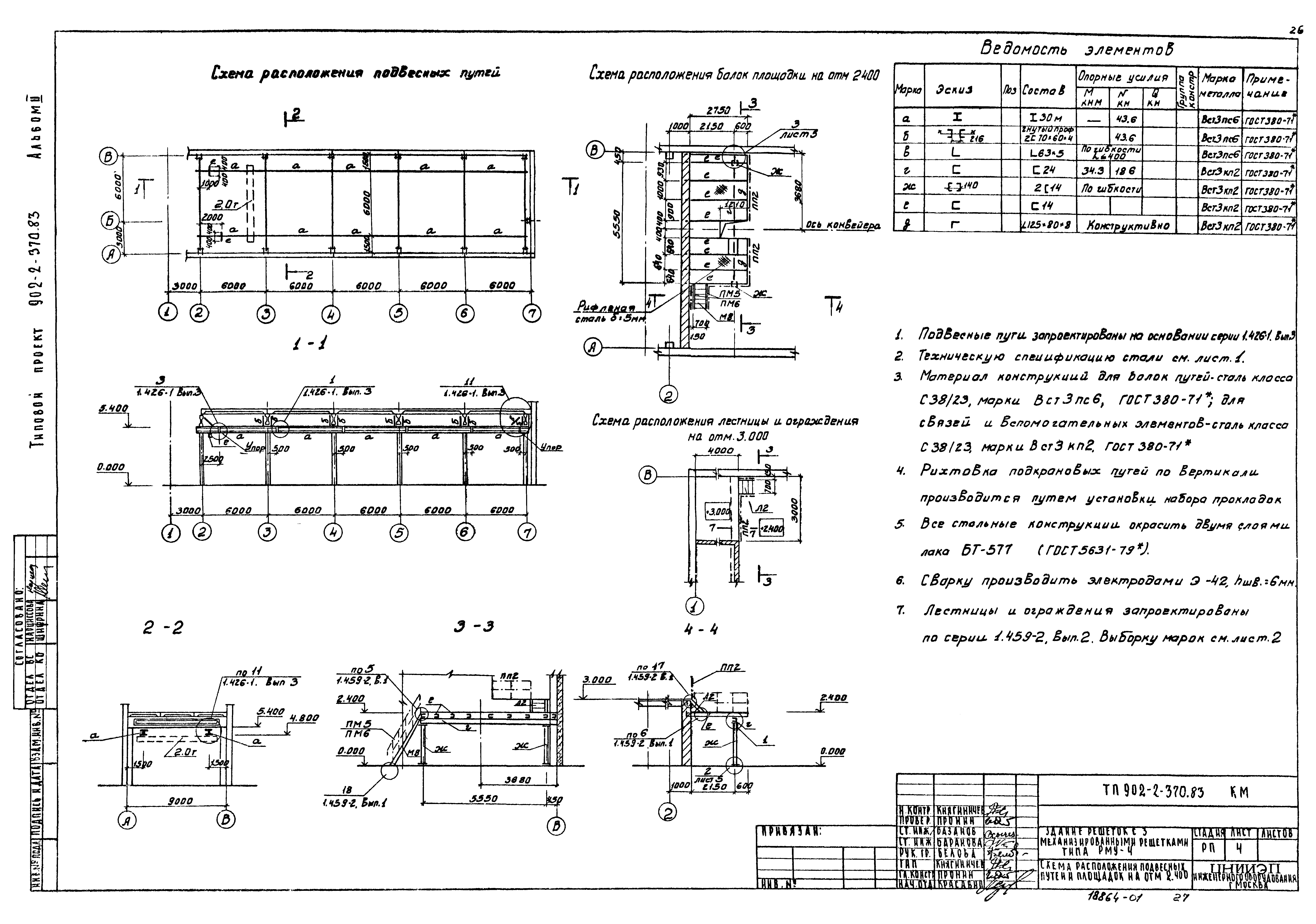
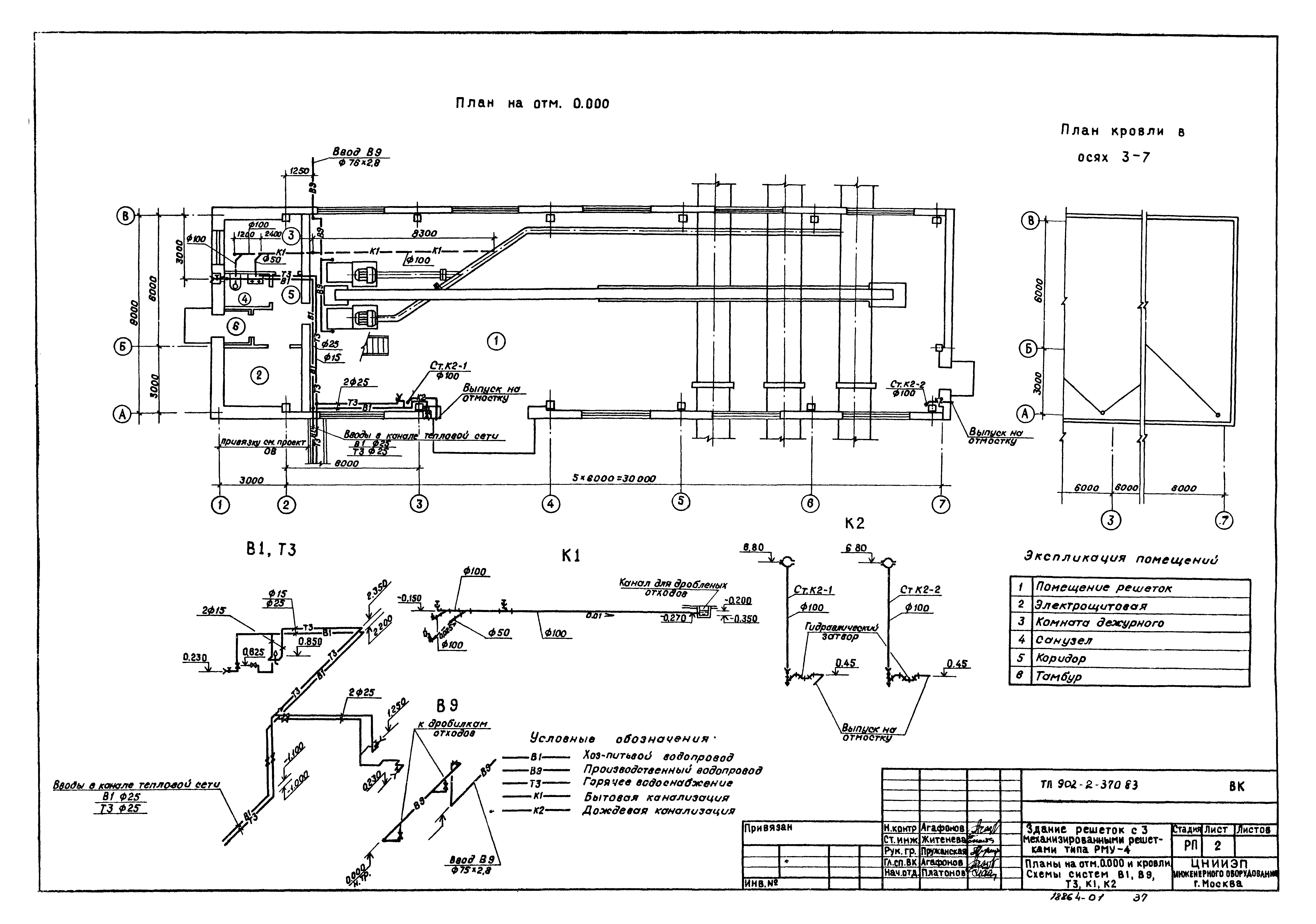
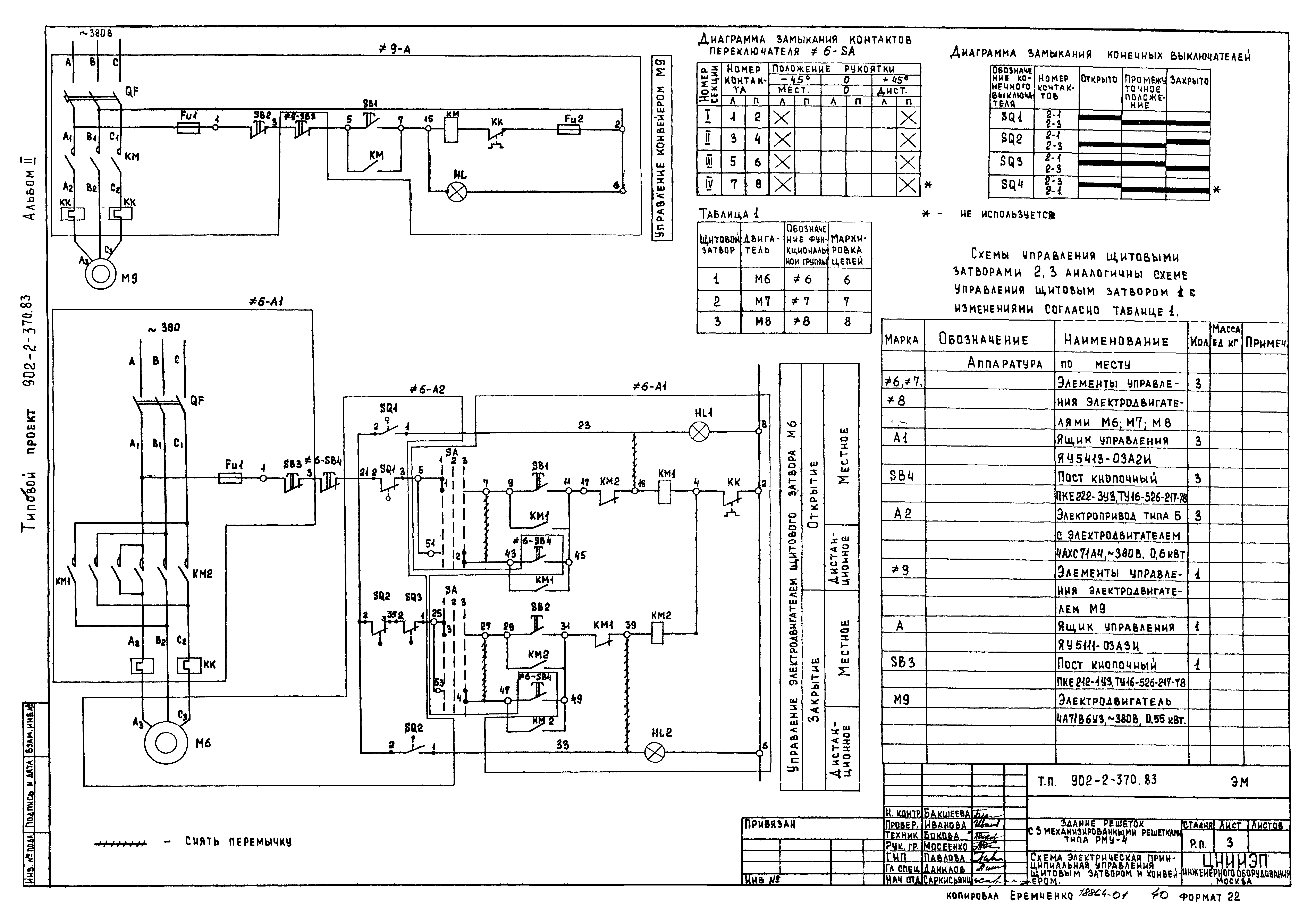
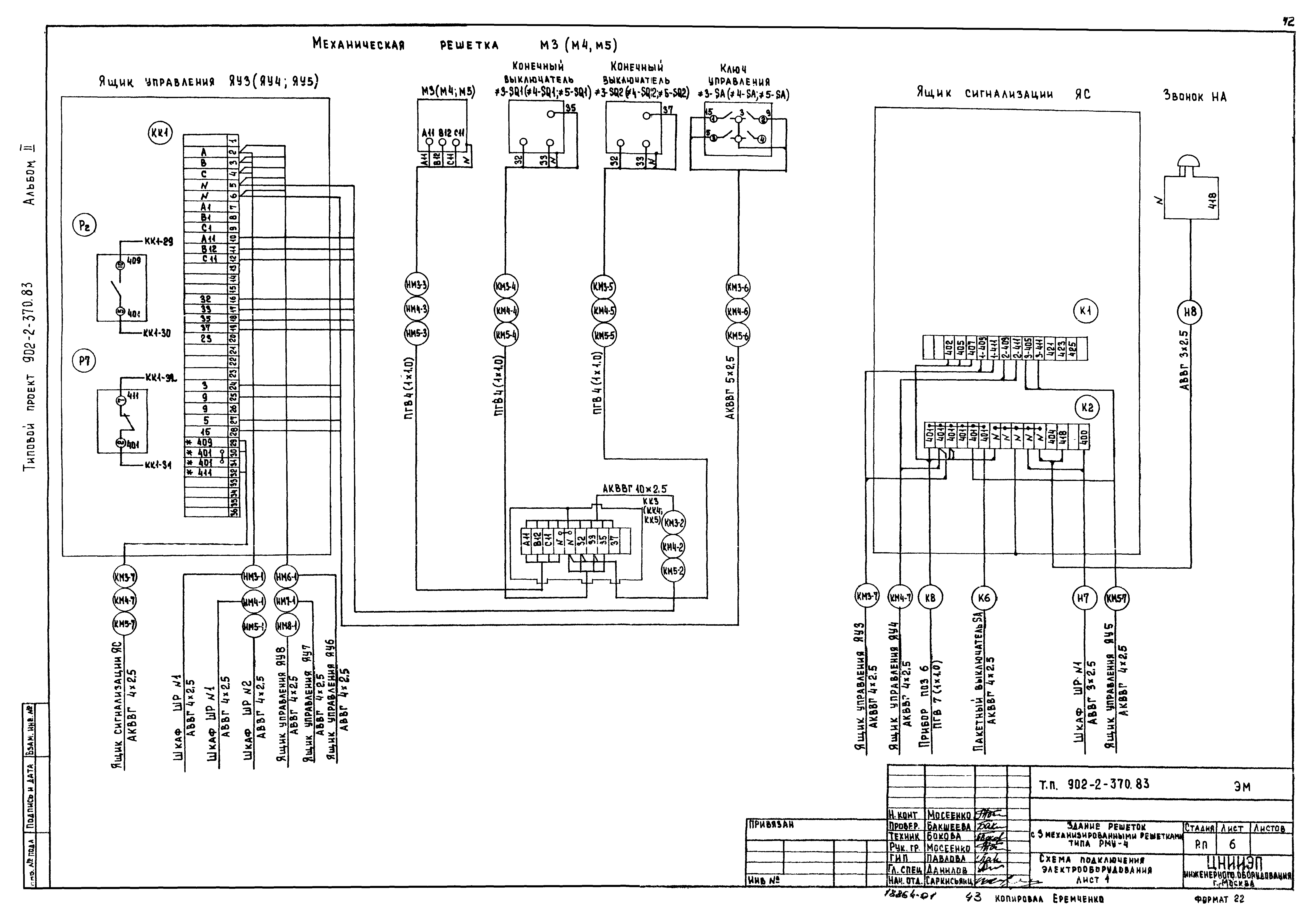
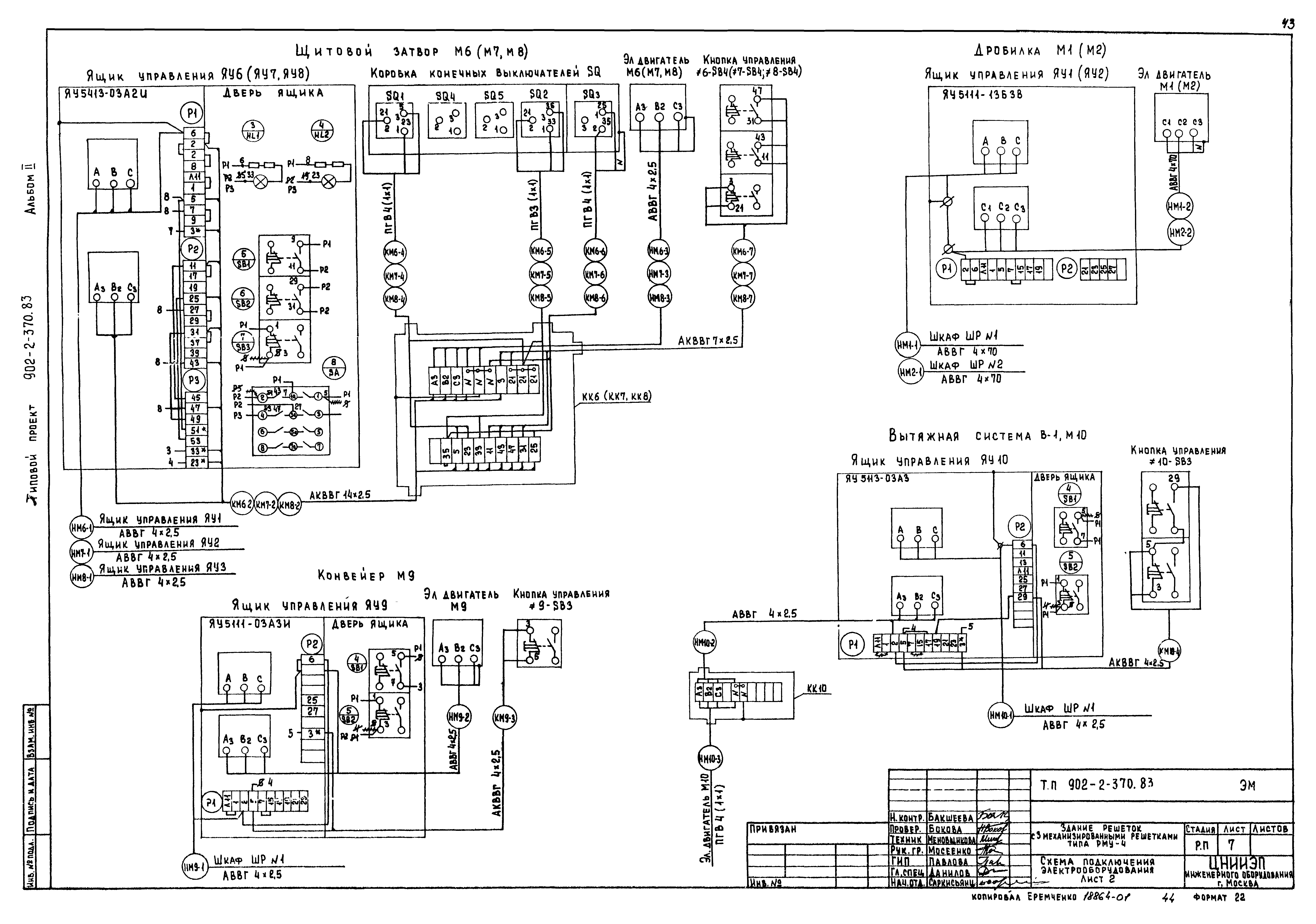
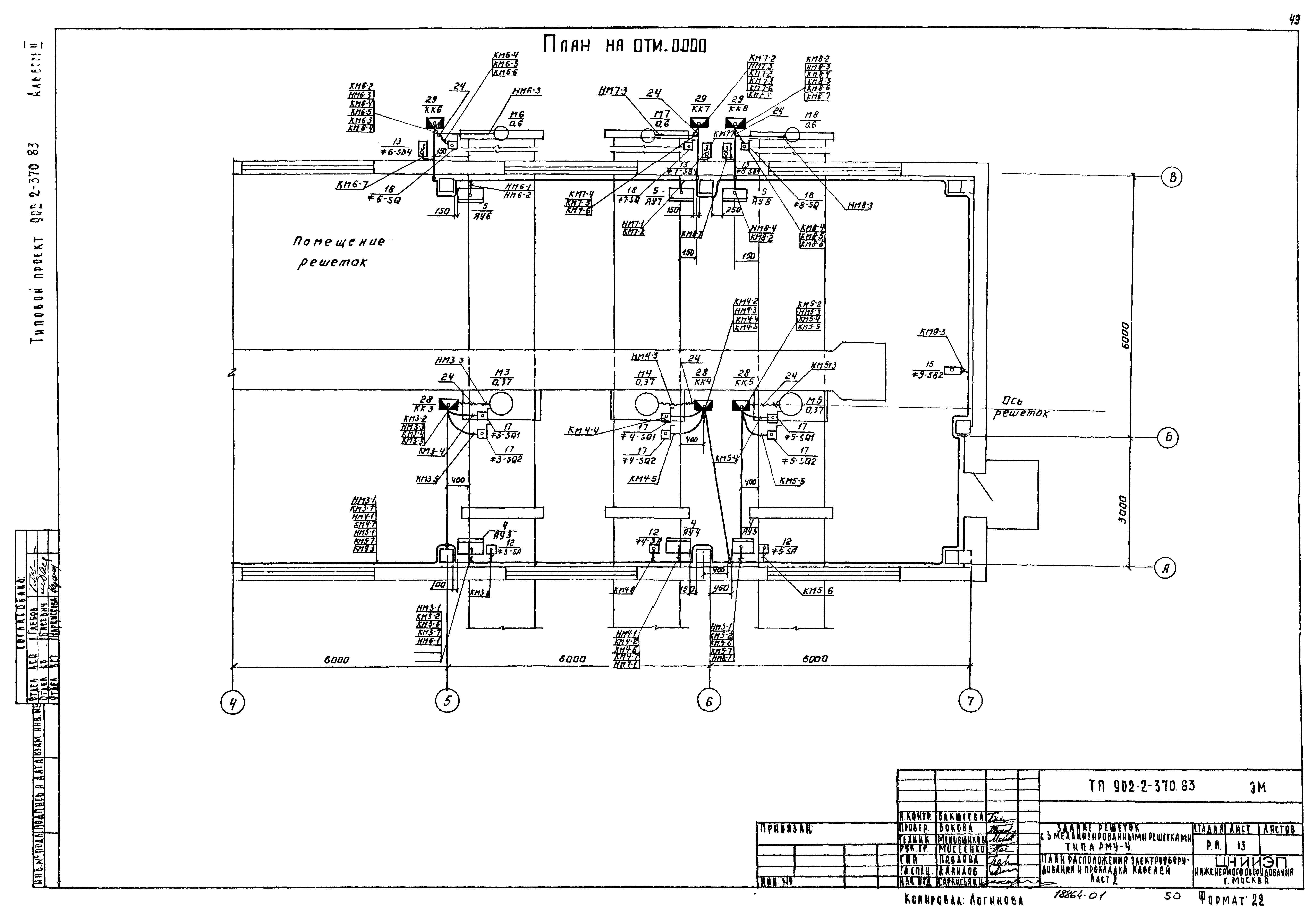
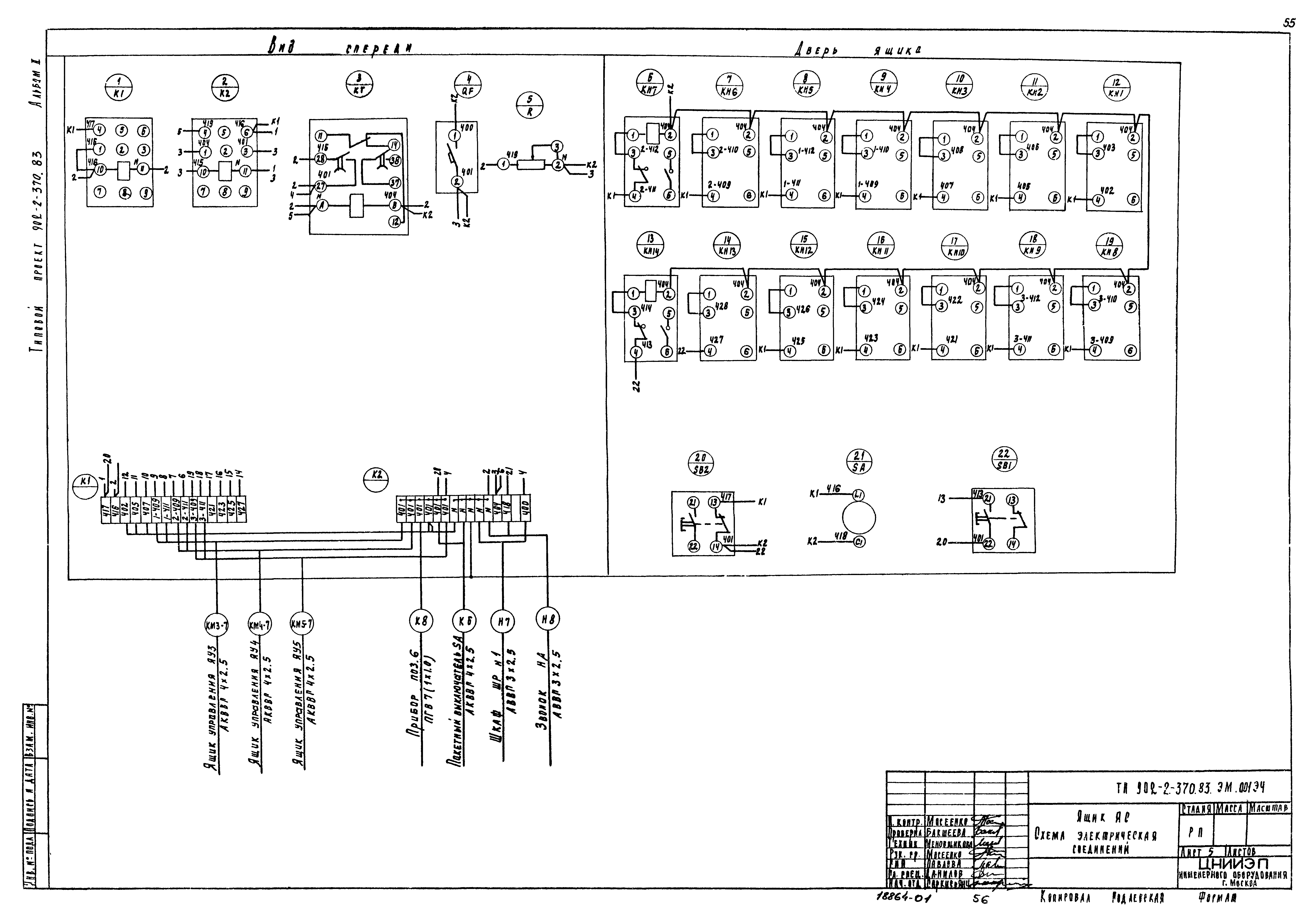
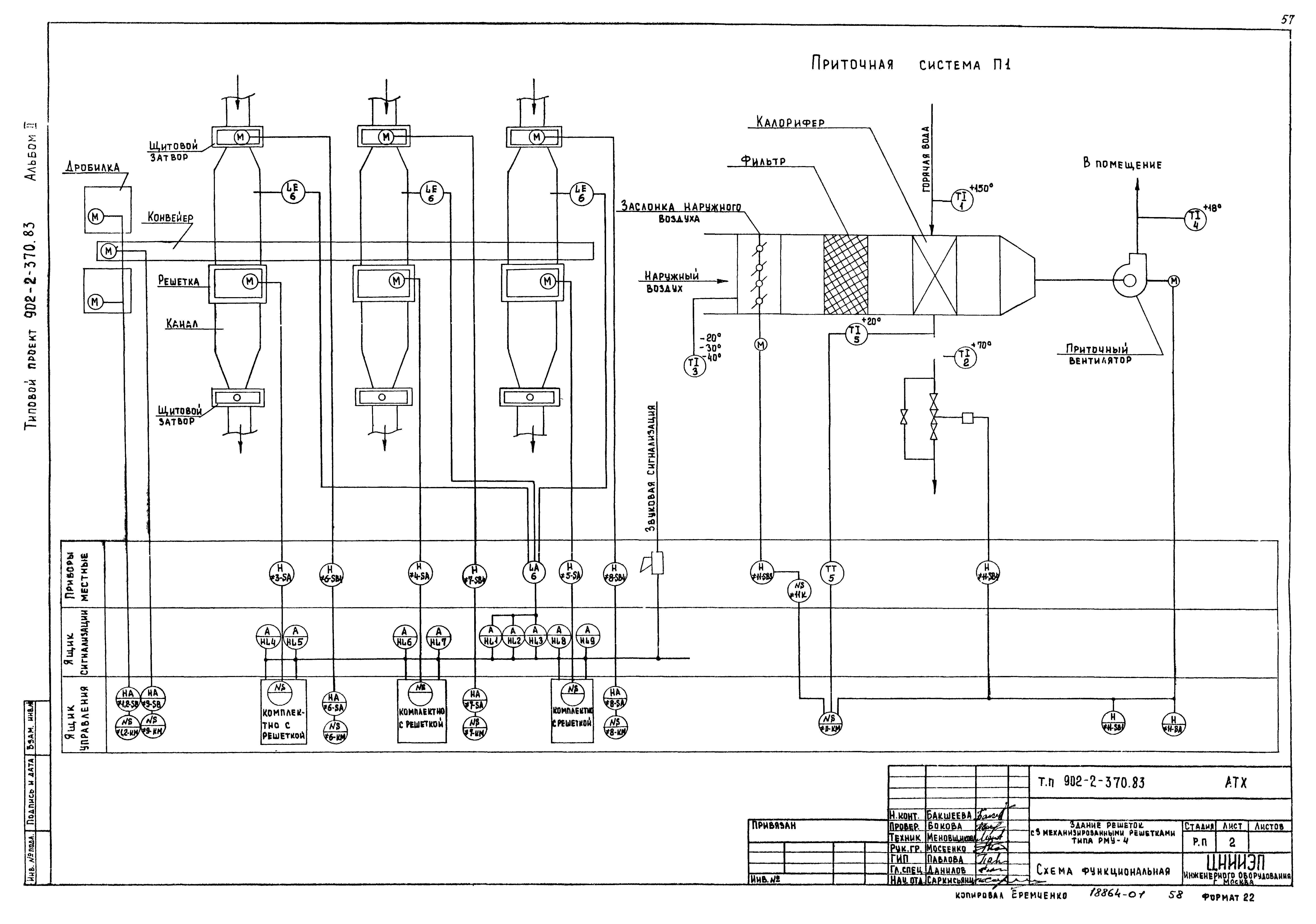
| Оглавление: | ТП 902-2-370.83 Обложка ТП 902-2-370.83 Титульный лист ТП 902-2-370.83 Содержание ТП 902-2-370.83-ТХ Технологическая часть ТП 902-2-370.83-ТХ-1 Общие данные ТП 902-2-370.83-ТХ-2 Расположение технологического оборудования. План. Разрез 1-1 ТП 902-2-370.83-ТХ-3 Расположение технологического оборудования. План. Разрез 2-2 ТП 902-2-370.83-ТХ-4 Расположение технологического оборудования. Вид А. Разрез 3-3. План фундаментов под дробилки. Затвор щитовой ТП 902-2-370.83-АР,КЖ Архитектурно-строительная часть ТП 902-2-370.83-АР-1 Общие данные ТП 902-2-370.83-АР-2 Планы на отм. 0.000 и 3.000 ТП 902-2-370.83-АР-3 Разрезы 1-1,2-2,3-3 и детали ТП 902-2-370.83-АР-4 Фасады 1-7,7-1,А-В,В-А ТП 902-2-370.83-АР-5 Планы полов и кровли, экспликация полов, ведомости перемычек и отделки помещений ТП 902-2-370.83-КЖ-1 Общие данные ТП 902-2-370.83-КЖ-2 Схема расположения фундаментов здания. Узел 1 ТП 902-2-370.83-КЖ-3 Фундаменты здания. Узлы 2-8 ТП 902-2-370.83-КЖ-4 Фундаменты здания Ф1-Ф-8. Армирование ТП 902-2-370.83-КЖ-5 Схемы расположения каналов и фундаментов под оборудование, плит перекрытия канала кл. 1 ТП 902-2-370.83-КЖ-6 Фундаменты под оборудование. Детали. Сечения ТП 902-2-370.83-КЖ-7 Каналы кл. 1, кл. 2. Опалубка ТП 902-2-370.83-КЖ-8 Каналы кл. 1, кл. 2. Армирование ТП 902-2-370.83-КЖ-9 Схемы расположения колонн, балок, плит покрытия. Узлы 1,2 ТП 902-2-370.83-КЖ-10 Схема расположения перекрытия на отм. 3.000 м. Монолитные участки ТП 902-2-370.83-КЖ-11 Схемы расположения стеновых панелей и металлических элементов фахверка ТП 902-2-370.83-КЖ-12 Фрагменты к схемам расположения стеновых панелей ТП 902-2-370.83-КМ-1 Общие данные. Начало ТП 902-2-370.83-КМ-2 Общие данные. Продолжение ТП 902-2-370.83-КМ-3 Общие данные. Окончание ТП 902-2-370.83-КМ-4 Схемы расположения подвесных путей, площадок на отм. 2.400 ТП 902-2-370.83-КМ-5 Площадка на отм. 2.400. Узлы, сечения ТП 902-2-370.83-ОВ,ВК Санитарно-техническая часть ТП 902-2-370.83-ОВ-1 Общие данные ТП 902-2-370.83-ОВ-2 Планы на отм. 0.000 и 3.000 ТП 902-2-370.83-ОВ-3 Схемы систем вентиляции П1,ВЕ1, отопления и теплоснабжения А1-А2 ТП 902-2-370.83-ОВ-4 Установка системы П1. Схема системы теплоснабжения ТП 902-2-370.83-ОВ-5 Установка системы В1 ТП 902-2-370.83-ОВН-1 Переходы ТП 902-2-370.83-ОВН-2 Воздуховоды из асбестоцементных листов ТП 902-2-370.83-ОВН-3 Узлы соединений ТП 902-2-370.83-ВК-1 Общие данные ТП 902-2-370.83-ВК-2 Планы на отм. 0.000 и кровли. Схемы систем В1,В9,Т3,К1,К2 ТП 902-2-370.83-ЭМ Электротехническая часть ТП 902-2-370.83-ЭМ-1 Общие данные ТП 902-2-370.83-ЭМ-2 Схема электрическая принципиальная питания электрооборудования ТП 902-2-370.83-ЭМ-3 Схема электрическая принципиальная управления щитовыми затворами и конвейером ТП 902-2-370.83-ЭМ-4 Схема электрическая принципиальная управления вентиляторами ТП 902-2-370.83-ЭМ-5 Схема электрическая принципиальная аварийной сигнализации ТП 902-2-370.83-ЭМ-6 Схема подключений электрооборудования. Лист 1 ТП 902-2-370.83-ЭМ-7 Схема подключений электрооборудования. Лист 2 ТП 902-2-370.83-ЭМ-8 Схема подключений электрооборудования. Лист 3 ТП 902-2-370.83-ЭМ-9 Кабельный журнал. Лист 1 ТП 902-2-370.83-ЭМ-10 Кабельный журнал. Лист 2 ТП 902-2-370.83-ЭМ-11 Кабельный журнал. Лист 3 ТП 902-2-370.83-ЭМ-12 План расположения электрооборудования и прокладка кабелей. Лист 1 ТП 902-2-370.83-ЭМ-13 План расположения электрооборудования и прокладка кабелей. Лист 2 ТП 902-2-370.83-ЭМ-14 План расположения электрооборудования и прокладка кабелей. Лист 3 ТП 902-2-370.83-ЭМ-15 Электрическое освещение. Планы на отм. 0.000 и 3.000 ТП 902-2-370.83-ЭМ-ВО-1 Ведомости электрооборудования и кабелей, потребности в электромонтажных изделиях, изделий мастерских электромонтажных заготовок. Лист 1 ТП 902-2-370.83-ЭМ-ВО-2 Ведомости электрооборудования и кабелей, потребности в электромонтажных изделиях, изделий мастерских электромонтажных заготовок. Лист 2 ТП 902-2-370.83-ЭМ.000-1 Задание заводу-изготовителю. Перечень чертежей ТП 902-2-370.83-ЭМ.000-2 Ящик ЯС. Технические данные аппаратов ТП 902-2-370.83-ЭМ.001.ВО Ящик ЯС. Общий вид ТП 902-2-370.83-ЭМ.001.ТБ Ящик ЯС. Таблица перечня надписей ТП 902-2-370.83-ЭМ.001.ЭЧ Ящик ЯС. Схема электрическая соединений ТП 902-2-370.83-АТХ-1 Общие данные ТП 902-2-370.83-АТХ-2 Схема функциональная ТП 902-2-370.83-АТХ-3 Схема подключения приборов технологического контроля ТП 902-2-370.83-АТХ-4 Расположение приборов технологического контроля и прокладка кабеля ТП 902-2-370.83-СС-1 Общие данные. План на отм. 0.000 с сетями связи. Экспликация помещений ТП 902-2-370.83 Нестандартизированное оборудование ТП 902-2-370.83 1124.04.000 Контейнер для отбросов ТП 902-2-370.83 1124.07.000 Конвейер горизонтально-наклонный В=500 ТП 902-2-370.83 1124.08.000 Бункер для отбросов ТП 902-2-370.83 1124.09.000 Затвор щитовой 1500х2000 ТП 902-2-370.83 1124.10.000 Лоток ТП 902-2-370.83 1124.11.000 Лоток |
| Разработан: | ЦНИИЭП |
| Утверждён: | 27.08.1982 Госгражданстрой (Gosgrazhdanstroy 237) |
| Чем заменён: |





































































