Скачать Типовой проект 902-1-61 Альбом III. Строительные изделия. Подземная частьДата актуализации: 01.01.2021
|
| Обозначение: | Типовой проект 902-1-61 |
| Обозначение англ: | 902-1-61 |
| Статус: | действует |
| Название рус.: | Альбом III. Строительные изделия. Подземная часть |
| Дата добавления в базу: | 01.09.2013 |
| Дата актуализации: | 01.01.2021 |
| Дата введения: | 01.11.1982 |
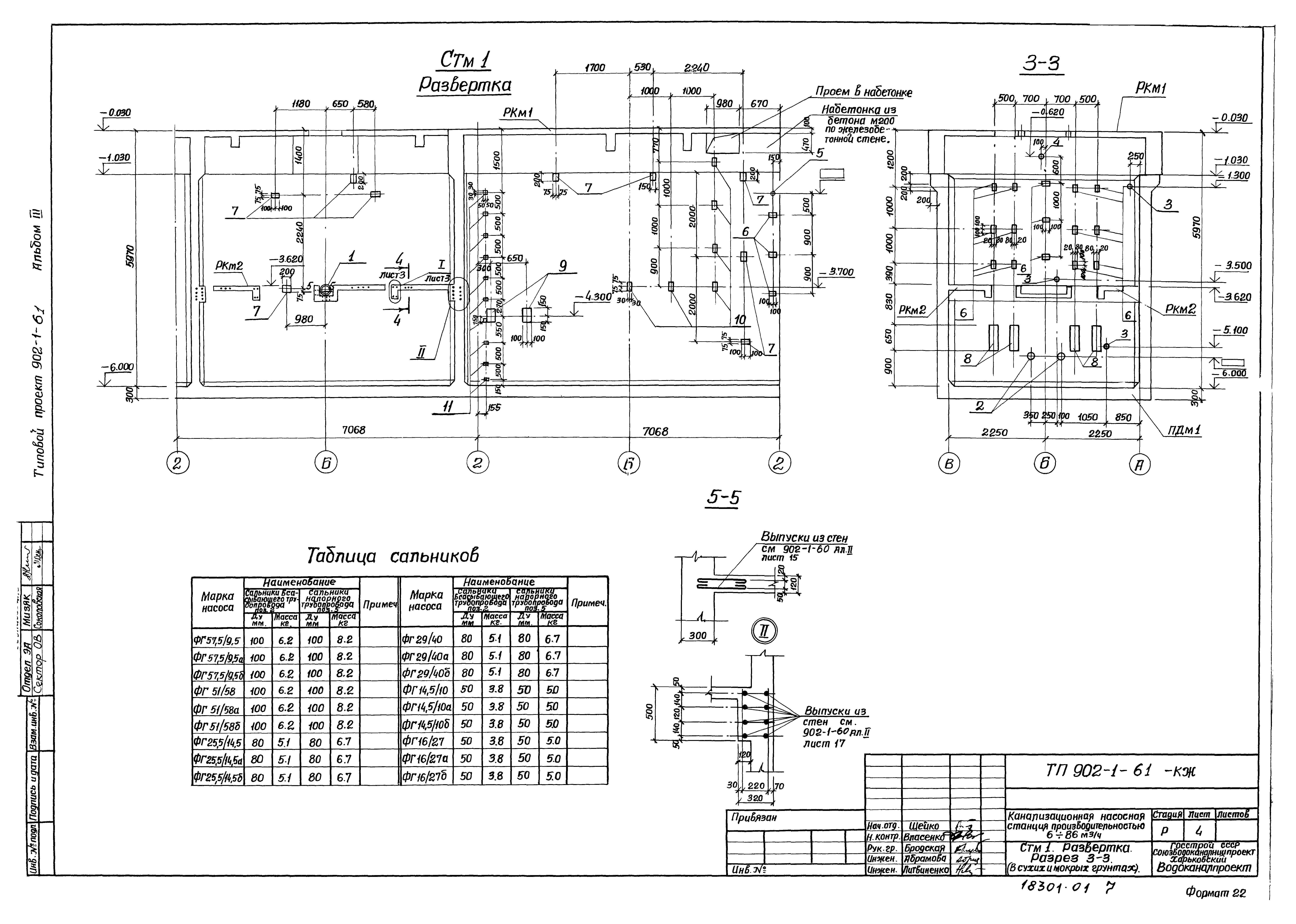
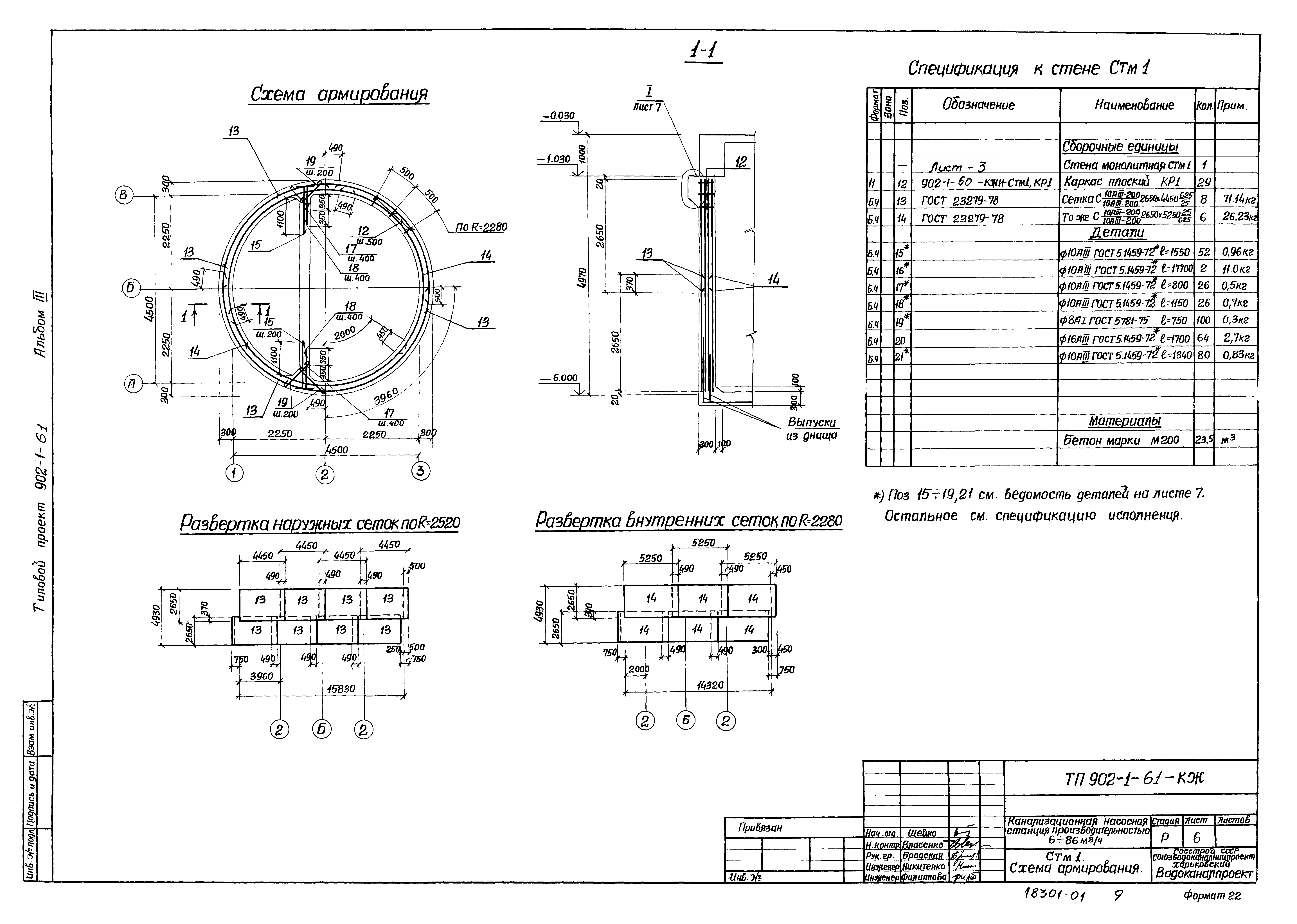
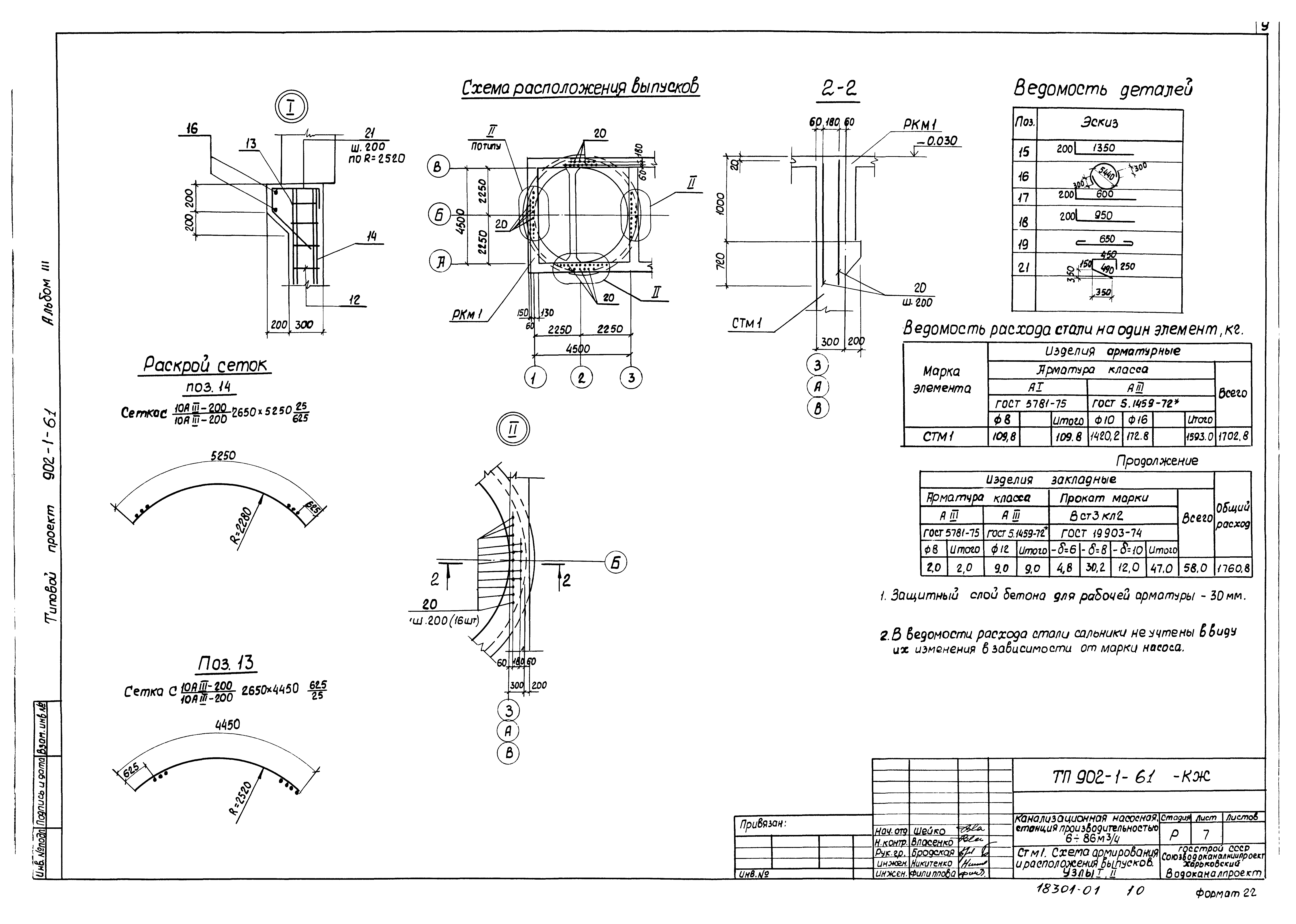
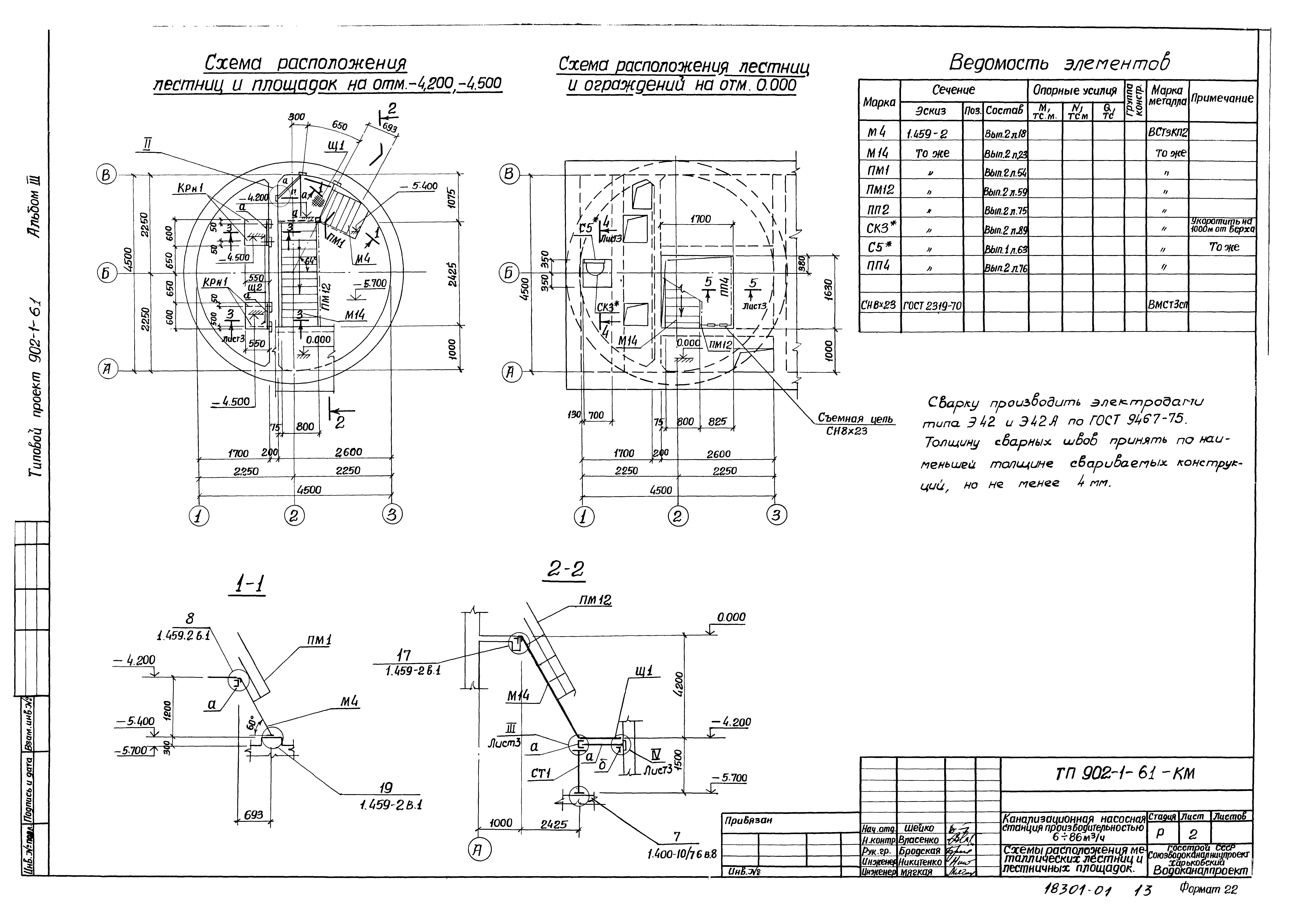
| Оглавление: | ТП 902-1-61 Содержание ТП 902-1-61-КЖ Основной комплект марки КЖ ТП 902-1-61-КЖ-1 Общие данные ТП 902-1-61-КЖ-2 Планы на отм. -3.600 и -5.700 Разрезы 1-1,2-2 (в сухих и мокрых грунтах) ТП 902-1-61-КЖ-3 Схема расположения элементов подземной части (в сухих и мокрых грунтах) ТП 902-1-61-КЖ-4 СТМ1. Развертка. Разрез 3-3 (в сухих и мокрых грунтах) ТП 902-1-61-КЖ-5 Плита днища ПДМ1. Схема армирования (в сухих и мокрых грунтах) ТП 902-1-61-КЖ-6 СТМ1. Схема армирования ТП 902-1-61-КЖ-7 СТМ1. Схема армирования и расположения выпусков. Узлы 1,2 ТП 902-1-61-КЖ-8 СТМ2. Схема армирования ТП 902-1-61-КМ Основной комплект марки КМ ТП 902-1-61-КМ-1 Общие данные ТП 902-1-61-КМ-2 Схемы расположения металлических лестниц и лестничных площадок ТП 902-1-61-КМ-3 Схемы расположения металлических лестниц и лестничных площадок. Сечения 3-3÷6-6. Узлы 1-4 |
| Разработан: | Харьковский Водоканалпроект |
| Утверждён: | 29.04.1982 Главпромстройпроект Госстроя СССР (15) |













