Скачать Типовой проект 902-1-62 Альбом IX.84. Сметы. Подземная часть (монолитный вариант)Дата актуализации: 01.01.2021
|
| Обозначение: | Типовой проект 902-1-62 |
| Обозначение англ: | 902-1-62 |
| Статус: | действует |
| Название рус.: | Альбом IX.84. Сметы. Подземная часть (монолитный вариант) |
| Дата добавления в базу: | 01.09.2013 |
| Дата актуализации: | 01.01.2021 |
| Дата введения: | 08.02.1984 |
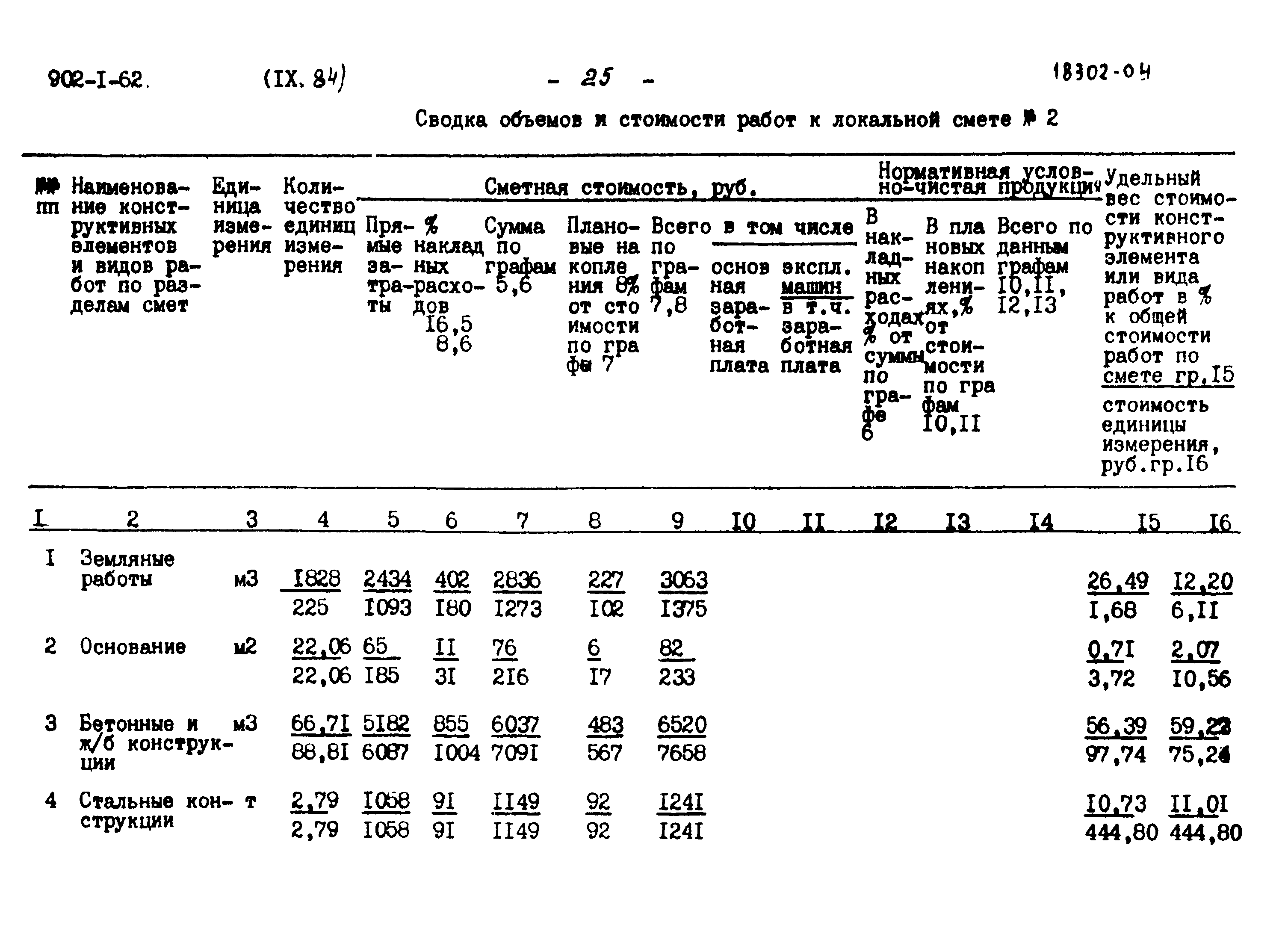
| Оглавление: | ТП 902-1-62 Пояснительная записка ТП 902-1-62 Объектная смета № 1 ТП 902-1-62 Локальная смета № 1. Общестроительные работы подземной части ТП 902-1-62 Ведомость потребности в производственных ресурсах |
| Разработан: | Харьковский Водоканалпроект |
| Утверждён: | 29.04.1982 Главпромстройпроект Госстроя СССР (15) |






























