Скачать Типовой проект 902-1-63 Альбом VI. Заказные спецификации (из ТП 902-1-60)Дата актуализации: 01.01.2021
|
| Обозначение: | Типовой проект 902-1-63 |
| Обозначение англ: | 902-1-63 |
| Статус: | действует |
| Название рус.: | Альбом VI. Заказные спецификации (из ТП 902-1-60) |
| Дата добавления в базу: | 01.09.2013 |
| Дата актуализации: | 01.01.2021 |
| Дата введения: | 01.11.1982 |
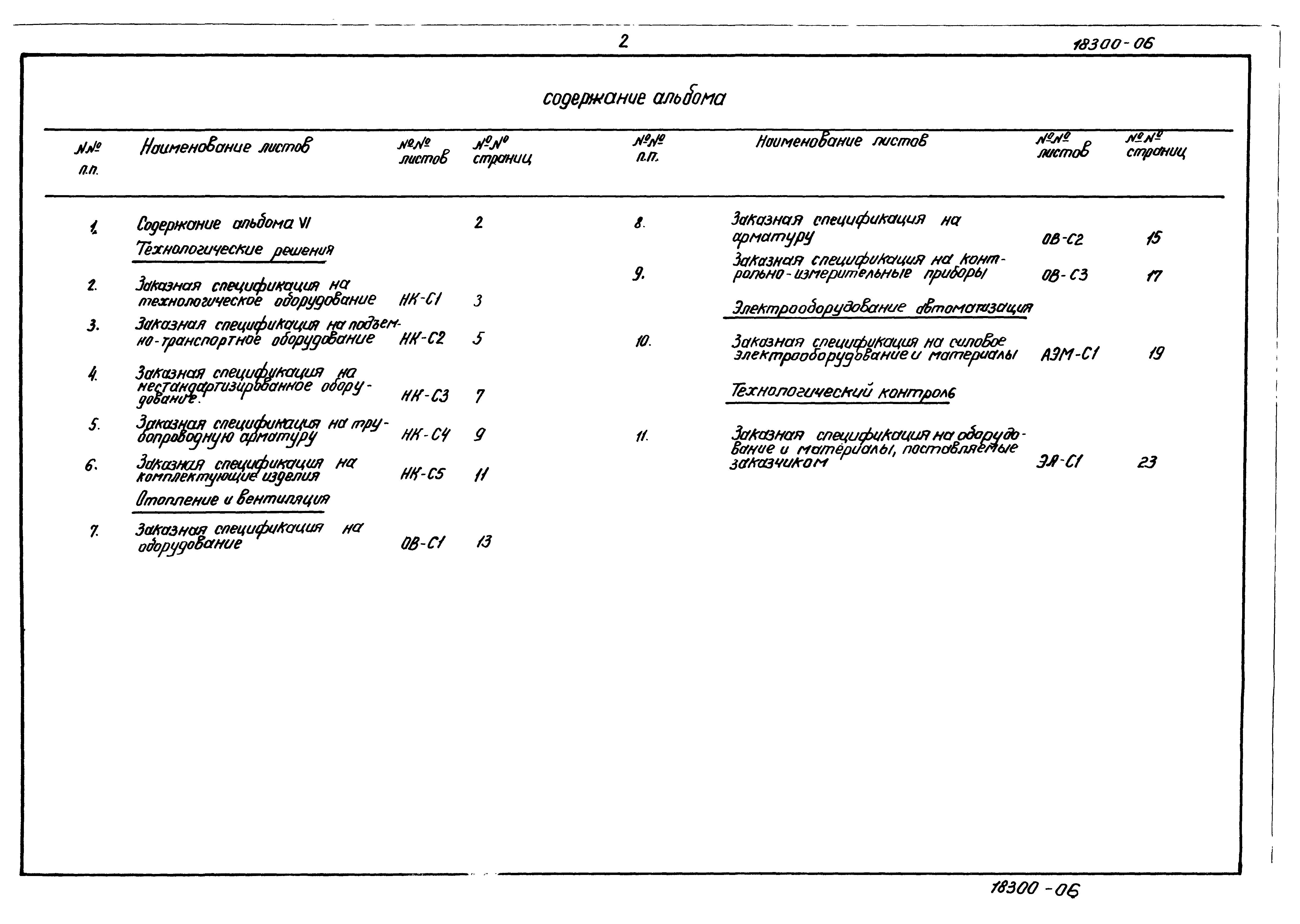
| Оглавление: | ТП 902-1-60 Содержание альбома 6 ТП 902-1-60-НК Технологические решения ТП 902-1-60-НК-С1 Заказная спецификация на технологическое оборудование ТП 902-1-60-НК-С2 Заказная спецификация на подъемно-транспортное оборудование ТП 902-1-60-НК-С3 Заказная спецификация на нестандатизированное оборудование ТП 902-1-60-НК-С4 Заказная спецификация на трубопроводную арматуру ТП 902-1-60-НК-С5 Заказная спецификация на комплектующие изделия ТП 902-1-60-ОВ Отопление и вентиляция ТП 902-1-60-ОВ-С1 Заказная спецификация на оборудование ТП 902-1-60-ОВ-С2 Заказная спецификация на арматуру ТП 902-1-60-ОВ-С3 Заказная спецификация на контрольно-измерительные приборы ТП 902-1-60-АЭМ Электрооборудование и автоматизация ТП 902-1-60-АЭМ-С1 Заказная спецификация на силовое электрооборудование и материалы ТП 902-1-60-ЭЛ Технологический контроль ТП 902-1-60-ЭЛ-С1 Заказная спецификация на оборудование и материалы, поставляемые заказчиком |
| Разработан: | Харьковский Водоканалпроект |
| Утверждён: | 29.04.1982 Главпромстройпроект Госстроя СССР (15) |





























