Скачать Типовой проект 902-1-64 Альбом II. Архитектурно-строительные решения. Надземная часть. Общие чертежи, узлы и детали (из ТП 902-1-60)Дата актуализации: 01.01.2021
|
| Обозначение: | Типовой проект 902-1-64 |
| Обозначение англ: | 902-1-64 |
| Статус: | действует |
| Название рус.: | Альбом II. Архитектурно-строительные решения. Надземная часть. Общие чертежи, узлы и детали (из ТП 902-1-60) |
| Дата добавления в базу: | 01.09.2013 |
| Дата актуализации: | 01.01.2021 |
| Дата введения: | 01.11.1982 |
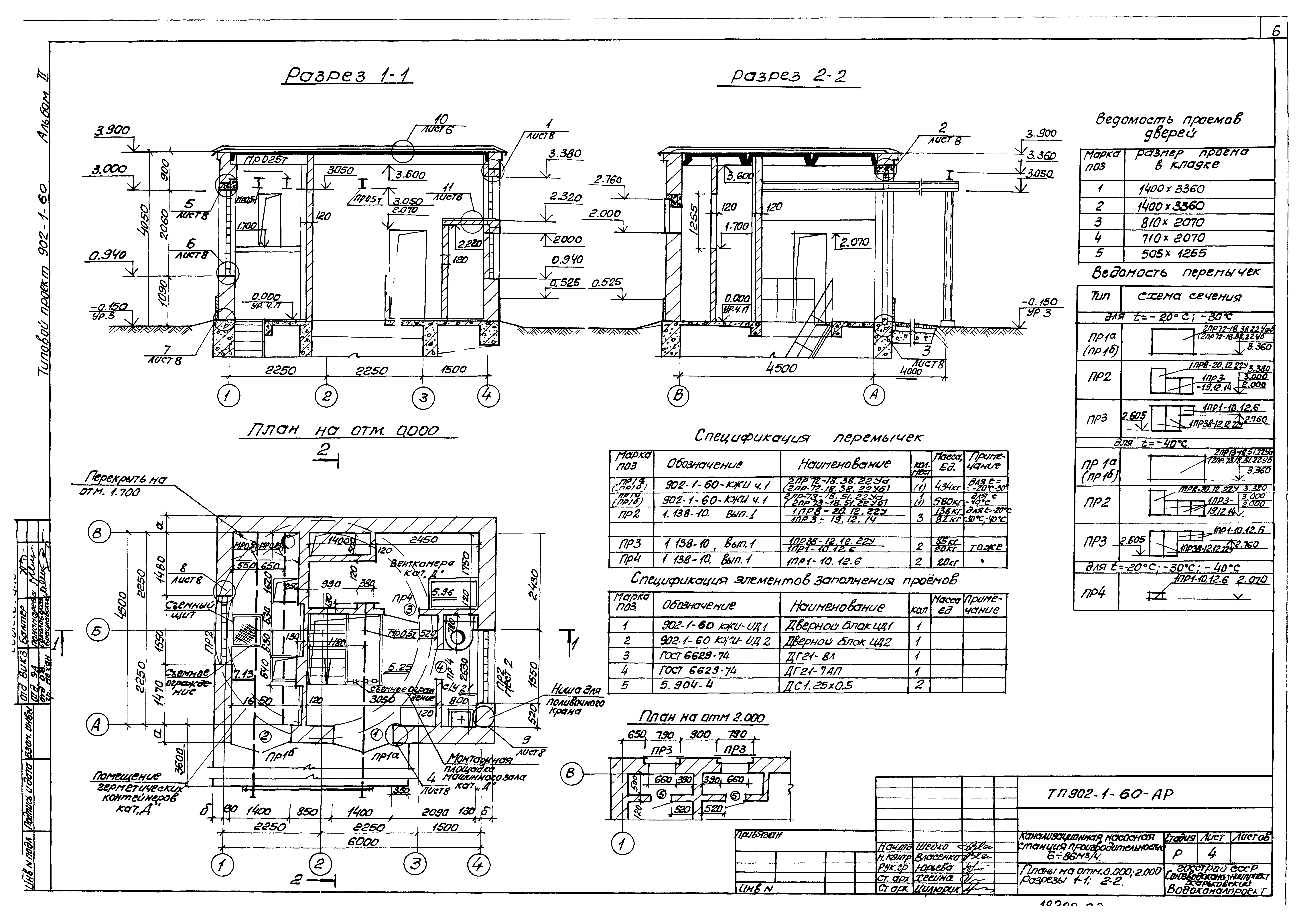
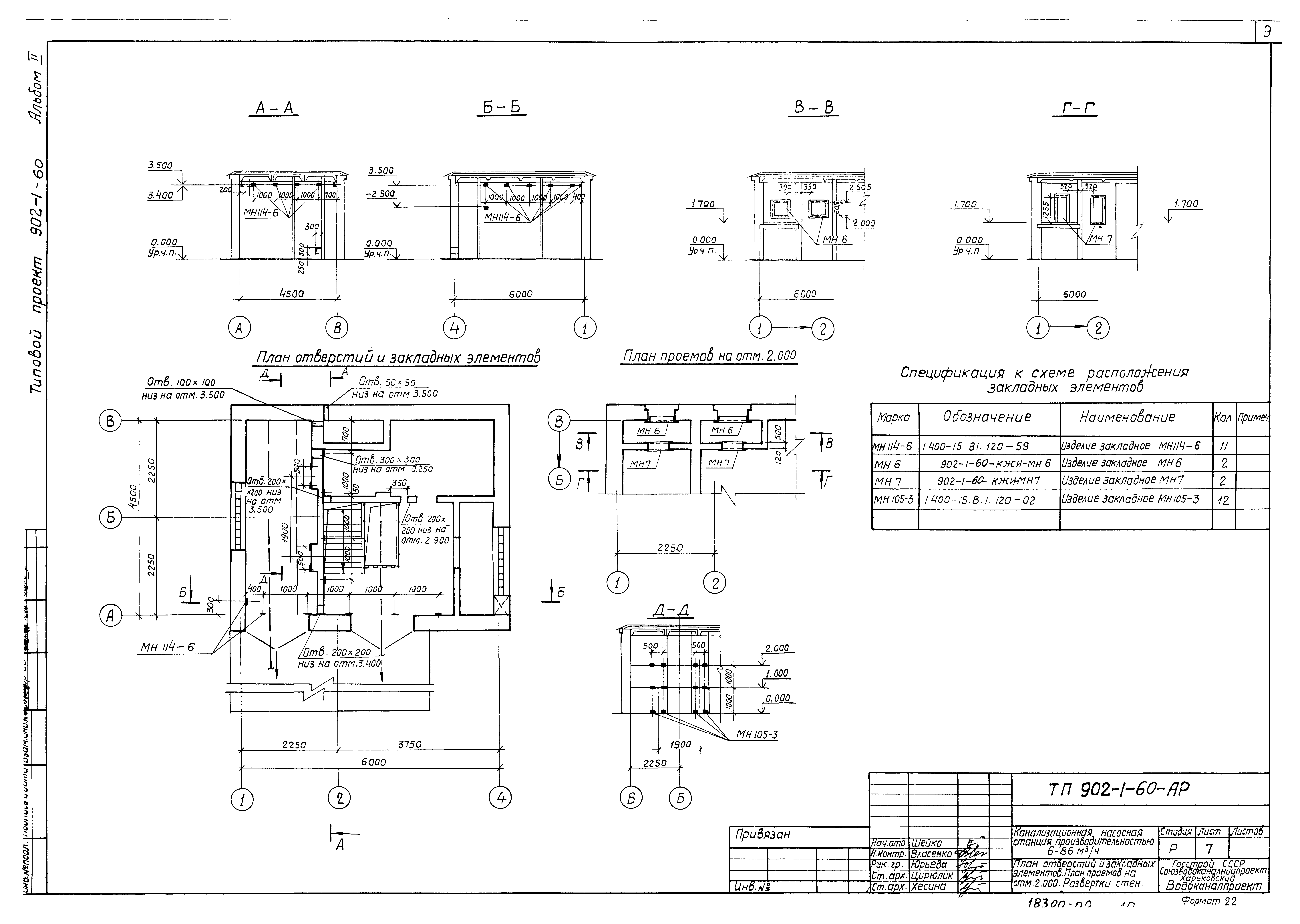
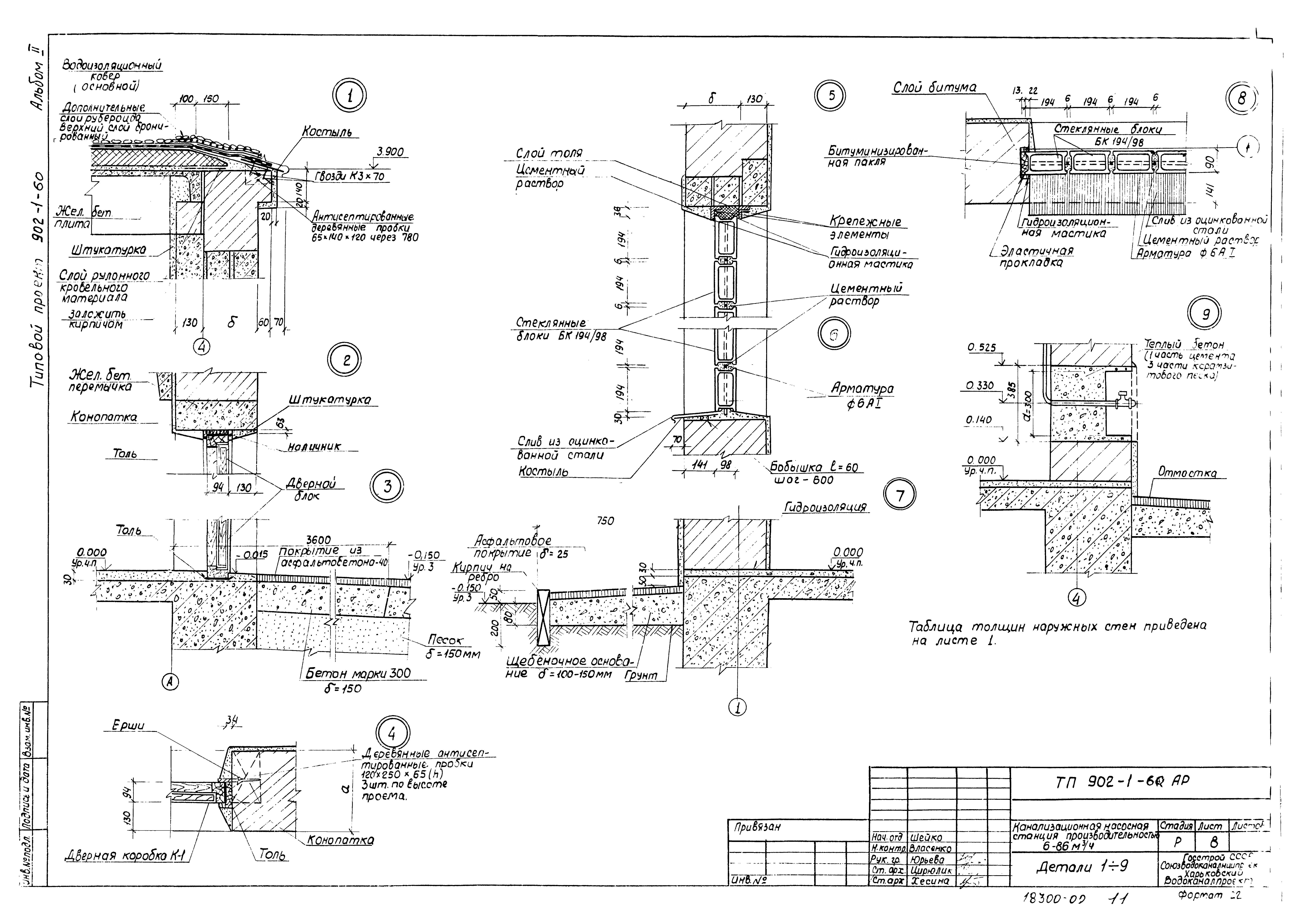
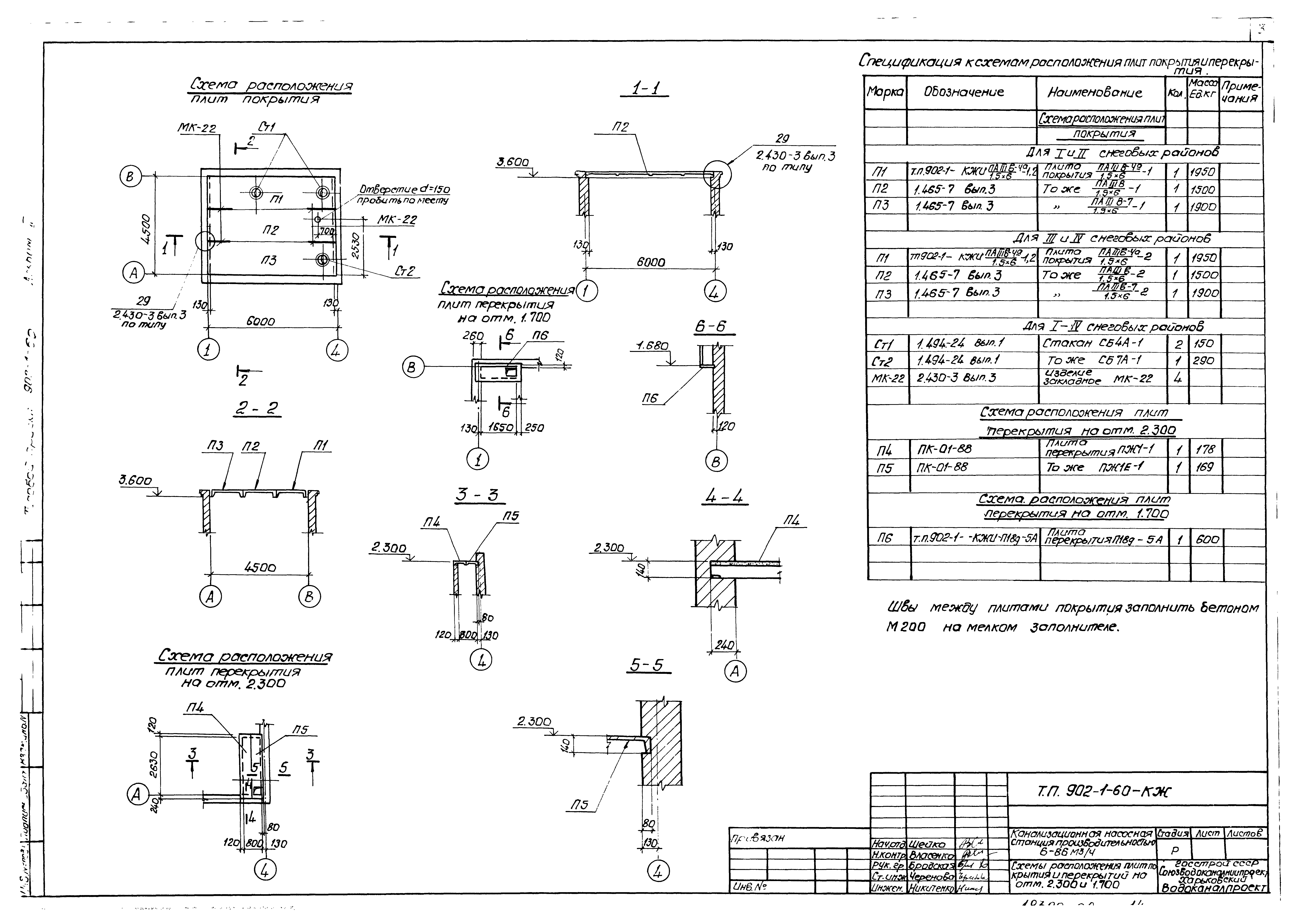
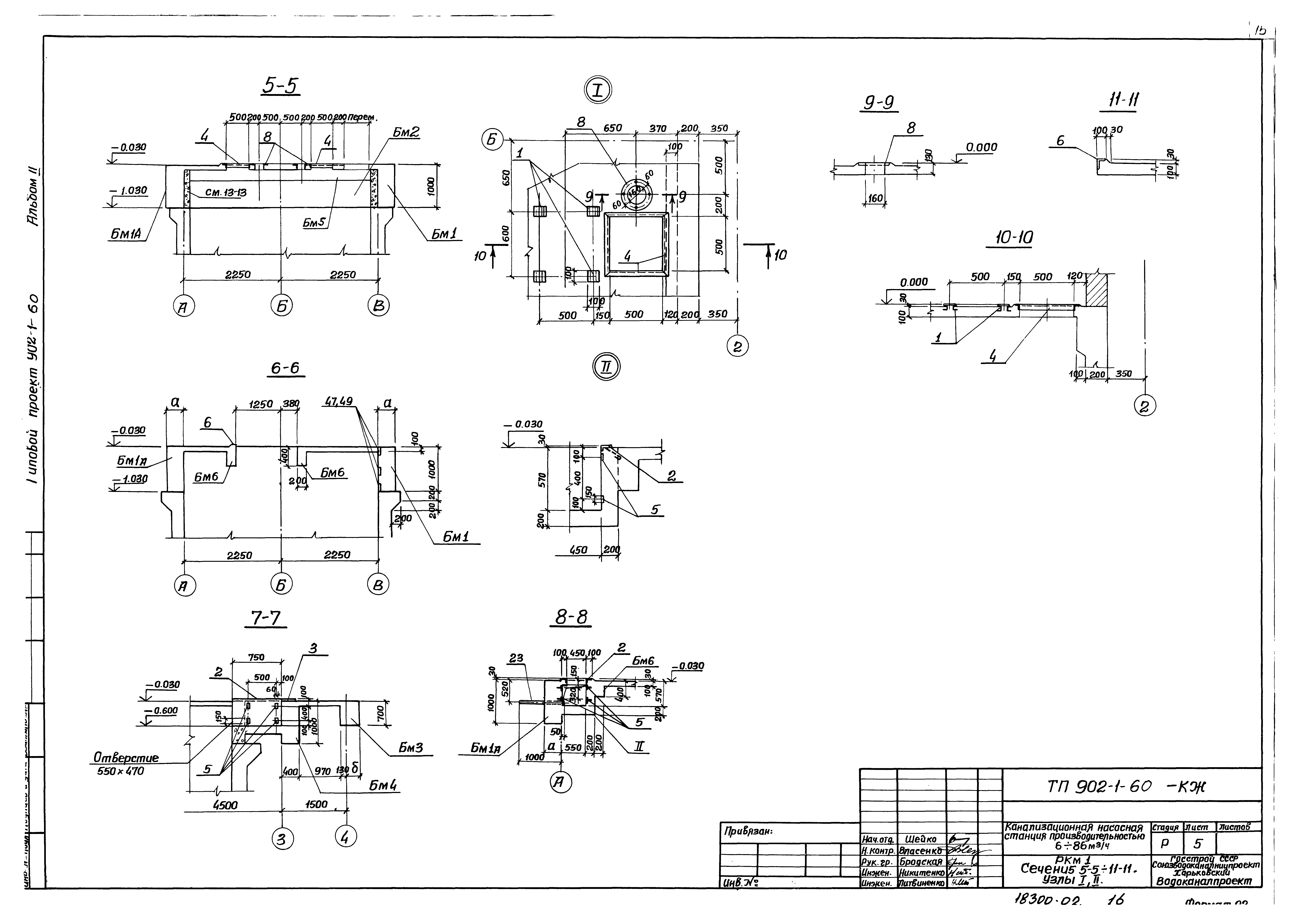
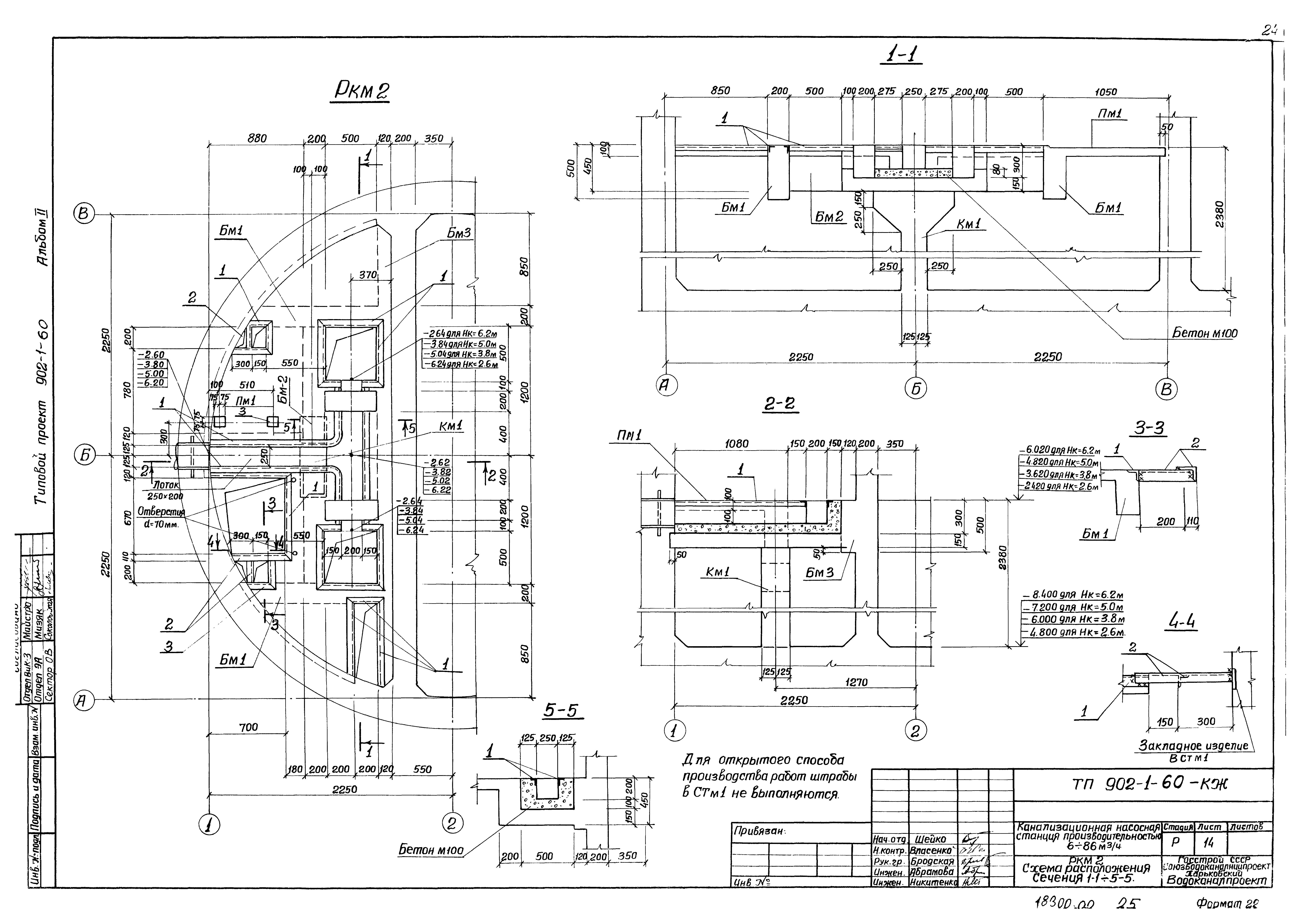
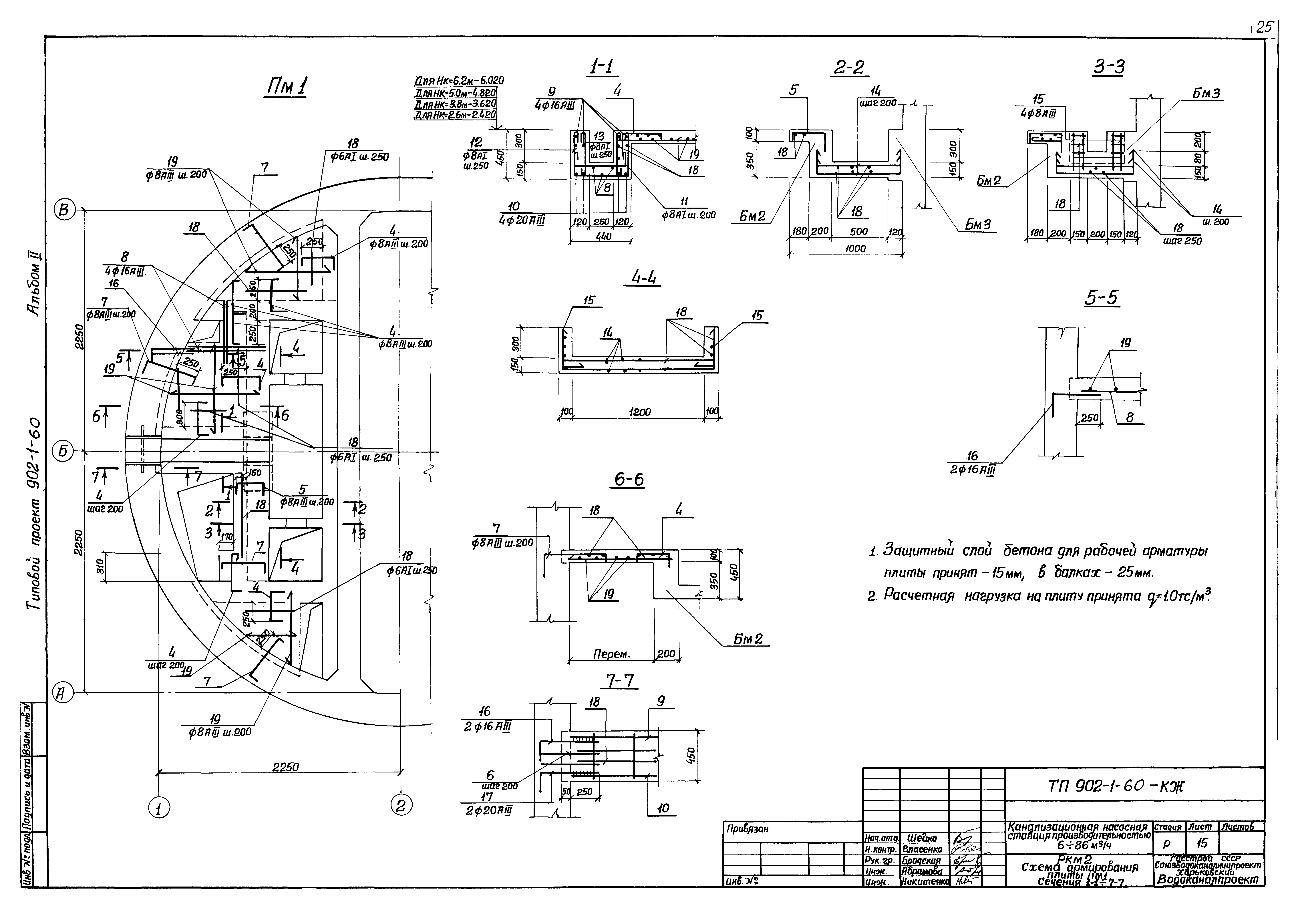
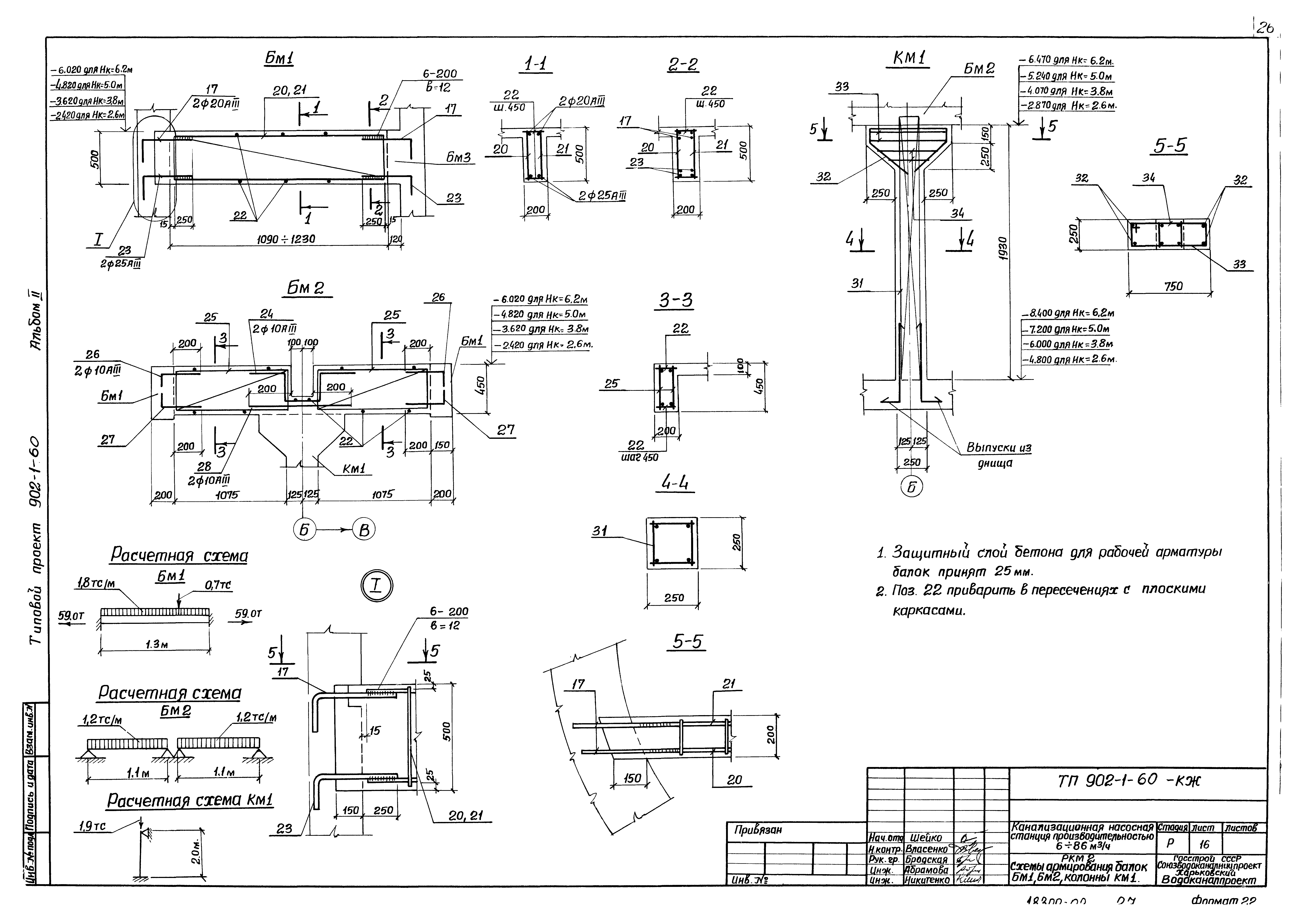
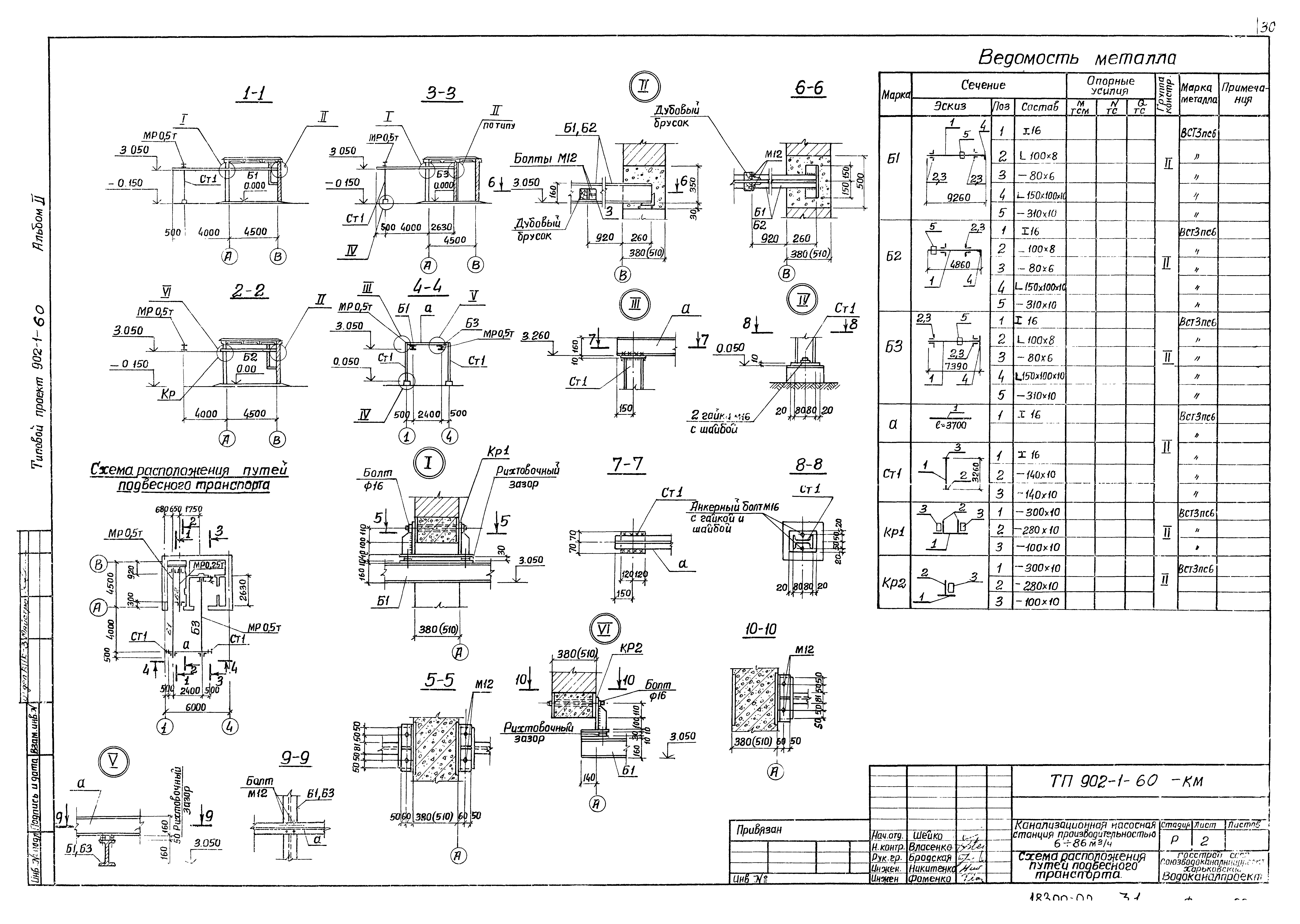
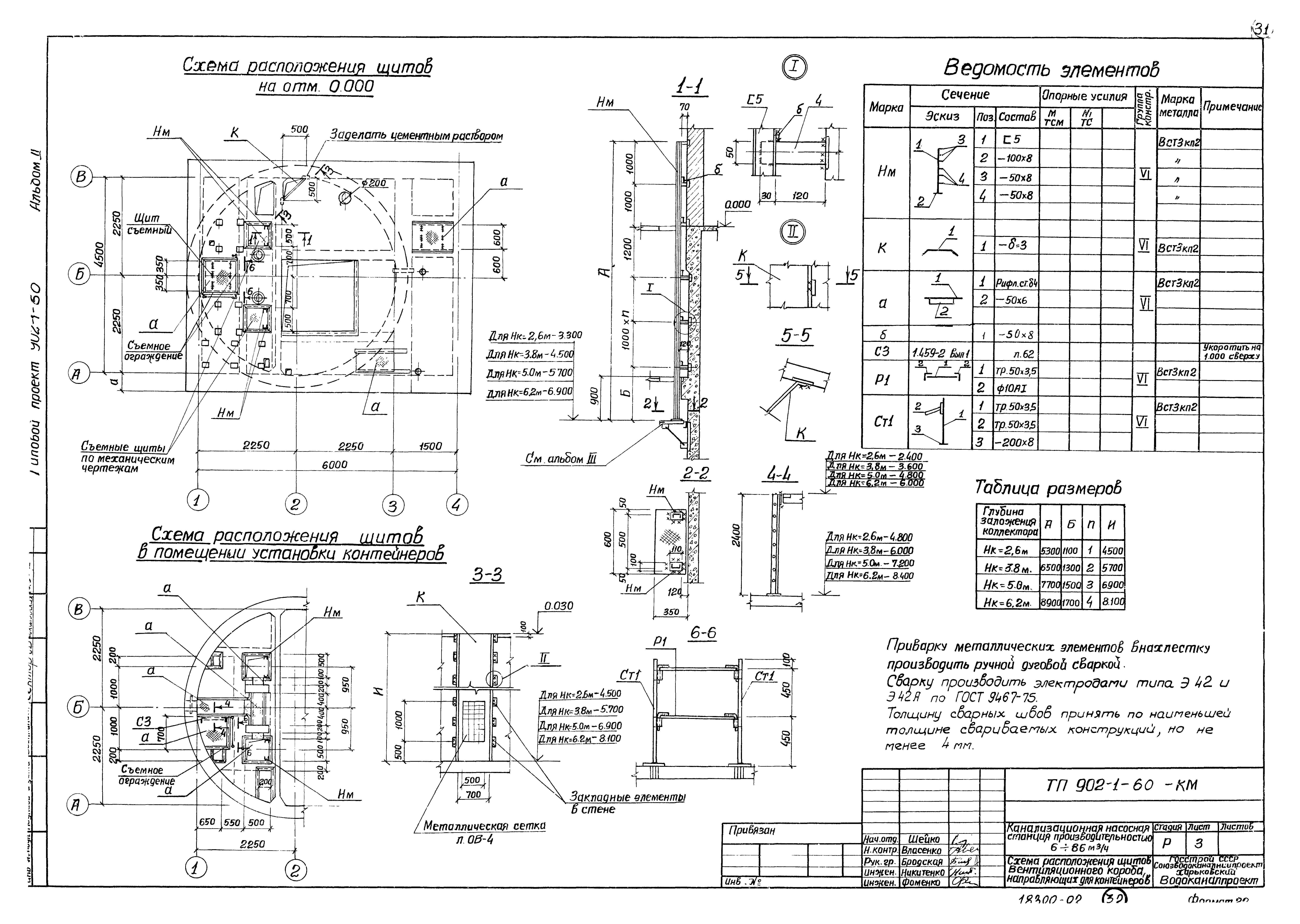
| Оглавление: | ТП 902-1-60 Содержание ТП 902-1-60-АР Основной комплект марки АР ТП 902-1-60-АР-1 Общие данные (начало) ТП 902-1-60-АР-2 Общие данные (продолжение) ТП 902-1-60-АР-3 Общие данные (окончание) ТП 902-1-60-АР-4 Планы на отм. 0.000,2.000. Разрезы 1-1,2-2 ТП 902-1-60-АР-5 Фасады. Схемы заполнения оконных проемов ТП 902-1-60-АР-6 Планы кровли и полов. Экспликация полов и состав кровли ТП 902-1-60-АР-7 План отверстий и закладных элементов. План проемов на отм. 2.000 ТП 902-1-60-АР-8 Детали 1-9 ТП 902-1-60-КЖ Основной комплект марки КЖ ТП 902-1-60-КЖ-1 Общие данные ТП 902-1-60-КЖ-2 Детали гидроизоляции стен и днища, устройства дренажного приямка ТП 902-1-60-КЖ-3 Схемы расположения плит покрытия и перекрытий на отм. 2.300 и 1.700 ТП 902-1-60-КЖ-4 РКМ1. Схема расположения. Сечения 1-1÷4-4,12-12,13-13 ТП 902-1-60-КЖ-5 РКМ1. Сечения 5-5÷11-11. Узлы 1,2 ТП 902-1-60-КЖ-6 РКМ1. Спецификация (t=-20ºС,-30ºС) ТП 902-1-60-КЖ-7 РКМ1. Спецификация (t=-40ºС) ТП 902-1-60-КЖ-8 РКМ1. Схема армирования плиты ПМ1 ТП 902-1-60-КЖ-9 РКМ1. Схема армирования плиты ПМ1. Сечения 1-1÷6-6. Ведомость расхода стали ТП 902-1-60-КЖ-10 РКМ1. Схема армирования балок БМ1-БМ3 (t=-20ºС,-30ºС) ТП 902-1-60-КЖ-11 РКМ1. Схема армирования балок БМ1-БМ3 (t=-40ºС) ТП 902-1-60-КЖ-12 РКМ1. Схема армирования балок БМ4-БМ6 (t=-20ºС,-30ºС) ТП 902-1-60-КЖ-13 РКМ1. Схема армирования балок БМ4-БМ6 (t=-40ºС) ТП 902-1-60-КЖ-14 РКМ2. Схема расположения. Сечения 1-1÷5-5 ТП 902-1-60-КЖ-15 РКМ2. Схема армирования плиты ПМ1. Сечения 1-1÷7-7 ТП 902-1-60-КЖ-16 РКМ2. Схемы армирования балок БМ1,БМ2. Колонны КМ1 ТП 902-1-60-КЖ-17 РКМ2. БМ3. Схема армирования. Спецификация к РКМ2 ТП 902-1-60-КЖ-18 Схема расположения фундаментов под оборудование и опор под задвижки ТП 902-1-60-КМ Основной комплект марки КМ ТП 902-1-60-КМ-1 Общие данные ТП 902-1-60-КМ-2 Схема расположения путей подвесного транспорта ТП 902-1-60-КМ-3 Схема расположения щитов, вентиляционного короба, направляющих для контейнеров |
| Разработан: | Харьковский Водоканалпроект |
| Утверждён: | 29.04.1982 Главпромстройпроект Госстроя СССР (15) |
































