Скачать Типовой проект 902-1-65 Альбом III. Строительные решения. Подземная частьДата актуализации: 01.01.2021
|
| Обозначение: | Типовой проект 902-1-65 |
| Обозначение англ: | 902-1-65 |
| Статус: | действует |
| Название рус.: | Альбом III. Строительные решения. Подземная часть |
| Дата добавления в базу: | 01.09.2013 |
| Дата актуализации: | 01.01.2021 |
| Дата введения: | 01.11.1982 |
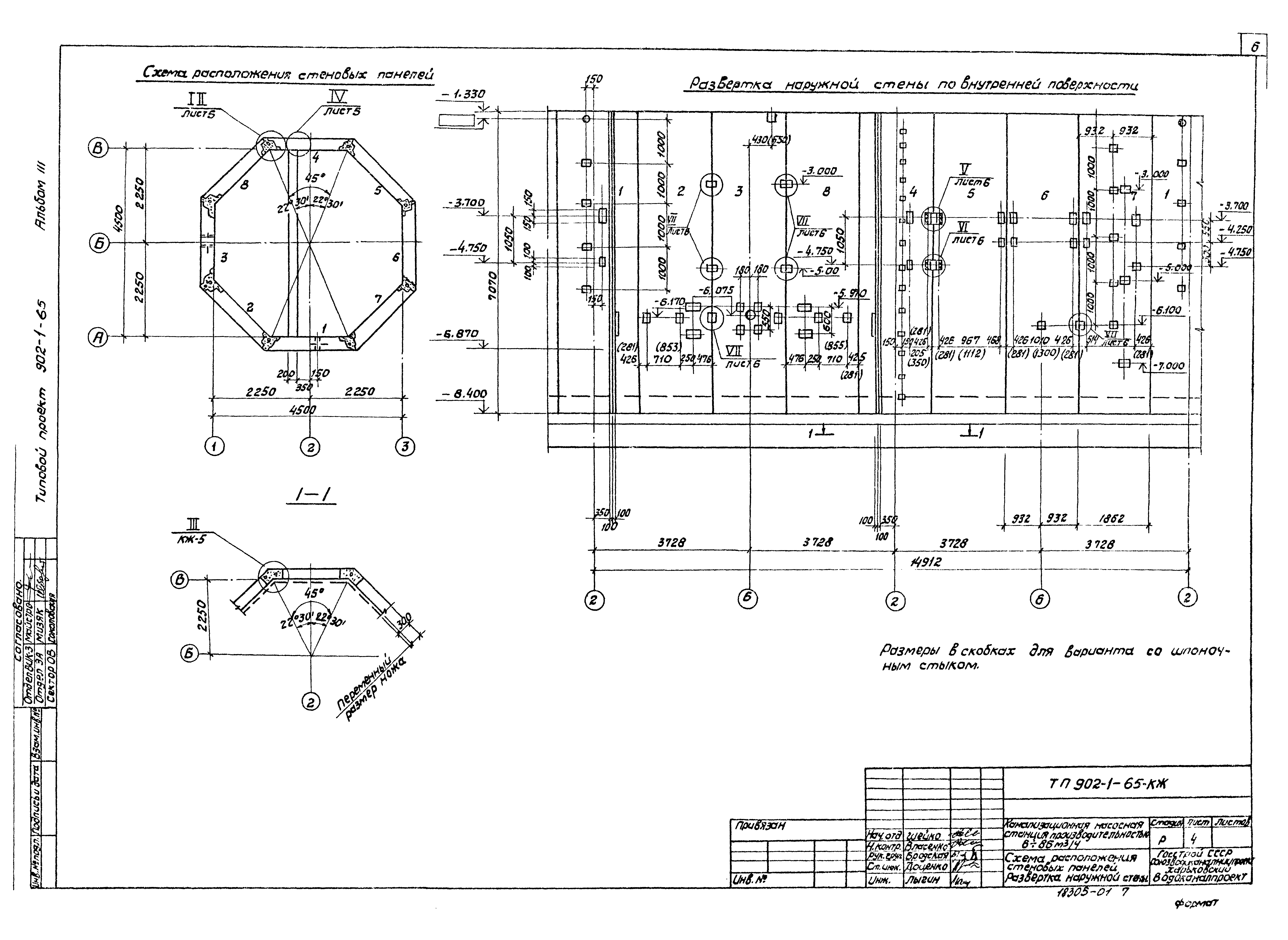
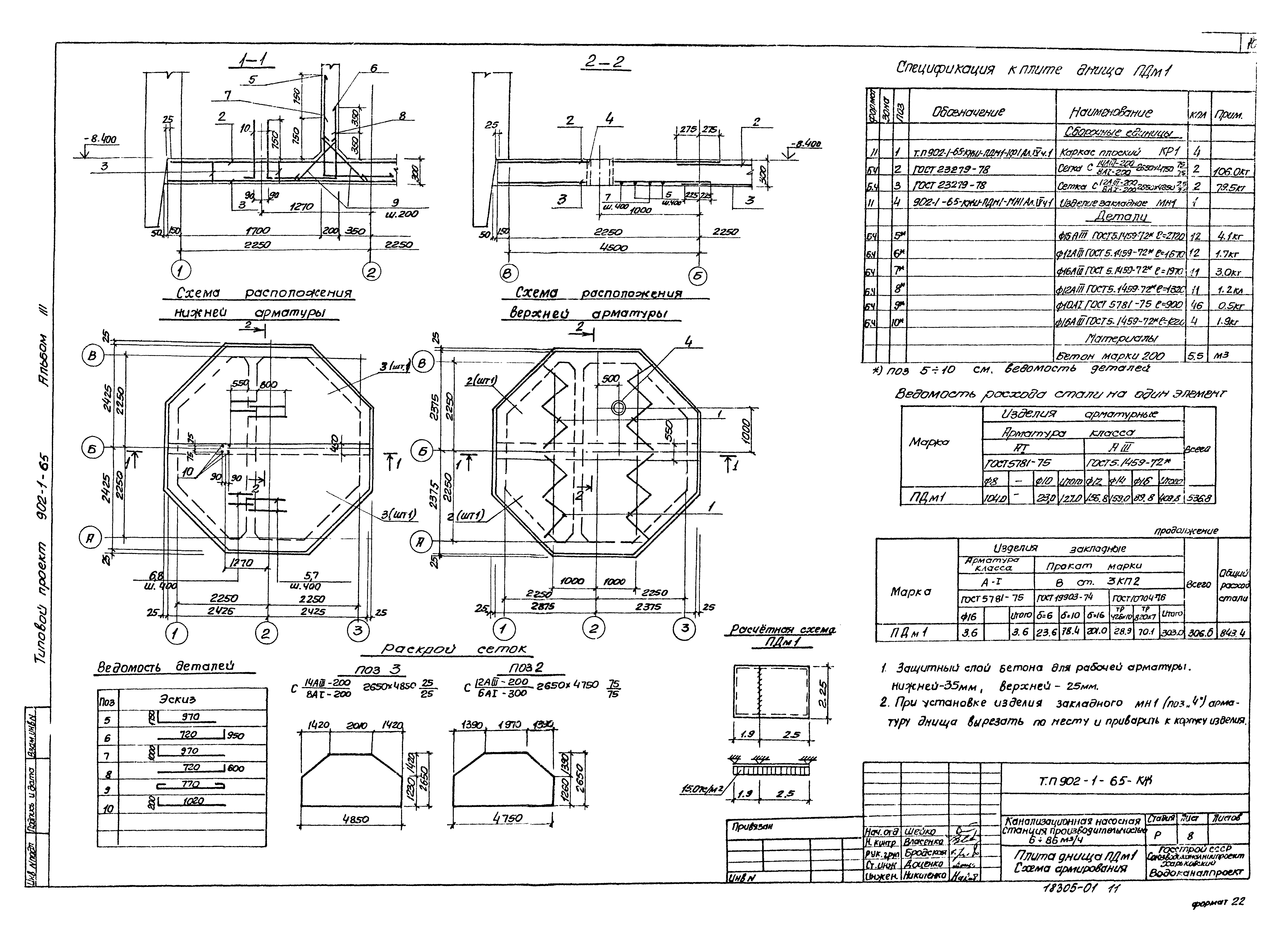
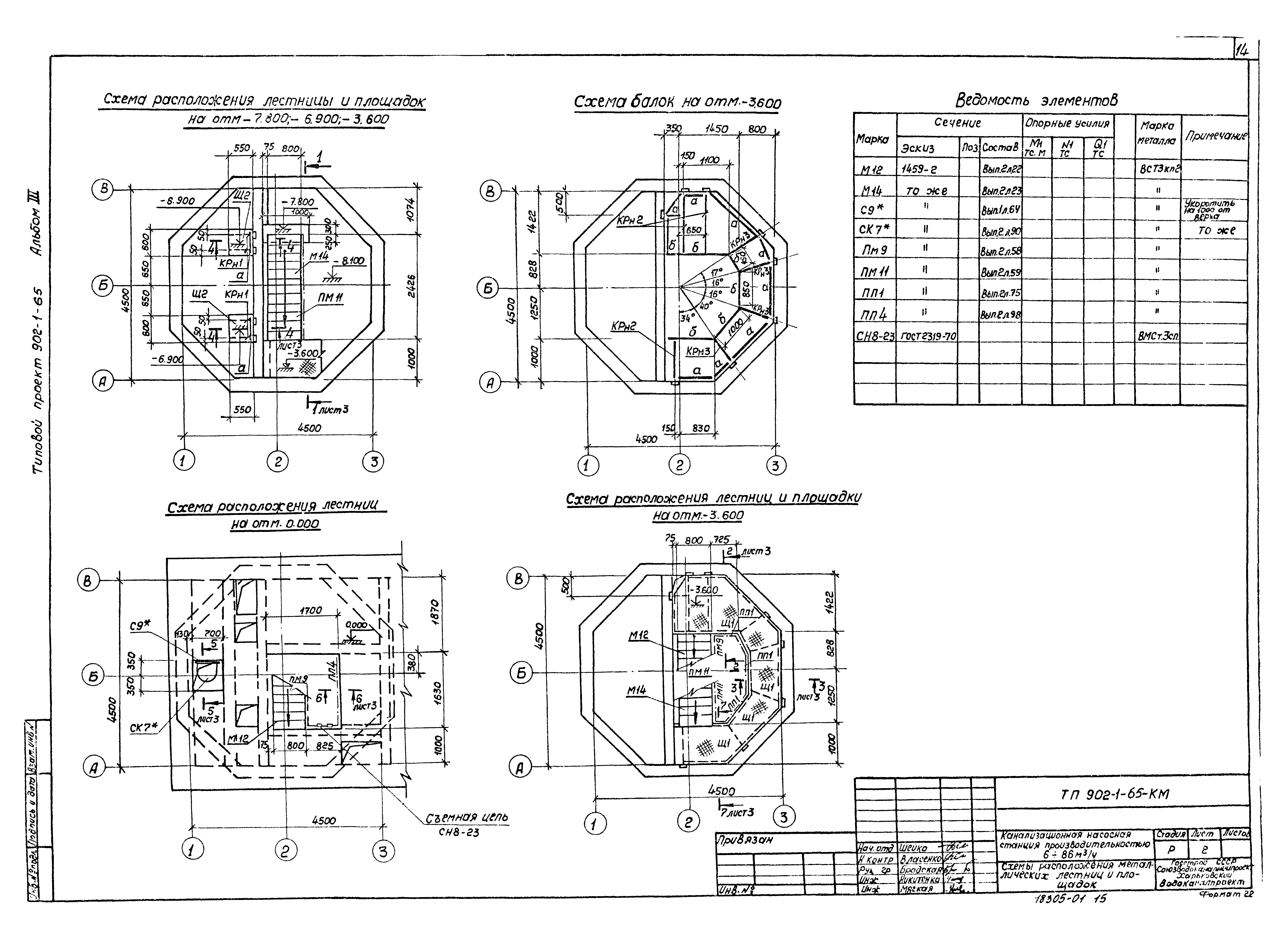
| Оглавление: | ТП 902-1-65 Содержание ТП 902-1-65-КЖ Основной комплект марки КЖ ТП 902-1-65-КЖ-1 Общие данные ТП 902-1-65-КЖ-2 Планы на отметке -3.600, -8.100 Разрезы 1-1,2-2 ТП 902-1-65-КЖ-3 Схема расположения монолитных конструкций подземной части ТП 902-1-65-КЖ-4 Схема расположения стеновых панелей. Развертка наружной стены ТП 902-1-65-КЖ-4 Схема расположения стеновых панелей. Узлы 1-4 ТП 902-1-65-КЖ-4 Схема расположения стеновых панелей. Узлы 5-8 ТП 902-1-65-КЖ-4 Схема расположения стеновых панелей. Спецификация ТП 902-1-65-КЖ-8 Плита днища ПДМ1. Схема армирования ТП 902-1-65-КЖ-9 Стена СТМ1 ТП 902-1-65-КЖ-10 Стена СТМ1. Схема армирования ТП 902-1-65-КМ Основной комплект марки КМ ТП 902-1-65-КМ-1 Общие данные ТП 902-1-65-КМ-2 Схемы расположения металлических лестниц и площадок ТП 902-1-65-КМ-3 Схемы расположения металлических лестниц и площадок. Сечения 1-1÷7-7. Узел 1 |
| Разработан: | Харьковский Водоканалпроект |
| Утверждён: | 29.04.1982 Главпромстройпроект Госстроя СССР (15) |
















