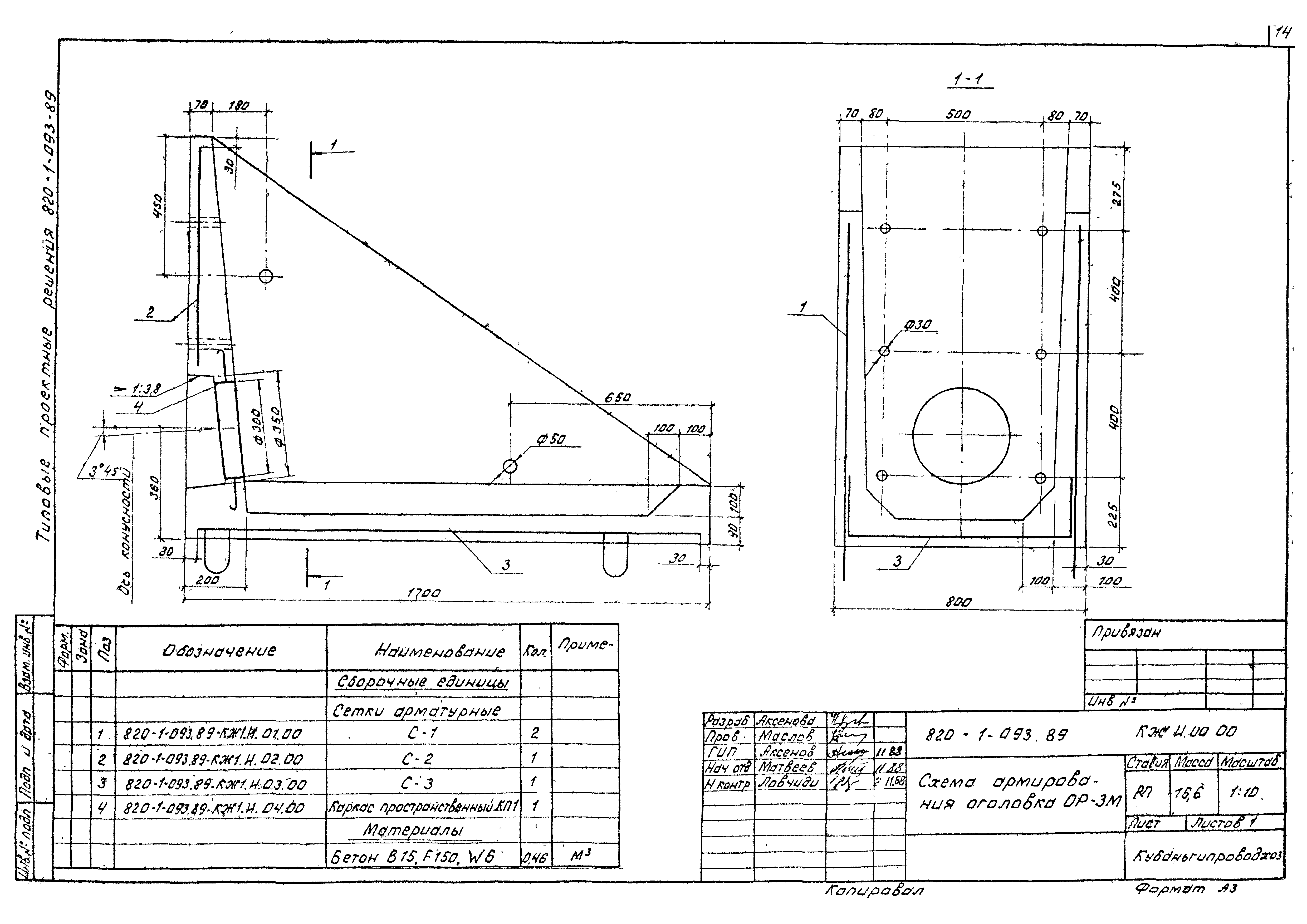
Скачать Типовые проектные решения 820-1-093.89 Альбом 1. Общая пояснительная записка. Конструкции железобетонные. Изделия. СметыДата актуализации: 01.01.2021 Типовые проектные решения 820-1-093.89
Альбом 1. Общая пояснительная записка. Конструкции железобетонные. Изделия. Сметы| Обозначение: | Типовые проектные решения 820-1-093.89 | | Обозначение англ: | 820-1-093.89 | | Статус: | справочные материалы, мп, тпр | | Название рус.: | Альбом 1. Общая пояснительная записка. Конструкции железобетонные. Изделия. Сметы | | Дата добавления в базу: | 01.09.2013 | | Дата актуализации: | 01.01.2021 | | Дата введения: | 06.01.1989 | | Разработан: | Кубаньгипроводхоз Минводхоза СССР
| | Утверждён: | 06.01.1989 Минводхоз СССР (USSR Minvodkhoz 787)
|
                                           
|