Скачать Типовой проект 903-1-225.86 Альбом 0. Пояснительная запискаДата актуализации: 01.01.2021
|
| Обозначение: | Типовой проект 903-1-225.86 |
| Обозначение англ: | 903-1-225.86 |
| Статус: | действует |
| Название рус.: | Альбом 0. Пояснительная записка |
| Дата добавления в базу: | 01.09.2013 |
| Дата актуализации: | 01.01.2021 |
| Дата введения: | 20.05.1986 |
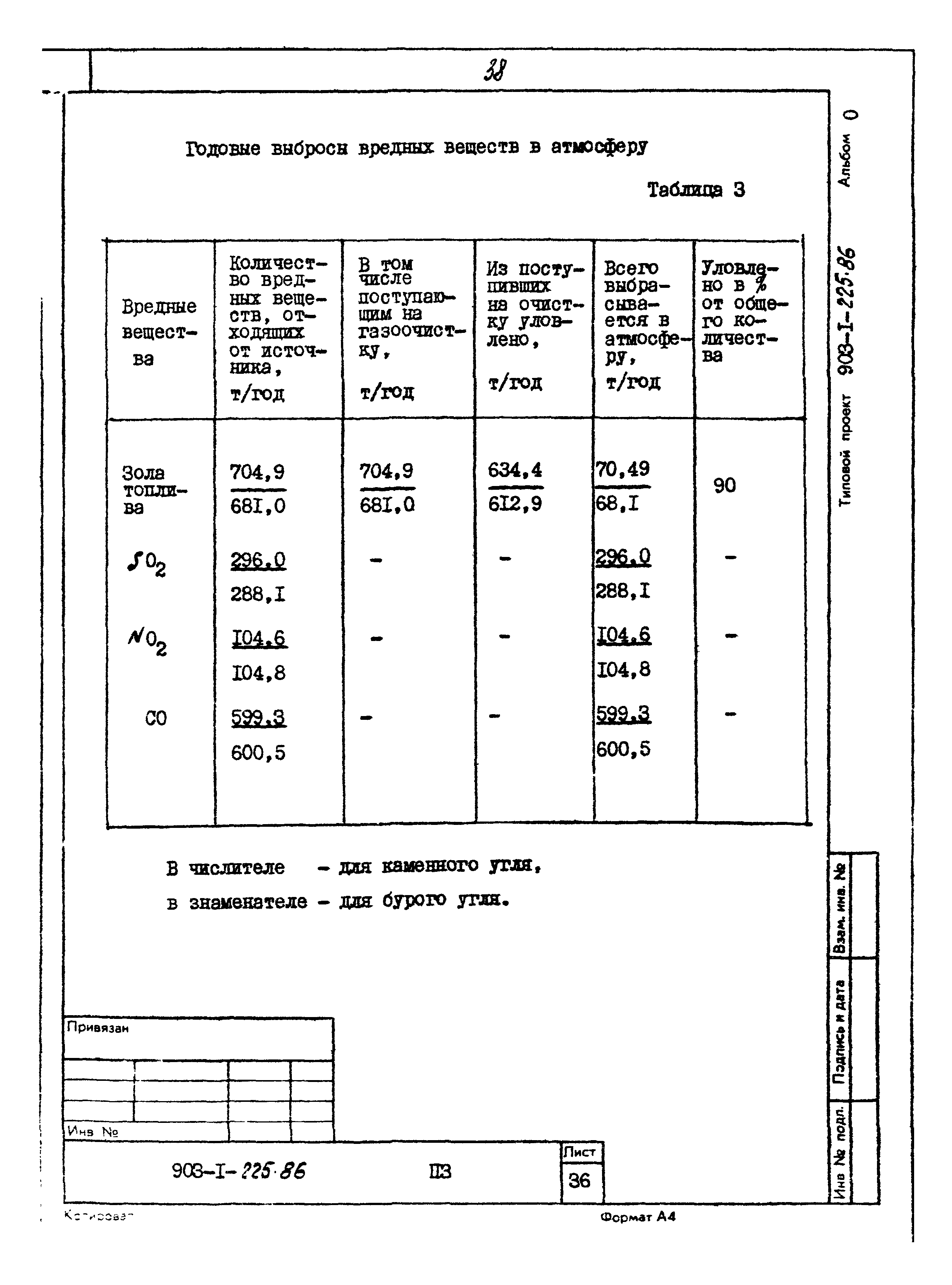
| Оглавление: | 1. Общая часть 2. Тепломеханическая часть 3. Водоподготовительная установка 4. Топливоподача 5. Генеральный план 6. Архитектурно-строительные решения 7. Автоматизация 8. Пожарная сигнализация и пожаротушение 9. Электротехническая часть 10. Водоснабжение и канализация 11. Отопление и вентиляция 12. Тепловые сети 13. Технико-экономическая часть 14 Показатели изменения сметной стоимости строительно-монтажных работ, затрат труда и расходы основных строительных материалов при применении достижений науки, техники и передового опыта |
| Разработан: | Латгипропром |
| Утверждён: | 20.05.1986 Госстрой СССР (Государственный комитет Совета Министров СССР по делам строительства) (USSR Gosstroy АЧ-30) |
































































































































