Скачать Типовой проект 903-1-225.86 Альбом 7.8. Топливоподача. Электротехническая часть. Задание заводу-изготовителю на низковольтные комплектные устройства (из ТП 903-1-224.86)Дата актуализации: 01.01.2021
|
| Обозначение: | Типовой проект 903-1-225.86 |
| Обозначение англ: | 903-1-225.86 |
| Статус: | действует |
| Название рус.: | Альбом 7.8. Топливоподача. Электротехническая часть. Задание заводу-изготовителю на низковольтные комплектные устройства (из ТП 903-1-224.86) |
| Дата добавления в базу: | 01.09.2013 |
| Дата актуализации: | 01.01.2021 |
| Дата введения: | 20.05.1986 |
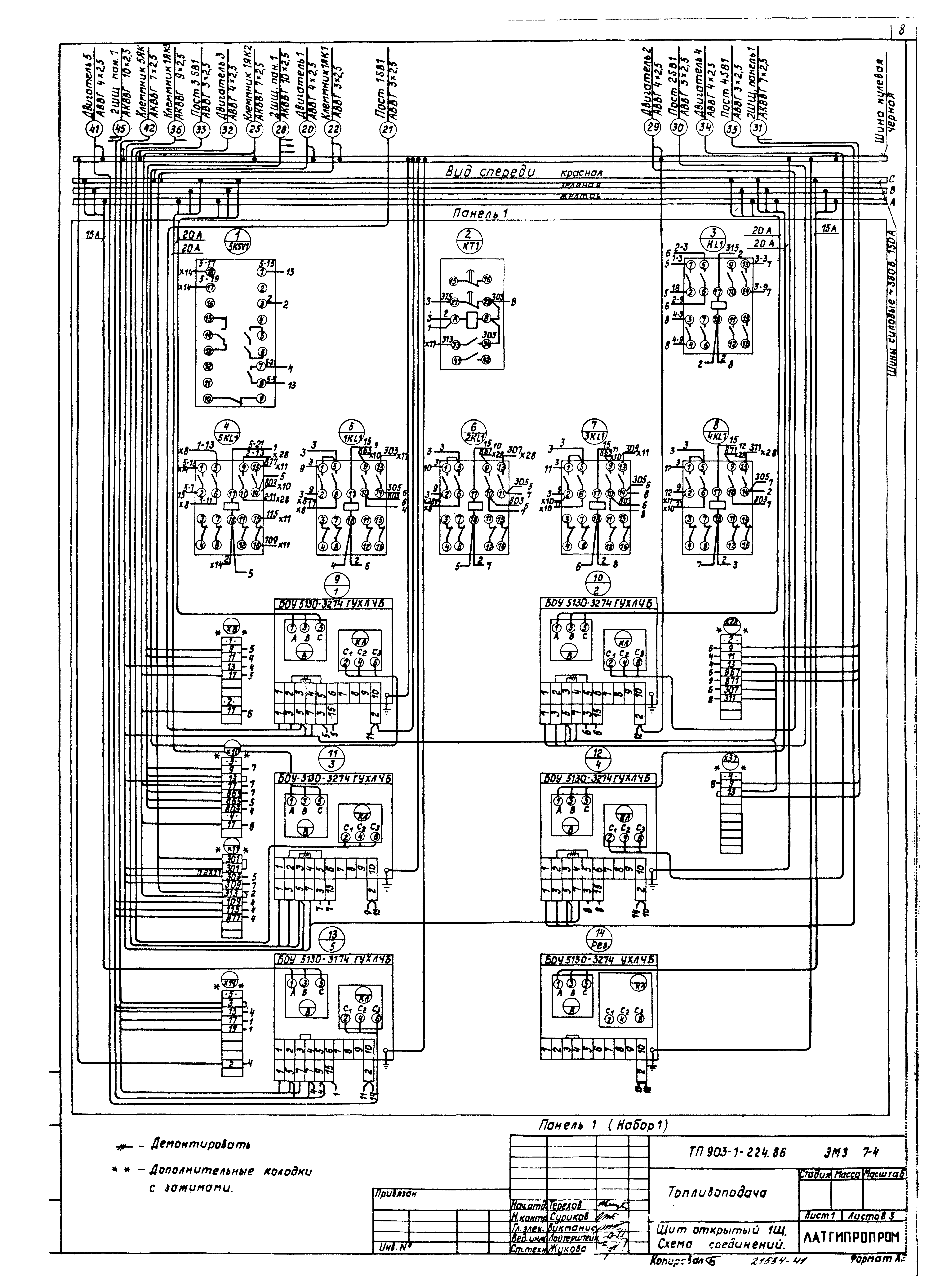
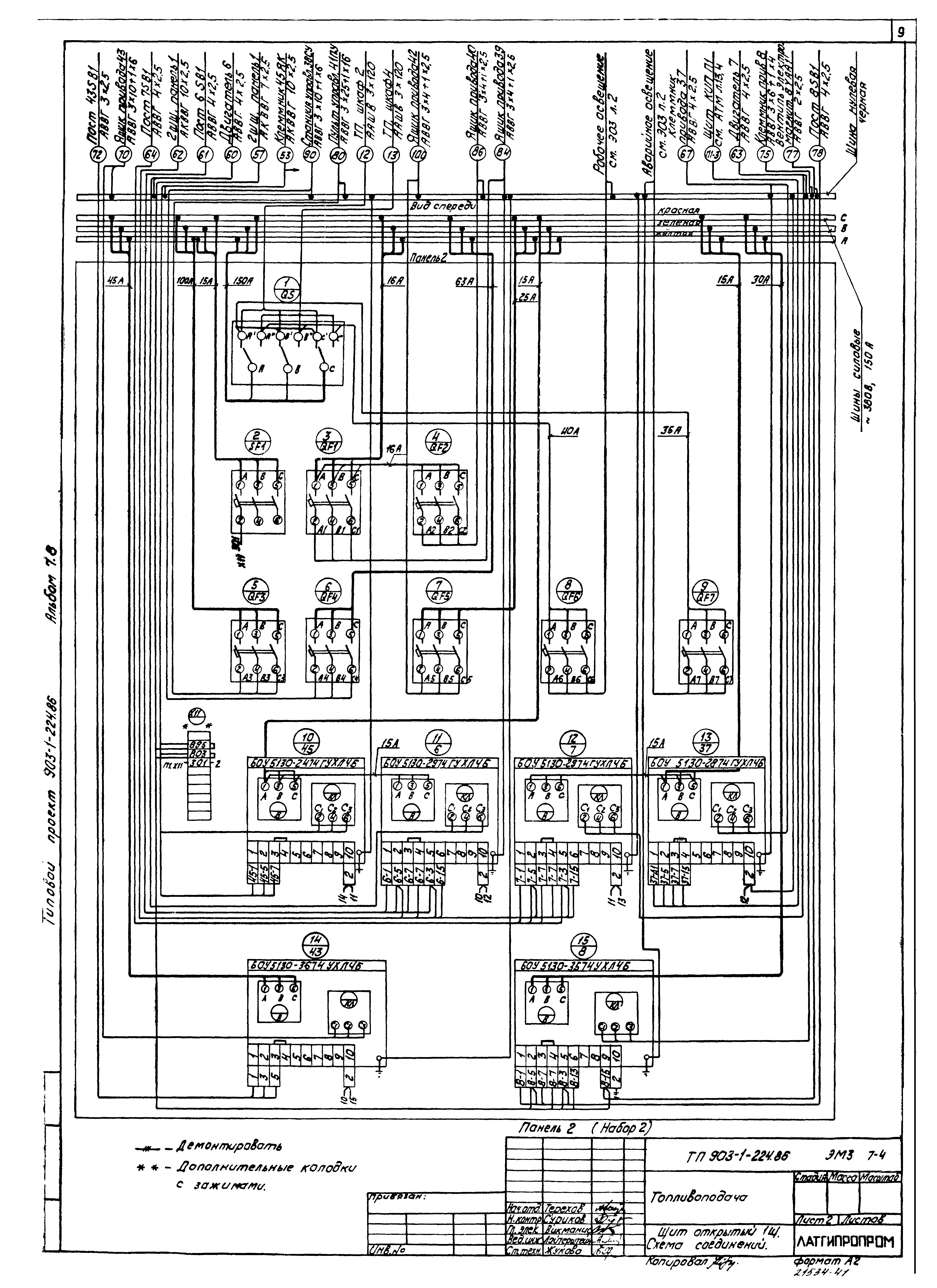
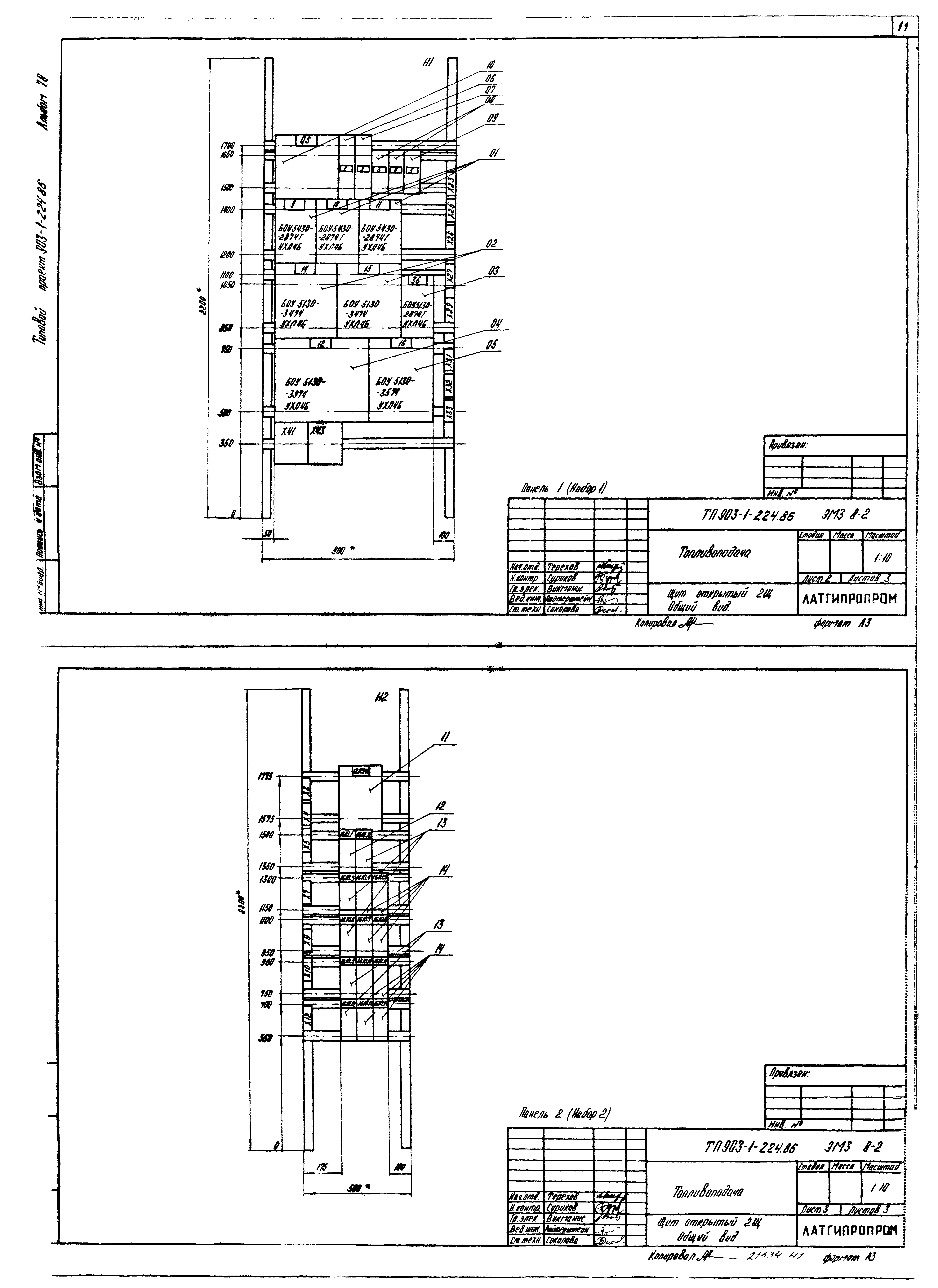
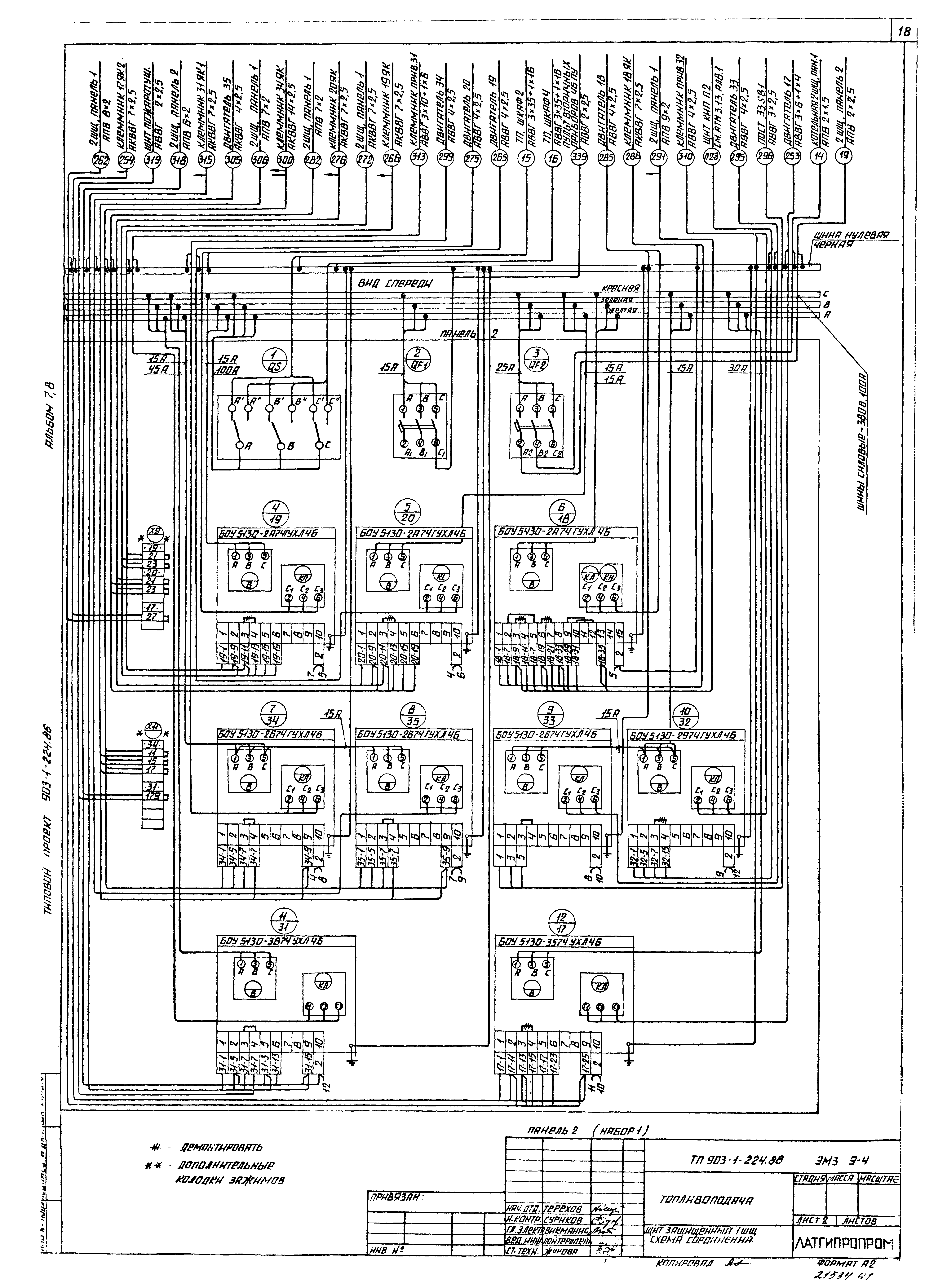
| Оглавление: | ТП 903-1-224.86 Содержание альбома ТП 903-1-224.86-ЭМ3-7-01 Лист 1 Перечень комплектных устройств ТП 903-1-224.86-ЭМ3-7-02 Лист 1 Низковольтные комплектные устройства. Задание заводу-изготовителю. Перечень чертежей ТП 903-1-224.86-ЭМ3-7-1 Лист 1,2 Щит открытый 1Щ. Технические данные аппаратов ТП 903-1-224.86-ЭМ3-7-2 Лист 1,2,3 Щит открытый 1Щ. Общий вид ТП 903-1-224.86-ЭМ3-7-3 Лист 1,2 Щит открытый 1Щ. Перечень надписей ТП 903-1-224.86-ЭМ3-9-3 Лист 1,2 Щит открытый 1Щ. Перечень надписей ТП 903-1-224.86-ЭМ3-7-4 Лист 1,2 Щит открытый 1Щ. Схема соединений ТП 903-1-224.86-ЭМ3-8-1 Лист 1,2 Щит открытый 2Щ. Технические данные аппаратов ТП 903-1-224.86-ЭМ3-8-2 Лист 1,2,3 Щит открытый 2Щ. Общий вид ТП 903-1-224.86-ЭМ3-8-3 Лист 1,2 Щит открытый 2Щ. Перечень надписей ТП 903-1-224.86-ЭМ3-8-4 Лист 1,2,3,4 Щит открытый 2Щ. Схема соединений ТП 903-1-224.86-ЭМ3-9-1 Лист 1,2 Щит защищенный 1ШЩ. Технические данные аппаратов ТП 903-1-224.86-ЭМ3-9-2 Лист 1,2,3 Щит защищенный 1Щ. Общий вид ТП 903-1-224.86-ЭМ3-9-4 Лист 1,2 Щит защищенный 1Щ. Схема соединений ТП 903-1-224.86-ЭМ3-10-1 Лист 1...3 Щит защищенный 2ШЩ. Технические данные аппаратов ТП 903-1-224.86-ЭМ3-7-4 Лист 3 Щит открытый 1Щ. Схема соединений ТП 903-1-224.86-ЭМ3-10-2 Лист 1,2,3 Щит защищенный 2Щ. Общий вид ТП 903-1-224.86-ЭМ3-10-3 Лист 1...8 Щит защищенный 2Щ. Перечень надписей ТП 903-1-224.86-ЭМ3-10-4 Лист 1...4 Щит защищенный 2Щ. Схема соединений |
| Разработан: | Латгипропром |
| Утверждён: | 20.05.1986 Госстрой СССР (Государственный комитет Совета Министров СССР по делам строительства) (USSR Gosstroy АЧ-30) |




































